SLVU743A September   2012  – June 2021 TPS62175 , TPS62177

 

  1. 1Introduction
    1. 1.1 Background
    2. 1.2 Performance Specification
    3. 1.3 Modifications
      1. 1.3.1 Fixed Output Voltage Operation
      2. 1.3.2 Input and Output Capacitors
      3. 1.3.3 Loop Response Measurement
  2. 2Setup
    1. 2.1 Input/Output Connector Descriptions
    2. 2.2 Setup
  3. 3TPS62175EVM-098 Test Results
  4. 4Board Layout
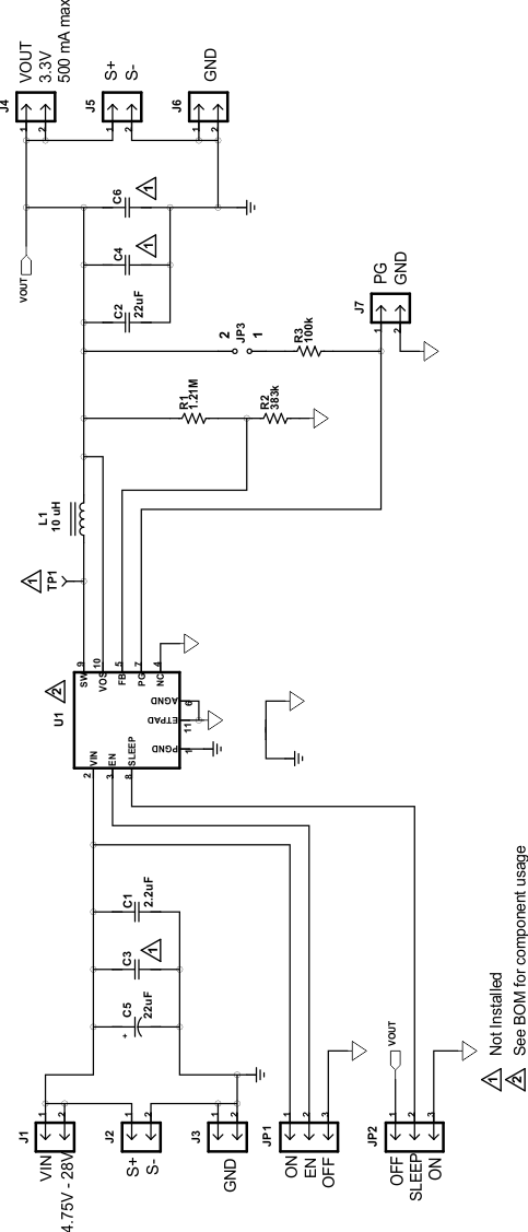
  5. 5Schematic and Bill of Materials
    1. 5.1 Schematic
    2. 5.2 Bill of Materials
  6. 6Revision History

Schematic

GUID-FB4FA3DB-477E-4DDB-B883-19B36D67C9F9-low.gifFigure 5-1 TPS62175EVM-098 Schematic