SLVUCB8A May   2022  – September 2022 TPS25985

 

  1.   TPS25985 evaluation module for eFuse User's Guide
  2.   Trademarks
  3. 1Introduction
    1. 1.1 EVM Features
    2. 1.2 EVM Applications
  4. 2Description
  5. 3Schematic
  6. 4General Configurations
    1. 4.1 Physical Access
    2. 4.2 Test Equipment and Setup
      1. 4.2.1 Power supplies
      2. 4.2.2 Meters
      3. 4.2.3 Oscilloscope
      4. 4.2.4 Loads
  7. 5Test Setup and Procedures
    1. 5.1  Hot Plug
    2. 5.2  Start-up with Enable
    3. 5.3  Difference Between Current Limit and DVDT Based Start-up Mechanisms
    4. 5.4  Power-up into Short
    5. 5.5  Overvoltage Lockout
    6. 5.6  Transient Overload Performance
    7. 5.7  Overcurrent Event
    8. 5.8  Provision to Apply Load Transient and Overcurrent Event Using an Onboard Switching Circuit
    9. 5.9  Output Hot Short
    10. 5.10 PROCHOT# Implementation Using General-Purpose Comparator
    11. 5.11 Quick Output Discharge (QOD)
    12. 5.12 Thermal Performance of TPS25985EVM
  8. 6EVAL Board Assembly Drawings and Layout Guidelines
    1. 6.1 PCB Drawings
  9. 7Bill Of Materials (BOM)
  10. 8Revision History

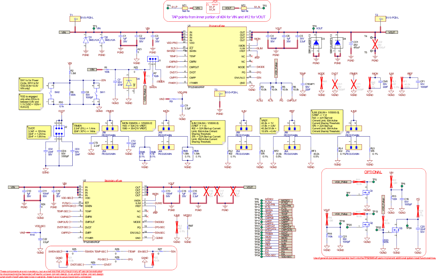
Schematic

Figure 3-1 illustrates the EVM schematic.

GUID-20220823-SS0I-M3QL-BDQ0-NQK8CDLFS332-low.gif GUID-20220823-SS0I-VL0X-GBR7-N2HLNH5CDPS7-low.gif Figure 3-1 TPS25985EVM eFuse Evaluation Board Schematic
Note:
  • To evaluate the performance of one (1) TPS25985 eFuse at lower currents (< 60 A), RZ5, RZ6, RZ7, RZ8, & RZ9 resistors need to be depopulated, and R21 & R22 resistors should be populated to disable the secondary eFuse.
  • The ground connections for the various components around the TPS25985 eFuses should be wired directly to each other and the GND pins of respective eFuses. This should be followed by connecting them to the system ground at one point, as implemented using RZ1 and RZ4 resistors in the EVM schematic. Do not connect the various component grounds through the high current system ground line.