SNVA998 September   2020 LP8732-Q1 , LP87522-Q1

 

  1.   Trademarks
  2. 1Design Parameters
  3. 2Power Solution
  4. 3Sequencing
    1. 3.1 Startup
    2. 3.2 Shutdown
  5. 4Schematic
  6. 5Software Drivers
  7. 6Recommended External Components
  8. 7Measurements
  9. 8Summary
  10. 9References

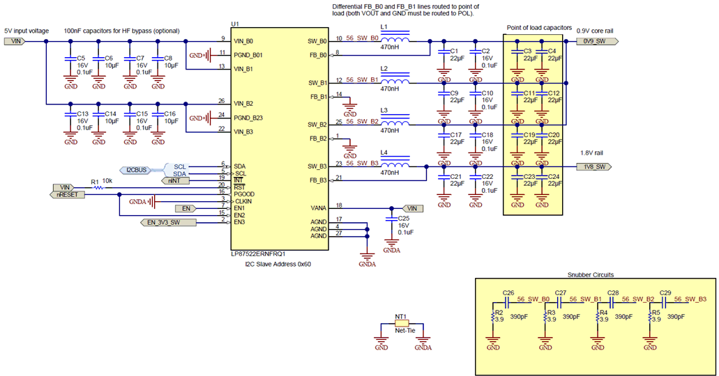
Schematic

Figure 4-1through Figure 4-3 show the AC8015 power tree schematic with critical components. Snubbers are needed for LP87522E-Q1 when input voltage of the system is >4 V, otherwise they are optional.

GUID-20200922-CA0I-8X0C-3D9V-NNRDXH6SDQRS-low.gif Figure 4-1 LP87522E-Q1 Schematic
GUID-20200922-CA0I-BSF8-W8JN-JF1J2GZNF6QF-low.gif Figure 4-2 LP873244-Q1 Schematic
GUID-20200922-CA0I-Z0B2-GNHV-WHXSJQ8FZCNC-low.gif Figure 4-3 TPS62813-Q1 Schematic