SLVSCK8A November   2014  – December 2014 TPS63024 , TPS630241 , TPS630242

PRODUCTION DATA.  

  1. Features
  2. Applications
  3. Description
  4. Revision History
  5. Pin Configuration and Functions
  6. Specifications
    1. 6.1 Absolute Maximum Ratings
    2. 6.2 ESD Ratings
    3. 6.3 Recommended Operating Conditions
    4. 6.4 Thermal Information
    5. 6.5 Electrical Characteristics
    6. 6.6 Timing Requirements
    7. 6.7 Typical Characteristics
  7. Detailed Description
    1. 7.1 Overview
    2. 7.2 Functional Block Diagram
    3. 7.3 Feature Description
      1. 7.3.1 Undervoltage Lockout (UVLO)
      2. 7.3.2 Output Discharge Function
      3. 7.3.3 Thermal Shutdown
      4. 7.3.4 Softstart
      5. 7.3.5 Short Circuit Protection
    4. 7.4 Device Functional Modes
      1. 7.4.1 Control Loop Description
      2. 7.4.2 Power Save Mode Operation
      3. 7.4.3 Current Limit
      4. 7.4.4 Supply and Ground
      5. 7.4.5 Device Enable
  8. Application and Implementation
    1. 8.1 Application Information
    2. 8.2 Typical Application
      1. 8.2.1 Design Requirements
      2. 8.2.2 Detailed Design Procedure
        1. 8.2.2.1 Output Filter Design
        2. 8.2.2.2 Inductor Selection
        3. 8.2.2.3 Capacitor Selection
          1. 8.2.2.3.1 Input Capacitor
          2. 8.2.2.3.2 Output Capacitor
        4. 8.2.2.4 Setting The Output Voltage
      3. 8.2.3 Application Curves
  9. Power Supply Recommendations
  10. 10Layout
    1. 10.1 Layout Guidelines
    2. 10.2 Layout Example
  11. 11Device and Documentation Support
    1. 11.1 Device Support
      1. 11.1.1 Third-Party Products Disclaimer
    2. 11.2 Documentation Support
      1. 11.2.1 Related Documentation
    3. 11.3 Related Links
    4. 11.4 Trademarks
    5. 11.5 Electrostatic Discharge Caution
    6. 11.6 Glossary
  12. 12Mechanical, Packaging, and Orderable Information
  13. 13Mechanical, Packaging, and Orderable Information

Package Options

Mechanical Data (Package|Pins)
Thermal pad, mechanical data (Package|Pins)
Orderable Information

Features

  • Real Buck or Boost operation with automatic and seamless transition between Buck and Boost operation
  • 2.3V to 5.5V input voltage range
  • 1.5A Continuous Output Current : VIN≥ 2.5V, VOUT= 3.3V
  • Adjustable and fixed output voltage
  • Efficiency up to 95% in Buck or Boost mode and up to 97% when VIN=VOUT
  • 2.5MHz typical switching frequency
  • 35μA operating quiescent current
  • Integrated Soft –Start
  • Power Save Mode
  • True shutdown function
  • Output capacitor discharge function
  • Over-Temperature Protection and Over current Protection
  • Wide capacitance selection
  • Small 1.766 mm x 2.086mm, 20-pin WCSP

Applications

  • Cellular Phones, Smart Phones
  • Tablets PC
  • PC and Smart Phone accessories
  • Point of load regulation
  • Battery Powered Applications

Description

The TPS63024 are high efficiency, low quiescent current buck-boost converters suitable for application where the input voltage is higher or lower than the output. Output currents can go as high as 1.5A in boost mode and as high as 3A in buck mode. The maximum average current in the switches is limited to a typical value of 3A. The TPS63024 regulates the output voltage over the complete input voltage range by automatically switching between buck or boost mode depending on the input voltage ensuring a seamless transition between modes. The buck-boost converter is based on a fixed frequency, pulse-width-modulation (PWM) controller using synchronous rectification to obtain highest efficiency. At low load currents, the converter enters Power Save Mode to maintain high efficiency over the complete load current range. There is a PFM/PWM pin that allows the user to choose between automatic PFM/PWM mode operation and forced PWM operation. During PWM mode a fixed-frequency of typically 2.5MHz is used. The output voltage is programmable using an external resistor divider, or is fixed internally on the chip. The converter can be disabled to minimize battery drain. During shutdown, the load is disconnected from the battery. The device is packaged in a 20-pin WCSP package measuring 1.766 mm x 2.086mm.

Device Information(1)

PART NUMBER PACKAGE BODY SIZE (NOM)
TPS63024 DSBGA (20) 1.766 mm × 2.086 mm
TPS630241
TPS630242
  1. For all available packages, see the orderable addendum at the end of the datasheet.

Device Comparison

PART NUMBER VOUT
TPS63024 Adjustable
TPS630241 2.9 V
TPS630242 3.3 V

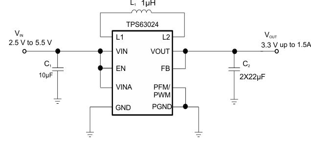
Typical Application

TPS63024 TPS630241 TPS630242 schematicfront7.gif

Efficiency vs Output Current

TPS63024 TPS630241 TPS630242 Figure2rev1_SLVSCK8.gif