SBAS769 March   2017 ADS7056

PRODUCTION DATA.  

  1. Features
  2. Applications
  3. Description
  4. Revision History
  5. Pin Configuration and Functions
  6. Specifications
    1. 6.1 Absolute Maximum Ratings
    2. 6.2 ESD Ratings
    3. 6.3 Recommended Operating Conditions
    4. 6.4 Thermal Information
    5. 6.5 Electrical Characteristics
    6. 6.6 Timing Requirements
    7. 6.7 Switching Characteristics
    8. 6.8 Typical Characteristics
  7. Parameter Measurement Information
    1. 7.1 Digital Voltage Levels
  8. Detailed Description
    1. 8.1 Overview
    2. 8.2 Functional Block Diagram
    3. 8.3 Feature Description
      1. 8.3.1 Analog Input
      2. 8.3.2 Reference
      3. 8.3.3 ADC Transfer Function
    4. 8.4 Device Functional Modes
      1. 8.4.1 ACQ State
      2. 8.4.2 CNV State
      3. 8.4.3 OFFCAL State
        1. 8.4.3.1 Offset Calibration on Power-Up
        2. 8.4.3.2 Offset Calibration During Normal Operation
  9. Application and Implementation
    1. 9.1 Application Information
    2. 9.2 Typical Applications
      1. 9.2.1 Single-Supply Data Acquisition With the ADS7056
        1. 9.2.1.1 Design Requirements
        2. 9.2.1.2 Detailed Design Procedure
          1. 9.2.1.2.1 Low Distortion Charge Kickback Filter Design
          2. 9.2.1.2.2 Input Amplifier Selection
          3. 9.2.1.2.3 Reference Circuit
        3. 9.2.1.3 Application Curves
      2. 9.2.2 High Bandwidth (1 MHz) Data Acquisition With the ADS7056
        1. 9.2.2.1 Design Requirements
        2. 9.2.2.2 Detailed Design Procedure
        3. 9.2.2.3 Application Curves
      3. 9.2.3 14-Bit, 10-kSPS DAQ Circuit Optimized for DC Sensor Measurements
        1. 9.2.3.1 Design Requirements
        2. 9.2.3.2 Detailed Design Procedure
        3. 9.2.3.3 Application Curve
  10. 10Power Supply Recommendations
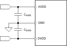
    1. 10.1 AVDD and DVDD Supply Recommendations
    2. 10.2 Optimizing Power Consumed by the Device
      1. 10.2.1 Estimating Digital Power Consumption
  11. 11Layout
    1. 11.1 Layout Guidelines
    2. 11.2 Layout Example
  12. 12Device and Documentation Support
    1. 12.1 Documentation Support
      1. 12.1.1 Related Documentation
    2. 12.2 Receiving Notification of Documentation Updates
    3. 12.3 Community Resources
    4. 12.4 Trademarks
    5. 12.5 Electrostatic Discharge Caution
    6. 12.6 Glossary
  13. 13Mechanical, Packaging, and Orderable Information

Package Options

Refer to the PDF data sheet for device specific package drawings

Mechanical Data (Package|Pins)
  • RUG|8
Thermal pad, mechanical data (Package|Pins)
Orderable Information

Detailed Description

Overview

The ADS7056 is a 14-bit, 2.5-MSPS, analog-to-digital converter (ADC). The device includes a capacitor-based, successive-approximation register (SAR) ADC that supports a wide analog input voltage range (0 V to AVDD, for AVDD in the range of 2.35 V to 3.6 V). The device uses the AVDD supply voltage as the reference voltage for conversion of analog input to digital output and the AVDD supply voltage also powers the analog blocks of the device. The device has integrated offset calibration feature to calibrate its own offset; see the OFFCAL State section for details.

The SPI-compatible serial interface is controlled by the CS and SCLK signals. The input signal is sampled with the CS falling edge and SCLK is used for conversion and serial data output. The device supports a wide digital supply range (1.65 V to 3.6 V), enabling direct interface to a variety of host controllers. The ADS7056 complies with the JESD8-7A standard for a normal DVDD range (1.65 V to 1.95 V); see the Digital Voltage Levels section for details.

The ADS7056 is available in 8-pin, miniature, X2QFN package and is specified over extended industrial temperature range (–40°C to 125°C). Miniature form-factor and extremely low-power consumption make this device suitable for space-constrained, battery-powered applications.

Functional Block Diagram

ADS7056 fbd_bas608.gif

Feature Description

Analog Input

The device supports a unipolar, single-ended analog input signal. Figure 36 shows a small-signal equivalent circuit of the sample-and-hold circuit. The sampling switch is represented by a resistance (RS1 and RS2, typically 50 Ω) in series with an ideal switch (SW1 and SW2). The sampling capacitors, CS1 and CS2, are typically 16 pF.

ADS7056 ain_sbas769.gif Figure 36. Equivalent Input Circuit for the Sampling Stage

During the acquisition process, both positive and negative inputs are individually sampled on CS1 and CS2, respectively. During the conversion process, the device converts for the voltage difference between the two sampled values: VAINP – VAINM.

Each analog input pin has electrostatic discharge (ESD) protection diodes to AVDD and GND. Keep the analog inputs within the specified range to avoid turning the diodes on.

The full-scale analog input range (FSR) is 0 V to AVDD and the absolute input range on the AINM and AINP pins is –0.1 V to AVDD + 0.1 V.

Reference

The device uses the analog supply voltage (AVDD) as the reference voltage for the analog-to-digital conversion. During the conversion process, the internal capacitors are switched to the AVDD pin as per the successive approximation algorithm. As shown in Figure 37, a 3.3-µF (CAVDD), low equivalent series resistance (ESR) ceramic capacitor is recommended to be placed between the AVDD and GND pins. The decoupling capacitor provides the instantaneous charge required by the internal circuit during the conversion process and maintains a stable dc voltage on the AVDD pin.

See the Power Supply Recommendations and Layout Example sections for component recommendations and layout guidelines.

ADS7056 ref_sbas769.gif Figure 37. Reference for the Device

ADC Transfer Function

The device supports a unipolar, single-ended analog input signal. The output is in straight binary format. Figure 38 and Table 1 show the ideal transfer characteristics for the device.

The least significant bit for the device is given by:

Equation 1. 1 LSB = VREF / 2N

where

  • VREF = Voltage applied between the AVDD and GND pins and
  • N = 14
ADS7056 ai_transfer_chara_bas608.gif Figure 38. Ideal Transfer Characteristics

Table 1. Transfer Characteristics

INPUT VOLTAGE (AINP – AINM) CODE DESCRIPTION IDEAL OUTPUT CODE (Hex)
≤ 1 LSB NFSC Negative full-scale code 0000
1 LSB to 2 LSBs NFSC + 1 0001
VREF / 2 to VREF / 2 + 1 LSB MC Mid code 1FFF
VREF / 2 + 1 LSB to VREF / 2 + 2 LSBs MC + 1 2000
≥ VREF – 1 LSB PFSC Positive full-scale code 3FFF

Device Functional Modes

The device supports a simple, SPI-compatible interface to the external host. On power-up, the device is in ACQ state. The CS signal defines one conversion and serial data transfer frame. A frame starts with a CS falling edge and ends with a CS rising edge. The SDO pin is tri-stated when CS is high. With CS low, the clock provided on the SCLK pin is used for conversion and data transfer and the output data are available on the SDO pin.

As shown in Figure 39, the device supports three functional states: acquisition (ACQ), conversion (CNV), and offset calibration (OFFCAL). The device status depends on the CS and SCLK signals provided by the host controller.

ADS7056 fsd_sbas769.gif Figure 39. Functional State Diagram

ACQ State

In ACQ state, switches SW1 and SW2 connected to the analog input pins close and the device acquires the analog input signal on CS1 and CS2. The device enters ACQ state at power-up, at the end of every conversion, and after completing the offset calibration. A CS falling edge takes the device from ACQ state to CNV state.

The device consumes extremely low power from the AVDD and DVDD power supplies when in ACQ state.

CNV State

In the CNV state, the device uses the external clock to convert the sampled analog input signal to an equivalent digital code as per the transfer function illustrated in Figure 38. The conversion process requires a minimum of 18 SCLK falling edges to be provided within the frame. After the end of conversion process, the device automatically moves from CNV state to ACQ state. For acquisition of the next sample, a minimum time of tACQ must be provided.

Figure 40 shows a detailed timing diagram for the serial interface. In the first serial transfer frame after power-up, the device provides the first data as all zeros. In any frame, the clocks provided on the SCLK pin are also used to transfer the output data for the previous conversion. A leading 0 is output on the SDO pin on the CS falling edge. The most significant bit (MSB) of the output data is launched on the SDO pin on the rising edge after the first SCLK falling edge. Subsequent output bits are launched on the subsequent rising edges provided on SCLK. When all 14 output bits are shifted out, the device outputs 0's on the subsequent SCLK rising edges. The device enters ACQ state after 18 clocks and a minimum time of tACQ must be provided for acquiring the next sample. If the device is provided with less than 18 SCLK falling edges in the present serial transfer frame, the device provides an invalid conversion result in the next serial transfer frame.

ADS7056 tim_spi_data_revB_sbas769.gif Figure 40. Serial Interface Timing Diagram

OFFCAL State

In OFFCAL state, the device calibrates and corrects for its internal offset errors. In OFFCAL state, the sampling capacitors are disconnected from the analog input pins (AINP and AINM). The offset calibration is effective for all subsequent conversions until the device is powered off. An offset calibration cycle is recommended at power-up and whenever there is a significant change in the operating conditions for the device (such as in the AVDD voltage and operating temperature).

The host controller must provide a serial transfer frame as described in Figure 41 or in Figure 42 to enter OFFCAL state.

Offset Calibration on Power-Up

On power-up, the host must provide 24 SCLKs in the first serial transfer to enter the OFFCAL state. The device provides 0's on SDO during offset calibration. For acquisition of the next sample, a minimum time of tACQ must be provided. If the host controller enters the OFFCAL state, but pulls the CS pin high before providing 24 SCLKs, then the offset calibration process is aborted and the device enters the ACQ state. Figure 41 and Table 2 provide the timing for offset calibration on power-up.

ADS7056 tim_cal_24clk_revB_sbas769.gif Figure 41. Timing for Offset Calibration on Power-Up

Table 2. Timing Specifications for Offset Calibration on Power-Up(1)

MIN TYP MAX UNIT
tcycle Cycle time for offset calibration on power-up 24 × tCLK + tACQ ns
tACQ Acquisition time 95 ns
fSCLK Frequency of SCLK 60 MHz
In addition to the timing specifications of Figure 41 and Table 2, the timing specifications described in Figure 2 and the Timing Requirements table are also applicable for offset calibration on power-up.

Offset Calibration During Normal Operation

During normal operation, the host must provide 64 SCLKs in the serial transfer frame to enter the OFFCAL state. The device provides the conversion result for the previous sample during the first 18 SCLKs and 0's on SDO for the rest of the SCLKs in the serial transfer frame. For acquisition of the next sample, a minimum time of tACQ must be provided. If the host controller enters the OFFCAL state, but pulls the CS high before providing 64 SCLKs, then the offset calibration process is aborted and the device enters ACQ state. Figure 42 and Table 3 provide the timing for offset calibration during normal operation.

ADS7056 tim_cal_64clk_revB_sbas769.gif Figure 42. Timing for Offset Calibration During Normal Operation

Table 3. Timing Specifications for Offset Calibration During Normal Operation(1)

MIN TYP MAX UNIT
tcycle Cycle time for offset calibration on power-up 64 × tCLK + tACQ ns
tACQ Acquisition time 95 ns
fSCLK Frequency of SCLK 60 MHz
In addition to the timing specifications of Figure 42 and Table 3, the timing specifications described in Figure 2 and the Timing Requirements table are also applicable for offset calibration during normal operation.