SBOS588B December   2011  – June 2019 AFE030

PRODUCTION DATA.  

  1. Features
  2. Applications
  3. Description
    1.     Device Images
      1.      Block Diagram
  4. Revision History
  5. Description, continued
  6. Pin Configuration and Functions
    1.     Pin Functions
  7. Specifications
    1. 7.1  Absolute Maximum Ratings
    2. 7.2  ESD Ratings
    3. 7.3  Thermal Information
    4. 7.4  Electrical Characteristics: Transmitter (Tx), Tx_DAC
    5. 7.5  Electrical Characteristics: Transmitter (Tx), Tx_PGA
    6. 7.6  Electrical Characteristics: Transmitter (Tx), Tx_FILTER
    7. 7.7  Electrical Characteristics: Power Amplifier (PA)
    8. 7.8  Electrical Characteristics: Receiver (Rx), Rx PGA1
    9. 7.9  Electrical Characteristics: Receiver (Rx), Rx Filter
    10. 7.10 Electrical Characteristics: Receiver (Rx), Rx PGA2
    11. 7.11 Electrical Characteristics: Digital
    12. 7.12 Electrical Characteristics: Two-Wire Interface
    13. 7.13 Electrical Characteristics: Zero-Crossing Detector
    14. 7.14 Electrical Characteristics: Internal Bias Generator
    15. 7.15 Electrical Characteristics: Power Supply
    16. 7.16 Typical Characteristics
  8. Parameter Measurement Information
    1. 8.1 Timing Requirements
    2. 8.2 Timing Diagrams
  9. Detailed Description
    1. 9.1 Overview
    2. 9.2 Functional Block Diagram
    3. 9.3 Feature Description
      1. 9.3.1 PA Block
      2. 9.3.2 Tx Block
      3. 9.3.3 Rx Block
      4. 9.3.4 DAC Block
      5. 9.3.5 REF1 and REF2 Blocks
      6. 9.3.6 Zero Crossing Detector Block
      7. 9.3.7 ETx and ERx Blocks
    4. 9.4 Power Supplies
    5. 9.5 Pin Descriptions
      1. 9.5.1 Current Overload
      2. 9.5.2 Thermal Overload
    6. 9.6 Calibration Modes
      1. 9.6.1 Tx Calibration Mode
      2. 9.6.2 Rx Calibration Mode
    7. 9.7 Serial Interface
  10. 10Application and Implementation
    1. 10.1 Application Information
    2. 10.2 Typical Application
    3. 10.3 Line-Coupling Circuit
    4. 10.4 Circuit Protection
    5. 10.5 Thermal Considerations
  11. 11Device and Documentation Support
    1. 11.1 Device Support
      1. 11.1.1 Development Support
        1. 11.1.1.1 TINA-TI™ (Free Software Download)
        2. 11.1.1.2 TI Precision Designs
        3. 11.1.1.3 WEBENCH Filter Designer
      2. 11.1.2 Powerline Communications Developer’s Kit
    2. 11.2 Documentation Support
      1. 11.2.1 Related Documentation
    3. 11.3 Receiving Notification of Documentation Updates
    4. 11.4 Community Resources
    5. 11.5 Trademarks
    6. 11.6 Electrostatic Discharge Caution
    7. 11.7 Glossary

Package Options

Mechanical Data (Package|Pins)
Thermal pad, mechanical data (Package|Pins)
Orderable Information

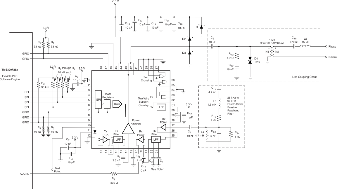
Typical Application

Figure 48 shows the AFE030 configured in a typical PLC analog front-end application. The schematic shows the connections to the microprocessor and ac line. The values of the passive components in Figure 48 are suitable for a single-phase powerline communications application in the CENELEC A band, connected to a 120-VAC or 240-VAC, 50-Hz or 60-Hz ac line.

AFE030 ai_basic_schm_bos588.gif

NOINDENT:

Recommended values for C1 and C2:
  1. C1:
    • CENELEC A: 680 pF
    • CENELEC B, C, D: 270 pF
  2. C2:
    • CENELEC A: 680 pF
    • CENELEC B, C, D: 560 pF
Figure 48. Typical Powerline Communications Modem Application