SWAS035C September 2016 – May 2021 CC3220R , CC3220S , CC3220SF
PRODUCTION DATA
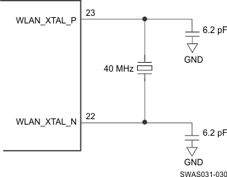
The CC3220x device also incorporates an internal crystal oscillator to support a crystal-based fast clock. The crystal is fed directly between WLAN_XTAL_P (pin 23) and WLAN_XTAL_N (pin 22) with suitable loading capacitors.
Figure 8-11 shows the crystal connections for the fast clock.

Section 8.14.5.3.1 lists the WLAN fast-clock crystal requirements.