SLPS666 March   2018 CSD86336Q3D

PRODUCTION DATA.  

  1. 1Features
  2. 2Applications
  3. 3Description
    1.     Top View
      1.      Device Images
  4. 4Revision History
  5. 5Specifications
    1. 5.1 Absolute Maximum Ratings
    2. 5.2 Recommended Operating Conditions
    3. 5.3 Thermal Information
    4. 5.4 Power Block Performance
    5. 5.5 Electrical Characteristics – Q1 Control FET
    6. 5.6 Electrical Characteristics – Q2 Sync FET
    7. 5.7 Typical Power Block Device Characteristics
    8. 5.8 Typical Power Block MOSFET Characteristics
  6. 6Application and Implementation
    1. 6.1 Application Information
      1. 6.1.1 Equivalent System Performance
    2. 6.2 Power Loss Curves
    3. 6.3 Safe Operating Area (SOA) Curves
    4. 6.4 Normalized Curves
    5. 6.5 Calculating Power Loss and Safe Operating Area (SOA)
      1. 6.5.1 Design Example
      2. 6.5.2 Calculating Power Loss
      3. 6.5.3 Calculating SOA Adjustments
  7. 7Layout
    1. 7.1 Recommended Schematic Overview
    2. 7.2 Recommended PCB Design Overview
      1. 7.2.1 Electrical Performance
      2. 7.2.2 Thermal Performance
  8. 8Device and Documentation Support
    1. 8.1 Receiving Notification of Documentation Updates
    2. 8.2 Community Resources
    3. 8.3 Trademarks
    4. 8.4 Electrostatic Discharge Caution
    5. 8.5 Glossary
  9. 9Mechanical, Packaging, and Orderable Information
    1. 9.1 Q3D Package Dimensions
    2. 9.2 Pin Configuration
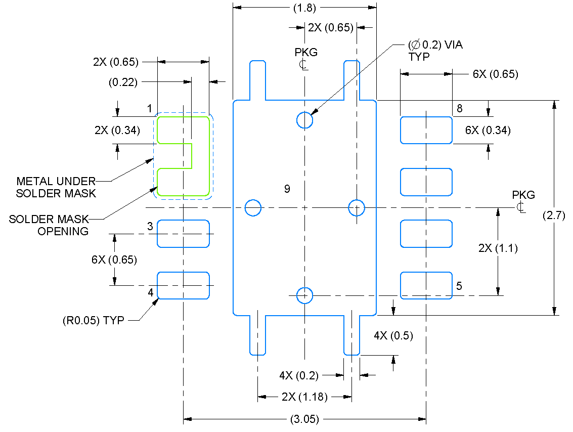
    3. 9.3 Land Pattern Recommendation
    4. 9.4 Stencil Recommendation

Package Options

Mechanical Data (Package|Pins)
Thermal pad, mechanical data (Package|Pins)
Orderable Information

Land Pattern Recommendation

CSD86336Q3D PCB1.png
CSD86336Q3D PCB2.png
  1. All linear dimensions are in millimeters. Any dimensions in parenthesis are for reference only. Dimensioning and tolerancing per ASME Y14.5M.
  2. This package is designed to be soldered to a thermal pad on the board. For more information, see QFN/SON PCB Attachment (SLUA271).
  3. Vias are optional depending on application, refer to device data sheet. If some or all are implemented, recommended via locations are shown.