SLPS415D September 2013 – March 2015 CSD87384M
PRODUCTION DATA.
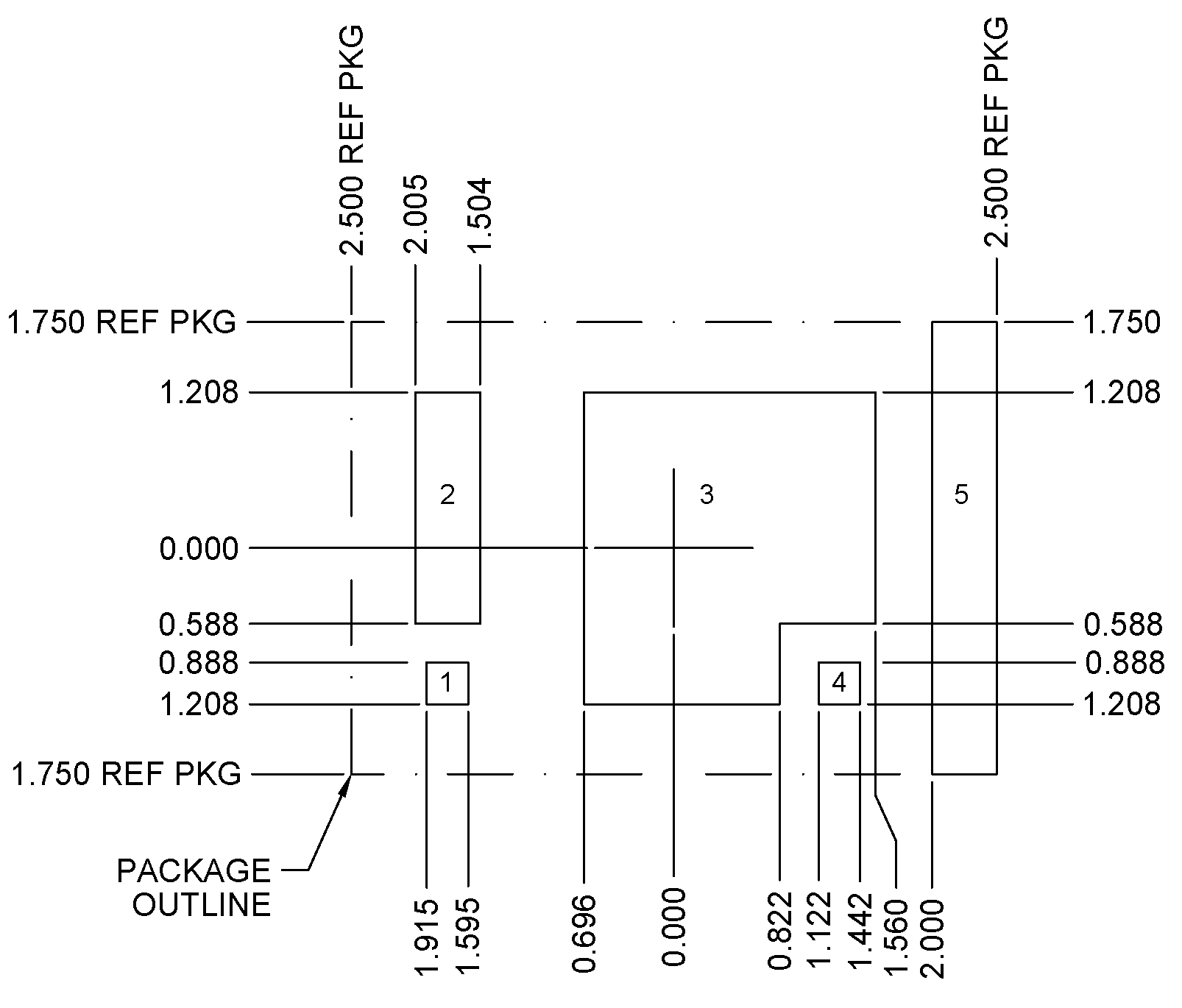
The following pages include mechanical, packaging, and orderable information. This information is the most current data available for the designated devices. This data is subject to change without notice and revision of this document. For browser-based versions of this data sheet, refer to the left-hand navigation

| Position | Designation |
|---|---|
| Pin 1 | TG |
| Pin 2 | VIN |
| Pin 3 | PGND |
| Pin 4 | BG |
| Pin 5 | VSW |



For recommended circuit layout for PCB designs, see application note SLPA005 – Reducing Ringing Through PCB Layout Techniques.

