SLPS416C June   2014  – March 2015 CSD95372AQ5M

PRODUCTION DATA.  

  1. Features
  2. Applications
  3. Description
  4. Revision History
  5. Pin Configuration and Functions
  6. Specifications
    1. 6.1 Absolute Maximum Ratings
    2. 6.2 ESD Ratings
    3. 6.3 Recommended Operating Conditions
    4. 6.4 Thermal Information
    5. 6.5 Electrical Characteristics
    6. 6.6 Typical Power Stage Characteristics
  7. Detailed Description
    1. 7.1 Functional Block Diagram
    2. 7.2 Functional Description
      1. 7.2.1 Powering the CSD95372AQ5M and Gate Drivers
      2. 7.2.2 Undervoltage Lockout (UVLO) Protection
      3. 7.2.3 ENABLE
      4. 7.2.4 Power Up Sequencing
      5. 7.2.5 PWM
      6. 7.2.6 FCCM
      7. 7.2.7 TAO/FAULT (Thermal Analog Output/Protection Flag)
      8. 7.2.8 Over Temperature
      9. 7.2.9 Gate Drivers
  8. Application and Implementation
    1. 8.1 Application Information
    2. 8.2 Power Loss Curves
    3. 8.3 Safe Operating Curves (SOA)
    4. 8.4 Normalized Curves
    5. 8.5 Calculating Power Loss and SOA
      1. 8.5.1 Design Example
      2. 8.5.2 Calculating Power Loss
      3. 8.5.3 Calculating SOA Adjustments
  9. Layout
    1. 9.1 Layout Guidelines
      1. 9.1.1 Recommended Schematic Overview
      2. 9.1.2 Recommended PCB Design Overview
        1. 9.1.2.1 Electrical Performance
        2. 9.1.2.2 Thermal Performance
      3. 9.1.3 Sensing Performance
    2. 9.2 Layout Example
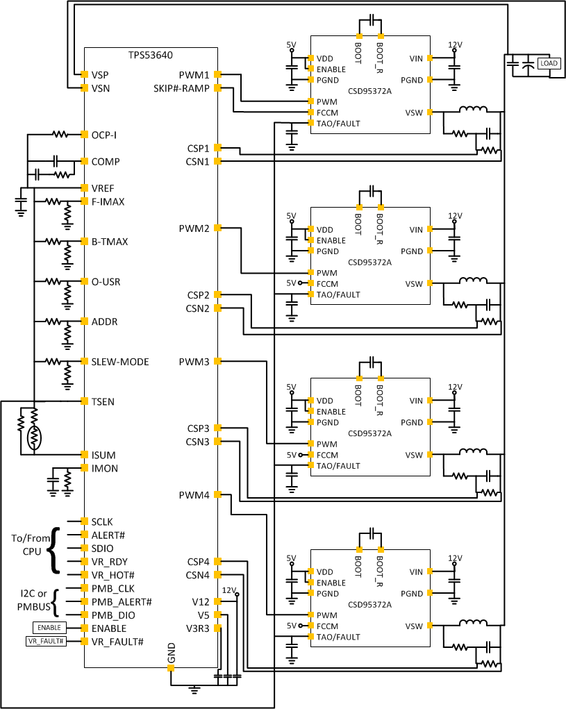
  10. 10Application Schematic
  11. 11Device and Documentation Support
    1. 11.1 Trademarks
    2. 11.2 Electrostatic Discharge Caution
    3. 11.3 Glossary
  12. 12Mechanical, Packaging, and Orderable Information
    1. 12.1 Mechanical Drawing
    2. 12.2 Recommended PCB Land Pattern
    3. 12.3 Recommended Stencil Opening

Package Options

Refer to the PDF data sheet for device specific package drawings

Mechanical Data (Package|Pins)
  • DQP|12
Thermal pad, mechanical data (Package|Pins)
Orderable Information

10 Application Schematic

CSD95372AQ5M Application_Again_Again.gif