SLPS463C April   2014  – March 2017 CSD95378BQ5MC

PRODUCTION DATA.  

  1. 1Features
  2. 2Applications
  3. 3Description
  4. 4Revision History
  5. 5Pin Configuration and Functions
  6. 6Specifications
    1. 6.1 Absolute Maximum Ratings
    2. 6.2 ESD Ratings
    3. 6.3 Recommended Operating Conditions
    4. 6.4 Thermal Information
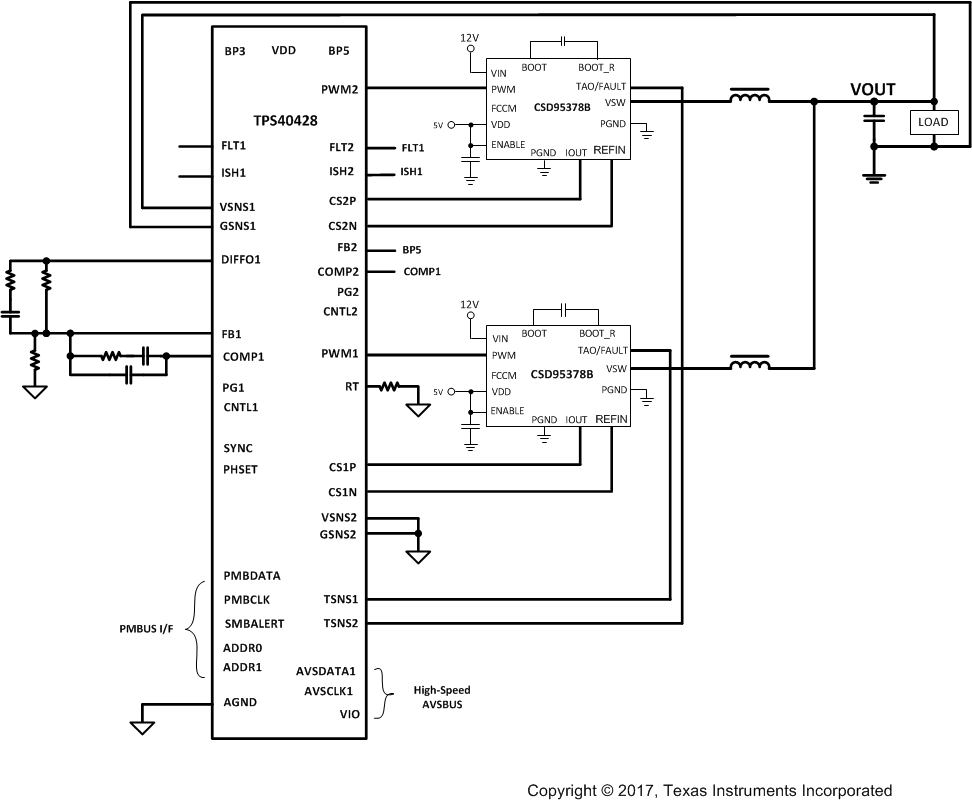
  7. 7Application Schematic
  8. 8Device and Documentation Support
    1. 8.1 Receiving Notification of Documentation Updates
    2. 8.2 Community Resources
    3. 8.3 Trademarks
    4. 8.4 Electrostatic Discharge Caution
    5. 8.5 Glossary
  9. 9Mechanical, Packaging, and Orderable Information
    1. 9.1 Mechanical Drawing
    2. 9.2 Recommended PCB Land Pattern
    3. 9.3 Recommended Stencil Opening

Package Options

Mechanical Data (Package|Pins)
  • DMC|12
Thermal pad, mechanical data (Package|Pins)
Orderable Information

Application Schematic

CSD95378BQ5MC Application.gif