SLPS463C April   2014  – March 2017 CSD95378BQ5MC

PRODUCTION DATA.  

  1. 1Features
  2. 2Applications
  3. 3Description
  4. 4Revision History
  5. 5Pin Configuration and Functions
  6. 6Specifications
    1. 6.1 Absolute Maximum Ratings
    2. 6.2 ESD Ratings
    3. 6.3 Recommended Operating Conditions
    4. 6.4 Thermal Information
  7. 7Application Schematic
  8. 8Device and Documentation Support
    1. 8.1 Receiving Notification of Documentation Updates
    2. 8.2 Community Resources
    3. 8.3 Trademarks
    4. 8.4 Electrostatic Discharge Caution
    5. 8.5 Glossary
  9. 9Mechanical, Packaging, and Orderable Information
    1. 9.1 Mechanical Drawing
    2. 9.2 Recommended PCB Land Pattern
    3. 9.3 Recommended Stencil Opening

Package Options

Mechanical Data (Package|Pins)
  • DMC|12
Thermal pad, mechanical data (Package|Pins)
Orderable Information

Mechanical, Packaging, and Orderable Information

The following pages include mechanical, packaging, and orderable information. This information is the most current data available for the designated devices. This data is subject to change without notice and revision of this document. For browser-based versions of this data sheet, refer to the left-hand navigation.

Mechanical Drawing

CSD95378BQ5MC Mechanical_Drawing_0513.png
DIM MILLIMETERS INCHES
MIN NOM MAX MIN NOM MAX
A 0.950 1.000 1.050 0.037 0.039 0.041
a1 0.000 0.000 0.050 0.000 0.000 0.002
b 0.200 0.250 0.320 0.008 0.010 0.013
b1 2.750 TYP 0.108 TYP
b2 0.200 0.250 0.320 0.008 0.010 0.013
b3 0.250 TYP 0.010 TYP
c1 0.150 0.200 0.250 0.006 0.008 0.010
c2 0.200 0.250 0.300 0.008 0.010 0.012
D2 5.300 5.400 5.500 0.209 0.213 0.217
d 0.200 0.250 0.300 0.008 0.010 0.012
d1 0.350 0.400 0.450 0.014 0.016 0.018
d2 1.900 2.000 2.100 0.075 0.079 0.083
E 5.900 6.000 6.100 0.232 0.236 0.240
E1 4.900 5.000 5.100 0.193 0.197 0.201
E2 3.200 3.300 3.400 0.126 0.130 0.134
e 0.500 TYP 0.020 TYP
K 0.350 TYP 0.014 TYP
L 0.400 0.500 0.600 0.016 0.020 0.024
L1 0.210 0.310 0.410 0.008 0.012 0.016
θ 0.000 0.000

Recommended PCB Land Pattern

CSD95378BQ5MC Recommended_PCB.png
  1. Dimensions are in mm (in).

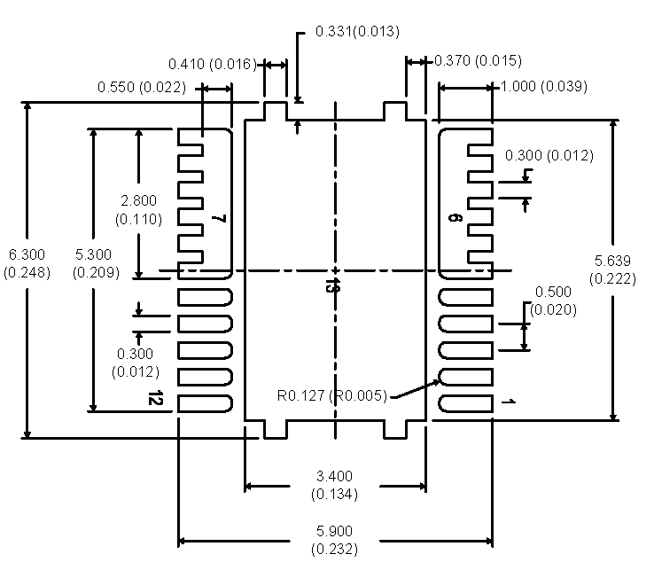
Recommended Stencil Opening

CSD95378BQ5MC Recommended_Stencil.png
  1. Dimensions are in mm (in).
  2. Stencil thickness is 100 µm.