SNLS231P September 2006 – August 2024 DS90UR124-Q1 , DS90UR241-Q1
PRODUCTION DATA
See AN-1108 (SNLA008) and AN-905 (SNLA035) for full details.
Additional general guidance can be found in the LVDS Owner’s Manual (SNLA187) - available in PDF format from the TI web site at: www.ti.com/lvds
Figure 7-8 AC-Coupled Application
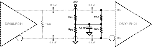
Figure 7-10 Receiver Termination Option 2
Figure 7-11 Receiver Termination Option 3