SLASEB6 November   2015 HD3SS3411

PRODUCTION DATA.  

  1. Features
  2. Applications
  3. Description
  4. Revision History
  5. Pin Configuration and Functions
  6. Specifications
    1. 6.1 Absolute Maximum Ratings
    2. 6.2 ESD Ratings
    3. 6.3 Recommended Operating Conditions
    4. 6.4 Thermal Information
    5. 6.5 Electrical Characteristics
    6. 6.6 Timing Requirements
    7. 6.7 Typical Characteristics
  7. Detailed Description
    1. 7.1 Overview
    2. 7.2 Functional Block Diagram
    3. 7.3 Feature Description
      1. 7.3.1 Output Enable and Power Savings
    4. 7.4 Device Functional Modes
  8. Application Information and Implementation
    1. 8.1 Application Information
    2. 8.2 Typical Application
    3. 8.3 Design Requirements
    4. 8.4 Detailed Design Procedure
      1. 8.4.1 AC Coupling Capacitors
    5. 8.5 Application Curves
  9. Power Supply Recommendations
  10. 10Layout
    1. 10.1 Layout Guidelines
      1. 10.1.1 Critical Routes
      2. 10.1.2 General Routing/Placement Rules
    2. 10.2 Layout Example
  11. 11Device and Documentation Support
    1. 11.1 Documentation Support
    2. 11.2 Community Resources
    3. 11.3 Trademarks
    4. 11.4 Electrostatic Discharge Caution
    5. 11.5 Glossary
  12. 12Mechanical, Packaging, and Orderable Information

Package Options

Mechanical Data (Package|Pins)
Thermal pad, mechanical data (Package|Pins)
Orderable Information

8 Application Information and Implementation

NOTE

Information in the following applications sections is not part of the TI component specification, and TI does not warrant its accuracy or completeness. TI’s customers are responsible for determining suitability of components for their purposes. Customers should validate and test their design implementation to confirm system functionality.

8.1 Application Information

HD3SS3411 mux channels have independent adaptive common mode tracking allowing RX and TX paths to have different common mode voltage simplifying system implementation and avoiding inter-operational issues.

HD3SS3411 mux does not provide common mode biasing for the channel. Therefore, it is required that the device is biased from either side for all active channels.

The HD3SS3411 supports several high-speed data protocols with a differential amplitude of < 1800 mVpp and a common mode voltage of < 2 V, as with USB 3.1 and DisplayPort 1.3. The one select input (SEL) pin can be controlled by an available GPIO pin within a system or from a microcontroller.

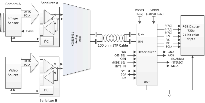
8.2 Typical Application

HD3SS3411 typical_application_slase82.gif Figure 3. FPD Link III Application

8.3 Design Requirements

For this design example, use the values shown in Table 3.

Table 3. Design Paramerters

PARAMETER VALUE
VCC voltage 3.3 V
Ap/n, Bp/n, Cp/n CM input voltage 0 V to 2 V
SEL/OEn pin max voltage for low 0 V
SEL/OEn pin min voltage for high 3.3 V

8.4 Detailed Design Procedure

8.4.1 AC Coupling Capacitors

Many interfaces require AC coupling between the transmitter and receiver. The 0402 capacitors are the preferred option to provide AC coupling, and the 0603 size capacitors will also work. The 0805 size capacitors and C-packs should be avoided. When placing AC coupling capacitors symmetric placement is best. A capacitor value of 0.1 µF is best and the value should be match for the ± signal pair. The placement should be along the TX pairs on the system board, which are usually routed on the top layer of the board.

There are several placement options for the AC coupling capacitors. Because the switch requires a bias voltage, the capacitors must only be placed on one side of the switch. If they are placed on both sides of the switch, a biasing voltage should be provided. A few placement options are shown below. In Figure 4, the coupling capacitors are placed between the switch and endpoint. In this situation, the switch is biased by the system/host controller.

HD3SS3411 AC_coupled1_slaseb6.gif Figure 4. AC Coupling Capacitors Between Switch TX and Endpoint TX

In Figure 5, the coupling capacitors are placed on the host transmit pair and endpoint transmit pair. In this situation, the switch on the top is biased by the endpoint and the lower switch is biased by the host controller.

HD3SS3411 AC_coupled2_slaseb6.gif Figure 5. AC Coupling Capacitors on Host TX and Endpoint TX

If the common mode voltage in the system is higher than 2 V, the coupling capacitors are placed on both sides of the switch (shown in Figure 6). A biasing voltage of less than 2 V is required in this case.

HD3SS3411 AC_coupled3_slaseb6.gif Figure 6. AC Coupling Capacitors on Both Sides of Switch

8.5 Application Curves

HD3SS3411 fig7_eye_diagram_slase82.gif Figure 7. 6 Gbps Source Eye Diagram
HD3SS3411 fig8_eye_diagram_slase82.gif Figure 8. 6 Gbps Output Eye Diagram