SLLSE27E january   2011  – august 2023 ISO3086T

PRODUCTION DATA  

  1.   1
  2. Features
  3. Applications
  4. Description
  5. Revision History
  6. Pin Configuration and Functions
  7. Specifications
    1. 6.1  Absolute Maximum Ratings
    2. 6.2  ESD Ratings
    3. 6.3  Recommended Operating Conditions
    4. 6.4  Thermal Information
    5. 6.5  Power Ratings
    6. 6.6  Insulation Specifications
    7. 6.7  Safety-Related Certifications
    8. 6.8  Safety Limiting Values
    9. 6.9  Electrical Characteristics: Driver
    10. 6.10 Electrical Characteristics: Receiver
    11. 6.11 Transformer Driver Characteristics
    12. 6.12 Supply Current
    13. 6.13 Switching Characteristics: Driver
    14. 6.14 Switching Characteristics: Receiver
    15. 6.15 Insulation Characteristics Curves
    16. 6.16 Typical Characteristics
  8. Parameter Measurement Information
  9. Detailed Description
    1. 8.1 Overview
    2. 8.2 Functional Block Diagram
    3. 8.3 Device Functional Modes
      1. 8.3.1 Device I/O Schematics
  10. Application and Implementation
    1. 9.1 Application Information
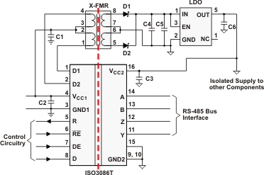
    2. 9.2 Typical Application
      1. 9.2.1 Design Requirements
      2. 9.2.2 Detailed Design Procedure
        1. 9.2.2.1 Transient Voltages
      3. 9.2.3 Application Curve
  11. 10Power Supply Recommendations
  12. 11Layout
    1. 11.1 Layout Guidelines
    2. 11.2 Layout Example
  13. 12Device and Documentation Support
    1. 12.1 Documentation Support
      1. 12.1.1 Related Documentation
    2. 12.2 Receiving Notification of Documentation Updates
    3. 12.3 Support Resources
    4. 12.4 Trademarks
    5. 12.5 Electrostatic Discharge Caution
    6. 12.6 Glossary
  14. 13Mechanical, Packaging, and Orderable Information

Package Options

Mechanical Data (Package|Pins)
Thermal pad, mechanical data (Package|Pins)
Orderable Information

Typical Application

GUID-0B6347C6-E10B-4EDF-842F-AC611AD6BDB0-low.gifFigure 9-2 Typical Application Circuit