SLOS068AB June   1976  – October 2024 LM158 , LM158A , LM258 , LM258A , LM2904 , LM2904B , LM2904BA , LM2904V , LM358 , LM358A , LM358B , LM358BA

PRODUCTION DATA  

  1.   1
  2. Features
  3. Applications
  4. Description
  5. Pin Configuration and Functions
  6. Specifications
    1. 5.1  Absolute Maximum Ratings
    2. 5.2  ESD Ratings
    3. 5.3  Recommended Operating Conditions
    4. 5.4  Thermal Information
    5. 5.5  Electrical Characteristics: LM358B and LM358BA
    6. 5.6  Electrical Characteristics: LM2904B and LM2904BA
    7. 5.7  Electrical Characteristics: LM358, LM358A
    8. 5.8  Electrical Characteristics: LM2904, LM2904V
    9. 5.9  Electrical Characteristics: LM158, LM158A
    10. 5.10 Electrical Characteristics: LM258, LM258A
    11. 5.11 Typical Characteristics: LM358B and LM2904B
    12. 5.12 Typical Characteristics: LM158, LM158A, LM258, LM258A, LM358, LM358A, LM2904, and LM2904V
  7. Parameter Measurement Information
  8. Detailed Description
    1. 7.1 Overview
    2. 7.2 Functional Block Diagram: LM358B, LM358BA, LM2904B, LM2904BA
    3. 7.3 Feature Description
      1. 7.3.1 Unity-Gain Bandwidth
      2. 7.3.2 Slew Rate
      3. 7.3.3 Input Common-Mode Range
    4. 7.4 Device Functional Modes
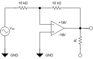
  9. Application and Implementation
    1. 8.1 Application Information
    2. 8.2 Typical Application
      1. 8.2.1 Design Requirements
      2. 8.2.2 Detailed Design Procedure
      3. 8.2.3 Application Curve
    3. 8.3 Power Supply Recommendations
    4. 8.4 Layout
      1. 8.4.1 Layout Guidelines
      2. 8.4.2 Layout Examples
  10. Device and Documentation Support
    1. 9.1 Receiving Notification of Documentation Updates
    2. 9.2 Support Resources
    3. 9.3 Trademarks
    4. 9.4 Electrostatic Discharge Caution
    5. 9.5 Glossary
  11. 10Revision History
  12. 11Mechanical, Packaging, and Orderable Information

Package Options

Refer to the PDF data sheet for device specific package drawings

Mechanical Data (Package|Pins)
  • YS|0
  • FK|20
  • JG|8
Thermal pad, mechanical data (Package|Pins)
Orderable Information

Parameter Measurement Information

LM158 LM158A LM258 LM258A LM2904 LM2904B LM2904BA LM2904V LM358 LM358A LM358B LM358BA Unity-Gain AmplifierFigure 6-1 Unity-Gain Amplifier
LM158 LM158A LM258 LM258A LM2904 LM2904B LM2904BA LM2904V LM358 LM358A LM358B LM358BA Noise-Test CircuitFigure 6-2 Noise-Test Circuit
LM158 LM158A LM258 LM258A LM2904 LM2904B LM2904BA LM2904V LM358 LM358A LM358B LM358BA Test
                    Circuit, G = –1, for THD+N and Small-Signal Step Response Figure 6-3 Test Circuit, G = –1, for THD+N and Small-Signal Step Response