SLAS990E January   2014  â€“ October 2017 LM15851

PRODUCTION DATA.  

  1. Features
  2. Applications
  3. Description
  4. Revision History
  5. Pin Configuration and Functions
  6. Specifications
    1. 6.1 Absolute Maximum Ratings
    2. 6.2 ESD Ratings
    3. 6.3 Recommended Operating Conditions
    4. 6.4 Thermal Information
    5. 6.5 Electrical Characteristics
    6. 6.6 Timing Requirements
    7. 6.7 Internal Characteristics
    8. 6.8 Switching Characteristics
    9. 6.9 Typical Characteristics
  7. Detailed Description
    1. 7.1 Overview
    2. 7.2 Functional Block Diagram
    3. 7.3 Feature Description
      1. 7.3.1 Signal Acquisition
      2. 7.3.2 The Analog Inputs
        1. 7.3.2.1 Input Clamp
        2. 7.3.2.2 AC Coupled Input Usage
        3. 7.3.2.3 DC Coupled Input Usage
        4. 7.3.2.4 Handling Single-Ended Input Signals
      3. 7.3.3 Clocking
      4. 7.3.4 Over-Range Function
      5. 7.3.5 ADC Core Features
        1. 7.3.5.1 The Reference Voltage
        2. 7.3.5.2 Common-Mode Voltage Generation
        3. 7.3.5.3 Bias Current Generation
        4. 7.3.5.4 Full Scale Range Adjust
        5. 7.3.5.5 Offset Adjust
        6. 7.3.5.6 Power-Down
        7. 7.3.5.7 Built-In Temperature Monitor Diode
      6. 7.3.6 Digital Down Converter (DDC)
        1. 7.3.6.1 NCO/Mixer
        2. 7.3.6.2 NCO Settings
          1. 7.3.6.2.1 NCO Frequency Phase Selection
          2. 7.3.6.2.2 NCO_0, NCO_1, and NCO_2 (NCO_x)
          3. 7.3.6.2.3 NCO_SEL Bits (2:0)
          4. 7.3.6.2.4 NCO Frequency Setting (Eight Total)
            1. 7.3.6.2.4.1 Basic NCO Frequency-Setting Mode
            2. 7.3.6.2.4.2 Rational NCO Frequency Setting Mode
          5. 7.3.6.2.5 NCO Phase-Offset Setting (Eight Total)
          6. 7.3.6.2.6 Programmable DDC Delay
        3. 7.3.6.3 Decimation Filters
        4. 7.3.6.4 DDC Output Data
        5. 7.3.6.5 Decimation Settings
          1. 7.3.6.5.1 Decimation Factor
          2. 7.3.6.5.2 DDC Gain Boost
      7. 7.3.7 Data Outputs
        1. 7.3.7.1 The Digital Outputs
        2. 7.3.7.2 JESD204B Interface Features and Settings
          1. 7.3.7.2.1  Scrambler Enable
          2. 7.3.7.2.2  Frames Per Multi-Frame (K-1)
          3. 7.3.7.2.3  DDR
          4. 7.3.7.2.4  JESD Enable
          5. 7.3.7.2.5  JESD Test Modes
          6. 7.3.7.2.6  Configurable Pre-Emphasis
          7. 7.3.7.2.7  Serial Output-Data Formatting
          8. 7.3.7.2.8  JESD204B Synchronization Features
          9. 7.3.7.2.9  SYSREF
          10. 7.3.7.2.10 SYNC~
          11. 7.3.7.2.11 Code-Group Synchronization
          12. 7.3.7.2.12 Multiple ADC Synchronization
    4. 7.4 Device Functional Modes
      1. 7.4.1 DDC Modes
      2. 7.4.2 Calibration
        1. 7.4.2.1 Foreground Calibration Mode
        2. 7.4.2.2 Background Calibration Mode
      3. 7.4.3 Timing Calibration Mode
      4. 7.4.4 Test-Pattern Modes
        1. 7.4.4.1 Serializer Test-Mode Details
        2. 7.4.4.2 PRBS Test Modes
        3. 7.4.4.3 Ramp Test Mode
        4. 7.4.4.4 Short and Long-Transport Test Mode
        5. 7.4.4.5 D21.5 Test Mode
        6. 7.4.4.6 K28.5 Test Mode
        7. 7.4.4.7 Repeated ILA Test Mode
        8. 7.4.4.8 Modified RPAT Test Mode
    5. 7.5 Programming
      1. 7.5.1 Using the Serial Interface
        1. 7.5.1.1 Streaming Mode
    6. 7.6 Register Map
      1. 7.6.1 Memory Map
      2. 7.6.2 Register Descriptions
        1. 7.6.2.1 Standard SPI-3.0 (0x000 to 0x00F)
          1. 7.6.2.1.1 Configuration A Register (address = 0x000) [reset = 0x3C]
          2. 7.6.2.1.2 Configuration B Register (address = 0x001) [reset = 0x00]
          3. 7.6.2.1.3 Device Configuration Register (address = 0x002) [reset = 0x00]
          4. 7.6.2.1.4 Chip Type Register (address = 0x003) [reset = 0x03]
          5. 7.6.2.1.5 Chip Version Register (address = 0x006) [reset = 0x13]
          6. 7.6.2.1.6 Vendor Identification Register (address = 0x00C to 0x00D) [reset = 0x0451]
        2. 7.6.2.2 User SPI Configuration (0x010 to 0x01F)
          1. 7.6.2.2.1 User SPI Configuration Register (address = 0x010) [reset = 0x00]
        3. 7.6.2.3 General Analog, Bias, Band Gap, and Track and Hold (0x020 to 0x02F)
          1. 7.6.2.3.1 Power-On Reset Register (address = 0x021) [reset = 0x00]
          2. 7.6.2.3.2 I/O Gain 0 Register (address = 0x022) [reset = 0x40]
          3. 7.6.2.3.3 IO_GAIN_1 Register (address = 0x023) [reset = 0x00]
          4. 7.6.2.3.4 I/O Offset 0 Register (address = 0x025) [reset = 0x40]
          5. 7.6.2.3.5 I/O Offset 1 Register (address = 0x026) [reset = 0x00]
        4. 7.6.2.4 Clock (0x030 to 0x03F)
          1. 7.6.2.4.1 Clock Generator Control 0 Register (address = 0x030) [reset = 0xC0]
          2. 7.6.2.4.2 Clock Generator Status Register (address = 0x031) [reset = 0x07]
          3. 7.6.2.4.3 Clock Generator Control 2 Register (address = 0x032) [reset = 0x80]
          4. 7.6.2.4.4 Analog Miscellaneous Register (address = 0x033) [reset = 0xC3]
          5. 7.6.2.4.5 Input Clamp Enable Register (address = 0x034) [reset = 0x2F]
        5. 7.6.2.5 Serializer (0x040 to 0x04F)
          1. 7.6.2.5.1 Serializer Configuration Register (address = 0x040) [reset = 0x04]
        6. 7.6.2.6 ADC Calibration (0x050 to 0x1FF)
          1. 7.6.2.6.1 Calibration Configuration 0 Register (address = 0x050) [reset = 0x06]
          2. 7.6.2.6.2 Calibration Configuration 1 Register (address = 0x051) [reset = 0xF4]
          3. 7.6.2.6.3 Calibration Background Control Register (address = 0x057) [reset = 0x10]
          4. 7.6.2.6.4 ADC Pattern and Over-Range Enable Register (address = 0x058) [reset = 0x00]
          5. 7.6.2.6.5 Calibration Vectors Register (address = 0x05A) [reset = 0x00]
          6. 7.6.2.6.6 Calibration Status Register (address = 0x05B) [reset = undefined]
          7. 7.6.2.6.7 Timing Calibration Register (address = 0x066) [reset = 0x02]
        7. 7.6.2.7 Digital Down Converter and JESD204B (0x200-0x27F)
          1. 7.6.2.7.1  Digital Down-Converter (DDC) Control Register (address = 0x200) [reset = 0x10]
          2. 7.6.2.7.2  JESD204B Control 1 Register (address = 0x201) [reset = 0x0F]
          3. 7.6.2.7.3  JESD204B Control 2 Register (address = 0x202) [reset = 0x00]
          4. 7.6.2.7.4  JESD204B Device ID (DID) Register (address = 0x203) [reset = 0x00]
          5. 7.6.2.7.5  JESD204B Control 3 Register (address = 0x204) [reset = 0x00]
          6. 7.6.2.7.6  JESD204B and System Status Register (address = 0x205) [reset = Undefined]
          7. 7.6.2.7.7  Overrange Threshold 0 Register (address = 0x206) [reset = 0xF2]
          8. 7.6.2.7.8  Overrange Threshold 1 Register (address = 0x207) [reset = 0xAB]
          9. 7.6.2.7.9  Overrange Period Register (address = 0x208) [reset = 0x00]
          10. 7.6.2.7.10 DDC Configuration Preset Mode Register (address = 0x20C) [reset = 0x00]
          11. 7.6.2.7.11 DDC Configuration Preset Select Register (address = 0x20D) [reset = 0x00]
          12. 7.6.2.7.12 Rational NCO Reference Divisor Register (address = 0x20E to 0x20F) [reset = 0x0000]
          13. 7.6.2.7.13 NCO Frequency (Preset x) Register (address = see ) [reset = see ]
          14. 7.6.2.7.14 NCO Phase (Preset x) Register (address = see ) [reset = see ]
          15. 7.6.2.7.15 DDC Delay (Preset x) Register (address = see ) [reset = see ]
  8. Application and Implementation
    1. 8.1 Application Information
    2. 8.2 Typical Application
      1. 8.2.1 RF Sampling Receiver
        1. 8.2.1.1 Design Requirements
        2. 8.2.1.2 Detailed Design Procedure
        3. 8.2.1.3 Application Curves
    3. 8.3 Initialization Set-Up
      1. 8.3.1 JESD204B Startup Sequence
    4. 8.4 Dos and Don'ts
      1. 8.4.1 Common Application Pitfalls
  9. Power Supply Recommendations
    1. 9.1 Supply Voltage
  10. 10Layout
    1. 10.1 Layout Guidelines
    2. 10.2 Layout Example
    3. 10.3 Thermal Management
  11. 11Device and Documentation Support
    1. 11.1 Device Support
      1. 11.1.1 Third-Party Products Disclaimer
      2. 11.1.2 Development Support
      3. 11.1.3 Device Nomenclature
    2. 11.2 Documentation Support
      1. 11.2.1 Related Documentation
    3. 11.3 Community Resource
    4. 11.4 Trademarks
    5. 11.5 Electrostatic Discharge Caution
    6. 11.6 Glossary
  12. 12Mechanical, Packaging, and Orderable Information

Package Options

Mechanical Data (Package|Pins)
Thermal pad, mechanical data (Package|Pins)
Orderable Information

Pin Configuration and Functions

NKE Package
68-Pin VQFN With Thermal Pad
Top View
LM15851 LM15851_pinout.gif
DNC = Make no external connection

Pin Functions

PIN EQUIVALENT CIRCUIT TYPE DESCRIPTION
NAME NO.
ANALOG
RBIAS+ 1 LM15851 New_RBIAS.gif I/O External Bias Resistor Connections
External bias resistor terminals. A 3.3 kΩ (±0.1%) resistor should be connected between RBIAS+ and RBIAS–. The RBIAS resistor is used as a reference for internal circuits which affect the linearity of the converter. The value and precision of this resistor should not be compromised. These pins must be isolated from all other signals and grounds.
RBIAS– 2
TDIODE– 63 LM15851 30180116.gif Passive Temperature Diode
These pins are the positive (anode) and negative (cathode) diode connections for die temperature measurements. Leave these pins unconnected if they are not used. See the Built-In Temperature Monitor Diode section for more details.
TDIODE+ 64
VBG 68 LM15851 30180109.gif O Bandgap Output Voltage
This pin is capable of sourcing or sinking 100 μA and can drive a load up to 80 pF. Leave this pin unconnected if it is not used in the application. See the The Reference Voltage section for more details.
VCMO 3 O Common Mode Voltage
The voltage output at this pin must be the common-mode input voltage at the VIN+ and VIN– pins when DC coupling is used. This pin is capable of sourcing or sinking 100 μA and can drive a load up to 80 pF. Leave this pin unconnected if it is not used in the application.
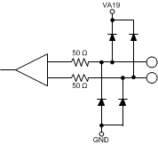
VIN+ 8 LM15851 30180107.gif I Signal Input
The differential full-scale input range is determined by the full-scale voltage adjust register. An internal peaking inductor (LPEAK) of 5 nH is included for parasitic compensation.
VIN– 9
DATA
DS0− 32 LM15851 30175610.gif O Data
CML These pins are the high-speed serialized-data outputs with user-configurable pre-emphasis. These outputs must always be terminated with a 100-Ω differential resistor at the receiver.
DS0+ 33
DS1– 35
DS1+ 36
DS2– 38
DS2+ 39
DS3– 41
DS3+ 42
DS4– 44
DS4+ 45
GROUND, RESERVED, DNC
DNC 67 Do Not Connect
Do not connect DNC to any circuitry, power, or ground signals.
RSV 66 LM15851 30180126.gif Reserved
Connect to Ground or Leave Unconnected: This reserved pin is a logic input for possible future device versions. It is recommended to connect this pin to ground. Floating this pin is also permissible.
RSV2 61 Reserved
Connect to Ground Connect this reserved input pin to ground for proper operation.
Thermal Pad Ground (GND)
The exposed pad on the bottom of the package is the ground return for all supplies. This pad must be connected with multiple vias to the printed circuit board (PCB) ground planes to ensure proper electrical and thermal performance.
The exposed center pad on the bottom of the package must be thermally and electrically connected (soldered) to a ground plane to ensure rated performance.
LVCMOS
NCO_0 47, 48 LM15851 CML_DIS_input.gif
I NCO ConfigSelect
These three pin pairs allow the host device to select the specific NCO frequency or phase accumulator that is active. Each pair must be connected together and driven with a common 1.8-V LVCMOS signal. Connect these inputs to GND if they are not used in the application.
NCO_1 50, 51
NCO_2 53, 54
OR_T0 25 LM15851 30180108.gif O Over-Range
Over-range detection status for T0 and T1 thresholds. Leave these pins unconnected if they are not used in the application.
OR_T1 26
SCLK 58 LM15851 30180126.gif I Serial Interface Clock
This pin functions as the serial-interface clock input which clocks the serial data in and out. The Using the Serial Interface section describes the serial interface in more detail.
SDI 57 I Serial Data In
This pin functions as the serial-interface data input. The Using the Serial Interface section describes the serial interface in more detail.
SYNC~ 30 I SYNC~
This pin provides the JESD204B-required synchronizing request input. A logic-low applied to this input initiates a lane alignment sequence. The choice of LVCMOS or differential SYNC~ is selected through bit 6 of the configuration register 0x202h. Connect this input to GND or VA19 if differential SYNC~ input is used.
SCS 59 I Serial Chip Select (active low)
This pin functions as the serial-interface chip select. The Using the Serial Interface section describes the serial interface in more detail.
SDO 56 LM15851 30180108.gif O Serial Data Out
This pin functions as the serial-interface data output. The Using the Serial Interface section describes the serial interface in more detail.
DIFFERENTIAL INPUT
DEVCLK+ 15 LM15851 30180112.gif I Device Clock Input
The differential device clock signal must be AC coupled to these pins. The input signal is sampled on the rising edge of CLK.
DEVCLK– 16
SYSREF+ 19 I SYSREF
The differential periodic waveform on these pins synchronizes the device per JESD204B. If JESD204B subclass 1 synchronization is not required and these inputs are not utilized they may be left unconnected. In that case ensure SysRef_Rcvr_En=0 and SysRef_Pr_En=0.
SYSREF– 20
SYNC~+ 22 I SYNC~
This differential input provides the JESD204B-required synchronizing request input. A differential logic-low applied to these inputs initiates a lane alignment sequence. For differential SYNC~ usage, leave unconnected if SYNC_DIFFSEL = 0.
These inputs may be left unconnected if they are not used for the SYNC~function.
SYNC~- 23
POWER
VA12 6 Analog 1.2 V power supply pins
Bypass these pins to ground using one 10-µF capacitor and two 1-µF capacitors for bulk decoupling plus one 0.1-µF capacitor per pin for individual decoupling.
11
14
17
18
21
65
VA19 4 Analog 1.9 V power supply pins
Bypass these pins to ground using one 10-µF capacitor and two 1-µF capacitors for bulk decoupling plus one 0.1-µF capacitor per pin for individual decoupling.
7
10
13
24
27
60
62
VD12 28 Digital 1.2 V power supply pins
Bypass these pins to ground using one 10-µF capacitor and two 1-µF capacitors for bulk decoupling plus one 0.1-µF capacitor per pin for individual decoupling.
31
34
37
40
43
46
49
52
55
VNEG 5 I VNEG
These pins must be decoupled to ground with a 0.1-µF ceramic capacitor near each pin. These power input pins must be connected to the VNEG_OUT pin with a low resistance path. The connections must be isolated from any noisy digital signals and must also be isolated from the analog input and clock input pins.
12
VNEG_OUT 29 O VNEG_OUT
The voltage on this output can range from –1V to +1V. This pin must be decoupled to ground with a 4.7-µF, low ESL, low ESR multi-layer ceramic chip capacitor and connected to the VNEG input pins. This voltage must be isolated from any noisy digital signals, clocks, and the analog input.