SNVSA68D October   2014  â€“ November 2016 LM3648

PRODUCTION DATA.  

  1. Features
  2. Applications
  3. Description
  4. Revision History
  5. Pin Configuration and Functions
  6. Specifications
    1. 6.1 Absolute Maximum Ratings
    2. 6.2 ESD Ratings
    3. 6.3 Recommended Operating Conditions
    4. 6.4 Thermal Information
    5. 6.5 Electrical Characteristics
    6. 6.6 Timing Requirements
    7. 6.7 Switching Characteristics
    8. 6.8 Typical Characteristics
  7. Detailed Description
    1. 7.1 Overview
    2. 7.2 Functional Block Diagram
    3. 7.3 Feature Description
      1. 7.3.1 Flash Mode
      2. 7.3.2 Torch Mode
      3. 7.3.3 IR Mode
    4. 7.4 Device Functioning Modes
      1. 7.4.1 Start-Up (Enabling The Device)
      2. 7.4.2 Pass Mode
      3. 7.4.3 Power Amplifier Synchronization (TX)
      4. 7.4.4 Input Voltage Flash Monitor (IVFM)
      5. 7.4.5 Fault/Protections
        1. 7.4.5.1 Fault Operation
        2. 7.4.5.2 Flash Time-Out
        3. 7.4.5.3 Overvoltage Protection (OVP)
        4. 7.4.5.4 Current Limit
        5. 7.4.5.5 NTC Thermistor Input (Torch/Temp)
        6. 7.4.5.6 Undervoltage Lockout (UVLO)
        7. 7.4.5.7 Thermal Shutdown (TSD)
        8. 7.4.5.8 LED and/or VOUT Short Fault
    5. 7.5 Programming
      1. 7.5.1 Control Truth Table
      2. 7.5.2 I2C-Compatible Interface
        1. 7.5.2.1 Data Validity
        2. 7.5.2.2 Start and Stop Conditions
        3. 7.5.2.3 Transferring Data
        4. 7.5.2.4 I2C-Compatible Chip Address
    6. 7.6 Register Descriptions
      1. 7.6.1  Enable Register (0x01)
      2. 7.6.2  IVFM Register (0x02)
      3. 7.6.3  LED Flash Brightness Register (0x03)
      4. 7.6.4  LED Torch Brightness Register (0x05)
      5. 7.6.5  Boost Configuration Register (0x07)
      6. 7.6.6  Timing Configuration Register (0x08)
      7. 7.6.7  TEMP Register (0x09)
      8. 7.6.8  Flags1 Register (0x0A)
      9. 7.6.9  Flags2 Register (0x0B)
      10. 7.6.10 Device ID Register (0x0C)
      11. 7.6.11 Last Flash Register (0x0D)
  8. Applications and Implementation
    1. 8.1 Application Information
    2. 8.2 Typical Application
      1. 8.2.1 Design Requirements
      2. 8.2.2 Detailed Design Procedure
        1. 8.2.2.1 Output Capacitor Selection
        2. 8.2.2.2 Input Capacitor Selection
        3. 8.2.2.3 Inductor Selection
      3. 8.2.3 Application Curves
  9. Power Supply Recommendations
  10. 10Layout
    1. 10.1 Layout Guidelines
    2. 10.2 Layout Example
  11. 11Device and Documentation Support
    1. 11.1 Device Support
      1. 11.1.1 Third-Party Products Disclaimer
    2. 11.2 Documentation Support
      1. 11.2.1 Related Documentation
      2. 11.2.2 Related Links
    3. 11.3 Receiving Notification of Documentation Updates
    4. 11.4 Community Resources
    5. 11.5 Trademarks
    6. 11.6 Electrostatic Discharge Caution
    7. 11.7 Glossary
  12. 12Mechanical, Packaging, and Orderable Information

Package Options

Mechanical Data (Package|Pins)
Thermal pad, mechanical data (Package|Pins)
Orderable Information

Applications and Implementation

NOTE

Information in the following applications sections is not part of the TI component specification, and TI does not warrant its accuracy or completeness. TI’s customers are responsible for determining suitability of components for their purposes. Customers should validate and test their design implementation to confirm system functionality.

Application Information

The LM3648 can drive a flash LED at currents up to 1.5 A. The 2-MHz or 4-MHz DC-DC boost regulator allows for the use of small value discrete external components.

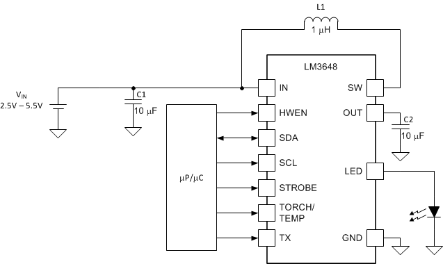
Typical Application

LM3648 LM3648TT schematic.gif Figure 31. LM3648 Typical Application

Design Requirements

Example requirements based on default register values:

Table 1. Design Parameters

DESIGN PARAMETER EXAMPLE VALUE
Input Voltage Range 2.5 V to 5.5 V
Brightness Control I2C Register
LED Configuration 1 Flash LED
Boost Switching Frequency 2 MHz (4 MHz selectable)
Flash Brightness 1.5-A Max Current

Detailed Design Procedure

Output Capacitor Selection

The LM3648 is designed to operate with a 10-µF ceramic output capacitor. When the boost converter is running, the output capacitor supplies the load current during the boost converter on-time. When the NMOS switch turns off, the inductor energy is discharged through the internal PMOS switch, supplying power to the load and restoring charge to the output capacitor. This causes a sag in the output voltage during the on-time and a rise in the output voltage during the off-time. The output capacitor is therefore chosen to limit the output ripple to an acceptable level depending on load current and input or output voltage differentials and also to ensure the converter remains stable.

Larger capacitors such as a 22-µF or capacitors in parallel can be used if lower output voltage ripple is desired. To estimate the output voltage ripple considering the ripple due to capacitor discharge (ΔVQ) and the ripple due to the capacitors ESR (ΔVESR) use the following equations:

For continuous conduction mode, the output voltage ripple due to the capacitor discharge is:

Equation 1. LM3648 LM3648TT 30171827.gif

The output voltage ripple due to the output capacitors ESR is found by:

Equation 2. LM3648 LM3648TT 30171828.gif

In ceramic capacitors the ESR is very low so the assumption is that 80% of the output voltage ripple is due to capacitor discharge and 20% from ESR. Table 2 lists different manufacturers for various output capacitors and their case sizes suitable for use with the LM3648.

Input Capacitor Selection

Choosing the correct size and type of input capacitor helps minimize the voltage ripple caused by the switching of the LM3648 boost converter and reduce noise on the boost converter's input pin that can feed through and disrupt internal analog signals. In the typical application circuit a 10-µF ceramic input capacitor works well. It is important to place the input capacitor as close as possible to the LM3648 input (IN) pin. This reduces the series resistance and inductance that can inject noise into the device due to the input switching currents. Table 2 lists various input capacitors recommended for use with the LM3648.

Table 2. Recommended Input/Output Capacitors (X5R/X7R Dielectric)

MANUFACTURER PART NUMBER VALUE CASE SIZE VOLTAGE RATING
TDK Corporation C1608JB0J106M 10 µF 0603 (1.6 mm × 0.8 mm × 0.8 mm) 6.3 V
TDK Corporation C2012JB1A106M 10 µF 0805 (2.0 mm × 1.25 mm × 1.25 mm) 10 V
Murata GRM188R60J106M 10 µF 0603 (1.6 mm × 0.8 mm × 0.8 mm) 6.3 V
Murata GRM21BR61A106KE19 10 µF 0805 (2.0 mm × 1.25 mm × 1.25 mm) 10 V

Inductor Selection

The LM3648 is designed to use a 0.47-µH or 1-µH inductor. Table 3 lists various inductors and their manufacturers that work well with the LM3648. When the device is boosting (VOUT > VIN) the inductor is typically the largest area of efficiency loss in the circuit. Therefore, choosing an inductor with the lowest possible series resistance is important. Additionally, the saturation rating of the inductor must be greater than the maximum operating peak current of the LM3648. This prevents excess efficiency loss that can occur with inductors that operate in saturation. For proper inductor operation and circuit performance, ensure that the inductor saturation and the peak current limit setting of the LM3648 are greater than IPEAK in Equation 3:

Equation 3. LM3648 LM3648TT 30171829.gif

where

  • ƒSW = 2 or 4 MHz

Efficiency details can be found in the Application Curves.

Table 3. Recommended Inductors

MANUFACTURER L PART NUMBER DIMENSIONS (L×W×H) ISAT RDC
TOKO 0.47 µH DFE201610P-R470M 2.0 mm x 1.6 mm x 1.0 mm 4.1 A 32 mΩ
TOKO 1 µH DFE201610P-1R0M 2.0 mm x 1.6 mm x 1.0 mm 3.7 A 58 mΩ

Application Curves

Ambient temperature is 25°C, input voltage is 3.6 V, HWEN = VIN, CIN = 2 × 10 µF, COUT = 2 × 10 µF and L = 1 µH, unless otherwise noted.
LM3648 LM3648TT D019_SNVS967.gif
ƒSW = 2 MHz Flash
Brightness Code = 0x3F
Figure 32. 2-MHz LED Efficiency vs Input Voltage
LM3648 LM3648TT D028_SNVS967.gif
ƒSW = 2 MHz Flash VLED = 3.55 V
Brightness Code = 0x3F
Figure 34. LED Efficiency vs Input Voltage
LM3648 LM3648TT D020_SNVS967.gif
ƒSW = 4 MHz Flash
Brightness Code = 0x3F
Figure 33. 4-MHz LED Efficiency vs Input Voltage
LM3648 LM3648TT D029_SNVS967.gif
ƒSW = 4 MHz Flash VLED = 3.55 V
Brightness Code = 0x3F
Figure 35. LED Efficiency vs Input Voltage
LM3648 LM3648TT D030_SNVS967.gif
ƒSW = 2 MHz Flash VLED = 3.32 V
Brightness Code = 0x2B
Figure 36. LED Efficiency vs Input Voltage
LM3648 LM3648TT D034_SNVS967.gif
ƒSW = 4 MHz Torch VLED = 2.83 V
Brightness Code = 0x3F
Figure 38. LED Efficiency vs Input Voltage
LM3648 LM3648TT D036_SNVS967.gif
ƒSW = 4 MHz Torch VLED = 2.83 V
Brightness Code = 0x7F
Figure 40. LED Efficiency vs Input Voltage
LM3648 LM3648TT D035_SNVSA68.gif
LM3648TT ƒSW = 4 MHz Torch
Brightness Code = 0x59 VLED = 3.03 V
Figure 42. LED Efficiency vs Input Voltage
LM3648 LM3648TT RampDown.gif
ƒSW = 2 MHz VLED = 3.18 V
Brightness Code = 0x7F
Figure 44. Ramp Down
LM3648 LM3648TT 2MHzripple.gif
ƒSW = 2 MHz VLED = 3.18 V
Brightness Code = 0x7F
Figure 46. Ripple at 2 MHz
LM3648 LM3648TT D033_SNVS967.gif
ƒSW = 2 MHz Torch VLED = 2.83 V
Brightness Code = 0x3F
Figure 37. LED Efficiency vs Input Voltage
LM3648 LM3648TT D035_SNVS967.gif
ƒSW = 2 MHz Torch
Brightness Code = 0x7F
Figure 39. LED Efficiency vs Input Voltage
LM3648 LM3648TT D034_SNVSA68.gif
LM3648TT ƒSW = 2 MHz Torch
Brightness Code = 0x59 VLED = 3.03 V
Figure 41. LED Efficiency vs Input Voltage
LM3648 LM3648TT Startup.gif
ƒSW = 2 MHz VLED = 3.18 V
Brightness Code = 0x7F
Figure 43. Start-Up
LM3648 LM3648TT Tx.gif
ƒSW = 2 MHz VLED = 3.18 V
Brightness Code = 0x7F
Figure 45. TX Interrupt
LM3648 LM3648TT 4MHzripple.gif
ƒSW = 4 MHz VLED = 3.18 V
Brightness Code = 0x7F
Figure 47. Ripple at 4 MHz