SLASEO5D March   2019  – September 2021 MSP430FR2672 , MSP430FR2673 , MSP430FR2675 , MSP430FR2676

PRODUCTION DATA  

  1. Features
  2. Applications
  3. Description
  4. Functional Block Diagram
  5. Revision History
  6. Device Comparison
    1. 6.1 Related Products
  7. Terminal Configuration and Functions
    1. 7.1 Pin Diagrams
    2. 7.2 Pin Attributes
    3. 7.3 Signal Descriptions
    4. 7.4 Pin Multiplexing
    5. 7.5 Buffer Types
    6. 7.6 Connection of Unused Pins
  8. Specifications
    1. 8.1  Absolute Maximum Ratings
    2. 8.2  ESD Ratings
    3. 8.3  Recommended Operating Conditions
    4. 8.4  Active Mode Supply Current Into VCC Excluding External Current
    5. 8.5  Active Mode Supply Current Per MHz
    6. 8.6  Low-Power Mode LPM0 Supply Currents Into VCC Excluding External Current
    7. 8.7  Low-Power Mode (LPM3, LPM4) Supply Currents (Into VCC) Excluding External Current
    8. 8.8  Low-Power Mode LPMx.5 Supply Currents (Into VCC) Excluding External Current
    9. 8.9  Typical Characteristics – Low-Power Mode Supply Currents
    10. 8.10 Current Consumption Per Module
    11. 8.11 Thermal Resistance Characteristics
    12. 8.12 Timing and Switching Characteristics
      1. 8.12.1  Power Supply Sequencing
        1. 8.12.1.1 PMM, SVS and BOR
      2. 8.12.2  Reset Timing
        1. 8.12.2.1 Wake-up Times From Low-Power Modes and Reset
      3. 8.12.3  Clock Specifications
        1. 8.12.3.1 XT1 Crystal Oscillator (Low Frequency)
        2. 8.12.3.2 DCO FLL, Frequency
        3. 8.12.3.3 DCO Frequency
        4. 8.12.3.4 REFO
        5. 8.12.3.5 Internal Very-Low-Power Low-Frequency Oscillator (VLO)
        6. 8.12.3.6 Module Oscillator (MODOSC)
      4. 8.12.4  Digital I/Os
        1. 8.12.4.1 Digital Inputs
        2. 8.12.4.2 Digital Outputs
        3. 8.12.4.3 Typical Characteristics – Outputs at 3 V and 2 V
      5. 8.12.5  Internal Shared Reference
        1. 8.12.5.1 Internal Reference Characteristics
      6. 8.12.6  Timer_A and Timer_B
        1. 8.12.6.1 Timer_A
        2. 8.12.6.2 Timer_B
      7. 8.12.7  eUSCI
        1. 8.12.7.1 eUSCI (UART Mode) Clock Frequency
        2. 8.12.7.2 eUSCI (UART Mode) Timing Characteristics
        3. 8.12.7.3 eUSCI (SPI Master Mode) Clock Frequency
        4. 8.12.7.4 eUSCI (SPI Master Mode)
        5. 8.12.7.5 eUSCI (SPI Slave Mode)
        6. 8.12.7.6 eUSCI (I2C Mode)
      8. 8.12.8  ADC
        1. 8.12.8.1 ADC, Power Supply and Input Range Conditions
        2. 8.12.8.2 ADC, Timing Parameters
        3. 8.12.8.3 ADC, Linearity Parameters
      9. 8.12.9  Enhanced Comparator (eCOMP)
        1. 8.12.9.1 eCOMP0 Characteristics
      10. 8.12.10 CapTIvate
        1. 8.12.10.1 CapTIvate Electrical Characteristics
        2. 8.12.10.2 CapTIvate Signal-to-Noise Ratio Characteristics
      11. 8.12.11 FRAM
        1. 8.12.11.1 FRAM Characteristics
      12. 8.12.12 Debug and Emulation
        1. 8.12.12.1 JTAG, 4-Wire and Spy-Bi-Wire Interface
  9. Detailed Description
    1. 9.1  Overview
    2. 9.2  CPU
    3. 9.3  Operating Modes
    4. 9.4  Interrupt Vector Addresses
    5. 9.5  Bootloader (BSL)
    6. 9.6  JTAG Standard Interface
    7. 9.7  Spy-Bi-Wire Interface (SBW)
    8. 9.8  FRAM
    9. 9.9  Memory Protection
    10. 9.10 Peripherals
      1. 9.10.1  Power-Management Module (PMM)
      2. 9.10.2  Clock System (CS) and Clock Distribution
      3. 9.10.3  General-Purpose Input/Output Port (I/O)
      4. 9.10.4  Watchdog Timer (WDT)
      5. 9.10.5  System (SYS) Module
      6. 9.10.6  Cyclic Redundancy Check (CRC)
      7. 9.10.7  Enhanced Universal Serial Communication Interface (eUSCI_A0, eUSCI_B0)
      8. 9.10.8  Timers (TA0, TA1, TA2, TA3 and TB0)
      9. 9.10.9  Hardware Multiplier (MPY)
      10. 9.10.10 Backup Memory (BAKMEM)
      11. 9.10.11 Real-Time Clock (RTC)
      12. 9.10.12 12-Bit Analog-to-Digital Converter (ADC)
      13. 9.10.13 eCOMP0
      14. 9.10.14 CapTIvate Technology
      15. 9.10.15 Embedded Emulation Module (EEM)
    11. 9.11 Input/Output Diagrams
      1. 9.11.1 Port P1 (P1.0 to P1.7) Input/Output With Schmitt Trigger
      2. 9.11.2 Port P2 (P2.0 to P2.7) Input/Output With Schmitt Trigger
      3. 9.11.3 Port P3 (P3.0 to P3.7) Input/Output With Schmitt Trigger
      4. 9.11.4 Port P4 (P4.0 to P4.7) Input/Output With Schmitt Trigger
      5. 9.11.5 Port P5 (P5.0 to P5.7) Input/Output With Schmitt Trigger
      6. 9.11.6 Port P6 (P6.0 to P6.2) Input/Output With Schmitt Trigger
    12. 9.12 Device Descriptors
    13. 9.13 Memory
      1. 9.13.1 Memory Organization
      2. 9.13.2 Peripheral File Map
    14. 9.14 Identification
      1. 9.14.1 Revision Identification
      2. 9.14.2 Device Identification
      3. 9.14.3 JTAG Identification
  10. 10Applications, Implementation, and Layout
    1. 10.1 Device Connection and Layout Fundamentals
      1. 10.1.1 Power Supply Decoupling and Bulk Capacitors
      2. 10.1.2 External Oscillator
      3. 10.1.3 JTAG
      4. 10.1.4 Reset
      5. 10.1.5 Unused Pins
      6. 10.1.6 General Layout Recommendations
      7. 10.1.7 Do's and Don'ts
    2. 10.2 Peripheral- and Interface-Specific Design Information
      1. 10.2.1 ADC Peripheral
        1. 10.2.1.1 Partial Schematic
        2. 10.2.1.2 Design Requirements
        3. 10.2.1.3 Layout Guidelines
      2. 10.2.2 CapTIvate Peripheral
        1. 10.2.2.1 Device Connection and Layout Fundamentals
        2. 10.2.2.2 125
        3. 10.2.2.3 Measurements
          1. 10.2.2.3.1 SNR
          2. 10.2.2.3.2 Sensitivity
          3. 10.2.2.3.3 Power
    3. 10.3 CapTIvate Technology Evaluation
  11. 11Device and Documentation Support
    1. 11.1 Getting Started and Next Steps
    2. 11.2 Device Nomenclature
    3. 11.3 Tools and Software
    4. 11.4 Documentation Support
    5. 11.5 Support Resources
    6. 11.6 Trademarks
    7. 11.7 Electrostatic Discharge Caution
    8. 11.8 Export Control Notice
    9. 11.9 Glossary
  12. 12Mechanical, Packaging, and Orderable Information

Package Options

Mechanical Data (Package|Pins)
Thermal pad, mechanical data (Package|Pins)
Orderable Information

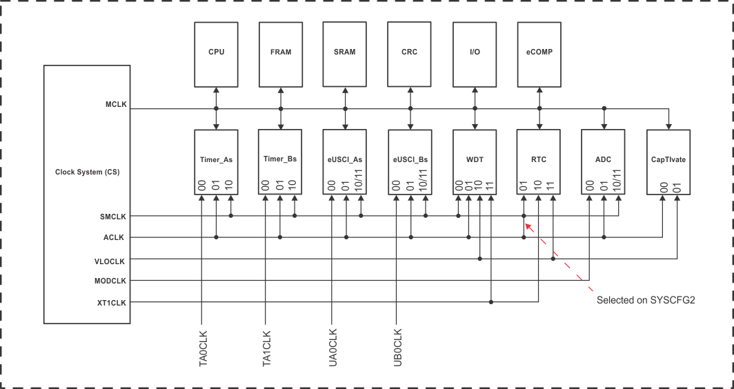
Clock System (CS) and Clock Distribution

The clock system includes a 32-kHz crystal oscillator (XT1), an internal very-low-power low-frequency oscillator (VLO), an integrated 32-kHz RC oscillator (REFO), an integrated internal digitally controlled oscillator (DCO) that may use frequency-locked loop (FLL) locking with internal or external 32-kHz reference clock, and an on-chip asynchronous high-speed clock (MODOSC). The clock system is designed for cost-effective designs with minimal external components. A fail-safe mechanism is included for XT1. The clock system module offers the following clock signals.

  • Main Clock (MCLK): The system clock used by the CPU and all relevant peripherals accessed by the bus. All clock sources except MODOSC can be selected as the source with a predivider of 1, 2, 4, 8, 16, 32, 64, or 128.
  • Sub-Main Clock (SMCLK): The subsystem clock used by the peripheral modules. SMCLK derives from the MCLK with a predivider of 1, 2, 4, or 8. This means SMCLK is always equal to or less than MCLK.
  • Auxiliary Clock (ACLK): This clock is derived from the external XT1 clock, internal VLO or internal REFO clock up to 40 kHz.

All peripherals may have one or several clock sources depending on specific functionality. Table 9-8 lists the clock distribution used in this device.

Table 9-8 Clock Distribution
CLOCK SOURCE SELECT BITSMCLKSMCLKACLKMODCLKXT1CLKVLOCLKEXTERNAL PIN
Frequency rangeDC to 16 MHzDC to 16 MHzDC to 40 kHz5 MHz ±10%DC to 40 kHz10 kHz ±50%
CPUN/ADefault
FRAMN/ADefault
RAMN/ADefault
CRCN/ADefault
MPY32N/ADefault
I/ON/ADefault
TA0TASSEL10b01b11b00b (TA0CLK pin)
TA1TASSEL10b01b00b (TA1CLK pin)
TA2TASSEL10b01b11b00b (TA2CLK pin)
TA3TASSEL10b01b00b (TA3CLK pin)
TB0TBSSEL10b01b00b (TB0CLK pin)
eUSCI_A0UCSSEL10b or 11b01b00b (UCA0CLK pin)
eUSCI_A1UCSSEL10b or 11b01b00b (UCA1CLK pin)
eUSCI_B0UCSSEL10b or 11b01b00b (UCB0CLK pin)
eUSCI_B1UCSSEL10b or 11b01b00b (UCB1CLK pin)
WDTWDTSSEL00b01b10b
ADCADCSSEL10b or 11b01b00b
CapTIvateCAPTSSEL00b01b
RTCRTCSS01b(1)01b(1)10b11b
Controlled by the RTCCKSEL bit in the SYSCFG2 register.
GUID-7FDF9CDB-7246-458F-AAD3-664AEB948920-low.gifFigure 9-1 Clock Distribution Block Diagram