SLASEV3A March 2020 – December 2020 MSP430FR6005 , MSP430FR6007
PRODUCTION DATA
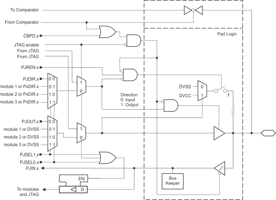
Figure 9-18 shows the port diagram. Table 9-40 summarizes the selection of the pin function.

| PIN NAME (PJ.x) | x | FUNCTION | CONTROL BITS/ SIGNALS(1) | |||
|---|---|---|---|---|---|---|
| PJDIR.x | PJSEL1.x | PJSEL0.x | CEPDx (Cx) | |||
| PJ.0/TDO/ACLK/SRSCG1/DMAE0/C10 | 0 | PJ.0 (I/O)(2) | 0 = Input, 1 = Output | 0 | 0 | 0 |
| TDO(3) | X | X | X | 0 | ||
| N/A | 0 | 0 | 1 | 0 | ||
| ACLK | 1 | |||||
| N/A | 0 | 1 | 0 | 0 | ||
| CPU Status Register Bit SCG1 | 1 | |||||
| DMAE0 | 0 | 1 | 1 | 0 | ||
| Internally tied to DVSS | 1 | |||||
| C10(5) | X | X | X | 1 | ||
| PJ.1/TDI/TCLK/SMCLK/SRSCG0/TA4CLK/C11 | 1 | PJ.1 (I/O)(2) | 0 = Input, 1 = Output | 0 | 0 | 0 |
| TDI/TCLK(3) (4) | X | X | X | 0 | ||
| N/A | 0 | 0 | 1 | 0 | ||
| SMCLK | 1 | |||||
| N/A | 0 | 1 | 0 | 0 | ||
| CPU Status Register Bit SCG0 | 1 | |||||
| TA4CLK | 0 | 1 | 1 | 0 | ||
| Internally tied to DVSS | 1 | |||||
| C11(5) | X | X | X | 1 | ||
| PJ.2/TMS/MCLK/SROSCOFF/TB0OUTH/C12 | 2 | PJ.2 (I/O)(2) | I: 0; O: 1 | 0 | 0 | 0 |
| TMS(3) (4) | X | X | X | 0 | ||
| N/A | 0 | 0 | 1 | 0 | ||
| MCLK | 1 | |||||
| N/A | 0 | 1 | 0 | 0 | ||
| CPU Status Register Bit OSCOFF | 1 | |||||
| TB0OUTH | 0 | 1 | 1 | 0 | ||
| Internally tied to DVSS | 1 | |||||
| C12(5) | X | X | X | 1 | ||
| PJ.3/TCK/RTCCLK/SRCPUOFF/TB0.6/C13 | 3 | PJ.3 (I/O)(2) | I: 0; O: 1 | 0 | 0 | 0 |
| TCK(3) (4) | X | X | X | 0 | ||
| N/A | 0 | 0 | 1 | 0 | ||
| RTCCLK | 1 | |||||
| N/A | 0 | 1 | 0 | 0 | ||
| CPU Status Register Bit CPUOFF | 1 | |||||
| TB0.CCI6A | 0 | 1 | 1 | 0 | ||
| TB0.6 | 1 | |||||
| C13(5) | X | X | X | 1 | ||