SLASFB6 December 2025 MSPM33C321A
ADVANCE INFORMATION
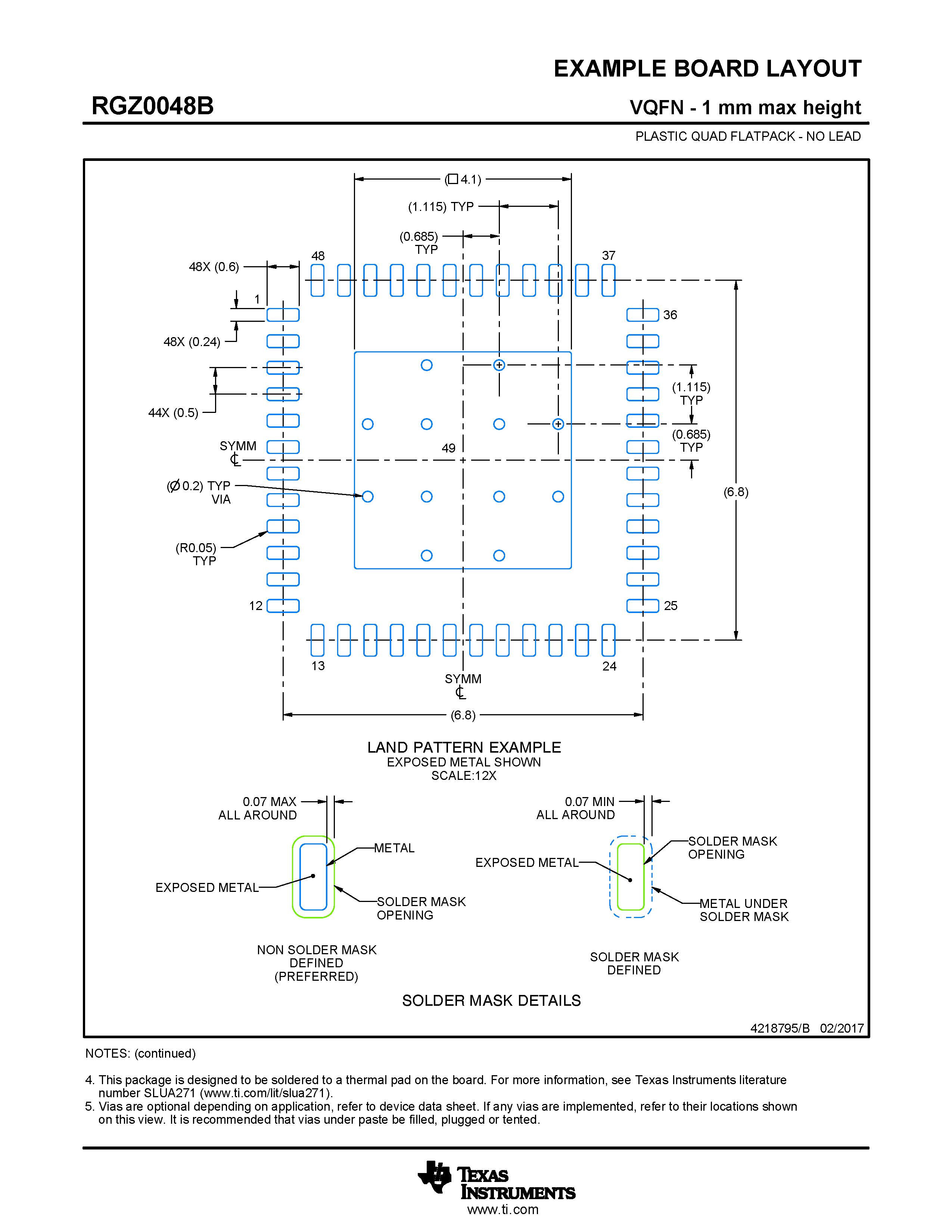
The following pages include mechanical, packaging, and orderable information. This information is the most current data available for the designated devices. This data is subject to change without notice and revision of this document. For browser-based versions of this data sheet, refer to the left-hand navigation.










