SBAS803A November 2016 – November 2017 MUX506 , MUX507
PRODUCTION DATA.
| EN | A3 | A2 | A1 | A0 | ON-CHANNEL |
|---|---|---|---|---|---|
| 0 | X(1) | X(1) | X(1) | X(1) | All channels are off |
| 1 | 0 | 0 | 0 | 0 | Channel 1 |
| 1 | 0 | 0 | 0 | 1 | Channel 2 |
| 1 | 0 | 0 | 1 | 0 | Channel 3 |
| 1 | 0 | 0 | 1 | 1 | Channel 4 |
| 1 | 0 | 1 | 0 | 0 | Channel 5 |
| 1 | 0 | 1 | 0 | 1 | Channel 6 |
| 1 | 0 | 1 | 1 | 0 | Channel 7 |
| 1 | 0 | 1 | 1 | 1 | Channel 8 |
| 1 | 1 | 0 | 0 | 0 | Channel 9 |
| 1 | 1 | 0 | 0 | 1 | Channel 10 |
| 1 | 1 | 0 | 1 | 0 | Channel 11 |
| 1 | 1 | 0 | 1 | 1 | Channel 12 |
| 1 | 1 | 1 | 0 | 0 | Channel 13 |
| 1 | 1 | 1 | 0 | 1 | Channel 14 |
| 1 | 1 | 1 | 1 | 0 | Channel 15 |
| 1 | 1 | 1 | 1 | 1 | Channel 16 |
| EN | A2 | A1 | A0 | ON-CHANNEL |
|---|---|---|---|---|
| 0 | X(1) | X(1) | X(1) | All channels are off |
| 1 | 0 | 0 | 0 | Channels 1A and 1B |
| 1 | 0 | 0 | 1 | Channels 2A and 2B |
| 1 | 0 | 1 | 0 | Channels 3A and 3B |
| 1 | 0 | 1 | 1 | Channels 4A and 4B |
| 1 | 1 | 0 | 0 | Channels 5A and 5B |
| 1 | 1 | 0 | 1 | Channels 6A and 6B |
| 1 | 1 | 1 | 0 | Channels 7A and 7B |
| 1 | 1 | 1 | 1 | Channels 8A and 8B |
The on-resistance of the MUX50x is the ohmic resistance across the source (Sx, SxA, or SxB) and drain (D, DA, or DB) pins of the device. The on-resistance varies with input voltage and supply voltage. The symbol RON is used to denote on-resistance. The measurement setup used to measure RON is shown in Figure 26. Voltage (V) and current (ICH) are measured using this setup, and RON is computed as shown in Equation 1:
Figure 26. On-Resistance Measurement Setup
There are two types of leakage currents associated with a switch during the OFF state:
Source leakage current is defined as the leakage current flowing into or out of the source pin when the switch is off. This current is denoted by the symbol IS(OFF).
Drain leakage current is defined as the leakage current flowing into or out of the drain pin when the switch is off. This current is denoted by the symbol ID(OFF).
The setup used to measure both off-leakage currents is shown in Figure 27
Figure 27. Off-Leakage Measurement Setup
On-leakage current is defined as the leakage current that flows into or out of the drain pin when the switch is in the ON state. The source pin is left floating during the measurement. Figure 28 shows the circuit used for measuring the on-leakage current, denoted by ID(ON).
Figure 28. On-Leakage Measurement Setup
Transition time is defined as the time taken by the output of the MUX50x to rise or fall to 90% of the transition after the digital address signal has fallen or risen to 50% of the transition. Figure 29 shows the setup used to measure transition time, denoted by the symbol tt.
Figure 29. Transition-Time Measurement Setup
Break-before-make delay is a safety feature that prevents two inputs from connecting when the MUX50x is switching. The MUX50x output first breaks from the ON-state switch before making the connection with the next ON-state switch. The time delay between the break and the make is known as break-before-make delay. Figure 30 shows the setup used to measure break-before-make delay, denoted by the symbol tBBM.
Figure 30. Break-Before-Make Delay Measurement Setup
Turn-on time is defined as the time taken by the output of the MUX50x to rise to 90% final value after the enable signal has risen to 50% final value. Figure 31 shows the setup used to measure turn-on time. Turn-on time is denoted by the symbol tON.
Turn off time is defined as the time taken by the output of the MUX50x to fall to 10% initial value after the enable signal has fallen to 50% initial value. Figure 31 shows the setup used to measure turn-off time. Turn-off time is denoted by the symbol tOFF.
Figure 31. Turn-On and Turn-Off Time Measurement Setup
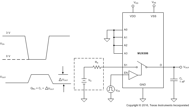
The MUX50x have a simple transmission-gate topology. Any mismatch in capacitance between the NMOS and PMOS transistors results in a charge injected into the drain or source during the falling or rising edge of the gate signal. The amount of charge injected into the source or drain of the device is known as charge injection, and is denoted by the symbol QINJ. Figure 32 shows the setup used to measure charge injection.
Figure 32. Charge-Injection Measurement Setup
Off isolation is defined as the voltage at the drain pin (D, DA, or DB) of the MUX50x when a 1-VRMS signal is applied to the source pin (Sx, SxA, or SxB) of an off-channel. Figure 33 shows the setup used to measure off isolation. Use Equation 2 to compute off isolation.
Figure 33. Off Isolation Measurement Setup

Channel-to-channel crosstalk is defined as the voltage at the source pin (Sx, SxA, or SxB) of an off-channel, when a 1-VRMS signal is applied at the source pin of an on-channel. Figure 34 shows the setup used to measure channel-to-channel crosstalk. Use Equation 3 to compute, channel-to-channel crosstalk.
Figure 34. Channel-to-Channel Crosstalk Measurement Setup

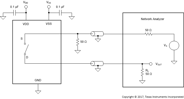
Bandwidth is defined as the range of frequencies that are attenuated by less than 3 dB when the input is applied to the source pin of an on-channel, and the output measured at the drain pin of the MUX50x. Figure 35 shows the setup used to measure bandwidth of the mux. Use Equation 4 to compute the attenuation.
Figure 35. Bandwidth Measurement Setup

The total harmonic distortion (THD) of a signal is a measurement of the harmonic distortion, and is defined as the ratio of the sum of the powers of all harmonic components to the power of the fundamental frequency at the mux output. The on-resistance of the MUX50x varies with the amplitude of the input signal and results in distortion when the drain pin is connected to a low-impedance load. Total harmonic distortion plus noise is denoted as THD+N. Figure 36 shows the setup used to measure THD+N of the MUX50x.
Figure 36. THD+N Measurement Setup