SBOS918A March   2018  – January 2021 OPA197-Q1 , OPA2197-Q1 , OPA4197-Q1

PRODUCTION DATA  

  1. Features
  2. Applications
  3. Description
  4. Revision History
  5. Pin Configuration and Functions
  6. Specifications
    1. 6.1 Absolute Maximum Ratings
    2. 6.2 ESD Ratings
    3. 6.3 Recommended Operating Conditions
    4. 6.4 Thermal Information: OPA197-Q1
    5. 6.5 Thermal Information: OPA2197-Q1
    6. 6.6 Thermal Information: OPA4197-Q1
    7. 6.7 Electrical Characteristics: VS = ±4 V to ±18 V (VS = 8 V to 36 V)
    8. 6.8 Electrical Characteristics: VS = ±2.25 V to ±4 V (VS = 4.5 V to 8 V)
    9. 6.9 Typical Characteristics
  7. Detailed Description
    1. 7.1 Overview
    2. 7.2 Functional Block Diagram
    3. 7.3 Feature Description
      1. 7.3.1 Input Protection Circuitry
      2. 7.3.2 EMI Rejection
      3. 7.3.3 Phase Reversal Protection
      4. 7.3.4 Thermal Protection
      5. 7.3.5 Capacitive Load and Stability
      6. 7.3.6 Common-Mode Voltage Range
      7. 7.3.7 Electrical Overstress
      8. 7.3.8 Overload Recovery
    4. 7.4 Device Functional Modes
  8. Application and Implementation
    1. 8.1 Application Information
    2. 8.2 Typical Applications
      1. 8.2.1 16-Bit Precision Multiplexed Data-Acquisition System
        1. 8.2.1.1 Design Requirements
        2. 8.2.1.2 Detailed Design Procedure
        3. 8.2.1.3 Application Curve
      2. 8.2.2 Slew-Rate Limit for Input Protection
      3. 8.2.3 Precision Reference Buffer
  9. Power Supply Recommendations
  10. 10Layout
    1. 10.1 Layout Guidelines
    2. 10.2 Layout Examples
  11. 11Device and Documentation Support
    1. 11.1 Device Support
      1. 11.1.1 Development Support
        1. 11.1.1.1 TINA-TI™ Simulation Software (Free Download)
        2. 11.1.1.2 TI Precision Designs
    2. 11.2 Documentation Support
      1. 11.2.1 Related Documentation
    3. 11.3 Receiving Notification of Documentation Updates
    4. 11.4 Support Resources
    5. 11.5 Trademarks
    6. 11.6 Electrostatic Discharge Caution
    7. 11.7 Glossary
  12. 12Mechanical, Packaging, and Orderable Information

Package Options

Mechanical Data (Package|Pins)
Thermal pad, mechanical data (Package|Pins)
Orderable Information

Typical Characteristics

at TA = 25°C, VS = ±18 V, VCM = VS / 2, RLOAD = 10 kΩ connected to VS / 2, and CL = 100 pF, (unless otherwise noted)

Table 6-1 Table of Graphs
DESCRIPTIONFIGURE
Offset Voltage Production DistributionFigure 6-1 to Figure 6-6
Offset Voltage Drift DistributionFigure 6-7 to Figure 6-8
Offset Voltage vs TemperatureFigure 6-9
Offset Voltage vs Common-Mode VoltageFigure 6-10 to Figure 6-12
Offset Voltage vs Power SupplyFigure 6-13
Open-Loop Gain and Phase vs FrequencyFigure 6-14
Closed-Loop Gain and Phase vs FrequencyFigure 6-15
Input Bias Current vs Common-Mode VoltageFigure 6-16
Input Bias Current vs TemperatureFigure 6-17
Output Voltage Swing vs Output Current (maximum supply)Figure 6-18
CMRR and PSRR vs FrequencyFigure 6-19
CMRR vs TemperatureFigure 6-20
PSRR vs TemperatureFigure 6-21
0.1-Hz to 10-Hz NoiseFigure 6-22
Input Voltage Noise Spectral Density vs FrequencyFigure 6-23
THD+N Ratio vs FrequencyFigure 6-24
THD+N vs Output AmplitudeFigure 6-25
Quiescent Current vs Supply VoltageFigure 6-26
Quiescent Current vs TemperatureFigure 6-27
Open Loop Gain vs TemperatureFigure 6-28
Open Loop Output Impedance vs FrequencyFigure 6-29
Small Signal Overshoot vs Capacitive Load (100-mV Output Step)Figure 6-30, Figure 6-31
No Phase ReversalFigure 6-32
Positive Overload RecoveryFigure 6-33
Negative Overload RecoveryFigure 6-34
Small-Signal Step Response (100 mV)Figure 6-35, Figure 6-36
Large-Signal Step ResponseFigure 6-37
Settling TimeFigure 6-38 to Figure 6-41
Short-Circuit Current vs TemperatureFigure 6-42
Maximum Output Voltage vs FrequencyFigure 6-43
Propagation Delay Rising EdgeFigure 6-44
Propagation Delay Falling EdgeFigure 6-45
Crosstalk vs FrequencyFigure 6-46
GUID-E5E2E6F1-6071-40BF-A36D-24E7F7E6D658-low.gif
 
Figure 6-1 Offset Voltage Production Distribution at 25°C
GUID-5C025BF3-5076-4144-A031-AD16486AA6CC-low.gif
TA = 85°C
Figure 6-3 Offset Voltage Production Distribution at 85°C
GUID-12CDE73B-839F-4640-9DC3-7F7E9B7AFD19-low.gif
TA = –25°C
Figure 6-5 Offset Voltage Production Distribution at –25°C
GUID-EEDAC74D-1C2D-4A8A-A487-82DCED92B160-low.gif
TA = –40°C to +125°C
Figure 6-7 Offset Voltage Drift Distribution from
–40°C to +125°C
GUID-C7D0F37F-E48D-46C2-8172-D45A2961668F-low.gif
 
Figure 6-9 Offset Voltage vs Temperature
GUID-2EFABBD6-C58D-4127-8944-493619DF665E-low.gif
 
Figure 6-11 Offset Voltage vs Common-Mode Voltage
GUID-3F2CE07F-4C71-4414-B6FD-F9889347760A-low.gif
VS = ±2.25 V to ±18 V
Figure 6-13 Offset Voltage vs Power Supply
GUID-9AA10FB5-10F2-4C49-B8BF-C1FB8765C8A7-low.png
 
Figure 6-15 Closed-Loop Gain and Phase vs Frequency
GUID-931FDA08-E670-4068-BF30-34F127788AC7-low.png
 
Figure 6-17 Input Bias Current vs Temperature
GUID-89DAB53C-AA6C-4B66-AAAD-4A4C712C150E-low.png
 
Figure 6-19 CMRR and PSRR vs Frequency
GUID-44F67EB3-3DC8-4BF3-9B8A-F07294098BAB-low.gif
 
Figure 6-21 PSRR vs Temperature
GUID-7D6E28BE-F466-487F-8C5A-CBE2C859A53D-low.gif
 
Figure 6-23 Input Voltage Noise Spectral Density vs Frequency
GUID-912E2E49-F782-4A39-99B0-3F6AD78D664A-low.gif
f = 1 kHz, BW = 80 kHz
Figure 6-25 THD+N vs Output Amplitude
GUID-E3016880-E9FD-43D1-A290-3163AA2BB517-low.gif
 
Figure 6-27 Quiescent Current vs Temperature
GUID-78F9F1DB-F0AB-4A48-A1C3-693E31260064-low.png
 
Figure 6-29 Open-Loop Output Impedance vs Frequency
GUID-1C78AA73-4A98-44D2-88F9-BE91190E96C9-low.gif
G = 1
Figure 6-31 Small-Signal Overshoot vs Capacitive Load (100-mV Output Step)
GUID-64FF3F51-107B-4402-AA39-D8294310185A-low.gif
RI = 1 kΩRF = 10 kΩG = –10
Figure 6-33 Positive Overload Recovery
GUID-0D41E4E6-689A-495B-80F5-387B3ED3593A-low.gif
CL = 10 pFG = 1
Figure 6-35 Small-Signal Step Response (100 mV)
GUID-20DA4545-7A5F-4D7E-83A6-9866DCEE2AD4-low.gif
RL = 1 kΩ CL = 10 pF G = –1
 
Figure 6-37 Large-Signal Step Response
GUID-F6D3F8DF-0324-40A4-B15D-4969E089DD99-low.gif
G = 1
Figure 6-39 Settling Time (5-V Positive Step)
GUID-F6D3F8DF-0324-40A4-B15D-4969E089DD99-low.gif
G = 1
Figure 6-41 Settling Time (5-V Negative Step)
GUID-6220BD49-BC71-461D-AD5C-896202FE42F2-low.png
 
Figure 6-43 Maximum Output Voltage vs Frequency
GUID-8DEC3A60-5DBA-4816-B465-1EF00557F361-low.png
 
Figure 6-45 Propagation Delay Falling Edge
GUID-F5429745-50EB-4294-9F3C-FB193DD2F51C-low.gif
TA = 125°C
Figure 6-2 Offset Voltage Production Distribution at 125°C
GUID-47AA10E6-D966-4907-9047-C2714E0CFFE5-low.gif
TA = 0°C
Figure 6-4 Offset Voltage Production Distribution at 0°C
GUID-6DBD6568-1E04-4A84-A837-72DDCFB6FC68-low.gif
TA = –40° C
Figure 6-6 Offset Voltage Production Distribution at –40°C
GUID-44BC5F4D-5DA5-4C57-8235-34DEF07A4C1E-low.gif
TA = 0°C to 85°C
Figure 6-8 Offset Voltage Drift Distribution from 0°C to 85°C
GUID-FC0F8538-D97D-42F9-9DAF-51E502CEB4E7-low.gif
 
Figure 6-10 Offset Voltage vs Common-Mode Voltage
GUID-9D47B8FE-9F85-4781-B29A-8969AFB76F7E-low.gif
VS = ±2.25 V
Figure 6-12 Offset Voltage vs Common-Mode Voltage
GUID-53A754FD-4960-4C61-9EA3-BFCEA5144A31-low.gif
CLOAD = 15 pF
Figure 6-14 Open-Loop Gain and Phase vs Frequency
GUID-CD0AD2C6-AA87-484F-885B-68CEA35AD1C3-low.gif
 
Figure 6-16 Input Bias Current vs Common-Mode Voltage
GUID-23DF3BD1-9009-467D-B4B3-6A274AF9AD25-low.gif
 
Figure 6-18 Output Voltage Swing vs Output Current (Maximum Supply)
GUID-BDF76763-D1C7-4683-B081-81ABB555C86D-low.png
 
Figure 6-20 CMRR vs Temperature
GUID-D742058F-703C-49D5-81AE-D96A43EB550B-low.gif
 
Figure 6-22 0.1-Hz to 10-Hz Noise
GUID-DF76F018-A055-4E52-8DB7-B8741947E0BA-low.gif
VOUT = 3.5 VRMSBW = 80 kHz
Figure 6-24 THD+N Ratio vs Frequency
GUID-CAC0C2D2-A050-4098-9FE1-29A18E311968-low.gif
 
Figure 6-26 Quiescent Current vs Supply Voltage
GUID-62F9F437-060A-483D-A699-705705E5DF08-low.gif
RL = 10 kΩ
Figure 6-28 Open-Loop Gain vs Temperature
GUID-1AC7E65C-7B7E-4BFB-AAB1-89494062DA46-low.gif
RI = 1 kΩ RF = 1 kΩ G = –1
Figure 6-30 Small-Signal Overshoot vs Capacitive Load (100-mV Output Step)
GUID-B8168BDB-9DB1-4F9C-B63E-4BC4EB37F43B-low.gif
 
 
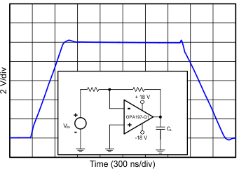
Figure 6-32 No Phase Reversal
GUID-5904F9C0-BC25-405E-B5CC-A02CB3C8B84E-low.gif
RI = 1 kΩG = –10RF = 10 kΩ
Figure 6-34 Negative Overload Recovery
GUID-3F441F22-881B-4A61-AF42-32C785A458CB-low.gif
RL = 1 kΩCL = 10 pFG = –1
Figure 6-36 Small-Signal Step Response (100 mV)
GUID-E441F28E-3B8A-4B92-A191-563C5BE7CDC7-low.gif
G = 1
Figure 6-38 Settling Time (10-V Positive Step)
GUID-E2E53D5C-34CB-4D51-ADF9-A8FC63352EDA-low.gif
G = 1
Figure 6-40 Settling Time (10-V Negative Step)
GUID-B739C84E-DD3F-4D51-A29C-D32116B896C3-low.gif
 
Figure 6-42 Short-Circuit Current vs Temperature
GUID-9551AE2F-E1C3-4EA4-8DEA-E002F41E1D34-low.png
 
Figure 6-44 Propagation Delay Rising Edge
GUID-CAA09B92-F4B5-4644-A429-B6B7C83355DA-low.gif
 
Figure 6-46 Crosstalk vs Frequency