SBAS448B October 2008 – August 2015 PCM1690
PRODUCTION DATA.
Refer to the PDF data sheet for device specific package drawings
NOTE
Information in the following applications sections is not part of the TI component specification, and TI does not warrant its accuracy or completeness. TI’s customers are responsible for determining suitability of components for their purposes. Customers should validate and test their design implementation to confirm system functionality.
ΔΣ DACs use noise-shaping techniques to improve in-band signal-to-noise ratio (SNR) performance at the expense of generating increased out-of-band noise above the Nyquist frequency, or fS/2. The out-of-band noise must be lowpass filtered in order to provide optimal converter performance. This filtering is accomplished by a combination of on-chip and external lowpass filters.
Figure 39 and Figure 40 show the recommended external differential-to-single-ended converter with lowpass active filter circuits for AC-coupled and DC-coupled applications. These circuits are second-order Butterworth filters using a multiple feedback (MFB) circuit arrangement that reduces sensitivity to passive component variations over frequency and temperature. For more information regarding MFB active filter designs, please refer to Applications Bulletin SBAA055, Dynamic Performance Testing of Digital Audio D/A Converters, available from the TI web site (www.ti.com) or the local Texas Instruments' sales office.
Because the overall system performance is defined by the quality of the DACs and the associated analog output circuitry, high-quality audio op amps are recommended for the active filters. Texas Instruments’ OPA2134, OPA2353, and NE5532A dual op amps are shown in Figure 39 and Figure 40, and are recommended for use with the PCM1690.


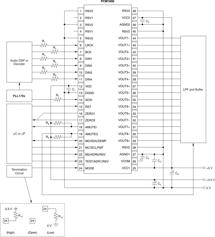
A basic connection diagram is shown in Figure 41, with the necessary power-supply bypassing and decoupling components. Texas Instruments’ PLL170X is used to generate the system clock input at SCKI, as well as to generate the clock for the audio signal processor. The use of series resistors (22 Ω to 100 Ω) are recommended for SCKI, LRCK, BCK, DIN1, DIN2, DIN3, and DIN4 for electromagnetic interference (EMI) reduction.

There are 3 ways to control the PCM1690, hardware control, SPI, or I2C. Hardware control will provide a limited access to control features available in the PCM1690 but can be implemented with pull up and pull downs, or with GPIO of a microcontroller. Control via SPI or I2C will provide access to all control registers and features but will require a digital device that can implement SPI or I2C.
For Audio Input there are 3 options, PCM serial data, TDM, or DSP. All three will support the same quality of audio data, but having these 3 options to match the audio sources available outputs allows for greater flexibility. This selection is made by configuring the MODE pin which is detailed in Table 6 and shown in Pin Functions.
The output of the PCM1690 will produce a differential (1.6 × VCC1) Vpp signal at full scale into a 5-kΩ load, that must be filtered before being sent to an amplifier. Outputs Vout1 through Vout 8 will be biased at (0.5 × VCC1) V.
The master clock can come from wither a dedicated IC such as the PLL170X series, a crystal or the audio source IC. What is important is that the audio source and the PCM1690 are driven from the same source so that the audio clocks will be synchronous.
Figure 42. Frequency Response