SCLS309E January   1996  – March 2022 SN54HC367 , SN74HC367

PRODUCTION DATA  

  1. Features
  2. Description
  3. Revision History
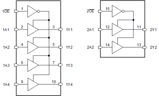
  4. Pin Configuration and Functions
  5. Specifications
    1. 5.1 Absolute Maximum Ratings
    2. 5.2 Recommended Operating Conditions (1)
    3. 5.3 Thermal Information
    4. 5.4 Electrical Characteristics
    5. 5.5 Switching Characteristics
    6. 5.6 Operating Characteristics
  6. Parameter Measurement Information
  7. Detailed Description
    1. 7.1 Overview
    2. 7.2 Functional Block Diagram
    3. 7.3 Device Functional Modes
  8. Power Supply Recommendations
  9. Layout
    1. 9.1 Layout Guidelines
  10. 10Device and Documentation Support
    1. 10.1 Documentation Support
      1. 10.1.1 Related Documentation
    2. 10.2 Receiving Notification of Documentation Updates
    3. 10.3 Support Resources
    4. 10.4 Trademarks
    5. 10.5 Electrostatic Discharge Caution
    6. 10.6 Glossary
  11. 11Mechanical, Packaging, and Orderable Information

Package Options

Refer to the PDF data sheet for device specific package drawings

Mechanical Data (Package|Pins)
  • J|16
Thermal pad, mechanical data (Package|Pins)
Orderable Information

Description

The SNx4HC367 is a hex buffer with 3-state outputs. The device is configured into two banks, one with four drivers and one with two drivers, each controlled by its own output enable pin.

Device Information
PART NUMBER PACKAGE(1) BODY SIZE (NOM)
SN54HC367J CDIP (16) 24.38 mm × 6.92 mm
SN74HC367D SOIC (16) 9.90 mm × 3.90 mm
SN74HC367N PDIP (16) 19.31 mm × 6.35 mm
SN74HC367NS SO (16) 6.20 mm × 5.30 mm
SN74HC367PW TSSOP (16) 5.00 mm × 4.40 mm
For all available packages, see the orderable addendum at the end of the data sheet.
GUID-20220211-SS0I-LXCD-HFMS-QGXTMGBG2VMH-low.gif Functional Block Diagram