SCAS416Q March   1994  – September 2016 SN74ALVC164245

PRODUCTION DATA.  

  1. Features
  2. Applications
  3. Description
  4. Revision History
  5. Pin Configuration and Functions
  6. Specifications
    1. 6.1  Absolute Maximum Ratings
    2. 6.2  ESD Ratings
    3. 6.3  Recommended Operating Conditions: VCCB at 3.3 V
    4. 6.4  Recommended Operating Conditions: VCCA at 2.5 V
    5. 6.5  Thermal Information
    6. 6.6  Electrical Characteristics: VCCA = 2.7 V to 3.6 V
    7. 6.7  Electrical Characteristics: VCCA = 2.3 V to 2.7 V
    8. 6.8  Switching Characteristics
    9. 6.9  Operating Characteristics
    10. 6.10 Typical Characteristics
  7. Parameter Measurement Information
    1. 7.1 VCCA = 2.5 V ± 0.2 V to VCCB = 3.3 V ± 0.3 V
    2. 7.2 VCCB = 3.3 V ± 0.3 V to VCCA = 2.5 V ± 0.2 V
    3. 7.3 VCCA = 3.3 V ± 0.3 V to VCCB = 5 V ± 0.5 V
    4. 7.4 VCCB = 5 V ± 0.5 V to VCCA = 2.7 V and 3.3 V ± 0.3 V
  8. Detailed Description
    1. 8.1 Overview
    2. 8.2 Functional Block Diagram
    3. 8.3 Feature Description
    4. 8.4 Device Functional Modes
  9. Application and Implementation
    1. 9.1 Application Information
    2. 9.2 Typical Application
      1. 9.2.1 Design Requirements
      2. 9.2.2 Detailed Design Procedure
      3. 9.2.3 Application Curve
  10. 10Power Supply Recommendations
  11. 11Layout
    1. 11.1 Layout Guidelines
    2. 11.2 Layout Example
  12. 12Device and Documentation Support
    1. 12.1 Documentation Support
      1. 12.1.1 Related Documentation
    2. 12.2 Receiving Notification of Documentation Updates
    3. 12.3 Community Resource
    4. 12.4 Trademarks
    5. 12.5 Electrostatic Discharge Caution
    6. 12.6 Glossary
  13. 13Mechanical, Packaging, and Orderable Information

Package Options

Mechanical Data (Package|Pins)
Thermal pad, mechanical data (Package|Pins)
Orderable Information

9 Application and Implementation

NOTE

Information in the following applications sections is not part of the TI component specification, and TI does not warrant its accuracy or completeness. TI’s customers are responsible for determining suitability of components for their purposes. Customers should validate and test their design implementation to confirm system functionality.

9.1 Application Information

The SN74ALVC16245 device is a 16-bit bidirectional transceiver. This device can be used as two 8-bit transceivers or one 16-bit transceiver. It allows data transmission from the A bus to the B bus or from the B bus to the A bus, depending on the logic level at the direction-control (DIR) input. The output-enable (OE) input can be used to disable the device so that the buses are effectively isolated. This allows it to be used in multi-power systems and for down translation as well.

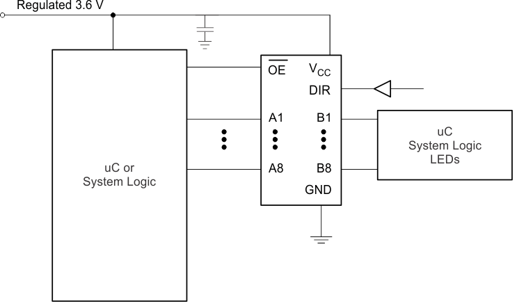
9.2 Typical Application

SN74ALVC164245 app_sche_ces062.gif Figure 7. Typical Application Schematic

9.2.1 Design Requirements

This device uses CMOS technology and has balanced output drive. Take care to avoid bus contention because it can drive currents that would exceed maximum limits. The high drive also creates fast edges into light loads; therefore, routing and load conditions must be considered to prevent ringing.

9.2.2 Detailed Design Procedure

  1. Recommended Input Conditions
  2. Recommend Output Conditions
    • Load currents should not exceed 50 mA per output and 100 mA total for the part.
    • Outputs should not be pulled above VCC.

9.2.3 Application Curve

SN74ALVC164245 Vol_Iol.gif
Figure 8. VOH vs IOH