SCDS135E September   2003  – December 2024 SN74CB3Q3257

PRODUCTION DATA  

  1.   1
  2. 1Features
  3. 2Applications
  4. 3Description
  5. 4Pin Configuration and Functions
  6. 5Specifications
    1. 5.1 Absolute Maximum Ratings
    2. 5.2 ESD Ratings
    3. 5.3 Recommended Operating Conditions
    4. 5.4 Thermal Information
    5. 5.5 Electrical Characteristics
    6. 5.6 Switching Characteristics, VCC = 2.5V
    7. 5.7 Switching Characteristics, VCC = 3.3V
    8. 5.8 Typical Characteristics
  7.   Parameter Measurement Information
  8. 6Detailed Description
    1. 6.1 Overview
    2. 6.2 Functional Block Diagram
    3. 6.3 Feature Description
    4. 6.4 Device Functional Modes
  9.   Application and Implementation
    1. 7.1 Application Information
    2. 7.2 Typical Application
      1. 7.2.1 Design Requirements
      2. 7.2.2 Detailed Design Procedure
      3. 7.2.3 Application Curve
    3.     Power Supply Recommendations
    4. 7.3 Layout
      1. 7.3.1 Layout Guidelines
      2. 7.3.2 Layout Example
  10. 7Device and Documentation Support
    1. 7.1 Documentation Support
      1. 7.1.1 Related Documentation
    2. 7.2 Receiving Notification of Documentation Updates
    3. 7.3 Support Resources
    4. 7.4 Trademarks
    5. 7.5 Electrostatic Discharge Caution
    6. 7.6 Glossary
  11. 8Revision History
  12. 9Mechanical, Packaging, and Orderable Information

Package Options

Refer to the PDF data sheet for device specific package drawings

Mechanical Data (Package|Pins)
  • PW|16
  • DBQ|16
  • RGY|16
  • DGV|16
Thermal pad, mechanical data (Package|Pins)
Orderable Information

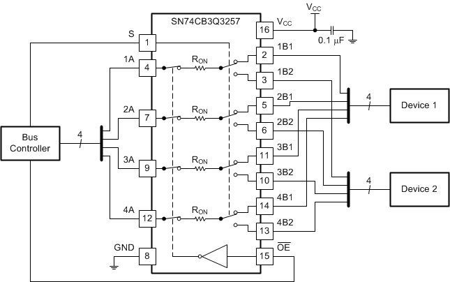
Typical Application

SN74CB3Q3257 Typical
                    Application of the SN74CB3Q3257 Figure 7-1 Typical Application of the SN74CB3Q3257