SCLS554E January   2004  – January 2025 SN74HC4851-Q1

PRODUCTION DATA  

  1.   1
  2. Features
  3. Applications
  4. Description
  5. Pin Configuration and Functions
  6. Specifications
    1. 5.1 Absolute Maximum Ratings
    2. 5.2 Thermal Information: SN74HC485x-Q1
    3. 5.3 Recommended Operating Conditions
    4. 5.4 Electrical Characteristics
    5. 5.5 Timing Characteristics
    6. 5.6 Injection Current Coupling
  7. Parameter Measurement Information
  8. Detailed Description
    1. 7.1 Functional Block Diagram
  9. Application and Implementation
    1. 8.1 Application Information
  10. Device and Documentation Support
    1. 9.1 Receiving Notification of Documentation Updates
    2. 9.2 Support Resources
    3. 9.3 Trademarks
    4. 9.4 Electrostatic Discharge Caution
    5. 9.5 Glossary
  11. 10Revision History
  12. 11Mechanical, Packaging, and Orderable Information

Package Options

Refer to the PDF data sheet for device specific package drawings

Mechanical Data (Package|Pins)
  • PW|16
  • D|16
Thermal pad, mechanical data (Package|Pins)
Orderable Information

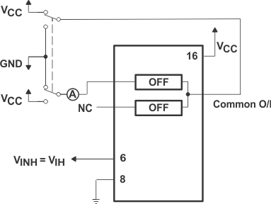
Parameter Measurement Information

SN74HC4851-Q1 On-State-Resistance Test CircuitFigure 6-1 On-State-Resistance Test Circuit
SN74HC4851-Q1 Maximum Off-Channel Leakage Current, Any One Channel, Test SetupFigure 6-2 Maximum Off-Channel Leakage Current, Any One Channel, Test Setup
SN74HC4851-Q1 Maximum Off-Channel Leakage Current, Common Channel, Test SetupFigure 6-3 Maximum Off-Channel Leakage Current, Common Channel, Test Setup
SN74HC4851-Q1 Propagation Delays, Channel Select to Analog OutFigure 6-5 Propagation Delays, Channel Select to Analog Out
SN74HC4851-Q1 Propagation Delays, Analog In to Analog OutFigure 6-7 Propagation Delays, Analog In to Analog Out
SN74HC4851-Q1 Propagation Delays, Enable to Analog OutFigure 6-9 Propagation Delays, Enable to Analog Out
SN74HC4851-Q1 Power-Dissipation Capacitance Test SetupFigure 6-11 Power-Dissipation Capacitance Test Setup
SN74HC4851-Q1 Maximum On-Channel Leakage Current, Channel To Channel, Test SetupFigure 6-4 Maximum On-Channel Leakage Current, Channel To Channel, Test Setup
SN74HC4851-Q1 Propagation-Delay Test Setup, Channel Select to Analog OutFigure 6-6 Propagation-Delay Test Setup, Channel Select to Analog Out
SN74HC4851-Q1 Propagation-Delay Test Setup, Analog In to Analog OutFigure 6-8 Propagation-Delay Test Setup, Analog In to Analog Out
SN74HC4851-Q1 Propagation-Delay Test Setup, Enable to Analog OutFigure 6-10 Propagation-Delay Test Setup, Enable to Analog Out