SLLSET1B January   2016  â€“ February 2017 SN75LVPE802

PRODUCTION DATA.  

  1. Features
  2. Applications
  3. Description
  4. Revision History
  5. Description (continued)
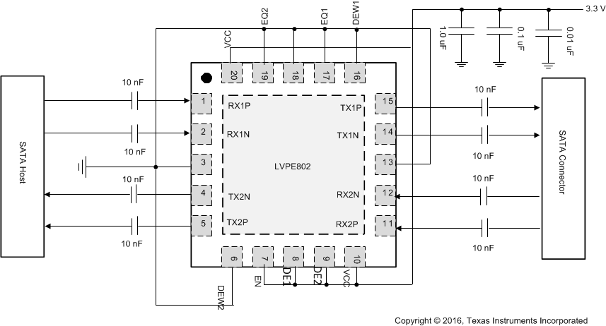
  6. Pin Configuration and Functions
  7. Specifications
    1. 7.1 Absolute Maximum Ratings
    2. 7.2 ESD Ratings
    3. 7.3 Recommended Operating Conditions
    4. 7.4 Thermal Information
    5. 7.5 Electrical Characteristics
    6. 7.6 Timing Requirements
    7. 7.7 Switching Characteristics
    8. 7.8 Typical Characteristics
      1. 7.8.1 Jitter and VOD results: Case 1 at 6 Gbps
      2. 7.8.2 Jitter and VOD Results: Case 2 at 3 Gbps
      3. 7.8.3 Jitter and VOD Results: Case 3 at 1.5 Gbps
      4. 7.8.4 Jitter and VOD Results: Case 4 at 8 Gbps
  8. Detailed Description
    1. 8.1 Overview
    2. 8.2 Functional Block Diagram
    3. 8.3 Feature Description
      1. 8.3.1  SATA Express
      2. 8.3.2  Receiver Termination
      3. 8.3.3  Receiver Internal Bias
      4. 8.3.4  Input Equalization
      5. 8.3.5  OOB/Squelch
      6. 8.3.6  Auto Low Power
      7. 8.3.7  Transmitter Output Signal
      8. 8.3.8  Transmitter Common Mode
      9. 8.3.9  De-Emphasis
      10. 8.3.10 Transmitter Termination
    4. 8.4 Device Functional Modes
      1. 8.4.1 Low-Power Mode
  9. Application and Implementation
    1. 9.1 Application Information
    2. 9.2 Typical SATA Application
      1. 9.2.1 Design Requirements
      2. 9.2.2 Detailed Design Procedure
        1. 9.2.2.1 Equalization Configuration
      3. 9.2.3 De-emphasis Configuration
      4. 9.2.4 Application Curves
        1. 9.2.4.1 SN75LVPE802 Equalization Settings for Various Input Trace Length
        2. 9.2.4.2 SN75LVCP802 De-emphasis Settings For various Output Trace Lengths
    3. 9.3 SATA Express Applications
      1. 9.3.1 Detailed Design Procedure
      2. 9.3.2 PCIe Applications
  10. 10Power Supply Recommendations
  11. 11Layout
    1. 11.1 Layout Guidelines
    2. 11.2 Layout Example
  12. 12Device and Documentation Support
    1. 12.1 Receiving Notification of Documentation Updates
    2. 12.2 Community Resources
    3. 12.3 Trademarks
    4. 12.4 Electrostatic Discharge Caution
    5. 12.5 Glossary
  13. 13Mechanical, Packaging, and Orderable Information

Package Options

Refer to the PDF data sheet for device specific package drawings

Mechanical Data (Package|Pins)
  • RTJ|20
Thermal pad, mechanical data (Package|Pins)
Orderable Information

Application and Implementation

NOTE

Information in the following applications sections is not part of the TI component specification, and TI does not warrant its accuracy or completeness. TI’s customers are responsible for determining suitability of components for their purposes. Customers should validate and test their design implementation to confirm system functionality.

Application Information

The SN75LVPE802 can be used for SATA applications as well as SATA Express applications. The device supports SATA Gen1, Gen2, and Gen3 applications with data rates from 1.5 to 6 Gbps. The built-in equalization circuits provide up to 13 dB of equalization at 3 GHz. This equalization can support SATA GEN2 (3 Gbps) applications over up to 50 inches of FR-4 material. The same 13 dB equalizer is suited to SATA Gen3 (6 Gbps) applications up to 40 inches of FR4.

In addition to SATA applications, the SN75LVPE802 can support SATA Express applications. SATA Express provides a standardized interface to support both SATA (Gen1, Gen2, and Gen3) and PCI Express (PCIe 1, 2 and 3).

All applications of the SN75LVPE802 share some common applications issues. For example, power supply filtering, board layout, and equalization performance with varying interconnect losses. Other applications issues are specific, such as implementing receiver detection for SATA Express applications. The Typical Application examples demonstrate common implementations of the SN75LVPE802 supporting SATA, as well as SATA Express applications.

Typical SATA Application

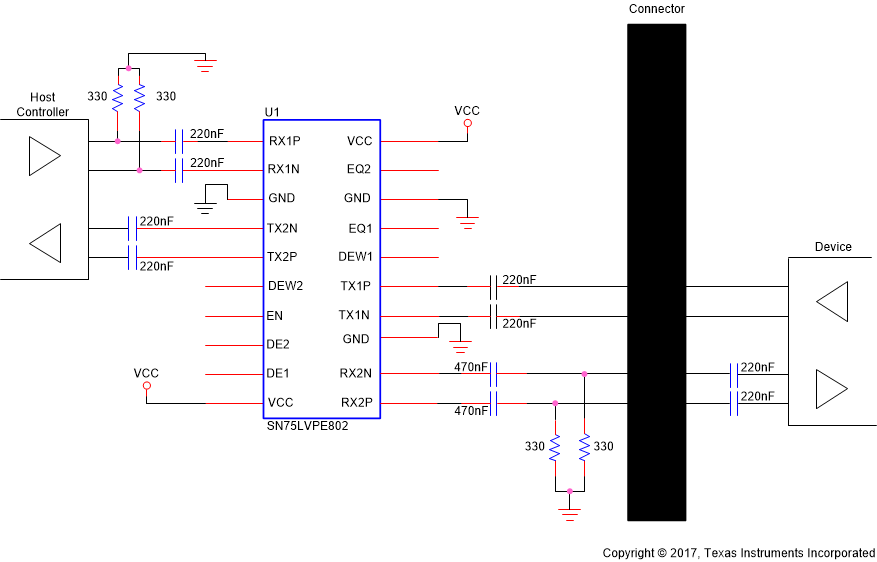
This typical application describes how to configure the EQ, DE, and DEW configuration pins of the SN75LVPE802 device based on board trace length between the SATA Host and the SN75LVPE802 and the SN75LVPE802 and SATA Device. Actual configuration settings may differ due to additional factors such as board layout, trace widths, and connectors used in the signal path.

SN75LVPE802 Figure_8_1_Typical_Device_Implement.gif
Place supply caps close to device pin
EN can be left open or tied to supply when no external control is implemented
Output de-emphasis selection is set at -3 dB, EQ at 7 dB and DE width for SATA I/II/III operation for both channels.
Actual EQ/DE/DE width settings will depend on device placement relative to host and SATA connector.
Figure 25. Typical Device Implementation

Design Requirements

Typically, system trace length from the SATA host to the SN75LVPE802 device and trace length from the SN75LVPE802 device to a SATA device differ and require different equalization and de-emphasis settings for the host side and device side.

For example:

  • A system with a 6-inch trace from the SN75LVPE802 device to a SATA host may set EQ1 (Rx1±) to 7 dB, and DE2 (Tx2±) to –2 dB and DEW2 (Tx2±) to long pulse duration.
  • The same system with a 1-inch trace from the SN75LVPE802 device to a SATA HDD may set EQ2 (Rx2±) to 0 dB, and DE1 (Tx1±) to 0 dB and DEW1 (Tx1±) to short pulse duration.

Refer to   Application Curves for recommended EQ, DE and DEW settings based on trace length. It is highly recommended to add both pullup- and pulldown-resistor options in the layout to fine-tune the settings if needed. Input Signal Characteristics:

  • Data Rate: 6 Gbps
  • Pattern: PRBS7
  • No pre-emphasis
  • Signal amplitude: 500 mVpp
  • 18-inch SMA cable from test equipment to input and output trace

SN75LVPE802 Figure_8_2_Measurement_Set_up.gif Figure 26. Measurement Set-up

Detailed Design Procedure

Equalization Configuration

Each differential input of the SN75LVPE802 device has programmable equalization in the front stage. The equalization setting is shown in Table 1. The input equalizer is designed to recover a signal even when no eye is present at the receiver and effectively supports FR4 trace input from 3 inches to greater than 24 inches at SATA 6 Gbps speed.

De-emphasis Configuration

The SN75LVPE802 device provides the de-emphasis settings shown in Table 1 and Table 2. TX and Rx EQ and DE Pulse-Duration Settings. De-emphasis is controlled independently for each channel and is set by the DE1, DE2, DEW1 and DEW2 pins of the SN75LVPE802 device.

Application Curves

Typical application curves correspond to SATA application at 6 Gbps.

SN75LVPE802 Equalization Settings for Various Input Trace Length

SN75LVPE802 Figure_8_3_Input_Eye_(TP2).gif
Input Trace Length = 3 in.
EQ1, EQ2 Setting = NC (0 dB)
Figure 27. Input Eye (TP2)
SN75LVPE802 Figure_8_5_Input_Eye_(TP2).gif
Input Trace Length = 6 in.
EQ1, EQ2 Setting = 0 (7 dB)
Figure 29. Input Eye (TP2)
SN75LVPE802 Figure_8_7_Input_Eye_(TP2).gif
Input Trace Length = 12 in.
EQ1, EQ2 Setting = 0 (7 dB)
Figure 31. Input Eye (TP2)
SN75LVPE802 Figure_8_9_Input_Eye_(TP2).gif
Input Trace Length = 24 in.
EQ1, EQ2 Setting = 0 (7 dB)
Figure 33. Input Eye (TP2)
SN75LVPE802 Figure_8_13_Input_Eye_(TP2).gif
Input Trace Length = 36 in.
EQ1, EQ2 Setting = 1 (14 dB)
Figure 35. Input Eye (TP2)
SN75LVPE802 Figure_8_13_Input_Eye_(TP2).gif
Input Trace Length = 48 in.
EQ1, EQ2 Setting = 1 (14 dB)
Figure 37. Input Eye (TP2)
SN75LVPE802 Figure_8_4_Output_Eye_(TP4).gif
Input Trace Length = 3 in.
EQ1, EQ2 Setting = NC (0 dB)
Figure 28. Output Eye (TP4)
SN75LVPE802 Figure_8_6_Output_Eye_(TP4).gif
Input Trace Length = 6 in.
EQ1, EQ2 Setting = 0 (7 dB)
Figure 30. Output Eye (TP4)
SN75LVPE802 Figure_8_8_Output_Eye_(TP4).gif
Input Trace Length = 12 in.
EQ1, EQ2 Setting = 0 (7 dB)
Figure 32. Output Eye (TP4)
SN75LVPE802 Figure_8_10_Output_Eye_(TP4).gif
Input Trace Length = 24 in.
EQ1, EQ2 Setting = 0 (7 dB)
Figure 34. Output Eye (TP4)
SN75LVPE802 Figure_8_12_Output_Eye_(TP4).gif
Input Trace Length = 36 in.
EQ1, EQ2 Setting = 1 (14 dB)
Figure 36. Output Eye (TP4)
SN75LVPE802 Figure_8_14_Output_Eye_(TP4).gif
Input Trace Length = 48 in.
EQ1, EQ2 Setting = 1 (14 dB)
Figure 38. Output Eye (TP4)

SN75LVCP802 De-emphasis Settings For various Output Trace Lengths

SN75LVPE802 Figure_8_15_Output_eye_(TP4).gif
Output Trace Length = 0 in. DE, DE2 Setting = 0 (0 dB)
DEW1, DEW2 Setting = 0 (Short pulse duration)
Figure 39. Output Eye (TP4)
SN75LVPE802 Figure_8_17_Output_Eye_(TP4).gif
Output Trace Length = 6 in. DE, DE2 Setting = 1 (-2 dB)
DEW1, DEW2 Setting = 1 (Long pulse duration)
Figure 41. Output Eye (TP4)
SN75LVPE802 Figure_8_19_Output_Eye_(TP4).gif
Output Trace Length = 12 in. DE, DE2 Setting = NC (-4 dB)
DEW1, DEW2 Setting = 1 (Long pulse duration)
Figure 43. Output Eye (TP4)
SN75LVPE802 Figure_8_16_Output_Eye_(TP4).gif
Output Trace Length = 3 in. DE, DE2 Setting = 0 (0 dB)
DEW1, DEW2 Setting = 0 (Short pulse duration)
Figure 40. Output Eye (TP4)
SN75LVPE802 Figure_8_18_Output_Eye_(TP4).gif
Output Trace Length = 12 in. DE, DE2 Setting = 1 (-2 dB)
DEW1, DEW2 Setting = 1 (Long pulse duration)
Figure 42. Output Eye (TP4)

SATA Express Applications

SN75LVPE802 satae_schematic.gif Figure 44. SATAe Reference Schematic

Detailed Design Procedure

Figure 44 is a reference schematic of a SATAe implementation using the SN75LVPE802. With a SATAe design, both SATA and PCI Express must be supported. SATAe supports both cabled and direct connections. Using a cabled application as an example, the SATAe power connector includes an Interface Detect (IFDet, power connector pin P4) signal that indicates whether a SATA client or a PCIe client is connected.

When the SATAe host determines that a PCIe client is connected, the SATAe host performs receiver detection. Receiver detection determines the presence of a client by detecting the load impedance. The transmitter performs a common mode voltage shift, and measures the rate at which the voltage at the transmitter output changes. The rate of change indicates if a client is present (fast charging when a low impedance load is present, or slow charging when the load is open or high impedance). With the implementation in Figure 44, 330-Ω pulldowns have been inserted between the host and the SN75LVPE802. The pulldown resistors indicate to the host that a client is present. While an actual client would be expected to have an active load of 50 Ω single ended, the 330 Ω is chosen here to meet two requirements. The 330 Ω is low enough to force the SATAe host to decide that a receiver is present, while also high enough to only marginally affect the load when the SN75LVPE802 is active, and presenting a 50-Ω load. With the 50 Ω and 330 Ω are both present, the parallel combination of 43 Ω is satisfactory for most applications.

Assuming that the SATAe host has detected (via IFDet) that a SATA client is present, the SATAe host communicates with the client via the SN75LVPE802. The SATA standard does not have a receiver detection mode as is present in PCIe. A SATA host does use OOB signaling to communicate identification information. The SN75LVPE802 incorporates an OOB detector in order to support OOB signaling through the device. The OOB detector drives a squelch circuit on the SN75LVPE802 output transmitter. (See OOB/Squelch for more details on the OOB/Squelch circuitry.)

Returning to Figure 44, there is a 200-nF AC coupling capacitors on the device or client side of the interface. These capacitors allow interfacing to both SATA and PCIe clients. In the case of a PCIe client, the 200 nF is within the acceptable range for all PCIe devices. When a SATA client is present, the 200 nF capacitor has little effect on the overall link, as it appears in series with the 12-nF (max) AC coupling capacitor incorporated into the SATA client. The 200 nF in series with the 12 nF presents an effective capacitance of 11.3 nF, as expected less than the 12-nF maximum permitted.

PCIe Applications

PCIe-only applications are implemented in a manner very similar to SATA Express applications as covered in Detailed Design Procedure. Looking at Figure 45 and comparing it to the SATA Express application in Figure 8 20 SATAe Reference Schematic, a single change is noted. For PCIe applications the 220 nF AC-coupling capacitors on the Host-to-Device link are relocated from the Device side of the connector to the Host side. No other changes are required.

SN75LVPE802 pcie_schematic.gif Figure 45. SN75LVPE802 PCIe Reference Schematic