SLLSFS8A March   2023  – November 2023 TCAN3413 , TCAN3414

PRODUCTION DATA  

  1.   1
  2. Features
  3. Applications
  4. Description
  5. Pin Configuration and Functions
  6. Specifications
    1. 5.1  Absolute Maximum Ratings
    2. 5.2  ESD Ratings
    3. 5.3  ESD Ratings, IEC Transients
    4. 5.4  Recommended Operating Conditions
    5. 5.5  Thermal Characteristics
    6. 5.6  Supply Characteristics
    7. 5.7  Dissipation Ratings
    8. 5.8  Electrical Characteristics
    9. 5.9  Switching Characteristics
    10. 5.10 Typical Characteristics
  7. Parameter Measurement Information
  8. Detailed Description
    1. 7.1 Overview
    2. 7.2 Functional Block Diagram
    3. 7.3 Feature Description
      1. 7.3.1 Pin Descripton
        1. 7.3.1.1 TXD
        2. 7.3.1.2 GND
        3. 7.3.1.3 VCC
        4. 7.3.1.4 RXD
        5. 7.3.1.5 VIO (TCAN3413 only)
        6. 7.3.1.6 CANH and CANL
        7. 7.3.1.7 STB (Standby)
        8. 7.3.1.8 SHDN (Shutdown)
      2. 7.3.2 CAN Bus States
      3. 7.3.3 TXD Dominant Timeout (DTO)
      4. 7.3.4 CAN Bus short-circuit current limiting
      5. 7.3.5 Thermal Shutdown (TSD)
      6. 7.3.6 Undervoltage Lockout
      7. 7.3.7 Unpowered Device
      8. 7.3.8 Floating pins
    4. 7.4 Device Functional Modes
      1. 7.4.1 Operating Modes
      2. 7.4.2 Normal Mode
      3. 7.4.3 Standby Mode
        1. 7.4.3.1 Remote Wake Request via Wake-Up Pattern (WUP) in Standby Mode
      4. 7.4.4 Shutdown Mode
      5. 7.4.5 Driver and Receiver Function
  9. Application and Implementation
    1. 8.1 Application Information
    2. 8.2 Typical Application
      1. 8.2.1 Design Requirements
        1. 8.2.1.1 CAN Termination
      2. 8.2.2 Detailed Design Procedures
        1. 8.2.2.1 Bus Loading, Length and Number of Nodes
      3. 8.2.3 Application Curves
    3. 8.3 System Examples
      1. 8.3.1 ISO 11898-2 Compatibility of TCAN341x Family of 3.3-V CAN Transceivers
        1. 8.3.1.1 Introduction
        2. 8.3.1.2 Differential Signal
        3. 8.3.1.3 Common-Mode Signal
        4. 8.3.1.4 Interoperability of 3.3-V CAN in 5-V CAN Systems
    4. 8.4 Power Supply Recommendations
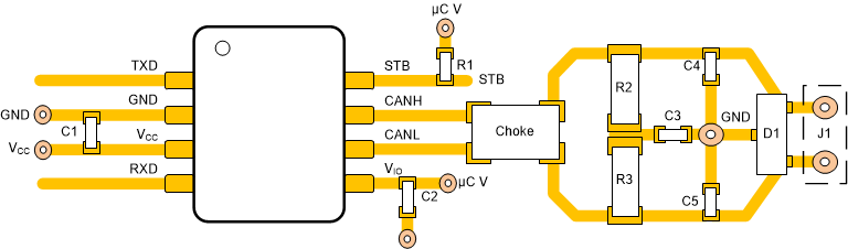
    5. 8.5 Layout
      1. 8.5.1 Layout Guidelines
      2. 8.5.2 Layout Example
  10. Device and Documentation Support
    1. 9.1 Receiving Notification of Documentation Updates
    2. 9.2 Support Resources
    3. 9.3 Trademarks
    4. 9.4 Electrostatic Discharge Caution
    5. 9.5 Glossary
  11. 10Revision History
  12. 11Mechanical, Packaging, and Orderable Information

Package Options

Mechanical Data (Package|Pins)
Thermal pad, mechanical data (Package|Pins)
Orderable Information

Layout Example

GUID-8146373A-C651-4A11-B775-B061545788A2-low.gifFigure 8-8 Layout Example