SBOS752A February   2016  – September 2016 TLV2316 , TLV316 , TLV4316

PRODUCTION DATA.  

  1. Features
  2. Applications
  3. Description
  4. Revision History
  5. Device Comparison Table
  6. Pin Configuration and Functions
  7. Specifications
    1. 7.1 Absolute Maximum Ratings
    2. 7.2 ESD Ratings
    3. 7.3 Recommended Operating Conditions
    4. 7.4 Thermal Information: TLV316
    5. 7.5 Thermal Information: TLV2316
    6. 7.6 Thermal Information: TLV4316
    7. 7.7 Electrical Characteristics
    8. 7.8 Typical Characteristics
    9. 7.9 Typical Characteristics
  8. Detailed Description
    1. 8.1 Overview
    2. 8.2 Functional Block Diagram
    3. 8.3 Feature Description
      1. 8.3.1 Operating Voltage
      2. 8.3.2 Rail-to-Rail Input
      3. 8.3.3 Rail-to-Rail Output
      4. 8.3.4 Common-Mode Rejection Ratio (CMRR)
      5. 8.3.5 Capacitive Load and Stability
      6. 8.3.6 EMI Susceptibility and Input Filtering
      7. 8.3.7 Overload Recovery
    4. 8.4 Device Functional Modes
  9. Application and Implementation
    1. 9.1 Application Information
    2. 9.2 System Examples
  10. 10Power Supply Recommendations
    1. 10.1 Input and ESD Protection
  11. 11Layout
    1. 11.1 Layout Guidelines
    2. 11.2 Layout Example
  12. 12Device and Documentation Support
    1. 12.1 Documentation Support
      1. 12.1.1 Related Documentation
    2. 12.2 Related Links
    3. 12.3 Community Resources
    4. 12.4 Trademarks
    5. 12.5 Electrostatic Discharge Caution
    6. 12.6 Glossary
  13. 13Mechanical, Packaging, and Orderable Information

Package Options

Mechanical Data (Package|Pins)
Thermal pad, mechanical data (Package|Pins)
Orderable Information

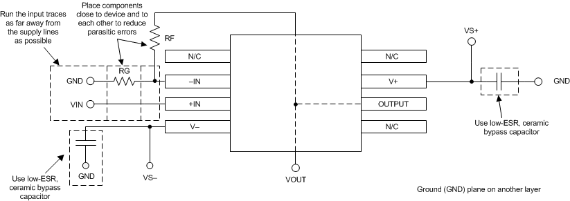
11 Layout

11.1 Layout Guidelines

For best operational performance of the device, use good PCB layout practices, including:

  • Noise can propagate into analog circuitry through the power pins of the circuit as a whole and the operational amplifier. Bypass capacitors reduce the coupled noise by providing low-impedance power sources local to the analog circuitry.
    • Connect low-ESR, 0.1-µF ceramic bypass capacitors between each supply pin and ground, placed as close to the device as possible. A single bypass capacitor from V+ to ground is applicable for single-supply applications.
  • Separate grounding for analog and digital portions of the circuitry is one of the simplest and most effective methods of noise suppression. One or more layers on multilayer PCBs are typically devoted to ground planes. A ground plane helps distribute heat and reduces EMI noise pickup. Take care to physically separate digital and analog grounds, paying attention to the flow of the ground current. For more detailed information, see , Circuit Board Layout Techniques (SLOA089).
  • To reduce parasitic coupling, run the input traces as far away from the supply or output traces as possible. If these traces cannot be kept separate, crossing the sensitive trace perpendicularly is much better than crossing in parallel with the noisy trace.
  • Place the external components as close to the device as possible. Keeping RF and RG close to the inverting input minimizes parasitic capacitance, as shown in Layout Example.
  • Keep the length of input traces as short as possible. Remember that the input traces are the most sensitive part of the circuit.
  • Consider a driven, low-impedance guard ring around the critical traces. A guard ring can significantly reduce leakage currents from nearby traces that are at different potentials.

11.2 Layout Example

TLV316 TLV2316 TLV4316 layout_example_bos620.gif Figure 18. Operational Amplifier Board Layout for a Noninverting Configuration