SLAS663C August 2009 – June 2016 TLV320AIC3106-Q1
PRODUCTION DATA.
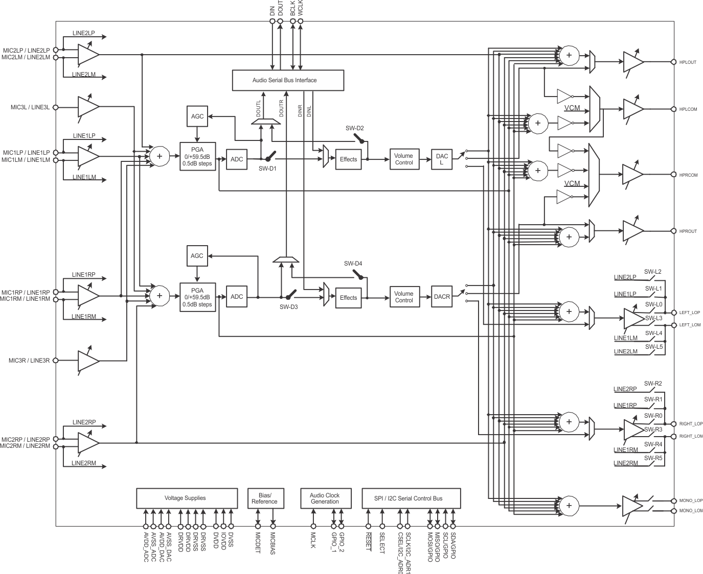
The TLV320AIC3106-Q1 is a highly flexible, low power, stereo audio codec with extensive feature integration, intended for applications in infotainment or cluster systems such as head unit, telematics, cluster, emergency call (eCall), navigation systems, and other car entertainment applications. Available in a 7-mm x 7-mm, 48-lead VQFN package, the product integrates a host of features to reduce cost, board space, and power consumption in space-constrained, battery-powered, portable applications.
The TLV320AIC3106-Q1 consists of the following blocks:
Communication to the TLV320AIC3106-Q1 for control is pin-selectable (using the SELECT pin) as either SPI or I2C. The SPI interface requires that the Slave Select signal (MFP0) be driven low to communicate with the TLV320AIC3106-Q1. Data is then shifted into or out of the TLV320AIC3106-Q1 under control of the host microprocessor, which also provides the serial data clock. The I2C interface supports both standard and fast communication modes, and also enables cascading of up to four multiple codecs on the same I2C bus through the use of two pins for addressing (MFP0, MFP1).
The TLV320AIC3106-Q1 supports the following standard audio sampling rates: 8 kHz, 11.025 kHz, 12 kHz, 16 kHz, 22.05 kHz, 24 kHz, 32 kHz, 44.1 kHz, 48 kHz, 88.2 kHz, and 96 kHz. The converters can also operate at different sampling rates in various combinations.
The data converters are based on the concept of an fS(ref) rate that is used internal to the part, and it is related to the actual sampling rates of the converters through a series of ratios. For typical sampling rates, fS(ref) is either 44.1 kHz or 48 kHz, although it can realistically be set over a wider range of rates up to 53 kHz, with additional restrictions applying if the PLL is used. This concept is used to set the sampling rates of the ADC and DAC, and also to enable high quality playback of low sampling rate data, without high frequency audible noise being generated.
The sampling rate of the ADC and DAC can be set to fS(ref) / NDAC or 2 × fS(ref) / NDAC, with NDAC being 1, 1.5, 2, 2.5, 3, 3.5, 4, 4.5, 5, 5.5, or 6.
While only one fS(ref) can be used at a time in the part, the ADC and DAC sampling rates can differ from each other by using different NADC and NDAC divider ratios for each. For example, with fS(ref) = 44.1 kHz, the DAC sampling rate can be set to 44.1 kHz by using NDAC = 1, while the ADC sampling rate can be set to 8.018 kHz by using NADC = 5.5.
When the ADCs and DACs are operating at different sampling rates, an additional word clock is required, to provide information regarding where data begins for the ADC versus the DAC. In this case, the standard bit clock signal (which can be supplied through the BCLK pin or through GPIO2) is used to transfer both ADC and DAC data, the standard word clock signal is used to identify the start of the DAC data, and a separate ADC word clock signal (denoted ADWK) is used. This clock can be supplied or generated from GPIO1 at the same time the DAC word clock is supplied or generated from WCLK.
The TLV320AIC3106-Q1 includes a stereo audio ADC, which uses a delta-sigma modulator with 128-times oversampling in single-rate mode, followed by a digital decimation filter. The ADC supports sampling rates from 8 kHz to 48 kHz in single-rate mode, and up to 96 kHz in dual-rate mode. Whenever the ADC or DAC is in operation, the device requires that an audio master clock be provided and appropriate audio clock generation be set up within the device.
To provide optimal system power dissipation, the stereo ADC can be powered one channel at a time, to support the case where only mono record capability is required. In addition, both channels can be fully powered or entirely powered down.
The integrated digital decimation filter removes high-frequency content and downsamples the audio data from an initial sampling rate of 128 fS to the final output sampling rate of fS. The decimation filter provides a linear phase output response with a group delay of 17 / fS. The –3-dB bandwidth of the decimation filter extends to 0.45 fS and scales with the sample rate (fS). The filter has minimum 75-dB attenuation over the stop band from 0.55 fS to 64 fS. Independent digital high-pass filters are also included with each ADC channel, with a corner frequency that can be independently set.
Because of the oversampling nature of the audio ADC and the integrated digital decimation filtering, requirements for analog antialiasing filtering are very relaxed. The TLV320AIC3106-Q1 integrates a second-order analog antialiasing filter with 20-dB attenuation at 1 MHz. This filter, combined with the digital decimation filter, provides sufficient antialiasing filtering without requiring additional external components.
The ADC is preceded by a programmable gain amplifier (PGA), which allows analog gain control from 0 dB to 59.5 dB in steps of 0.5 dB. The PGA gain changes are implemented with an internal soft-stepping algorithm that only changes the actual volume level by one 0.5-dB step every one or two ADC output samples, depending on the register programming (see Page 0, Registers 19 and 22). This soft-stepping ensures that volume control changes occur smoothly with no audible artifacts. On reset, the PGA gain defaults to a mute condition, and on power down, the PGA soft-steps the volume to mute before shutting down. A read-only flag is set whenever the gain applied by PGA equals the desired value set by the register. The soft-stepping control can also be disabled by programming a register bit. When soft stepping is enabled, the audio master clock must be applied to the part after the ADC power-down register is written to ensure the soft-stepping to mute has completed. When the ADC power-down flag is no longer set, the audio master clock can be shut down.
Often in audio applications it is desirable to remove the DC offset from the converted audio data stream. The TLV320AIC3106-Q1 has a programmable first-order high-pass filter which can be used for this purpose. The digital filter coefficients are in 16-bit format and therefore use two 8-bit registers for each of the three coefficients, N0, N1, and D1. The transfer function of the digital high-pass filter is of the form:

Programming the left channel is done by writing to Page 1, Registers 65 to 70, and the right channel is programmed by writing to Page 1, Registers 71 to 76. After the coefficients have been loaded, these ADC high-pass filter coefficients can be selected by writing to Page 0, Register 107, Bits D7 to D6, and the high-pass filter can be enabled by writing to Page 0, Register 12, Bits D7 to D4.
An automatic gain control (AGC) circuit is included with the ADC and can be used to maintain nominally constant output signal amplitude when recording speech signals (it can be fully disabled if not desired). This circuitry automatically adjusts the PGA gain as the input signal becomes overly loud or very weak, such as when a person speaking into a microphone moves closer or farther from the microphone. The AGC algorithm has several programmable settings, including target gain, attack and decay time constants, noise threshold, and maximum PGA gain applicable that allow the algorithm to be fine tuned for any particular application. The algorithm uses the absolute average of the signal (which is the average of the absolute value of the signal) as a measure of the nominal amplitude of the output signal.
Completely independent AGC circuitry is included with each ADC channel with entirely independent control over the algorithm from one channel to the next. This is attractive in cases where two microphones are used in a system, but may have different placement in the end equipment and require different dynamic performance for optimal system operation.
Target level represents the nominal output level at which the AGC attempts to hold the ADC output signal level. The TLV320AIC3106-Q1 allows programming of eight different target levels, which can be programmed from –5.5 dB to –24 dB relative to a full-scale signal. Because the device reacts to the signal absolute average and not to peak levels, TI recommends the target level be set with enough margin to avoid clipping at the occurrence of loud sounds.
Attack time determines how quickly the AGC circuitry reduces the PGA gain when the input signal is too loud. It can be varied from 7 ms to 1,408 ms. The extended Right Channel Attack time can be programmed by writing to Page 0, Register 103, and Left Channel is programmed by writing to Page 0, Register 105.
Decay time determines how quickly the PGA gain is increased when the input signal is too low. It can be varied in the range from 0.05 s to 22.4 s. The extended Right Channel Decay time can be programmed by writing to Page 0, Register 104, and Left Channel is programmed by writing to Page 0, Register 106.
The actual AGC decay time maximum is based on a counter length, so the maximum decay time scales with the clock set up that is used. The table below shows the relationship of the NADC ratio to the maximum time available for the AGC decay. In practice, these maximum times are extremely long for audio applications and must not limit any practical AGC decay time that is required by the system.
| NADC RATIO | MAXIMUM DECAY TIME (s) |
|---|---|
| 1 | 4 |
| 1.5 | 5.6 |
| 2 | 8 |
| 2.5 | 9.6 |
| 3 | 11.2 |
| 3.5 | 11.2 |
| 4 | 16 |
| 4.5 | 16 |
| 5 | 19.2 |
| 5.5 | 22.4 |
| 6 | 22.4 |
Noise gate threshold determines the level below which if the input speech average value falls, AGC considers it as a silence and hence brings down the gain to 0 dB in steps of 0.5 dB every FS and sets the noise threshold flag. The gain stays at 0 dB unless the input speech signal average rises above the noise threshold setting. This ensures that noise does not get gained up in the absence of speech. Noise threshold level in the AGC algorithm is programmable from –30 dB to –90 dB relative to full scale. A disable noise gate feature is also available. This operation includes programmable debounce and hysteresis functionality to avoid the AGC gain from cycling between high gain and 0 dB when signals are near the noise threshold level. When the noise threshold flag is set, the status of gain applied by the AGC and the saturation flag may be ignored.
Maximum PGA gain applicable allows the user to restrict the maximum PGA gain that can be applied by the AGC algorithm. This can be used for limiting PGA gain in situations where environmental noise is greater than programmed noise threshold. It can be programmed from 0 dB to 59.5 dB in steps of 0.5 dB.
Figure 13. Typical Operation Of The AGC Algorithm During Speech Recording
The time constants here are correct when the ADC is not in double-rate audio mode. The time constants are achieved using the fS(ref) value programmed in the control registers. However, if the fS(ref) is set in the registers to, for example, 48 kHz, but the actual audio clock or PLL programming actually results in a different fS(ref) in practice, then the time constants would not be correct.
The actual AGC decay time maximum is based on a counter length, so the maximum decay time scales with the clock set up that is used. Table 1 shows the relationship of the NADC ratio to the maximum time available for the AGC decay. In practice, these maximum times are extremely long for audio applications and must not limit any practical AGC decay time that is required by the system.
The TLV320AIC3106-Q1 includes a stereo audio DAC supporting sampling rates from 8 kHz to 96 kHz. Each channel of the stereo audio DAC consists of a digital audio processing block, a digital interpolation filter, multi-bit digital delta-sigma modulator, and an analog reconstruction filter. The DAC is designed to provide enhanced performance at low sampling rates through increased oversampling and image filtering, thereby keeping quantization noise generated within the delta-sigma modulator and signal images strongly suppressed within the audio band to beyond 20 kHz. This is realized by keeping the upsampled rate constant at 128 × fS(ref) and changing the oversampling ratio as the input sample rate is changed. For an fS(ref) of 48 kHz, the digital delta-sigma modulator always operates at a rate of 6.144 MHz. This ensures that quantization noise generated within the delta-sigma modulator stays low within the frequency band below 20 kHz at all sample rates. Similarly, for an fS(ref) rate of 44.1 kHz, the digital delta-sigma modulator always operates at a rate of 5.6448 MHz.
The following restrictions apply in the case when the PLL is powered down and double-rate audio mode is enabled in the DAC.
The DAC channel consists of optional filters for de-emphasis and bass, treble, midrange level adjustment, speaker equalization, and 3D effects processing. The de-emphasis function is implemented by a programmable digital filter block with fully programmable coefficients (see Page 1, Registers 21 to 26 for left channel, Page 1, Registers 47 to 52 for right channel). If de-emphasis is not required in a particular application, this programmable filter block can be used for some other purpose. The de-emphasis filter transfer function is given by:

where the N0, N1, and D1 coefficients are fully programmable individually for each channel. The coefficients that must be loaded to implement standard de-emphasis filters are given in Table 2.
| SAMPLING FREQUENCY | N0 | N1 | D1 |
|---|---|---|---|
| 32 kHz | 16950 | –1220 | 17037 |
| 44.1 kHz | 15091 | –2877 | 20555 |
| 48 kHz(1) | 14677 | –3283 | 21374 |
In addition to the de-emphasis filter block, the DAC digital effects processing includes a fourth-order digital IIR filter with programmable coefficients (one set per channel). This filter is implemented as cascade of two biquad sections with frequency response given by:

The N and D coefficients are fully programmable, and the entire filter can be enabled or bypassed. The structure of the filtering when configured for independent channel processing is shown in Figure 14, with LB1 corresponding to the first left-channel biquad filter using coefficients N0, N1, N2, D1, and D2. LB2 similarly corresponds to the second left-channel biquad filter using coefficients N3, N4, N5, D4, and D5. The RB1 and RB2 filters refer to the first and second right-channel biquad filters, respectively.
Figure 14. Structure Of The Digital Effects Processing For Independent Channel Processing
The coefficients for this filter implement a variety of sound effects, with bass-boost or treble boost being the most commonly used in portable audio applications. The default N and D coefficients in the part are given in Table 3 and implement a shelving filter with 0-dB gain from DC to approximately 150 Hz, at which point it rolls off to a 3‑dB attenuation for higher frequency signals, thus giving a 3‑dB boost to signals below 150 Hz. The N and D coefficients are represented by 16-bit, 2s-complement numbers with values ranging from –32768 to 32767.
| COEFFICIENTS | ||||
|---|---|---|---|---|
| N0 = N3 | D1 = D4 | N1 = N4 | D2 = D5 | N2 = N5 |
| 27,619 | 32,131 | –27,034 | –31,506 | 26,461 |
The digital processing also includes capability to implement 3D processing algorithms by providing means to process the mono mix of the stereo input, and then combine this with the individual channel signals for stereo output playback. The architecture of this processing mode, and the programmable filters available for use in the system, is shown in Figure 15. The programmable attenuation block provides a method of adjusting the level of 3D effect introduced into the final stereo output. This combined with the fully programmable biquad filters in the system enables the user to fully optimize the audio effects for a particular system and provide extensive differentiation from other systems using the same device.
Figure 15. Architecture Of The Digital Audio Processing When 3D Effects Are Enabled
TI recommends the digital effects filters be disabled while the filter coefficients are being modified. While new coefficients are being written to the device over the control port, it is possible that a filter using partially updated coefficients may actually implement an unstable system and lead to oscillation or objectionable audio output. By disabling the filters, changing the coefficients, and then re-enabling the filters, these types of effects can be entirely avoided.
The digital interpolation filter upsamples the output of the digital audio processing block by the required oversampling ratio before data is provided to the digital delta-sigma modulator and analog reconstruction filter stages. The filter provides a linear phase output with a group delay of 21 / fS. In addition, programmable digital interpolation filtering is included to provide enhanced image filtering and reduce signal images caused by the upsampling process that are below 20 kHz. For example, upsampling an 8-kHz signal produces signal images at multiples of 8-kHz (8 kHz, 16 kHz, 24 kHz, and so on). The images at 8 kHz and 16 kHz are below 20 kHz and still audible to the listener; therefore, they must be filtered heavily to maintain a good quality output. The interpolation filter is designed to maintain at least 65-dB rejection of images that land below 7.455 fS. To use the programmable interpolation capability, the fS(ref) must be programmed to a higher rate (restricted to be in the range of 39 kHz to 53 kHz when the PLL is in use), and the actual fS is set using the NDAC divider. For example, if fS = 8 kHz is required, then fS(ref) can be set to 48 kHz, and the DAC fS set to fS(ref) / 6. This ensures that all images of the 8-kHz data are sufficiently attenuated well beyond a 20-kHz audible frequency range.
The stereo audio DAC incorporates a third-order multi-bit delta-sigma modulator followed by an analog reconstruction filter. The DAC provides high-resolution, low-noise performance, using oversampling and noise shaping techniques. The analog reconstruction filter design consists of a 6-tap analog FIR filter followed by a continuous time RC filter. The analog FIR operates at a rate of 128 × fS(ref) (6.144 MHz when fS(ref) = 48 kHz, 5.6448 MHz when fS(ref) = 44.1 kHz). The DAC analog performance may be degraded by excessive clock jitter on the MCLK input. Therefore, take care to keep jitter on this clock to a minimum.
The audio DAC includes a digital volume control block which implements a programmable digital gain. The volume level can be varied from 0 dB to –63.5 dB in 0.5-dB steps, in addition to a mute bit, independently for each channel. The volume level of both channels can also be changed simultaneously by the master volume control. Gain changes are implemented with a soft-stepping algorithm, which only changes the actual volume by one step per input sample, either up or down, until the desired volume is reached. The rate of soft-stepping can be slowed to one step per two input samples through a register bit.
Because of soft-stepping, the host does not know when the DAC has been actually muted. This may be important if the host wishes to mute the DAC before making a significant change, such as changing sample rates. To help with this situation, the device provides a flag back to the host through a read-only register bit that alerts the host when the part has completed the soft-stepping and the actual volume has reached the desired volume level. The soft-stepping feature can be disabled through register programming. If soft-stepping is enabled, the MCLK signal must be kept applied to the device until the DAC power-down flag is set. When this flag is set, the internal soft-stepping process and power down sequence is complete, and the MCLK can then be stopped if desired.
The TLV320AIC3106-Q1 also includes functionality to detect when the user switches on or off the de-emphasis or digital audio processing functions, to first (1) soft-mute the DAC volume control, (2) change the operation of the digital effects processing, and (3) soft-unmute the part. This avoids any possible pops or clicks in the audio output due to instantaneous changes in the filtering. A similar algorithm is used when first powering up or down the DAC. The circuit begins operation at power up with the volume control muted, then soft-steps it up to the desired volume level. At power down, the logic first soft-steps the volume down to a mute level, then powers down the circuitry.
The output common-mode voltage and output range of the analog output are determined by an internal bandgap reference, in contrast to other codecs that may use a divided version of the supply. This scheme is used to reduce the coupling of noise that may be on the supply into the audio signal path.
However, due to the possible wide variation in analog supply range (2.7 V to 3.6 V), an output common-mode voltage setting of 1.35 V, which would be used for a 2.7-V supply case, is overly conservative if the supply is actually much larger, such as 3.3 V or 3.6 V. To optimize device operation, the TLV320AIC3106-Q1 includes a programmable output common-mode level, which can be set by register programming to a level most appropriate to the actual supply range used by a particular customer. The output common-mode level can be varied among four different values, ranging from 1.35 V (most appropriate for low supply ranges, near 2.7 V) to 1.8 V (most appropriate for high supply ranges, near 3.6 V). There is also some limitation on the range of DVDD voltage as well in determining which setting is most appropriate.
| CM SETTING | AVDD_DAC, DRVDD | DVDD |
|---|---|---|
| 1.35 | 2.7 V – 3.6 V | 1.65 V – 1.95 V |
| 1.5 | 3 V – 3.6 V | 1.65 V – 1.95 V |
| 1.65 V | 3.3 V – 3.6 V | 1.8 V – 1.95 V |
| 1.8 V | 3.6 V | 1.95 V |
The stereo DAC can be fully powered up or down, and in addition, the analog circuitry in each DAC channel can be powered up or down independently. This provides power savings when only a mono playback stream is required.
The TLV320AIC3106-Q1 includes ten analog audio input pins, which can be configured as up to four fully-differential pair plus one single-ended pair of audio inputs, or up to six single-ended audio inputs. These pins connect through series resistors and switches to the virtual ground terminals of two fully differential opamps (one per ADC PGA channel). By selecting to turn on only one set of switches per opamp at a time, the inputs can be effectively muxed to each ADC PGA channel.
By selecting to turn on multiple sets of switches per opamp at a time, mixing can also be achieved. Mixing of multiple inputs can easily lead to PGA outputs that exceed the range of the internal opamps, resulting in saturation and clipping of the mixed output signal. Whenever mixing is being implemented, the user must take adequate precautions to avoid such a saturation case from occurring. In general, the mixed signal must not exceed 2 VPP (single-ended) or 4 VPP (differential).
In most mixing applications, the levels of the individual signals being mixed must be adjusted. For example, if a soft signal and a large signal are to be mixed and played together, the soft signal generally must be amplified to a level comparable to the large signal before mixing. To accommodate this, the TLV320AIC3106-Q1 includes input level control on each of the individual inputs before they are mixed or muxed into the ADC PGAs, with gain programmable from 0 dB to –12 dB in 1.5-dB steps. This input level control is not intended to be a volume control, but instead used occasionally for level setting. Soft-stepping of the input level control settings is implemented in this device, with the speed and functionality following the settings used by the ADC PGA for soft-stepping.
The TLV320AIC3106-Q1 supports the ability to mix up to three fully-differential analog inputs into each ADC PGA channel. Figure 16 shows the mixing configuration for the left channel, which can mix the signals LINE1LP-LINE1LM, LINE2LP-LINE2LM, and LINE1RP-LINE1RM
Figure 16. Left Channel Fully-Differential Analog Input Mixing Configuration
Three fully-differential analog inputs can similarly be mixed into the right ADC PGA as well, consisting of LINE1RP-LINE1RM, LINE2RP-LINE2RM, and LINE1LP-LINE1LM. It is not necessary to mix all three fully-differential signals if this is not desired, unnecessary inputs can simply be muted using the input level control registers.
Inputs can also be selected as single-ended instead of fully-differential, and mixing or muxing into the ADC PGAs is also possible in this mode. It is not possible, however, for an input pair to be selected as fully-differential for connection to one ADC PGA and simultaneously selected as single-ended for connection to the other ADC PGA channel. However, it is possible for an input to be selected or mixed into both left and right channel PGAs, as long as it has the same configuration for both channels (either both single-ended or both fully-differential).
Figure 17 shows the single-ended mixing configuration for the left channel ADC PGA, which enables mixing of the signals LINE1LP, LINE2LP, LINE1RP, MIC3L, and MIC3R. The right channel ADC PGA mix is similar, enabling mixing of the signals LINE1RP, LINE2RP, LINE1LP, MIC3L, and MIC3R.
Figure 17. Left Channel Single-Ended Analog Input Mixing Configuration
The TLV320AIC3106-Q1 includes the additional ability to route some analog input signals past the integrated data converters, for mixing with other analog signals and then direct connection to the output drivers. The TLV320AIC3106-Q1 supports this in a low power mode by providing a direct analog path through the device to the output drivers, while all ADCs and DACs can be completely powered down to save power.
For fully-differential inputs, the TLV320AIC3106-Q1 provides the ability to pass the signals LINE2LP-LINE2LM and LINE2RP-LINE2RM to the output stage directly. If in single-ended configuration, the device can pass the signal LINE2LP and LINE2RP to the output stage directly.
In addition to the input bypass path described in Analog Input Bypass Path Functionality, the TLV320AIC3106‑Q1 also includes the ability to route the ADC PGA output signals past the ADC, for mixing with other analog signals and then direct connection to the output drivers. These bypass functions are described in more detail in the sections on output mixing and output driver configurations.
The TLV320AIC3106-Q1 includes several programmable settings to control analog input pins, particularly when they are not selected for connection to an ADC PGA. The default option allows unselected inputs to be put into a 3-state condition, such that the input impedance seen looking into the device is extremely high. The pins on the device do include protection diode circuits connected to AVDD and AVSS. Thus, if any voltage is driven onto a pin approximately one diode drop (approximately 0.6 V) above AVDD or one diode drop below AVSS, these protection diodes begins conducting current, resulting in an effective impedance that no longer appears as a 3-state condition.
Another programmable option for unselected analog inputs is to weakly hold them at the common-mode input voltage of the ADC PGA (which is determined by an internal bandgap voltage reference). This is useful to keep the AC-coupling capacitors connected to analog inputs biased up at a normal DC level, thus avoiding the necessity of charging them up suddenly when the input is changed from being unselected to selected for connection to an ADC PGA. This option is controlled in Page 0, Registers 20 and 23. The user must ensure this option is disabled when an input is selected for connection to an ADC PGA or selected for the analog input bypass path, because it can corrupt the recorded input signal if left operational when an input is selected.
In most cases, the analog input pins on the TLV320AIC3106-Q1 must be AC-coupled to analog input sources, the only exception to this generally being if an ADC is being used for DC voltage measurement. The AC-coupling capacitor causes a highpass filter pole to be inserted into the analog signal path, so the size of the capacitor must be chosen to move that filter pole sufficiently low in frequency to cause minimal effect on the processed analog signal. The input impedance of the analog inputs when selected for connection to an ADC PGA varies with the setting of the input level control, starting at approximately 20 kΩ with an input level control setting of 0 dB, and increasing to approximately 80 kΩ when the input level control is set at –12 dB. For example, using a 0.1-μF AC-coupling capacitor at an analog input results in a highpass filter pole of 80 Hz when the 0-dB input level control setting is selected.
The TLV320AIC3106-Q1 includes a programmable microphone bias output voltage (MICBIAS), capable of providing output voltages of 2 V or 2.5 V (both derived from the on-chip bandgap voltage) with 4-mA output current drive. In addition, the MICBIAS may be programmed to be switched to AVDD directly through an on-chip switch, or it can be powered down completely when not required, for power savings. This function is controlled by register programming in Page 0, Register 25.
The TLV320AIC3106-Q1 has two fully differential line output drivers, each capable of driving a 10-kΩ differential load. The output stage design leading to the fully differential line output drivers is shown in Figure 18 and Figure 19. This design includes extensive capability to adjust signal levels independently before any mixing occurs, beyond that already provided by the PGA gain and the DAC digital volume control.
The LINE2L/R signals refer to the signals that travel through the analog input bypass path to the output stage. The PGA_L/R signals refer to the outputs of the ADC PGA stages that are similarly passed around the ADC to the output stage. Because both left and right channel signals are routed to all output drivers, a mono mix of any of the stereo signals can easily be obtained by setting the volume controls of both left and right channel signals to –6 dB and mixing them. Undesired signals can also be disconnected from the mix as well through register control.
Figure 18. Architecture Of The Output Stage Leading To The Fully Differential Line Output Drivers
Figure 19. Detail Of The Volume Control and Mixing Function
The DAC_L/R signals are the outputs of the stereo audio DAC, which can be steered by register control based on the requirements of the system. If mixing of the DAC audio with other signals is not required, and the DAC output is only required at the stereo line outputs, then TI recommends to use the routing through path DAC_L3/R3 to the fully differential stereo line outputs. This results not only in higher quality output performance, but also in lower power operation, because the analog volume controls and mixing blocks ahead of these drivers can be powered down.
If instead the DAC analog output must be routed to multiple output drivers simultaneously (such as to LEFT_LOP/M, RIGHT_LOP/M, and MONO_LOP/M) or must be mixed with other analog signals, then the DAC outputs must be switched through the DAC_L1/R1 path. This option provides the maximum flexibility for routing of the DAC analog signals to the output drivers
The TLV320AIC3106-Q1 includes an output level control on each output driver with limited gain adjustment from 0 dB to 9 dB. The output driver circuitry in this device are designed to provide a low distortion output while playing fullscale stereo DAC signals at a 0-dB gain setting. However, a higher amplitude output can be obtained at the cost of increased signal distortion at the output. This output level control allows the user to make this tradeoff based on the requirements of the end equipment. This output level control is not intended to be used as a standard output volume control. It is expected to be used only sparingly for level setting, such as adjustment of the fullscale output range of the device.
Each differential line output driver can be powered down independently of the others when it is not required in the system. When placed into powerdown through register programming, the driver output pins are placed into a 3‑stated, high-impedance state.
The TLV320AIC3106-Q1 includes four high power output drivers with extensive flexibility in their usage. These output drivers are individually capable of driving 30 mW each into a 16-Ω load in single-ended configuration, and they can be used in pairs connected in bridge-terminated load (BTL) configuration between two driver outputs.
The high power output drivers can be configured in a variety of ways, including:
The output stage architecture leading to the high power output drivers is shown in Figure 20, with the volume control and mixing blocks being effectively identical to that shown in Figure 19. Each of these drivers have a output level control block like those included with the line output drivers, allowing gain adjustment up to 9 dB on the output signal. As in the previous case, this output level adjustment is not intended to be used as a standard volume control, but instead is included for additional fullscale output signal level control.
Two of the output drivers, HPROUT and HPLOUT, include a direct connection path for the stereo DAC outputs to be passed directly to the output drivers and bypass the analog volume controls and mixing networks, using the DAC_L2/R2 path. As in the line output case, this functionality provides the highest quality DAC playback performance with reduced power dissipation, but can only be used if the DAC output is not routed to multiple output drivers simultaneously, and if mixing of the DAC output with other analog signals is not required.
Figure 20. Architecture Of The Output Stage Leading To The High Power Output Drivers
The high power output drivers include additional circuitry to avoid artifacts on the audio output during power-on and power-off transient conditions. The user must first program the type of output configuration being used in Page 0, Register 14, to allow the device to select the optimal power-up scheme to avoid output artifacts. The power-up delay time for the high power output drivers is also programmable over a wide range of time delays, from instantaneous up to 4 s, using Page 0, Register 42.
When these output drivers are powered down, they can be placed into a variety of output conditions based on register programming. If lowest power operation is desired, then the outputs can be placed into a 3-state condition, and all power to the output stage is removed. However, this generally results in the output nodes drifting to rest near the upper or lower analog supply, due to small leakage currents at the pins. This then results in a longer delay requirement to avoid output artifacts during driver power-on. To reduce this required power-on delay, the TLV320AIC3106-Q1 includes an option for the output pins of the drivers to be weakly driven to the VCM level they would normally rest at when powered with no signal applied. This output VCM level is determined by an internal bandgap voltage reference, and thus results in extra power dissipation when the drivers are in powerdown. However, this option provides the fastest method for transitioning the drivers from powerdown to full power operation without any output artifact introduced.
The device includes a further option that falls between the other two, while it requires less power drawn while the output drivers are in powerdown, it also takes a slightly longer delay to power-up without artifact than if the bandgap reference is kept alive. In this alternate mode, the powered-down output driver pin is weakly driven to a voltage of approximately half the DRVDD1/2 supply level using an internal voltage divider. This voltage does not match the actual VCM of a fully powered driver, but due to the output voltage being close to its final value, a much shorter power-up delay time setting can be used and still avoid any audible output artifacts. These output voltage options are controlled in Page 0, Register 42.
The high power output drivers can also be programmed to power up first with the output level control in a highly attenuated state, then the output driver automatically slowly reduces the output attenuation to reach the desired output level setting programmed. This capability is enabled by default but can be enabled in Page 0, Register 40.
The TLV320AIC3106-Q1 includes programmable short-circuit protection for the high power output drivers, for maximum flexibility in a given application. By default, if these output drivers are shorted, they automatically limit the maximum amount of current that can be sourced to or sunk from a load, thereby protecting the device from an overcurrent condition. In this mode, the user can read Page 0, Register 95 to determine whether the part is in short-circuit protection or not, and then decide whether to program the device to power down the output drivers. However, the device includes further capability to automatically power down an output driver whenever it does into short-circuit protection, without requiring intervention from the user. In this case, the output driver stays in a power down condition until the user specifically programs it to power down and then power back up again, to clear the short-circuit flag.
The TLV320AIC3106-Q1 includes extensive capability to monitor a headphone, microphone, or headset jack, determine if a plug has been inserted into the jack, and then determine what type of headset or headphone is wired to the plug. Figure 21 shows one configuration of the device that enables detection and determination of headset type when a pseudo-differential (capless) stereo headphone output configuration is used. The registers used for this function are Page 0, Registers 14, 96, 97, and 13. The type of headset detected can be read back from Page 0, Register 13. For best results, TI recommends selecting a MICBIAS value as high as possible, and to program the output driver common-mode level at a 1.35-V or 1.5-V level.
Figure 21. Configuration Of Device For Jack Detection Using A Pseudo-Differential (Capless) Headphone Output Connection
A modified output configuration used when the output drivers are AC-coupled is shown in Figure 22. In this mode, the device cannot accurately determine if the inserted headphone is a mono or stereo headphone.
Figure 22. Configuration Of Device For Jack Detection Using An AC-Coupled Stereo Headphone Output Connection
An output configuration for the case of the outputs driving fully differential stereo headphones is shown in Figure 23. In this mode, there is a requirement on the jack side that either HPLCOM or HPLOUT get shorted to ground if the plug is removed, which can be implemented using a spring terminal in a jack. For this mode to function properly, short-circuit detection must be enabled and configured to power down the drivers if a short-circuit is detected. The registers that control this functionality are in Page 0, Register 38, Bits D2 to D1.
Figure 23. Configuration Of Device For Jack Detection Using A Fully Differential Stereo Headphone Output Connection
TLV320AIC3106-Q1 has two dedicated pins for general-purpose I/O. These pins can be used to read status of external signals through register read when configured as general-purpose input. When configured as general-purpose output , these pins can also drive logic high or low. Besides these standard GPIO functions, these pins can also be used in a variety of ways, such as output for internal clocks and interrupt signals. The TLV320AIC3106-Q1 generates a variety of interrupts of use to the host processor such interrupts on jack detection, button press, short-circuit detection, and AGC noise detection. All these interrupts can be routed individually to the GPIO pins or can be combined by a logical OR. In case of a combined interrupt, the user can read an internal status register to find the actual cause of interrupt. When configured as interrupt, the TLV320AIC3106-Q1 also offers the flexibility of generating a single pulse or a train of pulses until the interrupt status register is read by the user.
In applications where record only is selected, and DAC is powered down, the playback path signal processing blocks can be used in the ADC record path. These filtering blocks can support high pass, low pass, band pass or notch filtering. In this mode, the record only path has switches SW-D1 through SW-D4 closed, and reroutes the ADC output data through the digital signal processing blocks. Because the DAC's Digital Signal Processing blocks are being re-used, naturally the addresses of these digital filter coefficients are the same as for the DAC digital processing and are located on Page 1, Registers 1 to 52. This record only mode is enabled by powering down both DACs by writing to Page 0, Register 37, Bits D7 to D6 (D7 = D6 = 0). Next, enable the digital filter pathway for the ADC by writing a 1 to Page 0, Register 107, Bit D3. This pathway is only enabled if both DACs are powered down. This record only path can be seen in Figure 24.
Figure 24. Record Only Mode With Digital Processing Path Enabled
The TLV320AIC3106-Q1 allows trading off dynamic range with power consumption. The DAC dynamic range can be increased by writing to Page 0, Register 109, Bits D7 to D6. The lowest DAC current setting is the default, and the dynamic range is displayed in the datasheet table. Increasing the current can increase the DAC dynamic range by up to 1.5 dB.
Programming the TLV320AIC3106-Q1 to passive analog bypass occurs by configuring the output stage switches for pass through. This is done by opening switches SW-L0, SW-L3, SW-R0, SW-R3 and closing either SW-L1 or SW-L2 and SW-R1 or SW-R2. See Figure 25 Passive Analog Bypass Mode Configuration. Programming this mode is done by writing to Page 0, Register 108.
Connecting MIC1LP/LINE1LP input signal to the LEFT_LOP pin is done by closing SW-L1 and opening SW-L0, this action is done by writing a 1 to Page 0, Register 108, Bit D0. Connecting MIC2LP/LINE2LP input signal to the LEFT_LOP pin is done by closing SW-L2 and opening SW-L0, this action is done by writing a 1 to Page 0, Register 108, Bit D2. Connecting MIC1LM/LINE1LM input signal to the LEFT_LOM pin is done by closing SW-L4 and opening SW-L3, this action is done by writing a 1 to Page 0, Register 108, Bit D1. Connecting MIC2LM/LINE2LM input signal to the LEFT_LOM pin is done by closing SW-L5 and opening SW-L3, this action is done by writing a 1 to Page 0, Register 108, Bit D3.
Connecting MIC1RP/LINE1RP input signal to the RIGHT_LOP pin is done by closing SW-R1 and opening SW-R0, this action is done by writing a 1 to Page 0, Register 108, Bit D4. Connecting MIC2RP/LINE2RP input signal to the RIGHT_LOP pin is done by closing SW-R2 and opening SW-R0, this action is done by writing a 1 to Page 0, Register 108, Bit D6. Connecting MIC1RM/LINE1RM input signal to the RIGHT_LOM pin is done by closing SW-R4 and opening SW-R3, this action is done by writing a 1 to Page 0, Register 108, Bit D5. Connecting MIC2RM/LINE2RM input signal to the RIGHT_LOM pin is done by closing SW-R5 and opening SW-R3, this action is done by writing a 1 to Page 0, Register 108, Bit D7. A diagram of the passive analog bypass mode configuration can be seen in Figure 25.
In general, connecting two switches to the same output pin must be avoided, as this error shorts two input signals together, and causes distortion of the signal as the two signal are in contention, and poor frequency response would also likely occur.
Figure 25. Passive Analog Bypass Mode Configuration
The TLV320AIC3106-Q1 includes support for connection of a digital microphone to the device by routing the digital signal directly into the ADC digital decimation filter, where it is filtered, downsampled, and provided to the host processor over the audio data serial bus.
When digital microphone mode is enabled, the TLV320AIC3106-Q1 provides an oversampling clock output for use by the digital microphone to transmit its data. The TLV320AIC3106-Q1 includes the capability to latch the data on either the rising, falling, or both edges of this supplied clock, enabling support for stereo digital microphones.
In this mode, the oversampling ratio of the digital mic modulator can be programmed as 128, 64 or 32 times the ADC sample rate, ADCFS. The GPIO1 pin outputs the serial oversampling clock at the programmed rate. TLV320AIC3106-Q1 latches the data input on GPIO2 as the Left and Right channel digital microphone data. For the Left channel input, GPIO2 is sampled on the rising edge of the clock, and for the Right channel input, GPIO2 is sampled on the falling edge of the clock. If a single digital mic channel is required then the corresponding ADC channel must be powered up, and the unused channel must be powered down. When digital microphone mode is enabled, neither ADC can be used for digitizing analog inputs.
Configuring the digital microphone configuration set up is done by writing to Page 0, Register 107, Bits D5 to D4, and Register 25, Bits D5 to D4.
The TLV320AIC3106-Q1 requires a hardware reset after power-up for proper operation. After all power supplies are at their specified values, the RESET pin must be driven low for at least 10 ns. If this reset sequence is not performed, the TLV320AIC3106-Q1 may not respond properly to register reads and writes.
The TLV320AIC3106-Q1 control interface supports SPI or I2C communication protocols, with the protocol selectable using the SELECT pin. For SPI, SELECT must be tied high; for I2C, SELECT must be tied low. The state of SELECT must not be changed during device operation.
Figure 26. SPI Write
Figure 27. SPI Read
In the SPI control mode, the TLV320AIC3106-Q1 uses the pins MFP0 = SSB, MFP1 = SCLK, MFP2 = MISO, MFP3 = MOSI as a standard SPI port with clock polarity setting of 0 (typical microprocessor SPI control bit CPOL = 0). The SPI port allows full-duplex, synchronous, serial communication from a host processor (the master) to peripheral devices (slaves). The SPI master (in this case, the host processor) generates the synchronizing clock (driven onto SCLK) and initiates transmissions. The SPI slave devices (such as the TLV320AIC3106-Q1) depend on a master to start and synchronize transmissions.
A transmission begins when initiated by an SPI master. The byte from the SPI master begins shifting in on the slave MOSI pin under the control of the master serial clock (driven onto SCLK). As the byte shifts in on the MOSI pin, a byte shifts out on the MISO pin to the master shift register.
The TLV320AIC3106-Q1 interface is designed so that with a clock phase bit setting of 1 (typical microprocessor SPI control bit CPHA = 1), the master begins driving its MOSI pin and the slave begins driving its MISO pin on the first serial clock edge. The SSB pin can remain low between transmissions; however, the TLV320AIC3106‑Q1 only interprets the first 8 bits transmitted after the falling edge of SSB as a command byte, and the next 8 bits as a data byte only if writing to a register. Reserved register bits must be written to their default values.
The TLV320AIC3106-Q1 is entirely controlled by registers. Reading and writing these registers is accomplished by the use of an 8-bit command, which is sent to the MOSI pin of the part before the data for that register. The command is constructed as shown in Table 5. The first 7 bits specify the register address which is being written or read, from 0 to 127 (decimal). The command word ends with an R/W bit, which specifies the direction of data flow on the serial bus. In the case of a register write, the R/W bit must be set to 0. A second byte of data is sent to the MOSI pin and contains the data to be written to the register.
Reading of registers is accomplished in similar fashion. The 8-bit command word sends the 7-bit register address, followed by R/W bit = 1 to signify a register read is occurring,. The 8-bit register data is then clocked out of the part on the MISO pin during the second 8 SCLK clocks in the frame.
| Bit 7 | Bit 6 | Bit 5 | Bit 4 | Bit 3 | Bit 2 | Bit 1 | Bit 0 |
|---|---|---|---|---|---|---|---|
| ADDR6 | ADDR5 | ADDR4 | ADDR3 | ADDR2 | ADDR1 | ADDR0 | R/W |
The register map of the TLV320AIC3106-Q1 actually consists of multiple pages of registers, with each page containing 128 registers. The register at address zero on each page is used as a page-control register, and writing to this register determines the active page for the device. All subsequent read or write operations accesses the page that is active at the time, unless a register write is performed to change the active page. Only two pages of registers are implemented in this product, with the active page defaulting to Page 0 upon device reset.
For example, at device reset, the active page defaults to Page 0, and thus all register read and write operations for addresses 1 to 127 accesses registers in Page 0. If registers on Page 1 must be accessed, the user must write the 8-bit sequence 0x01 to Register 0, the page control register, to change the active page from Page 0 to Page 1. After this write, TI recommends the user also read back the page control register, to safely ensure the change in page control has occurred properly. Future read or write operations to addresses 1 to 127 now accesses registers in Page 1. When Page 0 registers must be accessed again, the user writes the 8-bit sequence 0x00 to Register 0, the page control register, to change the active page back to Page 0. After a read of the page control register, all further read or write operations to addresses 1 to 127 now accesses Page 0 registers again.
Do not use the auto-increment mode when writing in SPI mode to registers related to the audio output driver properties such as mux, mix, and gain configuration. In addition, between two successive writes to these registers, the host must keep MFP0 (SPI chip select) high for at least 6.25 µs, to ensure that the register writes have occurred properly.
The TLV320AIC3106-Q1 includes the ability to read or write registers continuously, without requiring to provide an address for every register accessed. In SPI mode, a continuous write is executed by transitioning MFP0 (SPI chip select) low to start the frame, sending the first 8-bit command word to read or write a particular register, and then sending multiple bytes of register data, intended for the addressed register and those following. A continuous read is done similarly, with multiple bytes read in from the addressed register and the following registers on the page. When the MFP0 (SPI chip select) pin is transitioned high again, the frame ends, as does the continuous read and write operation. A new frame must begin again with a new command word, to start the next bus transaction.
This continuous read and write operation does not continue past a page boundary. The user must not attempt to read or write past the end of a page, because this may result in undesirable operation.
The TLV320AIC3106-Q1 supports the I2C control protocol when the SELECT pin is tied low, using 7-bit addressing and capable of both standard and fast modes. For I2C fast mode, note that the minimum timing for each of tHD‑STA, tSU-STA, and tSU-STO is 0.9 µs, as seen in Figure 28. When in I2C control mode, the TLV320AIC3106-Q1 can be configured for one of four different addresses, using the multifunction pins MFP0 and MFP1, which control the two LSBs of the device address. The 5 MSBs of the device address are fixed as 00110 and cannot be changed, while the two LSBs are given by MFP1:MFP0. This results in four possible device addresses:
| MFP1 | MFP0 | Device Address |
|---|---|---|
| 0 | 0 | 0011000 |
| 0 | 1 | 0011001 |
| 1 | 0 | 0011010 |
| 1 | 1 | 0011011 |
Figure 28. I2C Interface Timing
I2C is a two-wire, open-drain interface supporting multiple devices and masters on a single bus. Devices on the I2C bus only drive the bus lines LOW by connecting them to ground; they never drive the bus lines HIGH. Instead, the bus wires are pulled HIGH by pullup resistors, so the bus wires are HIGH when no device is driving them LOW. This way, two devices cannot conflict; if two devices drive the bus simultaneously, there is no driver contention.
Communication on the I2C bus always takes place between two devices, one acting as the master and the other acting as the slave. Both masters and slaves can read and write, but slaves can only do so under the direction of the master. Some I2C devices can act as masters or slaves, but the TLV320AIC3106-Q1 can only act as a slave device.
An I2C bus consists of two lines, SDA and SCL. SDA carries data; SCL provides the clock. All data is transmitted across the I2C bus in groups of eight bits. To send a bit on the I2C bus, the SDA line is driven to the appropriate level while SCL is LOW (a LOW on SDA indicates the bit is zero; a HIGH indicates the bit is one). Once the SDA line has settled, the SCL line is brought HIGH, then LOW. This pulse on SCL clocks the SDA bit into the receivers shift register.
The I2C bus is bidirectional: the SDA line is used both for transmitting and receiving data. When a master reads from a slave, the slave drives the data line; when a master sends to a slave, the master drives the data line. Under normal circumstances the master drives the clock line.
Most of the time the bus is idle, no communication is taking place, and both lines are HIGH. When communication is taking place, the bus is active. Only master devices can start a communication. They do this by causing a START condition on the bus. Normally, the data line is only allowed to change state while the clock line is LOW. If the data line changes state while the clock line is HIGH, it is either a START condition or its counterpart, a STOP condition. A START condition is when the clock line is HIGH and the data line goes from HIGH to LOW. A STOP condition is when the clock line is HIGH and the data line goes from LOW to HIGH.
After the master issues a START condition, it sends a byte that indicates which slave device it wants to communicate with. This byte is called the address byte. Each device on an I2C bus has a unique 7-bit address to which it responds. Slaves can also have 10-bit addresses; see the I2C specification for details. The master sends an address in the address byte, together with a bit that indicates whether it wishes to read from or write to the slave device.
Every byte transmitted on the I2C bus, whether it is address or data, is acknowledged with an acknowledge bit. When a master has finished sending a byte (eight data bits) to a slave, it stops driving SDA and waits for the slave to acknowledge the byte. The slave acknowledges the byte by pulling SDA LOW. The master then sends a clock pulse to clock the acknowledge bit. Similarly, when a master has finished reading a byte, it pulls SDA LOW to acknowledge this to the slave. It then sends a clock pulse to clock the bit.
A not-acknowledge is performed by simply leaving SDA HIGH during an acknowledge cycle. If a device is not present on the bus, and the master attempts to address it, it receives a not-acknowledge because no device is present at that address to pull the line LOW.
When a master has finished communicating with a slave, it may issue a STOP condition. When a STOP condition is issued, the bus becomes idle again. A master may also issue another START condition. When a START condition is issued while the bus is active, it is called a repeated START condition.
The TLV320AIC3106-Q1 also responds to and acknowledges a General Call, which consists of the master issuing a command with a slave address byte of 00H.
Figure 29. I2C Write
Figure 30. I2C Read
In the case of an I2C register write, if the master does not issue a STOP condition, then the device enters auto-increment mode. So in the next eight clocks, the data on SDA is treated as data for the next incremental register.
Similarly, in the case of an I2C register read, after the device has sent out the 8-bit data from the addressed register, if the master issues an ACKNOWLEDGE, the slave takes over control of SDA bus and transmit for the next 8 clocks the data of the next incremental register.
Occasionally, some systems may encounter noise or glitches on the I2C bus. In the unlikely event that this affects bus performance, then it can be useful to use the I2C Debug register. This feature terminates the I2C bus error allowing this I2C device and system to resume communications. The I2C bus error detector is enabled by default. The TLV320AIC3106-Q1 I2C error detector status can be read from Page 0, Register 107, Bit D0. If desired, the detector can be disabled by writing to Page 0, Register 107, Bit D2.
Audio data is transferred from the host processor to the TLV320AIC3106-Q1 through the digital audio data serial interface, or audio bus. The audio bus on this device is very flexible, including left or right justified data options, support for I2S or PCM protocols, programmable data length options, a TDM mode for multichannel operation, very flexible master and slave configurability for each bus clock line, and the ability to communicate with multiple devices within a system directly.
The data serial interface uses two sets of pins for communication between external devices, with the particular pin used controlled through register programming. This configuration is shown in Figure 31 below.
Figure 31. Alternate Audio Bus Mulitplexing Function
In cases where MFP3 is required for a secondary device digital input, the TLV320AIC3106-Q1 must be used in I2C mode (when in SPI mode, MFP3 is used as the SPI bus MOSI pin and thus cannot be used here as an alternate digital input source).
This mux capability allows the TLV320AIC3106-Q1 to communicate with two separate devices with independent I2S/PCM buses. Figure 32 shows an application example with an infotainment system that contains a Bluetooth transceiver and uses a PCM/I2S interface. The applications processor can be connected to the WCLK, BCLK, DIN, DOUT pins on the TLV320AIC3106-Q1, while a Bluetooth device with PCM interface can be connected to the GPIO1, GPIO2, MFP3, and DOUT pins on the TLV320AIC3106-Q1. By programming the registers through I2C control, the applications processor can determine which device is communicating with the TLV320AIC3106-Q1. This is attractive in cases where the TLV320AIC3106-Q1 can be configured to communicate data with the Bluetooth device, then the applications processor can be put into a low power sleep mode, while voice and audio transmission still occurs between the Bluetooth device and the TLV320AIC3106-Q1.
Figure 32. TLV320AIC3106-Q1 Connected To Multiple Audio Devices
The audio bus of the TLV320AIC3106-Q1 can be configured for left or right justified, I2S, DSP, or TDM modes of operation, where communication with standard audio PCM interfaces is supported within the TDM mode. These modes are all MSB-first, with data width programmable as 16, 20, 24, or 32 bits. In addition, the word clock (WCLK or GPIO1) and bit clock (BCLK or GPIO2) can be independently configured in either Master or Slave mode, for flexible connectivity to a wide variety of processors.
The word clock (WCLK or GPIO1) is used to define the beginning of a frame, and may be programmed as either a pulse or a square-wave signal. The frequency of this clock corresponds to the maximum of the selected ADC and DAC sampling frequencies.
The bit clock (BCLK or GPIO2) is used to clock in and out the digital audio data across the serial bus. When in Master mode, this signal can be programmed in two further modes: continuous transfer mode, and 256-clock mode. In continuous transfer mode, only the minimal number of bit clocks required to transfer the audio data are generated, so in general the number of bit clocks per frame is two times the data width. For example, if data width is chosen as 16-bits, then 32-bit clocks is generated per frame. If the bit clock signal in master mode is used by a PLL in another device, TI recommends the 16-bit or 32-bit data width selections be used. These cases result in a low jitter bit clock signal being generated, having frequencies of 32 × fS or 64 × fS. In the cases of 20‑bit and 24-bit data width in master mode, the bit clocks generated in each frame are not all be of equal period, due to the device not having a clean 40 × fS or 48 × fS clock signal readily available. The average frequency of the bit clock signal is still accurate in these cases (being 40 × fS or 48 × fS), but the resulting clock signal has higher jitter than in the 16-bit and 32-bit cases.
In 256-clock mode, a constant 256-bit clocks per frame are generated, independent of the data width chosen. The TLV320AIC3106-Q1 further includes programmability to 3 state the DOUT line during all bit clocks when valid data is not being sent. By combining this capability with the ability to program at what bit clock in a frame the audio data begins, time-division multiplexing (TDM) can be accomplished, resulting in multiple codecs able to use a single audio serial data bus.
When the audio serial data bus is powered down while configured in master mode, the pins associated with the interface are put into a 3-state output condition.
In right-justified mode, the LSB of the left channel is valid on the rising edge of the bit clock preceding the falling edge of word clock. Similarly, the LSB of the right channel is valid on the rising edge of the bit clock preceding the rising edge of the word clock.
Figure 33. Right-Justified Serial Bus Mode Operation
In left-justified mode, the MSB of the right channel is valid on the rising edge of the bit clock following the falling edge of the word clock. Similarly the MSB of the left channel is valid on the rising edge of the bit clock following the rising edge of the word clock.
Figure 34. Left-Justified Serial Data Bus Mode Operation
In I2S mode, the MSB of the left channel is valid on the second rising edge of the bit clock after the falling edge of the word clock. Similarly the MSB of the right channel is valid on the second rising edge of the bit clock after the rising edge of the word clock.
Figure 35. I2S Serial Data Bus Mode Operation
In DSP mode, the rising edge of the word clock starts the data transfer with the left channel data first and immediately followed by the right channel data. Each data bit is valid on the falling edge of the bit clock.
Figure 36. DSP Serial Bus Mode Operation
Time-division multiplexed data transfer can be realized in any of the above transfer modes if the 256-clock bit clock mode is selected, but TI recommends the use of either left-justified mode or DSP mode. By changing the programmable offset, the bit clock in each frame where the data begins can be changed, and the serial data output driver (DOUT) can also be programmed to 3 state during all bit clocks except when valid data is being put onto the bus. This allows other codecs to be programmed with different offsets and to drive their data onto the same DOUT line, just in a different slot. For incoming data, the codec simply ignores data on the bus except where it is expected based on the programmed offset.
The location of the data when an offset is programmed is different, depending on what transfer mode is selected. In DSP mode, both left and right channels of data are transferred immediately adjacent to each other in the frame. This differs from left-justified mode, where the left and right channel data are always a half-frame apart in each frame. In this case, as the offset is programmed from zero to some higher value, both the left and right channel data move across the frame, but still stay a full half-frame apart from each other. This is depicted in Figure 37 for the two cases.
Figure 37. DSP Mode And Left Justified Modes, Showing TheThe audio converters in the TLV320AIC3106-Q1 require an internal audio master clock at a frequency of 256 × fS(ref), which can be obtained in a variety of manners from an external clock signal applied to the device.
A more detailed diagram of the audio clock section of the TLV320AIC3106-Q1 is shown in Figure 38.
Figure 38. Audio Clock Generation Processing
The part can accept an MCLK input from 512 kHz to 50 MHz, which can then be passed through either a programmable divider or a PLL, to get the proper internal audio master clock required by the part. The BCLK or GPIO2 inputs can also be used to generate the internal audio master clock.
This design also allows the PLL to be used for an entirely separate purpose in a system, if the audio codec is not powered up. The user can supply a separate clock to GPIO2, route this through the PLL, with the resulting output clock driven out GPIO1, for use by other devices in the system.
A primary concern is proper operation of the codec at various sample rates with the limited MCLK frequencies available in the system. This device includes a highly programmable PLL to accommodate such situations easily. The integrated PLL can generate audio clocks from a wide variety of possible MCLK inputs, with particular focus paid to the standard MCLK rates already widely used.
When the PLL is disabled:
where
NOTE
When NDAC = 1.5, 2.5, 3.5, 4.5, or 5.5, odd values of Q are not allowed. In this mode, MCLK can be as high as 50 MHz, and fS(ref) must fall within 39 kHz to 53 kHz.
When the PLL is enabled:
where
P, R, J, and D are register programmable. J is the integer portion of K (the numbers to the left of the decimal point), while D is the fractional portion of K (the numbers to the right of the decimal point, assuming four digits of precision).
Examples:
If K = 8.5, then J = 8, D = 5000
If K = 7.12, then J = 7, D = 1200
If K = 14.03, then J = 14, D = 0300
If K = 6.0004, then J = 6, D = 0004
When the PLL is enabled and D = 0000, the following conditions must be satisfied to meet specified performance:
2 MHz ≤ (PLLCLK_IN / P) ≤ 20 MHz
80 MHz ≤ (PLLCLK _IN × K × R / P) ≤ 110 MHz
4 ≤ J ≤ 55
When the PLL is enabled and D ≠ 0000, the following conditions must be satisfied to meet specified performance:
10 MHz ≤ PLLCLK _IN / P ≤ 20 MHz
80 MHz ≤ PLLCLK _IN × K × R / P ≤ 110 MHz
4 ≤ J ≤ 11
R = 1
Example:
MCLK = 12 MHz and fS(ref) = 44.1 kHz
Select P = 1, R = 1, K = 7.5264, which results in J = 7, D = 5264
Example:
MCLK = 12 MHz and fS(ref) = 48 kHz
Select P = 1, R = 1, K = 8.192, which results in J = 8, D = 1920
Table 7 lists several example cases of typical MCLK rates and how to program the PLL to achieve
fS(ref) = 44.1 kHz or 48 kHz.
| fS(ref) = 44.1 kHz | ||||||
| MCLK (MHz) | P | R | J | D | ACHIEVED fS(ref) | % ERROR |
| 2.8224 | 1 | 1 | 32 | 0 | 44100.00 | 0.0000 |
| 5.6448 | 1 | 1 | 16 | 0 | 44100.00 | 0.0000 |
| 12 | 1 | 1 | 7 | 5264 | 44100.00 | 0.0000 |
| 13 | 1 | 1 | 6 | 9474 | 44099.71 | –0.0007 |
| 16 | 1 | 1 | 5 | 6448 | 44100.00 | 0.0000 |
| 19.2 | 1 | 1 | 4 | 7040 | 44100.00 | 0.0000 |
| 19.68 | 1 | 1 | 4 | 5893 | 44100.30 | 0.0007 |
| 48 | 4 | 1 | 7 | 5264 | 44100.00 | 0.0000 |
| fS(ref) = 48 kHz | ||||||
| MCLK (MHz) | P | R | J | D | ACHIEVED fS(ref) | % ERROR |
| 2.048 | 1 | 1 | 48 | 0 | 48000.00 | 0.0000 |
| 3.072 | 1 | 1 | 32 | 0 | 48000.00 | 0.0000 |
| 4.096 | 1 | 1 | 24 | 0 | 48000.00 | 0.0000 |
| 6.144 | 1 | 1 | 16 | 0 | 48000.00 | 0.0000 |
| 8.192 | 1 | 1 | 12 | 0 | 48000.00 | 0.0000 |
| 12 | 1 | 1 | 8 | 1920 | 48000.00 | 0.0000 |
| 13 | 1 | 1 | 7 | 5618 | 47999.71 | –0.0006 |
| 16 | 1 | 1 | 6 | 1440 | 48000.00 | 0.0000 |
| 19.2 | 1 | 1 | 5 | 1200 | 48000.00 | 0.0000 |
| 19.68 | 1 | 1 | 4 | 9951 | 47999.79 | –0.0004 |
| 48 | 4 | 1 | 8 | 1920 | 48000.00 | 0.0000 |
The TLV320AIC3106-Q1 can also output a separate clock on the GPIO1 pin. If the PLL is being used for the audio data converter clock, the M and N settings can be used to provide a divided version of the PLL output. If the PLL is not being used for the audio data converter clock, the PLL can still be enabled to provide a completely independent clock output on GPIO1. The formula for the GPIO1 clock output when PLL is enabled and CLKMUX_OUT is 0 is:
When CLKMUX_OUT is 1, regardless of whether PLL is enabled or disabled, the input to the clock output divider can be selected as MCLK, BCLK, or GPIO2. Is this case, the formula for the GPIO1 clock is:
where
The control registers for the TLV320AIC3106-Q1 are described in detail below. All registers are 8 bits in width, with D7 referring to the most significant bit of each register, and D0 referring to the least significant bit.
| BIT | READ/ WRITE |
RESET VALUE |
DESCRIPTION |
|---|---|---|---|
| D7–D1 | X | 0000 000 | Reserved, write only zeros to these bits. |
| D0 | R/W | 0 | Page Select Bit Writing zero to this bit sets Page 0 as the active page for following register accesses. Writing a one to this bit sets Page 1 as the active page for following register accesses. TI recommends the user read this register bit back after each write, to ensure that the proper page is being accessed for future register read and writes. |
When resetting registers related to routing and volume controls of output drivers, TI recommends reseting them by writing directly to the registers instead of using software reset.
| BIT | READ/ WRITE |
RESET VALUE |
DESCRIPTION |
|---|---|---|---|
| D7 | W | 0 | Software Reset Bit 0 : Do Not Care 1 : Self clearing software reset |
| D6–D0 | W | 000 0000 | Reserved, write only zeros to these bits. |
| BIT | READ/ WRITE |
RESET VALUE |
DESCRIPTION |
|---|---|---|---|
| D7–D4 | R/W | 0000 | ADC Sample Rate Select 0000: ADC fS = fS(ref) / 1 0001: ADC fS = fS(ref) / 1.5 0010: ADC fS = fS(ref) / 2 0011: ADC fS = fS(ref) / 2.5 0100: ADC fS = fS(ref) / 3 0101: ADC fS = fS(ref) / 3.5 0110: ADC fS = fS(ref) / 4 0111: ADC fS = fS(ref) / 4.5 1000: ADC fS = fS(ref) / 5 1001: ADC fS = fS(ref) / 5.5 1010: ADC fS = fS(ref) / 6 1011–1111: Reserved, do not write these sequences. |
| D3–D0 | R/W | 0000 | DAC Sample Rate Select 0000 : DAC fS = fS(ref) / 1 0001 : DAC fS = fS(ref) / 1.5 0010 : DAC fS = fS(ref) / 2 0011 : DAC fS = fS(ref) / 2.5 0100 : DAC fS = fS(ref) / 3 0101 : DAC fS = fS(ref) / 3.5 0110 : DAC fS = fS(ref) / 4 0111 : DAC fS = fS(ref) / 4.5 1000 : DAC fS = fS(ref) / 5 1001: DAC fS = fS(ref) / 5.5 1010: DAC fS = fS(ref) / 6 1011–1111: Reserved, do not write these sequences. |
| BIT | READ/ WRITE |
RESET VALUE |
DESCRIPTION |
|---|---|---|---|
| D7 | R/W | 0 | PLL Control Bit 0: PLL is disabled 1: PLL is enabled |
| D6–D3 | R/W | 0010 | PLL Q Value 0000: Q = 16 0001 : Q = 17 0010 : Q = 2 0011 : Q = 3 0100 : Q = 4 … 1110: Q = 14 1111: Q = 15 |
| D2–D0 | R/W | 000 | PLL P Value 000: P = 8 001: P = 1 010: P = 2 011: P = 3 100: P = 4 101: P = 5 110: P = 6 111: P = 7 |
| BIT | READ/ WRITE |
RESET VALUE |
DESCRIPTION |
|---|---|---|---|
| D7–D2 | R/W | 0000 01 | PLL J Value 0000 00: Reserved, do not write this sequence. 0000 01: J = 1 0000 10: J = 2 0000 11: J = 3 … 1111 10: J = 62 1111 11: J = 63 |
| D1–D0 | R/W | 00 | Reserved, write only zeros to these bits. |
| BIT | READ/ WRITE |
RESET VALUE |
DESCRIPTION |
|---|---|---|---|
| D7–D0 | R/W | 0000 0000 | PLL D value: Eight most significant bits of a 14-bit unsigned integer valid values for D are from zero to 9999, represented by a 14-bit integer located in Page 0, Registers 5 to 6. Values must not be written into these registers that would result in a D value outside the valid range. |
Whenever the D value is changed, Register 5 must be written, immediately followed by Register 6. Even if only the MSB or LSB of the value changes, both registers must be written.
| BIT | READ/ WRITE |
RESET VALUE |
DESCRIPTION |
|---|---|---|---|
| D7–D2 | R/W | 0000 0000 | PLL D value: Six least significant bits of a 14-bit unsigned integer valid values for D are from zero to 9999, represented by a 14-bit integer located in Page 0, Registers 5 to 6. Values must not be written into these registers that would result in a D value outside the valid range. |
| D1–D0 | R | 00 | Reserved, write only zeros to these bits. |
| BIT | READ/ WRITE |
RESET VALUE |
DESCRIPTION |
|---|---|---|---|
| D7 | R/W | 0 | fS(ref) setting This register setting controls timers related to the AGC time constants. 0: fS(ref) = 48 kHz 1: fS(ref) = 44.1 kHz |
| D6 | R/W | 0 | ADC Dual rate control 0: ADC dual rate mode is disabled 1: ADC dual rate mode is enabled ADC Dual Rate Mode must match DAC Dual Rate Mode |
| D5 | R/W | 0 | DAC Dual Rate Control 0: DAC dual rate mode is disabled 1: DAC dual rate mode is enabled |
| D4–D3 | R/W | 00 | Left DAC Datapath Control 00: Left DAC datapath is off (muted) 01: Left DAC datapath plays left channel input data 10: Left DAC datapath plays right channel input data 11: Left DAC datapath plays mono mix of left and right channel input data |
| D2–D1 | R/W | 00 | Right DAC Datapath Control 00: Right DAC datapath is off (muted) 01: Right DAC datapath plays right channel input data 10: Right DAC datapath plays left channel input data 11: Right DAC datapath plays mono mix of left and right channel input data |
| D0 | R/W | 0 | Reserved, write only zero to this bit. |
| BIT | READ/ WRITE |
RESET VALUE |
DESCRIPTION | |
|---|---|---|---|---|
| D7 | R/W | 0 | Bit Clock Directional Control 0: BCLK (or GPIO2 if programmed as BCLK) is an input (slave mode) 1: BCLK (or GPIO2 if programmed as BCLK) is an output (master mode) |
|
| D6 | R/W | 0 | Word Clock Directional Control 0: WCLK (or GPIO1 if programmed as WCLK) is an input (slave mode) 1: WCLK (or GPIO1 if programmed as WCLK) is an output (master mode) |
|
| D5 | R/W | 0 | Serial Output Data Driver (DOUT) 3-State Control 0: Do not place DOUT in high-impedance state when valid data is not being sent 1: Place DOUT in high-impedance state when valid data is not being sent |
|
| D4 | R/W | 0 | Bit/Word Clock Drive Control 0: BCLK (or GPIO2 if programmed as BCLK) / WCLK (or GPIO1 if programmed as WCLK) does not continue to be transmitted when running in master mode if codec is powered down 1: BCLK (or GPIO2 if programmed as BCLK) / WCLK (or GPIO1 if programmed as WCLK) continues to be transmitted when running in master mode, even if codec is powered down |
|
| D3 | R/W | 0 | Reserved, write only zero to this bit. | |
| D2 | R/W | 0 | 3D Effect Control 0: Disable 3D digital effect processing 1: Enable 3D digital effect processing |
|
| D1–D0 | R/W | 00 | Digital Microphone Functionality Control 00: Digital microphone support is disabled 01: Digital microphone support is enabled with an oversampling rate of 128 10: Digital microphone support is enabled with an oversampling rate of 64 11: Digital microphone support is enabled with an oversampling rate of 32 |
|
| BIT | READ/ WRITE |
RESET VALUE |
DESCRIPTION | |
|---|---|---|---|---|
| D7–D6 | R/W | 00 | Audio Serial Data Interface Transfer Mode 00: Serial data bus uses I2S mode 01: Serial data bus uses DSP mode 10: Serial data bus uses right-justified mode 11: Serial data bus uses left-justified mode |
|
| D5–D4 | R/W | 00 | Audio Serial Data Word Length Control 00: Audio data word length = 16 bits 01: Audio data word length = 20 bits 10: Audio data word length = 24 bits 11: Audio data word length = 32 bits |
|
| D3 | R/W | 0 | Bit Clock Rate Control This register only has effect when bit clock is programmed as an output 0: Continuous-transfer mode used to determine master mode bit clock rate 1: 256-clock transfer mode used, resulting in 256-bit clocks per frame |
|
| D2 | R/W | 0 | DAC Re-Sync 0: Do Not Care 1: Re-sync stereo DAC with codec interface if the group delay changes by more than ±DACFS / 4. |
|
| D1 | R/W | 0 | ADC Re-Sync 0: Do Not Care 1: Re-sync stereo ADC with codec interface if the group delay changes by more than ±ADCFS / 4. |
|
| D0 | R/W | Re-Sync Mute Behavior 0: Re-sync is done without soft-muting the channel. (ADC and DAC) 1: Re-sync is done by internally soft-muting the channel. (ADC and DAC) |
||
| BIT | READ/ WRITE |
RESET VALUE |
DESCRIPTION |
|---|---|---|---|
| D7–D0 | R/W | 0000 0000 | Audio Serial Data Word Offset Control This register determines where valid data is placed or expected in each frame, by controlling the offset from beginning of the frame where valid data begins. The offset is measured from the rising edge of word clock when in DSP mode. 0000 0000: Data offset = 0-bit clocks 0000 0001: Data offset = 1-bit clock 0000 0010: Data offset = 2-bit clocks … In continuous transfer mode the maximum offset is 17 for I2S/LJF/RJF modes and 16 for DSP mode. In 256-clock mode, the maximum offset is 242 for I2S/LJF/RJF and 241 for DSP modes. 1111 1110: Data offset = 254-bit clocks 1111 1111: Data offset = 255-bit clocks |
| BIT | READ/ WRITE |
RESET VALUE |
DESCRIPTION |
|---|---|---|---|
| D7 | R | 0 | Left ADC Overflow Flag This is a sticky bit, so stays set if an overflow occurs, even if the overflow condition is removed. The register bit reset to 0 after it is read. 0: No overflow has occurred 1: An overflow has occurred |
| D6 | R | 0 | Right ADC Overflow Flag This is a sticky bit, so stays set if an overflow occurs, even if the overflow condition is removed. The register bit reset to 0 after it is read. 0: No overflow has occurred 1: An overflow has occurred |
| D5 | R | 0 | Left DAC Overflow Flag This is a sticky bit, so stays set if an overflow occurs, even if the overflow condition is removed. The register bit reset to 0 after it is read. 0: No overflow has occurred 1: An overflow has occurred |
| D4 | R | 0 | Right DAC Overflow Flag This is a sticky bit, so stays set if an overflow occurs, even if the overflow condition is removed. The register bit reset to 0 after it is read. 0: No overflow has occurred 1: An overflow has occurred |
| D3–D0 | R/W | 0001 | PLL R Value 0000: R = 16 0001 : R = 1 0010 : R = 2 0011 : R = 3 0100 : R = 4 … 1110: R = 14 1111: R = 15 |
| BIT | READ/ WRITE |
RESET VALUE |
DESCRIPTION |
|---|---|---|---|
| D7–D6 | R/W | 00 | Left ADC Highpass Filter Control 00: Left ADC highpass filter disabled 01: Left ADC highpass filter –3-dB frequency = 0.0045 × ADC fS 10: Left ADC highpass filter –3-dB frequency = 0.0125 × ADC fS 11: Left ADC highpass filter –3-dB frequency = 0.025 × ADC fS |
| D5–D4 | R/W | 00 | Right ADC Highpass Filter Control 00: Right ADC highpass filter disabled 01: Right ADC highpass filter –3-dB frequency = 0.0045 × ADC fS 10: Right ADC highpass filter –3-dB frequency = 0.0125 × ADC fS 11: Right ADC highpass filter –3-dB frequency = 0.025 × ADC fS |
| D3 | R/W | 0 | Left DAC Digital Effects Filter Control 0: Left DAC digital effects filter disabled (bypassed) 1: Left DAC digital effects filter enabled |
| D2 | R/W | 0 | Left DAC De-emphasis Filter Control 0: Left DAC de-emphasis filter disabled (bypassed) 1: Left DAC de-emphasis filter enabled |
| D1 | R/W | 0 | Right DAC Digital Effects Filter Control 0: Right DAC digital effects filter disabled (bypassed) 1: Right DAC digital effects filter enabled |
| D0 | R/W | 0 | Right DAC De-emphasis Filter Control 0: Right DAC de-emphasis filter disabled (bypassed) 1: Right DAC de-emphasis filter enabled |
| BIT | READ/ WRITE |
RESET VALUE |
DESCRIPTION |
|---|---|---|---|
| D7 | R/W | 0 | Headset Detection Control 0: Headset detection disabled 1: Headset detection enabled |
| D6–D5 | R | 00 | Headset Type Detection Results 00: No headset detected 01: Headset without microphone detected 10: Ignore (reserved) 11: Headset with microphone detected |
| D4–D2 | R/W | 000 | Headset Glitch Suppression Debounce Control for Jack Detection 000: Debounce = 16 ms (sampled with 2-ms clock) 001: Debounce = 32 ms (sampled with 4-ms clock) 010: Debounce = 64 ms (sampled with 8-ms clock) 011: Debounce = 128 ms (sampled with 16-ms clock) 100: Debounce = 256 ms (sampled with 32-ms clock) 101: Debounce = 512 ms (sampled with 64-ms clock) 110: Reserved, do not write this sequence. 111: Reserved, do not write this sequence. |
| D1–D0 | R/W | 00 | Headset Glitch Suppression Debounce Control for Button Press 00: Debounce = 0 ms 01: Debounce = 8 ms (sampled with 1-ms clock) 10: Debounce = 16 ms (sampled with 2-ms clock) 11: Debounce = 32 ms (sampled with 4-ms clock) |
| BIT | READ/ WRITE |
RESET VALUE |
DESCRIPTION |
|---|---|---|---|
| D7 | R/W | 0 | Driver Capacitive Coupling 0: Programs high-power outputs for capless driver configuration 1: Programs high-power outputs for AC-coupled driver configuration |
| D6(1) | R/W | 0 | Stereo Output Driver Configuration A Do not set Bits D6 and D3 both high at the same time. 0: A stereo fully differential output configuration is not being used 1: A stereo fully differential output configuration is being used |
| D5 | R | 0 | Button Press Detection Flag This register is a sticky bit, and stays set to 1 after a button press has been detected, until the register is read. Upon reading this register, the bit is reset to zero. 0: A button press has not been detected 1: A button press has been detected |
| D4 | R | 0 | Headset Detection Flag 0: A headset has not been detected 1: A headset has been detected |
| D3(1) | R/W | 0 | Stereo Output Driver Configuration B Do not set Bits D6 and D3 both high at the same time. 0: A stereo pseudodifferential output configuration is not being used 1: A stereo pseudodifferential output configuration is being used |
| D2–D0 | R | 000 | Reserved, write only zeros to these bits. |
| BIT | READ/ WRITE |
RESET VALUE |
DESCRIPTION |
|---|---|---|---|
| D7 | R/W | 1 | Left ADC PGA Mute 0: The left ADC PGA is not muted 1: The left ADC PGA is muted |
| D6–D0 | R/W | 000 0000 | Left ADC PGA Gain Setting 000 0000: Gain = 0 dB 000 0001: Gain = 0.5 dB 0000010: Gain = 1 dB … 111 0110: Gain = 59 dB 111 0111: Gain = 59.5 dB 111 1000: Gain = 59.5 dB … 111 1111: Gain = 59.5 dB |
| BIT | READ/ WRITE |
RESET VALUE |
DESCRIPTION |
|---|---|---|---|
| D7 | R/W | 1 | Right ADC PGA Mute 0: The right ADC PGA is not muted 1: The right ADC PGA is muted |
| D6–D0 | R/W | 000 0000 | Right ADC PGA Gain Setting 000 0000: Gain = 0 dB 000 0001: Gain = 0.5 dB 000 0010: Gain = 1 dB … 111 0110: Gain = 59 dB 111 0111: Gain = 59.5 dB 111 1000: Gain = 59.5 dB … 111 1111: Gain = 59.5 dB |
| BIT | READ/ WRITE |
RESET VALUE |
DESCRIPTION |
|---|---|---|---|
| D7–D4 | R/W | 1111 | MIC3L Input Level Control for Left ADC PGA Mix Setting the input level control to a gain below automatically connects MIC3L to the left ADC PGA mix 0000: Input level control gain = 0 dB 0001: Input level control gain = –1.5 dB 0010: Input level control gain = –3 dB 0011: Input level control gain = –4.5 dB 0100: Input level control gain = –6 dB 0101: Input level control gain = –7.5 dB 0110: Input level control gain = –9 dB 0111: Input level control gain = –10.5 dB 1000: Input level control gain = –12 dB 1001–1110: Reserved, do not write these sequences. 1111: MIC3L is not connected to the left ADC PGA |
| D3–D0 | R/W | 1111 | MIC3R Input Level Control for Left ADC PGA Mix Setting the input level control to a gain below automatically connects MIC3R to the left ADC PGA mix 0000: Input level control gain = 0 dB 0001: Input level control gain = –1.5 dB 0010: Input level control gain = –3 dB 0011: Input level control gain = –4.5 dB 0100: Input level control gain = –6 dB 0101: Input level control gain = –7.5 dB 0110: Input level control gain = –9 dB 0111: Input level control gain = –10.5 dB 1000: Input level control gain = –12 dB 1001–1110: Reserved, do not write these sequences. 1111: MIC3R is not connected to the left ADC PGA |
| BIT | READ/ WRITE |
RESET VALUE |
DESCRIPTION |
|---|---|---|---|
| D7–D4 | R/W | 1111 | MIC3L Input Level Control for Right ADC PGA Mix Setting the input level control to a gain below automatically connects MIC3L to the right ADC PGA mix 0000: Input level control gain = 0 dB 0001: Input level control gain = –1.5 dB 0010: Input level control gain = –3 dB 0011: Input level control gain = –4.5 dB 0100: Input level control gain = –6 dB 0101: Input level control gain = –7.5 dB 0110: Input level control gain = –9 dB 0111: Input level control gain = –10.5 dB 1000: Input level control gain = –12 dB 1001–1110: Reserved, do not write these sequences. 1111: MIC3L is not connected to the right ADC PGA |
| D3–D0 | R/W | 1111 | MIC3R Input Level Control for Right ADC PGA Mix Setting the input level control to a gain below automatically connects MIC3R to the right ADC PGA mix 0000: Input level control gain = 0 dB 0001: Input level control gain = –1.5 dB 0010: Input level control gain = –3 dB 0011: Input level control gain = –4.5 dB 0100: Input level control gain = –6 dB 0101: Input level control gain = –7.5 dB 0110: Input level control gain = –9 dB 0111: Input level control gain = –10.5 dB 1000: Input level control gain = –12 dB 1001–1110: Reserved, do not write these sequences. 1111: MIC3R is not connected to right ADC PGA |
| BIT | READ/ WRITE |
RESET VALUE |
DESCRIPTION |
|---|---|---|---|
| D7 | R/W | 0 | LINE1L Single-Ended vs Fully Differential Control If LINE1L is selected to both left and right ADC channels, both connections must use the same configuration (single-ended or fully differential mode). 0: LINE1L is configured in single-ended mode 1: LINE1L is configured in fully differential mode |
| D6–D3 | R/W | 1111 | LINE1L Input Level Control for Left ADC PGA Mix Setting the input level control to a gain below automatically connects LINE1L to the left ADC PGA mix 0000: Input level control gain = 0 dB 0001: Input level control gain = –1.5 dB 0010: Input level control gain = –3 dB 0011: Input level control gain = –4.5 dB 0100: Input level control gain = –6 dB 0101: Input level control gain = –7.5 dB 0110: Input level control gain = –9 dB 0111: Input level control gain = –10.5 dB 1000: Input level control gain = –12 dB 1001–1110: Reserved, do not write these sequences. 1111: LINE1L is not connected to the left ADC PGA |
| D2 | R/W | 0 | Left ADC Channel Power Control 0: Left ADC channel is powered down 1: Left ADC channel is powered up |
| D1–D0 | R/W | 00 | Left ADC PGA Soft-Stepping Control 00: Left ADC PGA soft-stepping at once per fS 01: Left ADC PGA soft-stepping at once per two fS 10–11: Left ADC PGA soft-stepping is disabled |
| BIT | READ/ WRITE |
RESET VALUE |
DESCRIPTION | |
|---|---|---|---|---|
| D7 | R/W | 0 | LINE2L Single-Ended vs Fully Differential Control If LINE2L is selected to both left and right ADC channels, both connections must use the same configuration (single-ended or fully differential mode). 0: LINE2L is configured in single-ended mode 1: LINE2L is configured in fully differential mode |
|
| D6–D3 | R/W | 1111 | LINE2L Input Level Control for Left ADC PGA Mix Setting the input level control to a gain below automatically connects LINE2L to the left ADC PGA mix 0000: Input level control gain = 0 dB 0001: Input level control gain = –1.5 dB 0010: Input level control gain = –3 dB 0011: Input level control gain = –4.5 dB 0100: Input level control gain = –6 dB 0101: Input level control gain = –7.5 dB 0110: Input level control gain = –9 dB 0111: Input level control gain = –10.5 dB 1000: Input level control gain = –12 dB 1001–1110: Reserved, do not write these sequences. 1111: LINE2L is not connected to the left ADC PGA |
|
| D2 | R/W | 0 | Left ADC Channel Weak Common-Mode Bias Control 0: Left ADC channel unselected inputs are not biased weakly to the ADC common-mode voltage 1: Left ADC channel unselected inputs are biased weakly to the ADC common-mode voltage |
|
| D1–D0 | R | 00 | Reserved, write only zeros to these bits. | |
| BIT | READ/ WRITE |
RESET VALUE |
DESCRIPTION |
|---|---|---|---|
| D7 | R/W | 0 | LINE1R Single-Ended vs Fully Differential Control If LINE1R is selected to both left and right ADC channels, both connections must use the same configuration (single-ended or fully differential mode). 0: LINE1R is configured in single-ended mode 1: LINE1R is configured in fully differential mode |
| D6–D3 | R/W | 1111 | LINE1R Input Level Control for Left ADC PGA Mix Setting the input level control to a gain below automatically connects LINE1R to the left ADC PGA mix 0000: Input level control gain = 0 dB 0001: Input level control gain = –1.5 dB 0010: Input level control gain = –3 dB 0011: Input level control gain = –4.5 dB 0100: Input level control gain = –6 dB 0101: Input level control gain = –7.5 dB 0110: Input level control gain = –9 dB 0111: Input level control gain = –10.5 dB 1000: Input level control gain = –12 dB 1001–1110: Reserved, do not write these sequences. 1111: LINE1R is not connected to the left ADC PGA |
| D2–D0 | R | 000 | Reserved, write only zeros to these bits. |
| BIT | READ/ WRITE |
RESET VALUE |
DESCRIPTION |
|---|---|---|---|
| D7 | R/W | 0 | LINE1R Single-Ended vs Fully Differential Control If LINE1R is selected to both left and right ADC channels, both connections must use the same configuration (single-ended or fully differential mode). 0: LINE1R is configured in single-ended mode 1: LINE1R is configured in fully differential mode |
| D6–D3 | R/W | 1111 | LINE1R Input Level Control for Right ADC PGA Mix Setting the input level control to a gain below automatically connects LINE1R to the right ADC PGA mix 0000: Input level control gain = 0 dB 0001: Input level control gain = –1.5 dB 0010: Input level control gain = –3 dB 0011: Input level control gain = –4.5 dB 0100: Input level control gain = –6 dB 0101: Input level control gain = –7.5 dB 0110: Input level control gain = –9 dB 0111: Input level control gain = –10.5 dB 1000: Input level control gain = –12 dB 1001–1110: Reserved, do not write these sequences. 1111: LINE1R is not connected to the right ADC PGA |
| D2 | R/W | 0 | Right ADC Channel Power Control 0: Right ADC channel is powered down 1: Right ADC channel is powered up |
| D1–D0 | R/W | 00 | Right ADC PGA Soft-Stepping Control 00: Right ADC PGA soft-stepping at once per fS 01: Right ADC PGA soft-stepping at once per two fS 10–11: Right ADC PGA soft-stepping is disabled |
| BIT | READ/ WRITE |
RESET VALUE |
DESCRIPTION | |
|---|---|---|---|---|
| D7 | R/W | 0 | LINE2R Single-Ended vs Fully Differential Control If LINE2R is selected to both left and right ADC channels, both connections must use the same configuration (single-ended or fully differential mode). 0: LINE2R is configured in single-ended mode 1: LINE2R is configured in fully differential mode |
|
| D6–D3 | R/W | 1111 | LINE2R Input Level Control for Right ADC PGA Mix Setting the input level control to a gain below automatically connects LINE2R to the right ADC PGA mix 0000: Input level control gain = 0 dB 0001: Input level control gain = –1.5 dB 0010: Input level control gain = –3 dB 0011: Input level control gain = –4.5 dB 0100: Input level control gain = –6 dB 0101: Input level control gain = –7.5 dB 0110: Input level control gain = –9 dB 0111: Input level control gain = –10.5 dB 1000: Input level control gain = –12 dB 1001–1110: Reserved, do not write these sequences. 1111: LINE2R is not connected to the right ADC PGA |
|
| D2 | R/W | 0 | Right ADC Channel Weak Common-Mode Bias Control 0: Right ADC channel unselected inputs are not biased weakly to the ADC common-mode voltage 1: Right ADC channel unselected inputs are biased weakly to the ADC common-mode voltage |
|
| D1–D0 | R | 00 | Reserved, write only zeros to these bits. | |
| BIT | READ/ WRITE |
RESET VALUE |
DESCRIPTION |
|---|---|---|---|
| D7 | R/W | 0 | LINE1L Single-Ended vs Fully Differential Control If LINE1L is selected to both left and right ADC channels, both connections must use the same configuration (single-ended or fully differential mode). 0: LINE1L is configured in single-ended mode 1: LINE1L is configured in fully differential mode |
| D6–D3 | R/W | 1111 | LINE1L Input Level Control for Right ADC PGA Mix Setting the input level control to a gain below automatically connects LINE1L to the right ADC PGA mix 0000: Input level control gain = 0 dB 0001: Input level control gain = –1.5 dB 0010: Input level control gain = –3 dB 0011: Input level control gain = –4.5 dB 0100: Input level control gain = –6 dB 0101: Input level control gain = –7.5 dB 0110: Input level control gain = –9 dB 0111: Input level control gain = –10.5 dB 1000: Input level control gain = –12 dB 1001–1110: Reserved, do not write these sequences. 1111: LINE1L is not connected to the right ADC PGA |
| D2–D0 | R | 000 | Reserved, write only zeros to these bits. |
| BIT | READ/ WRITE |
RESET VALUE |
DESCRIPTION |
|---|---|---|---|
| D7–D6 | R/W | 00 | MICBIAS Level Control 00: MICBIAS output is powered down 01: MICBIAS output is powered to 2 V 10: MICBIAS output is powered to 2.5 V 11: MICBIAS output is connected to AVDD |
| D5–D4 | R/W | 00 | Digital Microphone Control 00: If Digital MIC is enabled, both Left and Right Digital MICs are available 01: If Digital MIC is enabled, Left Digital MIC and Right ADC are available 10: If Digital MIC is enabled, Left ADC and Right Digital MIC are available 11: Reserved, do not write this sequence. |
| D3 | R | 0 | Reserved, write only zero to this bit. |
| D2–D0 | R | XXX | Reserved, write only zeros to these bits. |
| BIT | READ/ WRITE |
RESET VALUE |
DESCRIPTION |
|---|---|---|---|
| D7 | R/W | 0 | Left AGC Enable 0: Left AGC is disabled 1: Left AGC is enabled |
| D6–D4 | R/W | 000 | Left AGC Target Level 000: Left AGC target level = –5.5 dB 001: Left AGC target level = –8 dB 010: Left AGC target level = –10 dB 011: Left AGC target level = –12 dB 100: Left AGC target level = –14 dB 101: Left AGC target level = –17 dB 110: Left AGC target level = –20 dB 111: Left AGC target level = –24 dB |
| D3–D2 | R/W | 00 | Left AGC Attack Time These time constants(1) are not accurate when double rate audio mode is enabled. 00: Left AGC attack time = 8 ms 01: Left AGC attack time = 11 ms 10: Left AGC attack time = 16 ms 11: Left AGC attack time = 20 ms |
| D1–D0 | R/W | 00 | Left AGC Decay Time These time constants(1) are not accurate when double rate audio mode is enabled. 00: Left AGC decay time = 100 ms 01: Left AGC decay time = 200 ms 10: Left AGC decay time = 400 ms 11: Left AGC decay time = 500 ms |
| BIT | READ/ WRITE |
RESET VALUE |
DESCRIPTION |
|---|---|---|---|
| D7–D1 | R/W | 1111 111 | Left AGC Maximum Gain Allowed 0000 000: Maximum gain = 0 dB 0000 001: Maximum gain = 0.5 dB 0000 010: Maximum gain = 1 dB … 1110 110: Maximum gain = 59 dB 1110 111–1111 111: Maximum gain = 59.5 dB |
| D0 | R/W | 0 | Reserved, write only zero to this bit. |
| BIT | READ/ WRITE |
RESET VALUE |
DESCRIPTION |
|---|---|---|---|
| D7–D6 | R/W | 00 | Noise Gate Hysteresis Level Control 00: Hysteresis = 1 dB 01: Hysteresis = 2 dB 10: Hysteresis = 3 dB 11: Hysteresis is disabled |
| D5–D1 | R/W | 00 000 | Left AGC Noise Threshold Control 00 000: Left AGC Noise/Silence Detection disabled 00 001: Left AGC noise threshold = –30 dB 00 010: Left AGC noise threshold = –32 dB 00 011: Left AGC noise threshold = –34 dB … 11 101: Left AGC noise threshold = –86 dB 11 110: Left AGC noise threshold = –88 dB 11 111: Left AGC noise threshold = –90 dB |
| D0 | R/W | 0 | Left AGC Clip Stepping Control 0: Left AGC clip stepping disabled 1: Left AGC clip stepping enabled |
| BIT | READ/ WRITE |
RESET VALUE |
DESCRIPTION |
|---|---|---|---|
| D7 | R/W | 0 | Right AGC Enable 0: Right AGC is disabled 1: Right AGC is enabled |
| D6–D4 | R/W | 000 | Right AGC Target Level 000: Right AGC target level = –5.5 dB 001: Right AGC target level = –8 dB 010: Right AGC target level = –10 dB 011: Right AGC target level = –12 dB 100: Right AGC target level = –14 dB 101: Right AGC target level = –17 dB 110: Right AGC target level = –20 dB 111: Right AGC target level = –24 dB |
| D3–D2 | R/W | 00 | Right AGC Attack Time These time constants are not accurate when double rate audio mode is enabled. 00: Right AGC attack time = 8 ms 01: Right AGC attack time = 11 ms 10: Right AGC attack time = 16 ms 11: Right AGC attack time = 20 ms |
| D1–D0 | R/W | 00 | Right AGC Decay Time These time constants are not accurate when double rate audio mode is enabled. 00: Right AGC decay time = 100 ms 01: Right AGC decay time = 200 ms 10: Right AGC decay time = 400 ms 11: Right AGC decay time = 500 ms |
| BIT | READ/ WRITE |
RESET VALUE |
DESCRIPTION |
|---|---|---|---|
| D7–D1 | R/W | 1111 111 | Right AGC Maximum Gain Allowed 0000 000: Maximum gain = 0 dB 0000 001: Maximum gain = 0.5 dB 0000 010: Maximum gain = 1 dB … 1110 110: Maximum gain = 59 dB 1110 111–1111 111: Maximum gain = 59.5 dB |
| D0 | R/W | 0 | Reserved, write only zero to this bit. |
| BIT | READ/ WRITE |
RESET VALUE |
DESCRIPTION |
|---|---|---|---|
| D7–D6 | R/W | 00 | Noise Gate Hysteresis Level Control 00: Hysteresis = 1 dB 01: Hysteresis = 2 dB 10: Hysteresis = 3 dB 11: Hysteresis is disabled |
| D5–D1 | R/W | 00 000 | Right AGC Noise Threshold Control 00 000: Right AGC Noise/Silence Detection disabled 00 001: Right AGC noise threshold = –30 dB 00 010: Right AGC noise threshold = –32 dB 00 011: Right AGC noise threshold = –34 dB … 11 101: Right AGC noise threshold = –86 dB 11 110: Right AGC noise threshold = –88 dB 11 111: Right AGC noise threshold = –90 dB |
| D0 | R/W | 0 | Right AGC Clip Stepping Control 0: Right AGC clip stepping disabled 1: Right AGC clip stepping enabled |
| BIT | READ/ WRITE |
RESET VALUE |
DESCRIPTION |
|---|---|---|---|
| D7–D0 | R | 0000 0000 | Left Channel Gain Applied by AGC Algorithm 1110 1000: Gain = –12 dB 1110 1001: Gain = –11.5 dB 1110 1010: Gain = –11 dB … 0000 0000: Gain = 0 dB 0000 0001: Gain = 0.5 dB … 0111 0110: Gain = 59 dB 0111 0111: Gain = 59.5 dB |
| BIT | READ/ WRITE |
RESET VALUE |
DESCRIPTION |
|---|---|---|---|
| D7–D0 | R | 0000 0000 | Right Channel Gain Applied by AGC Algorithm 1110 1000: Gain = –12 dB 1110 1001: Gain = –11.5 dB 1110 1010: Gain = –11 dB … 0000 0000: Gain = 0 dB 0000 0001: Gain = 0.5 dB … 0111 0110: Gain = 59 dB 0111 0111: Gain = 59.5 dB |
| BIT | READ/ WRITE |
RESET VALUE |
DESCRIPTION |
|---|---|---|---|
| D7–D3 | R/W | 0000 0 | Left AGC Noise Detection Debounce Control These times(1) are not accurate when double rate audio mode is enabled. 0000 0: Debounce = 0 ms 0000 1: Debounce = 0.5 ms 0001 0: Debounce = 1 ms 0001 1: Debounce = 2 ms 0010 0: Debounce = 4 ms 0010 1: Debounce = 8 ms 0011 0: Debounce = 16 ms 0011 1: Debounce = 32 ms 0100 0: Debounce = 64 × 1 = 64 ms 0100 1: Debounce = 64 × 2 = 128 ms 0101 0: Debounce = 64 × 3 = 192 ms … 1111 0: Debounce = 64 × 23 = 1472 ms 1111 1: Debounce = 64 × 24 = 1536 ms |
| D2–D0 | R/W | 000 | Left AGC Signal Detection Debounce Control These times(1) are not accurate when double rate audio mode is enabled. 000: Debounce = 0 ms 001: Debounce = 0.5 ms 010: Debounce = 1 ms 011: Debounce = 2 ms 100: Debounce = 4 ms 101: Debounce = 8 ms 110: Debounce = 16 ms 111: Debounce = 32 ms |
| BIT | READ/ WRITE |
RESET VALUE |
DESCRIPTION |
|---|---|---|---|
| D7–D3 | R/W | 0000 0 | Right AGC Noise Detection Debounce Control These times(1) are not accurate when double rate audio mode is enabled. 0000 0: Debounce = 0 ms 0000 1: Debounce = 0.5 ms 0001 0: Debounce = 1 ms 0001 1: Debounce = 2 ms 0010 0: Debounce = 4 ms 0010 1: Debounce = 8 ms 0011 0: Debounce = 16 ms 0011 1: Debounce = 32 ms 0100 0: Debounce = 64 × 1 = 64 ms 0100 1: Debounce = 64 × 2 = 128 ms 0101 0: Debounce = 64 × 3 = 192 ms … 1111 0: Debounce = 64 × 23 = 1472 ms 1111 1: Debounce = 64 × 24 = 1536 ms |
| D2–D0 | R/W | 000 | Right AGC Signal Detection Debounce Control These times(1) are not accurate when double rate audio mode is enabled. 000: Debounce = 0 ms 001: Debounce = 0.5 ms 010: Debounce = 1 ms 011: Debounce = 2 ms 100: Debounce = 4 ms 101: Debounce = 8 ms 110: Debounce = 16 ms 111: Debounce = 32 ms |
| BIT | READ/ WRITE |
RESET VALUE |
DESCRIPTION |
|---|---|---|---|
| D7 | R | 0 | Left ADC PGA Status 0: Applied gain and programmed gain are not the same 1: Applied gain = programmed gain |
| D6 | R | 0 | Left ADC Power Status 0: Left ADC is in a power down state 1: Left ADC is in a power up state |
| D5 | R | 0 | Left AGC Signal Detection Status 0: Signal power is greater than noise threshold 1: Signal power is less than noise threshold |
| D4 | R | 0 | Left AGC Saturation Flag 0: Left AGC is not saturated 1: Left AGC gain applied = maximum allowed gain for left AGC |
| D3 | R | 0 | Right ADC PGA Status 0: Applied gain and programmed gain are not the same 1: Applied gain = programmed gain |
| D2 | R | 0 | Right ADC Power Status 0: Right ADC is in a power down state 1: Right ADC is in a power up state |
| D1 | R | 0 | Right AGC Signal Detection Status 0: Signal power is greater than noise threshold 1: Signal power is less than noise threshold |
| D0 | R | 0 | Right AGC Saturation Flag 0: Right AGC is not saturated 1: Right AGC gain applied = maximum allowed gain for right AGC |
| BIT | READ/ WRITE |
RESET VALUE |
DESCRIPTION |
|---|---|---|---|
| D7 | R/W | 0 | Left DAC Power Control 0: Left DAC not powered up 1: Left DAC is powered up |
| D6 | R/W | 0 | Right DAC Power Control 0: Right DAC not powered up 1: Right DAC is powered up |
| D5–D4 | R/W | 00 | HPLCOM Output Driver Configuration Control 00: HPLCOM configured as differential of HPLOUT 01: HPLCOM configured as constant VCM output 10: HPLCOM configured as independent single-ended output 11: Reserved, do not write this sequence. |
| D3–D0 | R | 000 | Reserved, write only zeros to these bits. |
| BIT | READ/ WRITE |
RESET VALUE |
DESCRIPTION |
|---|---|---|---|
| D7–D6 | R | 00 | Reserved, write only zeros to these bits. |
| D5–D3 | R/W | 000 | HPRCOM Output Driver Configuration Control 000: HPRCOM configured as differential of HPROUT 001: HPRCOM configured as constant VCM output 010: HPRCOM configured as independent single-ended output 011: HPRCOM configured as differential of HPLCOM 100: HPRCOM configured as external feedback with HPLCOM as constant VCM output 101–111: Reserved, do not write these sequences. |
| D2 | R/W | 0 | Short Circuit Protection Control 0: Short circuit protection on all high power output drivers is disabled 1: Short circuit protection on all high power output drivers is enabled |
| D1 | R/W | 0 | Short-Circuit Protection Mode Control 0: If short circuit protection enabled, it limits the maximum current to the load 1: If short circuit protection enabled, it powers down the output driver automatically when a short is detected |
| D0 | R | 0 | Reserved, write only zero to this bit. |
| BIT | READ/ WRITE |
RESET VALUE |
DESCRIPTION |
|---|---|---|---|
| D7–D0 | R | 0000 0000 | Reserved, do not write to this register. |
| BIT | READ/ WRITE |
RESET VALUE |
DESCRIPTION |
|---|---|---|---|
| D7–D6 | R/W | 00 | Output Common-Mode Voltage Control 00: Output common-mode voltage = 1.35 V 01: Output common-mode voltage = 1.5 V 10: Output common-mode voltage = 1.65 V 11: Output common-mode voltage = 1.8 V |
| D5–D4 | R/W | 00 | LINE2L Bypass Path Control 00: LINE2L bypass is disabled 01: LINE2L bypass uses LINE2LP single-ended 10: LINE2L bypass uses LINE2LM single-ended 11: LINE2L bypass uses LINE2LP/M differentially |
| D3–D2 | R/W | 00 | LINE2R Bypass Path Control 00: LINE2R bypass is disabled 01: LINE2R bypass uses LINE2RP single-ended 10: LINE2R bypass uses LINE2RM single-ended 11: LINE2R bypass uses LINE2RP/M differentially |
| D1–D0 | R/W | 00 | Output Volume Control Soft-Stepping 00: Output soft-stepping = one step per fS 01: Output soft-stepping = one step per 2 fS 10: Output soft-stepping disabled 11: Reserved, do not write this sequence. |
| BIT | READ/ WRITE |
RESET VALUE |
DESCRIPTION |
|---|---|---|---|
| D7–D6 | R/W | 00 | Left DAC Output Switching Control 00: Left DAC output selects DAC_L1 path 01: Left DAC output selects DAC_L3 path to left line output driver 10: Left DAC output selects DAC_L2 path to left high power output drivers 11: Reserved, do not write this sequence. |
| D5–D4 | R/W | 00 | Right DAC Output Switching Control 00: Right DAC output selects DAC_R1 path 01: Right DAC output selects DAC_R3 path to right line output driver 10: Right DAC output selects DAC_R2 path to right high power output drivers 11: Reserved, do not write this sequence. |
| D3–D2 | R/W | 00 | Reserved, write only zeros to these bits. |
| D1–D0 | R/W | 00 | DAC Digital Volume Control Functionality 00: Left and right DAC channels have independent volume controls 01: Left DAC volume follows the right channel control register 10: Right DAC volume follows the left channel control register 11: Left and right DAC channels have independent volume controls (same as 00) |
| BIT | READ/ WRITE |
RESET VALUE |
DESCRIPTION |
|---|---|---|---|
| D7–D4 | R/W | 0000 | Output Driver Power-On Delay Control 0000: Driver power-on time = 0 μs 0001: Driver power-on time = 10 μs 0010: Driver power-on time = 100 μs 0011: Driver power-on time = 1 ms 0100: Driver power-on time = 10 ms 0101: Driver power-on time = 50 ms 0110: Driver power-on time = 100 ms 0111: Driver power-on time = 200 ms 1000: Driver power-on time = 400 ms 1001: Driver power-on time = 800 ms 1010: Driver power-on time = 2 s 1011: Driver power-on time = 4 s 1100–1111: Reserved, do not write these sequences. |
| D3–D2 | R/W | 00 | Driver Ramp-up Step Timing Control 00: Driver ramp-up step time = 0 ms 01: Driver ramp-up step time = 1 ms 10: Driver ramp-up step time = 2 ms 11: Driver ramp-up step time = 4 ms |
| D1 | R/W | 0 | Weak Output Common-mode Voltage Control |
| 0: Weakly driven output common-mode voltage is generated from resistor divider off the AVDD supply | |||
| 1: Weakly driven output common-mode voltage is generated from bandgap reference | |||
| D0 | R/W | 0 | Reserved, write only zero to this bit. |
| BIT | READ/ WRITE |
RESET VALUE |
DESCRIPTION |
|---|---|---|---|
| D7 | R/W | 1 | Left DAC Digital Mute 0: The left DAC channel is not muted 1: The left DAC channel is muted |
| D6–D0 | R/W | 000 0000 | Left DAC Digital Volume Control Setting 000 0000: Gain = 0 dB 000 0001: Gain = –0.5 dB 000 0010: Gain = –1 dB … 111 1101: Gain = –62.5 dB 111 1110: Gain = –63 dB 111 1111: Gain = –63.5 dB |
| BIT | READ/ WRITE |
RESET VALUE |
DESCRIPTION |
|---|---|---|---|
| D7 | R/W | 1 | Right DAC Digital Mute 0: The right DAC channel is not muted 1: The right DAC channel is muted |
| D6–D0 | R/W | 000 0000 | Right DAC Digital Volume Control Setting 000 0000: Gain = 0 dB 000 0001: Gain = –0.5 dB 000 0010: Gain = –1 dB … 111 1101: Gain = –62.5 dB 111 1110: Gain = –63 dB 111 1111: Gain = –63.5 dB |
A basic analog volume control with range from 0 dB to –78 dB and mute is replicated multiple times in the output stage network, connected to each of the analog signals that route to the output stage. In addition, to enable completely independent mixing operations to be performed for each output driver, each analog signal coming into the output stage may have up to seven separate volume controls. These volume controls all have approximately 0.5-dB step programmability over most of the gain range, with steps increasing slightly at the lowest attenuations. Table 53 lists the detailed gain versus programmed setting for this basic volume control.
| Gain Setting | Analog Gain (dB) |
Gain Setting | Analog Gain (dB) |
Gain Setting | Analog Gain (dB) |
Gain Setting | Analog Gain (dB) |
|---|---|---|---|---|---|---|---|
| 0 | 0 | 30 | –15 | 60 | –30.1 | 90 | –45.2 |
| 1 | –0.5 | 31 | –15.5 | 61 | –30.6 | 91 | –45.8 |
| 2 | –1 | 32 | –16 | 62 | –31.1 | 92 | –46.2 |
| 3 | –1.5 | 33 | –16.5 | 63 | –31.6 | 93 | –46.7 |
| 4 | –2 | 34 | –17 | 64 | –32.1 | 94 | –47.4 |
| 5 | –2.5 | 35 | –17.5 | 65 | –32.6 | 95 | –47.9 |
| 6 | –3 | 36 | –18 | 66 | –33.1 | 96 | –48.2 |
| 7 | –3.5 | 37 | –18.6 | 67 | –33.6 | 97 | –48.7 |
| 8 | –4 | 38 | –19.1 | 68 | –34.1 | 98 | –49.3 |
| 9 | –4.5 | 39 | –19.6 | 69 | –34.6 | 99 | –50 |
| 10 | –5 | 40 | –20.1 | 70 | –35.1 | 100 | –50.3 |
| 11 | –5.5 | 41 | –20.6 | 71 | –35.7 | 101 | –51 |
| 12 | –6 | 42 | –21.1 | 72 | –36.1 | 102 | –51.4 |
| 13 | –6.5 | 43 | –21.6 | 73 | –36.7 | 103 | –51.8 |
| 14 | –7 | 44 | –22.1 | 74 | –37.1 | 104 | –52.2 |
| 15 | –7.5 | 45 | –22.6 | 75 | –37.7 | 105 | –52.7 |
| 16 | –8 | 46 | –23.1 | 76 | –38.2 | 106 | –53.7 |
| 17 | –8.5 | 47 | –23.6 | 77 | –38.7 | 107 | –54.2 |
| 18 | –9 | 48 | –24.1 | 78 | –39.2 | 108 | –55.3 |
| 19 | –9.5 | 49 | –24.6 | 79 | –39.7 | 109 | –56.7 |
| 20 | –10 | 50 | –25.1 | 80 | –40.2 | 110 | –58.3 |
| 21 | –10.5 | 51 | –25.6 | 81 | –40.7 | 111 | –60.2 |
| 22 | –11 | 52 | –26.1 | 82 | –41.2 | 112 | –62.7 |
| 23 | –11.5 | 53 | –26.6 | 83 | –41.7 | 113 | –64.3 |
| 24 | –12 | 54 | –27.1 | 84 | –42.2 | 114 | –66.2 |
| 25 | –12.5 | 55 | –27.6 | 85 | –42.7 | 115 | –68.7 |
| 26 | –13 | 56 | –28.1 | 86 | –43.2 | 116 | –72.2 |
| 27 | –13.5 | 57 | –28.6 | 87 | –43.8 | 117 | –78.3 |
| 28 | –14 | 58 | –29.1 | 88 | –44.3 | 118–127 | Mute |
| 29 | –14.5 | 59 | –29.6 | 89 | –44.8 |
| BIT | READ/ WRITE |
RESET VALUE |
DESCRIPTION |
|---|---|---|---|
| D7 | R/W | 0 | LINE2L Output Routing Control 0: LINE2L is not routed to HPLOUT 1: LINE2L is routed to HPLOUT |
| D6–D0 | R/W | 000 0000 | LINE2L to HPLOUT Analog Volume Control For 7-bit register setting versus analog gain values, see Table 53 |
| BIT | READ/ WRITE |
RESET VALUE |
DESCRIPTION |
|---|---|---|---|
| D7 | R/W | 0 | PGA_L Output Routing Control 0: PGA_L is not routed to HPLOUT 1: PGA_L is routed to HPLOUT |
| D6–D0 | R/W | 000 0000 | PGA_L to HPLOUT Analog Volume Control For 7-bit register setting versus analog gain values, see Table 53 |
| BIT | READ/ WRITE |
RESET VALUE |
DESCRIPTION |
|---|---|---|---|
| D7 | R/W | 0 | DAC_L1 Output Routing Control 0: DAC_L1 is not routed to HPLOUT 1: DAC_L1 is routed to HPLOUT |
| D6–D0 | R/W | 000 0000 | DAC_L1 to HPLOUT Analog Volume Control For 7-bit register setting versus analog gain values, see Table 53 |
| BIT | READ/ WRITE |
RESET VALUE |
DESCRIPTION |
|---|---|---|---|
| D7 | R/W | 0 | LINE2R Output Routing Control 0: LINE2R is not routed to HPLOUT 1: LINE2R is routed to HPLOUT |
| D6–D0 | R/W | 000 0000 | LINE2R to HPLOUT Analog Volume Control For 7-bit register setting versus analog gain values, see Table 53 |
| BIT | READ/ WRITE |
RESET VALUE |
DESCRIPTION |
|---|---|---|---|
| D7 | R/W | 0 | PGA_R Output Routing Control 0: PGA_R is not routed to HPLOUT 1: PGA_R is routed to HPLOUT |
| D6–D0 | R/W | 000 0000 | PGA_R to HPLOUT Analog Volume Control For 7-bit register setting versus analog gain values, see Table 53 |
| BIT | READ/ WRITE |
RESET VALUE |
DESCRIPTION |
|---|---|---|---|
| D7 | R/W | 0 | DAC_R1 Output Routing Control 0: DAC_R1 is not routed to HPLOUT 1: DAC_R1 is routed to HPLOUT |
| D6–D0 | R/W | 000 0000 | DAC_R1 to HPLOUT Analog Volume Control For 7-bit register setting versus analog gain values, see Table 53 |
| BIT | READ/ WRITE |
RESET VALUE |
DESCRIPTION |
|---|---|---|---|
| D7–D4 | R/W | 0000 | HPLOUT Output Level Control 0000: Output level control = 0-dB 0001: Output level control = 1-dB 0010: Output level control = 2-dB ... 1000: Output level control = 8-dB 1001: Output level control = 9-dB 1010–1111: Reserved, do not write these sequences. |
| D3 | R/W | 0 | HPLOUT Mute 0: HPLOUT is muted 1: HPLOUT is not muted |
| D2 | R/W | 1 | HPLOUT Power Down Drive Control 0: HPLOUT is weakly driven to a common-mode when powered down 1: HPLOUT is high-impedance when powered down |
| D1 | R | 1 | HPLOUT Volume Control Status 0: All programmed gains to HPLOUT have been applied 1: Not all programmed gains to HPLOUT have been applied yet |
| D0 | R/W | 0 | HPLOUT Power Control 0: HPLOUT is not fully powered up 1: HPLOUT is fully powered up |
| BIT | READ/ WRITE |
RESET VALUE |
DESCRIPTION |
|---|---|---|---|
| D7 | R/W | 0 | LINE2L Output Routing Control 0: LINE2L is not routed to HPLCOM 1: LINE2L is routed to HPLCOM |
| D6–D0 | R/W | 000 0000 | LINE2L to HPLCOM Analog Volume Control For 7-bit register setting versus analog gain values, see Table 53 |
| BIT | READ/ WRITE |
RESET VALUE |
DESCRIPTION |
|---|---|---|---|
| D7 | R/W | 0 | PGA_L Output Routing Control 0: PGA_L is not routed to HPLCOM 1: PGA_L is routed to HPLCOM |
| D6–D0 | R/W | 000 0000 | PGA_L to HPLCOM Analog Volume Control For 7-bit register setting versus analog gain values, see Table 53 |
| BIT | READ/ WRITE |
RESET VALUE |
DESCRIPTION |
|---|---|---|---|
| D7 | R/W | 0 | DAC_L1 Output Routing Control 0: DAC_L1 is not routed to HPLCOM 1: DAC_L1 is routed to HPLCOM |
| D6–D0 | R/W | 000 0000 | DAC_L1 to HPLCOM Analog Volume Control For 7-bit register setting versus analog gain values, see Table 53 |
| BIT | READ/ WRITE |
RESET VALUE |
DESCRIPTION |
|---|---|---|---|
| D7 | R/W | 0 | LINE2R Output Routing Control 0: LINE2R is not routed to HPLCOM 1: LINE2R is routed to HPLCOM |
| D6–D0 | R/W | 000 0000 | LINE2R to HPLCOM Analog Volume Control For 7-bit register setting versus analog gain values, see Table 53 |
| BIT | READ/ WRITE |
RESET VALUE |
DESCRIPTION |
|---|---|---|---|
| D7 | R/W | 0 | PGA_R Output Routing Control 0: PGA_R is not routed to HPLCOM 1: PGA_R is routed to HPLCOM |
| D6–D0 | R/W | 000 0000 | PGA_R to HPLCOM Analog Volume Control For 7-bit register setting versus analog gain values, see Table 53 |
| BIT | READ/ WRITE |
RESET VALUE |
DESCRIPTION |
|---|---|---|---|
| D7 | R/W | 0 | DAC_R1 Output Routing Control 0: DAC_R1 is not routed to HPLCOM 1: DAC_R1 is routed to HPLCOM |
| D6–D0 | R/W | 000 0000 | DAC_R1 to HPLCOM Analog Volume Control For 7-bit register setting versus analog gain values, see Table 53 |
| BIT | READ/ WRITE |
RESET VALUE |
DESCRIPTION |
|---|---|---|---|
| D7–D4 | R/W | 0000 | HPLCOM Output Level Control 0000: Output level control = 0 dB 0001: Output level control = 1 dB 0010: Output level control = 2 dB ... 1000: Output level control = 8 dB 1001: Output level control = 9 dB 1010–1111: Reserved, do not write these sequences. |
| D3 | R/W | 0 | HPLCOM Mute 0: HPLCOM is muted 1: HPLCOM is not muted |
| D2 | R/W | 1 | HPLCOM Power Down Drive Control 0: HPLCOM is weakly driven to a common-mode when powered down 1: HPLCOM is high-impedance when powered down. |
| D1 | R | 1 | HPLCOM Volume Control Status 0: All programmed gains to HPLCOM have been applied 1: Not all programmed gains to HPLCOM have been applied yet |
| D0 | R/W | 0 | HPLCOM Power Control 0: HPLCOM is not fully powered up 1: HPLCOM is fully powered up |
| BIT | READ/ WRITE |
RESET VALUE |
DESCRIPTION |
|---|---|---|---|
| D7 | R/W | 0 | LINE2L Output Routing Control 0: LINE2L is not routed to HPROUT 1: LINE2L is routed to HPROUT |
| D6–D0 | R/W | 000 0000 | LINE2L to HPROUT Analog Volume Control For 7-bit register setting versus analog gain values, see Table 53 |
| BIT | READ/ WRITE |
RESET VALUE |
DESCRIPTION |
|---|---|---|---|
| D7 | R/W | 0 | PGA_L Output Routing Control 0: PGA_L is not routed to HPROUT 1: PGA_L is routed to HPROUT |
| D6–D0 | R/W | 000 0000 | PGA_L to HPROUT Analog Volume Control For 7-bit register setting versus analog gain values, see Table 53 |
| BIT | READ/ WRITE |
RESET VALUE |
DESCRIPTION |
|---|---|---|---|
| D7 | R/W | 0 | DAC_L1 Output Routing Control 0: DAC_L1 is not routed to HPROUT 1: DAC_L1 is routed to HPROUT |
| D6–D0 | R/W | 000 0000 | DAC_L1 to HPROUT Analog Volume Control For 7-bit register setting versus analog gain values, see Table 53 |
| BIT | READ/ WRITE |
RESET VALUE |
DESCRIPTION |
|---|---|---|---|
| D7 | R/W | 0 | LINE2R Output Routing Control 0: LINE2R is not routed to HPROUT 1: LINE2R is routed to HPROUT |
| D6–D0 | R/W | 000 0000 | LINE2R to HPROUT Analog Volume Control For 7-bit register setting versus analog gain values, see Table 53 |
| BIT | READ/ WRITE |
RESET VALUE |
DESCRIPTION |
|---|---|---|---|
| D7 | R/W | 0 | PGA_R Output Routing Control 0: PGA_R is not routed to HPROUT 1: PGA_R is routed to HPROUT |
| D6–D0 | R/W | 000 0000 | PGA_R to HPROUT Analog Volume Control For 7-bit register setting versus analog gain values, see Table 53 |
| BIT | READ/ WRITE |
RESET VALUE |
DESCRIPTION |
|---|---|---|---|
| D7 | R/W | 0 | DAC_R1 Output Routing Control 0: DAC_R1 is not routed to HPROUT 1: DAC_R1 is routed to HPROUT |
| D6–D0 | R/W | 000 0000 | DAC_R1 to HPROUT Analog Volume Control For 7-bit register setting versus analog gain values, see Table 53 |
| BIT | READ/ WRITE |
RESET VALUE |
DESCRIPTION |
|---|---|---|---|
| D7–D4 | R/W | 0000 | HPROUT Output Level Control 0000: Output level control = 0 dB 0001: Output level control = 1 dB 0010: Output level control = 2 dB ... 1000: Output level control = 8 dB 1001: Output level control = 9 dB 1010–1111: Reserved, do not write these sequences. |
| D3 | R/W | 0 | HPROUT Mute 0: HPROUT is muted 1: HPROUT is not muted |
| D2 | R/W | 1 | HPROUT Power Down Drive Control 0: HPROUT is weakly driven to a common-mode when powered down 1: HPROUT is high-impedance when powered down |
| D1 | R | 1 | HPROUT Volume Control Status 0: All programmed gains to HPROUT have been applied 1: Not all programmed gains to HPROUT have been applied yet |
| D0 | R/W | 0 | HPROUT Power Control 0: HPROUT is not fully powered up 1: HPROUT is fully powered up |
| BIT | READ/ WRITE |
RESET VALUE |
DESCRIPTION |
|---|---|---|---|
| D7 | R/W | 0 | LINE2L Output Routing Control 0: LINE2L is not routed to HPRCOM 1: LINE2L is routed to HPRCOM |
| D6–D0 | R/W | 000 0000 | LINE2L to HPRCOM Analog Volume Control For 7-bit register setting versus analog gain values, see Table 53 |
| BIT | READ/ WRITE |
RESET VALUE |
DESCRIPTION |
|---|---|---|---|
| D7 | R/W | 0 | PGA_L Output Routing Control 0: PGA_L is not routed to HPRCOM 1: PGA_L is routed to HPRCOM |
| D6–D0 | R/W | 000 0000 | PGA_L to HPRCOM Analog Volume Control For 7-bit register setting versus analog gain values, see Table 53 |
| BIT | READ/ WRITE |
RESET VALUE |
DESCRIPTION |
|---|---|---|---|
| D7 | R/W | 0 | DAC_L1 Output Routing Control 0: DAC_L1 is not routed to HPRCOM 1: DAC_L1 is routed to HPRCOM |
| D6–D0 | R/W | 000 0000 | DAC_L1 to HPRCOM Analog Volume Control For 7-bit register setting versus analog gain values, see Table 53 |
| BIT | READ/ WRITE |
RESET VALUE |
DESCRIPTION |
|---|---|---|---|
| D7 | R/W | 0 | LINE2R Output Routing Control 0: LINE2R is not routed to HPRCOM 1: LINE2R is routed to HPRCOM |
| D6–D0 | R/W | 000 0000 | LINE2R to HPRCOM Analog Volume Control For 7-bit register setting versus analog gain values, see Table 53 |
| BIT | READ/ WRITE |
RESET VALUE |
DESCRIPTION |
|---|---|---|---|
| D7 | R/W | 0 | PGA_R Output Routing Control 0: PGA_R is not routed to HPRCOM 1: PGA_R is routed to HPRCOM |
| D6–D0 | R/W | 000 0000 | PGA_R to HPRCOM Analog Volume Control For 7-bit register setting versus analog gain values, see Table 53 |
| BIT | READ/ WRITE |
RESET VALUE |
DESCRIPTION |
|---|---|---|---|
| D7 | R/W | 0 | DAC_R1 Output Routing Control 0: DAC_R1 is not routed to HPRCOM 1: DAC_R1 is routed to HPRCOM |
| D6–D0 | R/W | 000 0000 | DAC_R1 to HPRCOM Analog Volume Control For 7-bit register setting versus analog gain values, see Table 53 |
| BIT | READ/ WRITE |
RESET VALUE |
DESCRIPTION |
|---|---|---|---|
| D7–D4 | R/W | 0000 | HPRCOM Output Level Control 0000: Output level control = 0 dB 0001: Output level control = 1 dB 0010: Output level control = 2 dB ... 1000: Output level control = 8 dB 1001: Output level control = 9 dB 1010–1111: Reserved, do not write these sequences. |
| D3 | R/W | 0 | HPRCOM Mute 0: HPRCOM is muted 1: HPRCOM is not muted |
| D2 | R/W | 1 | HPRCOM Power Down Drive Control 0: HPRCOM is weakly driven to a common-mode when powered down 1: HPRCOM is high-impedance when powered down |
| D1 | R | 1 | HPRCOM Volume Control Status 0: All programmed gains to HPRCOM have been applied 1: Not all programmed gains to HPRCOM have been applied yet |
| D0 | R/W | 0 | HPRCOM Power Control 0: HPRCOM is not fully powered up 1: HPRCOM is fully powered up |
| BIT | READ/ WRITE |
RESET VALUE |
DESCRIPTION |
|---|---|---|---|
| D7 | R/W | 0 | LINE2L Output Routing Control 0: LINE2L is not routed to MONO_LOP/M 1: LINE2L is routed to MONO_LOP/M |
| D6–D0 | R/W | 000 0000 | LINE2L to MONO_LOP/M Analog Volume Control For 7-bit register setting versus analog gain values, see Table 53 |
| BIT | READ/ WRITE |
RESET VALUE |
DESCRIPTION |
|---|---|---|---|
| D7 | R/W | 0 | PGA_L Output Routing Control 0: PGA_L is not routed to MONO_LOP/M 1: PGA_L is routed to MONO_LOP/M |
| D6–D0 | R/W | 000 0000 | PGA_L to MONO_LOP/M Analog Volume Control For 7-bit register setting versus analog gain values, see Table 53 |
| BIT | READ/ WRITE |
RESET VALUE |
DESCRIPTION |
|---|---|---|---|
| D7 | R/W | 0 | DAC_L1 Output Routing Control 0: DAC_L1 is not routed to MONO_LOP/M 1: DAC_L1 is routed to MONO_LOP/M |
| D6–D0 | R/W | 000 0000 | DAC_L1 to MONO_LOP/M Analog Volume Control For 7-bit register setting versus analog gain values, see Table 53 |
| BIT | READ/ WRITE |
RESET VALUE |
DESCRIPTION |
|---|---|---|---|
| D7 | R/W | 0 | LINE2R Output Routing Control 0: LINE2R is not routed to MONO_LOP/M 1: LINE2R is routed to MONO_LOP/M |
| D6–D0 | R/W | 000 0000 | LINE2R to MONO_LOP/M Analog Volume Control For 7-bit register setting versus analog gain values, see Table 53 |
| BIT | READ/ WRITE |
RESET VALUE |
DESCRIPTION |
|---|---|---|---|
| D7 | R/W | 0 | PGA_R Output Routing Control 0: PGA_R is not routed to MONO_LOP/M 1: PGA_R is routed to MONO_LOP/M |
| D6–D0 | R/W | 000 0000 | PGA_R to MONO_LOP/M Analog Volume Control For 7-bit register setting versus analog gain values, see Table 53 |
| BIT | READ/ WRITE |
RESET VALUE |
DESCRIPTION |
|---|---|---|---|
| D7 | R/W | 0 | DAC_R1 Output Routing Control 0: DAC_R1 is not routed to MONO_LOP/M 1: DAC_R1 is routed to MONO_LOP/M |
| D6–D0 | R/W | 000 0000 | DAC_R1 to MONO_LOP/M Analog Volume Control For 7-bit register setting versus analog gain values, see Table 53 |
| BIT | READ/ WRITE |
RESET VALUE |
DESCRIPTION |
|---|---|---|---|
| D7–D4 | R/W | 0000 | MONO_LOP/M Output Level Control 0000: Output level control = 0 dB 0001: Output level control = 1 dB 0010: Output level control = 2 dB ... 1000: Output level control = 8 dB 1001: Output level control = 9 dB 1010–1111: Reserved, do not write these sequences. |
| D3 | R/W | 0 | MONO_LOP/M Mute 0: MONO_LOP/M is muted 1: MONO_LOP/M is not muted |
| D2 | R | 0 | Reserved, write only zero to this bit. |
| D1 | R | 1 | MONO_LOP/M Volume Control Status 0: All programmed gains to MONO_LOP/M have been applied 1: Not all programmed gains to MONO_LOP/M have been applied yet |
| D0 | R/W | 0 | MONO_LOP/M Power Status 0: MONO_LOP/M is not fully powered up 1: MONO_LOP/M is fully powered up |
| BIT | READ/ WRITE |
RESET VALUE |
DESCRIPTION |
|---|---|---|---|
| D7 | R/W | 0 | LINE2L Output Routing Control 0: LINE2L is not routed to LEFT_LOP/M 1: LINE2L is routed to LEFT_LOP/M |
| D6–D0 | R/W | 000 0000 | LINE2L to LEFT_LOP/M Analog Volume Control For 7-bit register setting versus analog gain values, see Table 53 |
| BIT | READ/ WRITE |
RESET VALUE |
DESCRIPTION |
|---|---|---|---|
| D7 | R/W | 0 | PGA_L Output Routing Control 0: PGA_L is not routed to LEFT_LOP/M 1: PGA_L is routed to LEFT_LOP/M |
| D6–D0 | R/W | 000 0000 | PGA_L to LEFT_LOP/M Analog Volume Control For 7-bit register setting versus analog gain values, see Table 53 |
| BIT | READ/ WRITE |
RESET VALUE |
DESCRIPTION |
|---|---|---|---|
| D7 | R/W | 0 | DAC_L1 Output Routing Control 0: DAC_L1 is not routed to LEFT_LOP/M 1: DAC_L1 is routed to LEFT_LOP/M |
| D6–D0 | R/W | 000 0000 | DAC_L1 to LEFT_LOP/M Analog Volume Control For 7-bit register setting versus analog gain values, see Table 53 |
| BIT | READ/ WRITE |
RESET VALUE |
DESCRIPTION |
|---|---|---|---|
| D7 | R/W | 0 | LINE2R Output Routing Control 0: LINE2R is not routed to LEFT_LOP/M 1: LINE2R is routed to LEFT_LOP/M |
| D6–D0 | R/W | 000 0000 | LINE2R to LEFT_LOP/M Analog Volume Control For 7-bit register setting versus analog gain values, see Table 53 |
| BIT | READ/ WRITE |
RESET VALUE |
DESCRIPTION |
|---|---|---|---|
| D7 | R/W | 0 | PGA_R Output Routing Control 0: PGA_R is not routed to LEFT_LOP/M 1: PGA_R is routed to LEFT_LOP/M |
| D6–D0 | R/W | 000 0000 | PGA_R to LEFT_LOP/M Analog Volume Control For 7-bit register setting versus analog gain values, see Table 53 |
| BIT | READ/ WRITE |
RESET VALUE |
DESCRIPTION |
|---|---|---|---|
| D7 | R/W | 0 | DAC_R1 Output Routing Control 0: DAC_R1 is not routed to LEFT_LOP/M 1: DAC_R1 is routed to LEFT_LOP/M |
| D6–D0 | R/W | 000 0000 | DAC_R1 to LEFT_LOP/M Analog Volume Control For 7-bit register setting versus analog gain values, see Table 53 |
| BIT | READ/ WRITE |
RESET VALUE |
DESCRIPTION |
|---|---|---|---|
| D7–D4 | R/W | 0000 | LEFT_LOP/M Output Level Control 0000: Output level control = 0 dB 0001: Output level control = 1 dB 0010: Output level control = 2 dB ... 1000: Output level control = 8 dB 1001: Output level control = 9 dB 1010–1111: Reserved, do not write these sequences. |
| D3 | R/W | 0 | LEFT_LOP/M Mute 0: LEFT_LOP/M is muted 1: LEFT_LOP/M is not muted |
| D2 | R | 0 | Reserved, write only zero to this bit. |
| D1 | R | 1 | LEFT_LOP/M Volume Control Status 0: All programmed gains to LEFT_LOP/M have been applied 1: Not all programmed gains to LEFT_LOP/M have been applied yet |
| D0 | R/W | 0 | LEFT_LOP/M Power Status 0: LEFT_LOP/M is not fully powered up 1: LEFT_LOP/M is fully powered up |
| BIT | READ/ WRITE |
RESET VALUE |
DESCRIPTION |
|---|---|---|---|
| D7 | R/W | 0 | LINE2L Output Routing Control 0: LINE2L is not routed to RIGHT_LOP/M 1: LINE2L is routed to RIGHT_LOP/M |
| D6–D0 | R/W | 000 0000 | LINE2L to RIGHT_LOP/M Analog Volume Control For 7-bit register setting versus analog gain values, see Table 53 |
| BIT | READ/ WRITE |
RESET VALUE |
DESCRIPTION |
|---|---|---|---|
| D7 | R/W | 0 | PGA_L Output Routing Control 0: PGA_L is not routed to RIGHT_LOP/M 1: PGA_L is routed to RIGHT_LOP/M |
| D6–D0 | R/W | 000 0000 | PGA_L to RIGHT_LOP/M Analog Volume Control For 7-bit register setting versus analog gain values, see Table 53 |
| BIT | READ/ WRITE |
RESET VALUE |
DESCRIPTION |
|---|---|---|---|
| D7 | R/W | 0 | DAC_L1 Output Routing Control 0: DAC_L1 is not routed to RIGHT_LOP/M 1: DAC_L1 is routed to RIGHT_LOP/M |
| D6–D0 | R/W | 000 0000 | DAC_L1 to RIGHT_LOP/M Analog Volume Control For 7-bit register setting versus analog gain values, see Table 53 |
| BIT | READ/ WRITE |
RESET VALUE |
DESCRIPTION |
|---|---|---|---|
| D7 | R/W | 0 | LINE2R Output Routing Control 0: LINE2R is not routed to RIGHT_LOP/M 1: LINE2R is routed to RIGHT_LOP/M |
| D6–D0 | R/W | 000 0000 | LINE2R to RIGHT_LOP/M Analog Volume Control For 7-bit register setting versus analog gain values, see Table 53 |
| BIT | READ/ WRITE |
RESET VALUE |
DESCRIPTION |
|---|---|---|---|
| D7 | R/W | 0 | PGA_R Output Routing Control 0: PGA_R is not routed to RIGHT_LOP/M 1: PGA_R is routed to RIGHT_LOP/M |
| D6–D0 | R/W | 000 0000 | PGA_R to RIGHT_LOP/M Analog Volume Control For 7-bit register setting versus analog gain values, see Table 53 |
| BIT | READ/ WRITE |
RESET VALUE |
DESCRIPTION |
|---|---|---|---|
| D7 | R/W | 0 | DAC_R1 Output Routing Control 0: DAC_R1 is not routed to RIGHT_LOP/M 1: DAC_R1 is routed to RIGHT_LOP/M |
| D6–D0 | R/W | 000 0000 | DAC_R1 to RIGHT_LOP/M Analog Volume Control For 7-bit register setting versus analog gain values, see Table 53 |
| BIT | READ/ WRITE |
RESET VALUE |
DESCRIPTION |
|---|---|---|---|
| D7–D4 | R/W | 0000 | RIGHT_LOP/M Output Level Control 0000: Output level control = 0 dB 0001: Output level control = 1 dB 0010: Output level control = 2 dB ... 1000: Output level control = 8 dB 1001: Output level control = 9 dB 1010–1111: Reserved, do not write these sequences. |
| D3 | R/W | 0 | RIGHT_LOP/M Mute 0: RIGHT_LOP/M is muted 1: RIGHT_LOP/M is not muted |
| D2 | R | 0 | Reserved, write only zero to this bit. |
| D1 | R | 1 | RIGHT_LOP/M Volume Control Status 0: All programmed gains to RIGHT_LOP/M have been applied 1: Not all programmed gains to RIGHT_LOP/M have been applied yet |
| D0 | R/W | 0 | RIGHT_LOP/M Power Status 0: RIGHT_LOP/M is not fully powered up 1: RIGHT_LOP/M is fully powered up |
| BIT | READ/ WRITE |
RESET VALUE |
DESCRIPTION |
|---|---|---|---|
| D7 | R | 0 | Left DAC Power Status 0: Left DAC not fully powered up 1: Left DAC fully powered up |
| D6 | R | 0 | Right DAC Power Status 0: Right DAC not fully powered up 1: Right DAC fully powered up |
| D5 | R | 0 | MONO_LOP/M Power Status 0: MONO_LOP/M output driver powered down 1: MONO_LOP/M output driver powered up |
| D4 | R | 0 | LEFT_LOP/M Power Status 0: LEFT_LOP/M output driver powered down 1: LEFT_LOP/M output driver powered up |
| D3 | R | 0 | RIGHT_LOP/M Power Status 0: RIGHT_LOP/M is not fully powered up 1: RIGHT_LOP/M is fully powered up |
| D2 | R | 0 | HPLOUT Driver Power Status 0: HPLOUT Driver is not fully powered up 1: HPLOUT Driver is fully powered up |
| D1 | R | 0 | HPROUT Driver Power Status 0: HPROUT Driver is not fully powered up 1: HPROUT Driver is fully powered up |
| D0 | R | 0 | Reserved, write only zero to this bit. |
| BIT | READ/ WRITE |
RESET VALUE |
DESCRIPTION |
|---|---|---|---|
| D7 | R | 0 | HPLOUT Short Circuit Detection Status 0: No short circuit detected at HPLOUT 1: Short circuit detected at HPLOUT |
| D6 | R | 0 | HPROUT Short Circuit Detection Status 0: No short circuit detected at HPROUT 1: Short circuit detected at HPROUT |
| D5 | R | 0 | HPLCOM Short Circuit Detection Status 0: No short circuit detected at HPLCOM 1: Short circuit detected at HPLCOM |
| D4 | R | 0 | HPRCOM Short Circuit Detection Status 0: No short circuit detected at HPRCOM 1: Short circuit detected at HPRCOM |
| D3 | R | 0 | HPLCOM Power Status 0: HPLCOM is not fully powered up 1: HPLCOM is fully powered up |
| D2 | R | 0 | HPRCOM Power Status 0: HPRCOM is not fully powered up 1: HPRCOM is fully powered up |
| D1–D0 | R | 00 | Reserved, write only zeros to these bits. |
| BIT | READ/ WRITE |
RESET VALUE |
DESCRIPTION |
|---|---|---|---|
| D7 | R | 0 | HPLOUT Short Circuit Detection Status 0: No short circuit detected at HPLOUT driver 1: Short circuit detected at HPLOUT driver |
| D6 | R | 0 | HPROUT Short Circuit Detection Status 0: No short circuit detected at HPROUT driver 1: Short circuit detected at HPROUT driver |
| D5 | R | 0 | HPLCOM Short Circuit Detection Status 0: No short circuit detected at HPLCOM driver 1: Short circuit detected at HPLCOM driver |
| D4 | R | 0 | HPRCOM Short Circuit Detection Status 0: No short circuit detected at HPRCOM driver 1: Short circuit detected at HPRCOM driver |
| D3 | R | 0 | Button Press Detection Status 0: No Headset Button Press detected 1: Headset Button Pressed |
| D2 | R | 0 | Headset Detection Status 0: No Headset insertion or removal is detected 1: Headset insertion or removal is detected |
| D1 | R | 0 | Left ADC AGC Noise Gate Status 0: Left ADC Signal Power Greater than Noise Threshold for Left AGC 1: Left ADC Signal Power Lower than Noise Threshold for Left AGC |
| D0 | R | 0 | Right ADC AGC Noise Gate Status 0: Right ADC Signal Power Greater than Noise Threshold for Right AGC 1: Right ADC Signal Power Lower than Noise Threshold for Right AGC |
| BIT | READ/ WRITE |
RESET VALUE |
DESCRIPTION |
|---|---|---|---|
| D7 | R | 0 | HPLOUT Short Circuit Detection Status 0: No short circuit detected at HPLOUT driver 1: Short circuit detected at HPLOUT driver |
| D6 | R | 0 | HPROUT Short Circuit Detection Status 0: No short circuit detected at HPROUT driver 1: Short circuit detected at HPROUT driver |
| D5 | R | 0 | HPLCOM Short Circuit Detection Status 0: No short circuit detected at HPLCOM driver 1: Short circuit detected at HPLCOM driver |
| D4 | R | 0 | HPRCOM Short Circuit Detection Status 0: No short circuit detected at HPRCOM driver 1: Short circuit detected at HPRCOM driver |
| D3 | R | 0 | Button Press Detection Status(1)
0: No Headset Button Press detected 1: Headset Button Pressed |
| D2 | R | 0 | Headset Detection Status 0: No Headset is detected 1: Headset is detected |
| D1 | R | 0 | Left ADC AGC Noise Gate Status 0: Left ADC Signal Power Greater than Noise Threshold for Left AGC 1: Left ADC Signal Power Lower than Noise Threshold for Left AGC |
| D0 | R | 0 | Right ADC AGC Noise Gate Status 0: Right ADC Signal Power Greater than Noise Threshold for Right AGC 1: Right ADC Signal Power Lower than Noise Threshold for Right AGC |
| BIT | READ/ WRITE |
RESET VALUE |
DESCRIPTION |
|---|---|---|---|
| D7–D4 | R/W | 0000 | GPIO1 Output Control 0000: GPIO1 is disabled 0001: GPIO1 used for audio serial data bus ADC word clock 0010: GPIO1 output = clock mux output divided by 1 (M = 1) 0011: GPIO1 output = clock mux output divided by 2 (M = 2) 0100: GPIO1 output = clock mux output divided by 4 (M = 4) 0101: GPIO1 output = clock mux output divided by 8 (M = 8) 0110: GPIO1 output = short circuit interrupt 0111: GPIO1 output = AGC noise interrupt 1000: GPIO1 = general purpose input 1001: GPIO1 = general purpose output 1010: GPIO1 output = digital microphone modulator clock 1011: GPIO1 = word clock for audio serial data bus (programmable as input or output) 1100: GPIO1 output = hook-switch or button press interrupt (interrupt polarity: active high, typical interrupt duration: button pressed time + clock resolution. Clock resolution depends upon debounce programmability. Typical interrupt delay from button: debounce duration + 0.5 ms) 1101: GPIO1 output = jack or headset detection interrupt 1110: GPIO1 output = jack or headset detection interrupt OR button press interrupt 1111: GPIO1 output = jack or headset detection OR button press OR Short Circuit detection OR AGC Noise detection interrupt |
| D3 | R/W | 0 | GPIO1 Clock Mux Output Control 0: GPIO1 clock mux output = PLL output 1: GPIO1 clock mux output = clock divider mux output |
| D2 | R/W | 0 | GPIO1 Interrupt Duration Control 0: GPIO1 Interrupt occurs as a single active-high pulse of typical duration 2 ms. 1: GPIO1 Interrupt occurs as continuous pulses until the Interrupt Flags register (Register 96) is read by the host |
| D1 | R | 0 | GPIO1 General Purpose Input Value 0: A logic-low level is input to GPIO1 1: A logic-high level is input to GPIO1 |
| D0 | R/W | 0 | GPIO1 General Purpose Output Value 0: GPIO1 outputs a logic-low level 1: GPIO1 outputs a logic-high level |
| BIT | READ/ WRITE |
RESET VALUE |
DESCRIPTION |
|---|---|---|---|
| D7–D4 | R/W | 0000 | GPIO2 Output Control 0000: GPIO2 is disabled 0001: Reserved, do not write this sequence. 0010: GPIO2 output = jack or headset detect interrupt (interrupt polarity: active high. Typical interrupt duration: 1.75 ms.) 0011: GPIO2 = general purpose input 0100: GPIO2 = general purpose output 0101–0111: GPIO2 input = digital microphone input, data sampled on clock rising and falling edges 1000: GPIO2 = bit clock for audio serial data bus (programmable as input or output) 1001: GPIO2 output = Headset detect OR button press interrupt 1010: GPIO2 output = Headset detect OR button press OR short-circuit detect OR AGC noise detect interrupt 1011: GPIO2 output = Short-circuit detect OR AGC noise detect interrupt 1100: GPIO2 output = Headset detect OR button press OR short-circuit detect interrupt 1101: GPIO2 output = Short-circuit detect interrupt 1110: GPIO2 output = AGC noise detect interrupt 1111: GPIO2 output = Button press or hook-switch interrupt |
| D3 | R/W | 0 | GPIO2 General Purpose Output Value 0: GPIO1 outputs a logic-low level 1: GPIO1 outputs a logic-high level |
| D2 | R | 0 | GPIO2 General Purpose Input Value 0: A logic-low level is input to GPIO2 1: A logic-high level is input to GPIO2 |
| D1 | R/W | 0 | GPIO2 Interrupt Duration Control 0: GPIO2 Interrupt occurs as a single active-high pulse of typical duration 2 ms. 1: GPIO2 Interrupt occurs as continuous pulses until the Interrupt Flags register (Register 96) is read by the host |
| D0 | R | 0 | Reserved, write only zero to this bit. |
| BIT | READ/ WRITE |
RESET VALUE |
DESCRIPTION |
|---|---|---|---|
| D7–D6 | R/W | 00 | SDA Pin Control (1)
The SDA pin hardware includes pulldown capability only (open-drain NMOS), so an external pullup resistor is required when using this pin, even in GPIO mode. 00: SDA pin is not used as general purpose I/O 01: SDA pin used as general purpose input 10: SDA pin used as general purpose output 11: Reserved, do not write this sequence. |
| D5 | R/W | 0 | SDA General Purpose Output Control (1)
0: SDA driven to logic-low when used as general-purpose output 1: SDA driven to logic-high when used as general-purpose output (requires external pullup resistor) |
| D4 | R | 0 | SDA General Purpose Input Value (1)
0: SDA detects a logic-low when used as general-purpose input 1: SDA is detects a logic-high when used as general purpose input |
| D3–D2 | R/W | 00 | SCL Pin Control(1)
The SCL pin hardware includes pulldown capability only (open-drain NMOS), so an external pullup resistor is required when using this pin, even in GPIO mode. 00: SCL pin is not used as general purpose I/O 01: SCL pin used as general purpose input 10: SCL pin used as general purpose output 11: Reserved, do not write this sequence. |
| D1 | R/W | 0 | SCL General Purpose Output Control (1)
0: SCL driven to logic-low when used as general-purpose output 1: SCL driven to logic-high when used as general-purpose output (requires external pullup resistor) |
| D0 | R | 0 | SCL General Purpose Input Value (1)
0: SCL detects a logic-low when used as general-purpose input 1: SCL detects a logic-high when used as general-purpose input |
| BIT | READ/ WRITE |
RESET VALUE |
DESCRIPTION |
|---|---|---|---|
| D7 | R | 0 | I2C Address Pin #0 Status (1)
0: MFP1 pin = I2C address pin #0 = 0 at reset 1: MFP1 pin = I2C address pin #0 = 1 at reset |
| D6 | R | 0 | I2C Address Pin #1 Status (1)
0: MFP0 pin = I2C address pin #1 = 0 at reset 1: MFP0 pin = I2C address pin #1 = 1 at reset |
| D5 | R/W | 0 | MFP3 Pin General Purpose Input Control (1)
0: MFP3 pin usage as general purpose input is disabled 1: MFP3 pin usage as general purpose input is enabled |
| D4 | R/W | 0 | MFP3 Pin Serial Data Bus Input Control (1)
0: MFP3 pin usage as audio serial data input pin is disabled (SDIN) 1: MFP3 pin usage as audio serial data input pin is enabled (MOSI) |
| D3 | R | 0 | MFP3 General Purpose Input Value (1)
0: MFP3 detects a logic-low when used as general-purpose input 1: MFP3 detects a logic-high when used as general-purpose input |
| D2 | R/W | 0 | MFP2 General Purpose Output Control (1)
0: MFP2 pin usage as general purpose output is disabled 1: MFP2 pin usage as general purpose output is enabled |
| D1 | R/W | 0 | MFP2 General Purpose Output Control (1)
0: MFP2 pin drives a logic-low when used as a general-purpose output 1: MFP2 pin drives a logic-high when used as a general-purpose output |
| D0 | R/W | 0 | CODEC_CLKIN Source Selection 0: CODEC_CLKIN uses PLLDIV_OUT 1: CODEC_CLKIN uses CLKDIV_OUT |
| BIT | READ/ WRITE |
RESET VALUE |
DESCRIPTION |
|---|---|---|---|
| D7–D6 | R/W | 00 | CLKDIV_IN Source Selection 00: CLKDIV_IN uses MCLK 01: CLKDIV_IN uses GPIO2 10: CLKDIV_IN uses BCLK 11: Reserved, do not write this sequence. |
| D5–D4 | R/W | 00 | PLLCLK_IN Source Selection 00: PLLCLK_IN uses MCLK 01: PLLCLK_IN uses GPIO2 10: PLLCLK _IN uses BCLK 11: Reserved, do not write this sequence. |
| D3–D0 | R/W | 0010 | PLL Clock Divider N Value 0000: N = 16 0001: N = 17 0010: N = 2 0011: N = 3 … 1111: N = 15 |
| BIT | READ/ WRITE |
RESET VALUE |
DESCRIPTION |
|---|---|---|---|
| D7 | R/W | 0 | Attack Time Register Selection 0: Attack time for the left AGC is generated from Register 26. 1: Attack time for the left AGC is generated from this register. |
| D6–D5 | R/W | 00 | Baseline AGC Attack time 00: Left AGC attack time = 7 ms 01: Left AGC Attack time = 8 ms 10: Left AGC Attack time = 10 ms 11: Left AGC Attack time = 11 ms |
| D4–D2 | R/W | 000 | Multiplication Factor for Baseline AGC 000: Multiplication factor for the baseline AGC Attack time = 1 001: Multiplication factor for the baseline AGC Attack time = 2 010: Multiplication factor for the baseline AGC Attack time = 4 011: Multiplication factor for the baseline AGC Attack time = 8 100: Multiplication factor for the baseline AGC Attack time = 16 101: Multiplication factor for the baseline AGC Attack time = 32 110: Multiplication factor for the baseline AGC Attack time = 64 111: Multiplication factor for the baseline AGC Attack time = 128 |
| D1–D0 | R/W | 00 | Reserved, write only zeros to these bits. |
| BIT | READ/ WRITE |
RESET VALUE |
DESCRIPTION |
|---|---|---|---|
| D7 | R/W | 0 | Decay Time Register Selection(1)
0: Decay time for the Left AGC is generated from Register 26. 1: Decay time for the Left AGC is generated from this Register. |
| D6–D5 | R/W | 00 | Baseline AGC Decay time 00: Left AGC Decay time = 50 ms 01: Left AGC Decay time = 150 ms 10: Left AGC Decay time = 250 ms 11: Left AGC Decay time = 350 ms |
| D4–D2 | R/W | 000 | Multiplication Factor for Baseline AGC 000: Multiplication factor for the baseline AGC Decay time = 1 001: Multiplication factor for the baseline AGC Decay time = 2 010: Multiplication factor for the baseline AGC Decay time = 4 011: Multiplication factor for the baseline AGC Decay time = 8 100: Multiplication factor for the baseline AGC Decay time = 16 101: Multiplication factor for the baseline AGC Decay time = 32 110: Multiplication factor for the baseline AGC Decay time = 64 111: Multiplication factor for the baseline AGC Decay time = 128 |
| D1–D0 | R/W | 00 | Reserved, write only zeros to these bits. |
| BIT | READ/ WRITE |
RESET VALUE |
DESCRIPTION |
|---|---|---|---|
| D7 | R/W | 0 | Attack Time Register Selection 0: Attack time for the Right AGC is generated from Register 29. 1: Attack time for the Right AGC is generated from this Register. |
| D6–D5 | R/W | 00 | Baseline AGC Attack time 00: Right AGC Attack time = 7 ms 01: Right AGC Attack time = 8 ms 10: Right AGC Attack time = 10 ms 11: Right AGC Attack time = 11 ms |
| D4–D2 | R/W | 000 | Multiplication Factor for Baseline AGC 000: Multiplication factor for the baseline AGC Attack time = 1 001: Multiplication factor for the baseline AGC Attack time = 2 010: Multiplication factor for the baseline AGC Attack time = 4 011: Multiplication factor for the baseline AGC Attack time = 8 100: Multiplication factor for the baseline AGC Attack time = 16 101: Multiplication factor for the baseline AGC Attack time = 32 110: Multiplication factor for the baseline AGC Attack time = 64 111: Multiplication factor for the baseline AGC Attack time = 128 |
| D1–D0 | R/W | 00 | Reserved, write only zeros to these bits. |
| BIT | READ/ WRITE |
RESET VALUE |
DESCRIPTION |
|---|---|---|---|
| D7 | R/W | 0 | Decay Time Register Selection(1)
0: Decay time for the right AGC is generated from Register 29. 1: Decay time for the right AGC is generated from this register. |
| D6–D5 | R/W | 00 | Baseline AGC Decay time 00: Right AGC Decay time = 50 ms 01: Right AGC Decay time = 150 ms 10: Right AGC Decay time = 250 ms 11: Right AGC Decay time = 350 ms |
| D4–D2 | R/W | 000 | Multiplication Factor for Baseline AGC 000: Multiplication factor for the baseline AGC Decay time = 1 001: Multiplication factor for the baseline AGC Decay time = 2 010: Multiplication factor for the baseline AGC Decay time = 4 011: Multiplication factor for the baseline AGC Decay time = 8 100: Multiplication factor for the baseline AGC Decay time = 16 101: Multiplication factor for the baseline AGC Decay time = 32 110: Multiplication factor for the baseline AGC Decay time = 64 111: Multiplication factor for the baseline AGC Decay time = 128 |
| D1–D0 | R/W | 00 | Reserved, write only zeros to these bits. |
| BIT | READ/ WRITE |
RESET VALUE |
DESCRIPTION |
|---|---|---|---|
| D7 | R/W | 0 | Left Channel High Pass Filter Coefficient Selection 0: Default Coefficients are used when ADC High Pass is enabled. 1: Programmable Coefficients are used when ADC High Pass is enabled. |
| D6 | R/W | 0 | Right Channel High Pass Filter Coefficient Selection 0: Default Coefficients are used when ADC High Pass is enabled. 1: Programmable Coefficients are used when ADC High Pass is enabled. |
| D5–D4 | R/W | 00 | ADC Decimation Filter configuration 00: Left and Right Digital Microphones are used 01: Left Digital Microphone and Right Analog Microphone are used 10: Left Analog Microphone and Right Digital Microphone are used 11: Left and Right Analog Microphones are used |
| D3 | R/W | 0 | ADC Digital output to Programmable Filter Path Selection 0: No additional Programmable Filters other than the HPF are used for the ADC. 1: The Programmable Filter is connected to ADC output, if both DACs are powered down. |
| D2 | R/W | 0 | I2C Bus Condition Detector 0: Internal logic is enabled to detect an I2C bus error, and clears the bus error condition. 1: Internal logic is disabled to detect an I2C bus error. |
| D1 | R | 0 | Reserved, write only zero to this bit. |
| D0 | R | 0 | I2C Bus error detection status 0: I2C bus error is not detected 1: I2C bus error is detected. This bit is cleared by reading this register. |
| BIT | READ/ WRITE |
RESET VALUE |
DESCRIPTION |
|---|---|---|---|
| D7 | R/W | 0 | LINE2RM Path Selection 0: Normal Signal Path 1: Signal is routed by a switch to RIGHT_LOM |
| D6 | R/W | 0 | LINE2RP Path Selection 0: Normal Signal Path 1: Signal is routed by a switch to RIGHT_LOP |
| D5 | R/W | 0 | LINE1RM Path Selection 0: Normal Signal Path 1: Signal is routed by a switch to RIGHT_LOM |
| D4 | R/W | 0 | LINE1RP Path Selection 0: Normal Signal Path 1: Signal is routed by a switch to RIGHT_LOP |
| D3 | R/W | 0 | LINE2LM Path Selection 0: Normal Signal Path 1: Signal is routed by a switch to LEFT_LOM |
| D2 | R/W | 0 | LINE2LP Path Selection 0: Normal Signal Path 1: Signal is routed by a switch to LEFT_LOP |
| D1 | R/W | 0 | LINE1LM Path Selection 0: Normal Signal Path 1: Signal is routed by a switch to LEFT_LOM |
| D0 | R/W | 0 | LINE1LP Path Selection 0: Normal Signal Path 1: Signal is routed by a switch to LEFT_LOP |
Based on the setting above, if BOTH LINE1 and LINE2 inputs are routed to the output at the same time, then the two switches used for the connection short the two input signals together on the output pins. The shorting resistance between the two input pins is two times the bypass switch resistance (RDS(ON)). In general this condition of shorting must be avoided, as higher drive currents are likely to occur on the circuitry that feeds these two input pins of this device.
| BIT | READ/ WRITE |
RESET VALUE |
DESCRIPTION |
|---|---|---|---|
| D7–D6 | R/W | 00 | DAC Current Adjustment 00: Default 01: 50% increase in DAC reference current 10: Reserved, do not write this sequence. 11: 100% increase in DAC reference current |
| D5–D0 | R/W | 00 0000 | Reserved, write only zeros to these bits. |
| BIT | READ/ WRITE |
RESET VALUE |
DESCRIPTION |
|---|---|---|---|
| D7–D0 | R | 0000 0000 | Reserved, do not write to these registers. |
| BIT | READ/ WRITE |
RESET VALUE |
DESCRIPTION |
|---|---|---|---|
| D7–D1 | X | 0000 000 | Reserved, write only zeros to these bits. |
| D0 | R/W | 0 | Page Select Bit Writing zero to this bit sets Page 0 as the active page for following register accesses. Writing a one to this bit sets Page 1 as the active page for following register accesses. TI recommends the user read this register bit back after each write, to ensure that the proper page is being accessed for future register read and writes. This register has the same functionality on Page 0 and Page 1. |
| BIT | READ/ WRITE |
RESET VALUE |
DESCRIPTION |
|---|---|---|---|
| D7–D0 | R/W | 0110 1011 | Left Channel Audio Effects Filter N0 Coefficient MSB The 16-bit integer contained in the MSB and LSB registers for this coefficient are interpreted as a 2s-complement integer, with possible values ranging from –32768 to 32767. |
When programming any coefficient value in Page 1, the MSB register must always be written first, immediately followed by the LSB register. Even if only the MSB or LSB of the coefficient changes, both registers must be written in this sequence.
| BIT | READ/ WRITE |
RESET VALUE |
DESCRIPTION |
|---|---|---|---|
| D7–D0 | R/W | 1110 0011 | Left Channel Audio Effects Filter N0 Coefficient LSB The 16-bit integer contained in the MSB and LSB registers for this coefficient are interpreted as a 2s-complement integer, with possible values ranging from –32768 to 32767. |
| BIT | READ/ WRITE |
RESET VALUE |
DESCRIPTION |
|---|---|---|---|
| D7–D0 | R/W | 1001 0110 | Left Channel Audio Effects Filter N1 Coefficient MSB The 16-bit integer contained in the MSB and LSB registers for this coefficient are interpreted as a 2s-complement integer, with possible values ranging from –32768 to 32767. |
| BIT | READ/ WRITE |
RESET VALUE |
DESCRIPTION |
|---|---|---|---|
| D7–D0 | R/W | 0110 0110 | Left Channel Audio Effects Filter N1 Coefficient LSB The 16-bit integer contained in the MSB and LSB registers for this coefficient are interpreted as a 2s-complement integer, with possible values ranging from –32768 to 32767. |
| BIT | READ/ WRITE |
RESET VALUE |
DESCRIPTION |
|---|---|---|---|
| D7–D0 | R/W | 0110 0111 | Left Channel Audio Effects Filter N2 Coefficient MSB The 16-bit integer contained in the MSB and LSB registers for this coefficient are interpreted as a 2s-complement integer, with possible values ranging from –32768 to 32767. |
| BIT | READ/ WRITE |
RESET VALUE |
DESCRIPTION |
|---|---|---|---|
| D7–D0 | R/W | 0101 1101 | Left Channel Audio Effects Filter N2 Coefficient LSB The 16-bit integer contained in the MSB and LSB registers for this coefficient are interpreted as a 2s-complement integer, with possible values ranging from –32768 to 32767. |
| BIT | READ/ WRITE |
RESET VALUE |
DESCRIPTION |
|---|---|---|---|
| D7–D0 | R/W | 0110 1011 | Left Channel Audio Effects Filter N3 Coefficient MSB The 16-bit integer contained in the MSB and LSB registers for this coefficient are interpreted as a 2s-complement integer, with possible values ranging from –32768 to 32767. |
| BIT | READ/ WRITE |
RESET VALUE |
DESCRIPTION |
|---|---|---|---|
| D7–D0 | R/W | 1110 0011 | Left Channel Audio Effects Filter N3 Coefficient LSB The 16-bit integer contained in the MSB and LSB registers for this coefficient are interpreted as a 2s-complement integer, with possible values ranging from –32768 to 32767. |
| BIT | READ/ WRITE |
RESET VALUE |
DESCRIPTION |
|---|---|---|---|
| D7–D0 | R/W | 1001 0110 | Left Channel Audio Effects Filter N4 Coefficient MSB The 16-bit integer contained in the MSB and LSB registers for this coefficient are interpreted as a 2s-complement integer, with possible values ranging from –32768 to 32767. |
| BIT | READ/ WRITE |
RESET VALUE |
DESCRIPTION |
|---|---|---|---|
| D7–D0 | R/W | 0110 0110 | Left Channel Audio Effects Filter N4 Coefficient LSB The 16-bit integer contained in the MSB and LSB registers for this coefficient are interpreted as a 2s-complement integer, with possible values ranging from –32768 to 32767. |
| BIT | READ/ WRITE |
RESET VALUE |
DESCRIPTION |
|---|---|---|---|
| D7–D0 | R/W | 0110 0111 | Left Channel Audio Effects Filter N5 Coefficient MSB The 16-bit integer contained in the MSB and LSB registers for this coefficient are interpreted as a 2s-complement integer, with possible values ranging from –32768 to 32767. |
| BIT | READ/ WRITE |
RESET VALUE |
DESCRIPTION |
|---|---|---|---|
| D7–D0 | R/W | 0101 1101 | Left Channel Audio Effects Filter N5 Coefficient LSB The 16-bit integer contained in the MSB and LSB registers for this coefficient are interpreted as a 2s-complement integer, with possible values ranging from –32768 to 32767. |
| BIT | READ/ WRITE |
RESET VALUE |
DESCRIPTION |
|---|---|---|---|
| D7–D0 | R/W | 0111 1101 | Left Channel Audio Effects Filter D1 Coefficient MSB The 16-bit integer contained in the MSB and LSB registers for this coefficient are interpreted as a 2s-complement integer, with possible values ranging from –32768 to 32767. |
| BIT | READ/ WRITE |
RESET VALUE |
DESCRIPTION |
|---|---|---|---|
| D7–D0 | R/W | 1000 0011 | Left Channel Audio Effects Filter D1 Coefficient LSB The 16-bit integer contained in the MSB and LSB registers for this coefficient are interpreted as a 2s-complement integer, with possible values ranging from –32768 to 32767. |
| BIT | READ/ WRITE |
RESET VALUE |
DESCRIPTION |
|---|---|---|---|
| D7–D0 | R/W | 1000 0100 | Left Channel Audio Effects Filter D2 Coefficient MSB The 16-bit integer contained in the MSB and LSB registers for this coefficient are interpreted as a 2s-complement integer, with possible values ranging from –32768 to 32767. |
| BIT | READ/ WRITE |
RESET VALUE |
DESCRIPTION |
|---|---|---|---|
| D7–D0 | R/W | 1110 1110 | Left Channel Audio Effects Filter D2 Coefficient LSB The 16-bit integer contained in the MSB and LSB registers for this coefficient are interpreted as a 2s-complement integer, with possible values ranging from –32768 to 32767. |
| BIT | READ/ WRITE |
RESET VALUE |
DESCRIPTION |
|---|---|---|---|
| D7–D0 | R/W | 0111 1101 | Left Channel Audio Effects Filter D4 Coefficient MSB The 16-bit integer contained in the MSB and LSB registers for this coefficient are interpreted as a 2s-complement integer, with possible values ranging from –32768 to 32767. |
| BIT | READ/ WRITE |
RESET VALUE |
DESCRIPTION |
|---|---|---|---|
| D7–D0 | R/W | 1000 0011 | Left Channel Audio Effects Filter D4 Coefficient LSB The 16-bit integer contained in the MSB and LSB registers for this coefficient are interpreted as a 2s-complement integer, with possible values ranging from –32768 to 32767. |
| BIT | READ/ WRITE |
RESET VALUE |
DESCRIPTION |
|---|---|---|---|
| D7–D0 | R/W | 1000 0100 | Left Channel Audio Effects Filter D5 Coefficient MSB The 16-bit integer contained in the MSB and LSB registers for this coefficient are interpreted as a 2s-complement integer, with possible values ranging from –32768 to 32767. |
| BIT | READ/ WRITE |
RESET VALUE |
DESCRIPTION |
|---|---|---|---|
| D7–D0 | R/W | 1110 1110 | Left Channel Audio Effects Filter D5 Coefficient LSB The 16-bit integer contained in the MSB and LSB registers for this coefficient are interpreted as a 2s-complement integer, with possible values ranging from –32768 to 32767. |
| BIT | READ/ WRITE |
RESET VALUE |
DESCRIPTION |
|---|---|---|---|
| D7–D0 | R/W | 0011 1001 | Left Channel De-Emphasis Filter N0 Coefficient MSB The 16-bit integer contained in the MSB and LSB registers for this coefficient are interpreted as a 2s-complement integer, with possible values ranging from –32768 to 32767. |
| BIT | READ/ WRITE |
RESET VALUE |
DESCRIPTION |
|---|---|---|---|
| D7–D0 | R/W | 0101 0101 | Left Channel De-Emphasis Filter N0 Coefficient LSB The 16-bit integer contained in the MSB and LSB registers for this coefficient are interpreted as a 2s-complement integer, with possible values ranging from –32768 to 32767. |
| BIT | READ/ WRITE |
RESET VALUE |
DESCRIPTION |
|---|---|---|---|
| D7–D0 | R/W | 1111 0011 | Left Channel De-Emphasis Filter N1 Coefficient MSB The 16-bit integer contained in the MSB and LSB registers for this coefficient are interpreted as a 2s-complement integer, with possible values ranging from –32768 to 32767. |
| BIT | READ/ WRITE |
RESET VALUE |
DESCRIPTION |
|---|---|---|---|
| D7–D0 | R/W | 0010 1101 | Left Channel De-Emphasis Filter N1 Coefficient LSB The 16-bit integer contained in the MSB and LSB registers for this coefficient are interpreted as a 2s-complement integer, with possible values ranging from –32768 to 32767. |
| BIT | READ/ WRITE |
RESET VALUE |
DESCRIPTION |
|---|---|---|---|
| D7–D0 | R/W | 0101 0011 | Left Channel De-Emphasis Filter D1 Coefficient MSB The 16-bit integer contained in the MSB and LSB registers for this coefficient are interpreted as a 2s-complement integer, with possible values ranging from –32768 to 32767. |
| BIT | READ/ WRITE |
RESET VALUE |
DESCRIPTION |
|---|---|---|---|
| D7–D0 | R/W | 0111 1110 | Left Channel De-Emphasis Filter D1 Coefficient LSB The 16-bit integer contained in the MSB and LSB registers for this coefficient are interpreted as a 2s-complement integer, with possible values ranging from –32768 to 32767. |
| BIT | READ/ WRITE |
RESET VALUE |
DESCRIPTION |
|---|---|---|---|
| D7–D0 | R/W | 0110 1011 | Right Channel Audio Effects Filter N0 Coefficient MSB The 16-bit integer contained in the MSB and LSB registers for this coefficient are interpreted as a 2s-complement integer, with possible values ranging from –32768 to 32767. |
| BIT | READ/ WRITE |
RESET VALUE |
DESCRIPTION |
|---|---|---|---|
| D7–D0 | R/W | 1110 0011 | Right Channel Audio Effects Filter N0 Coefficient LSB The 16-bit integer contained in the MSB and LSB registers for this coefficient are interpreted as a 2s-complement integer, with possible values ranging from –32768 to 32767. |
| BIT | READ/ WRITE |
RESET VALUE |
DESCRIPTION |
|---|---|---|---|
| D7–D0 | R/W | 1001 0110 | Right Channel Audio Effects Filter N1 Coefficient MSB The 16-bit integer contained in the MSB and LSB registers for this coefficient are interpreted as a 2s-complement integer, with possible values ranging from –32768 to 32767. |
| BIT | READ/ WRITE |
RESET VALUE |
DESCRIPTION |
|---|---|---|---|
| D7–D0 | R/W | 0110 0110 | Right Channel Audio Effects Filter N1 Coefficient LSB The 16-bit integer contained in the MSB and LSB registers for this coefficient are interpreted as a 2s-complement integer, with possible values ranging from –32768 to 32767. |
| BIT | READ/ WRITE |
RESET VALUE |
DESCRIPTION |
|---|---|---|---|
| D7–D0 | R/W | 0110 0111 | Right Channel Audio Effects Filter N2 Coefficient MSB The 16-bit integer contained in the MSB and LSB registers for this coefficient are interpreted as a 2s-complement integer, with possible values ranging from –32768 to 32767. |
| BIT | READ/ WRITE |
RESET VALUE |
DESCRIPTION |
|---|---|---|---|
| D7–D0 | R/W | 0101 1101 | Right Channel Audio Effects Filter N2 Coefficient LSB The 16-bit integer contained in the MSB and LSB registers for this coefficient are interpreted as a 2s-complement integer, with possible values ranging from –32768 to 32767. |
| BIT | READ/ WRITE |
RESET VALUE |
DESCRIPTION |
|---|---|---|---|
| D7–D0 | R/W | 0110 1011 | Right Channel Audio Effects Filter N3 Coefficient MSB The 16-bit integer contained in the MSB and LSB registers for this coefficient are interpreted as a 2s-complement integer, with possible values ranging from –32768 to 32767. |
| BIT | READ/ WRITE |
RESET VALUE |
DESCRIPTION |
|---|---|---|---|
| D7–D0 | R/W | 1110 0011 | Right Channel Audio Effects Filter N3 Coefficient LSB The 16-bit integer contained in the MSB and LSB registers for this coefficient are interpreted as a 2s-complement integer, with possible values ranging from –32768 to 32767. |
| BIT | READ/ WRITE |
RESET VALUE |
DESCRIPTION |
|---|---|---|---|
| D7–D0 | R/W | 1001 0110 | Right Channel Audio Effects Filter N4 Coefficient MSB The 16-bit integer contained in the MSB and LSB registers for this coefficient are interpreted as a 2s-complement integer, with possible values ranging from –32768 to 32767. |
| BIT | READ/ WRITE |
RESET VALUE |
DESCRIPTION |
|---|---|---|---|
| D7–D0 | R/W | 0110 0110 | Right Channel Audio Effects Filter N4 Coefficient LSB The 16-bit integer contained in the MSB and LSB registers for this coefficient are interpreted as a 2s-complement integer, with possible values ranging from –32768 to 32767. |
| BIT | READ/ WRITE |
RESET VALUE |
DESCRIPTION |
|---|---|---|---|
| D7–D0 | R/W | 0110 0111 | Right Channel Audio Effects Filter N5 Coefficient MSB The 16-bit integer contained in the MSB and LSB registers for this coefficient are interpreted as a 2s-complement integer, with possible values ranging from –32768 to 32767. |
| BIT | READ/ WRITE |
RESET VALUE |
DESCRIPTION |
|---|---|---|---|
| D7–D0 | R/W | 0101 1101 | Right Channel Audio Effects Filter N5 Coefficient LSB The 16-bit integer contained in the MSB and LSB registers for this coefficient are interpreted as a 2s-complement integer, with possible values ranging from –32768 to 32767. |
| BIT | READ/ WRITE |
RESET VALUE |
DESCRIPTION |
|---|---|---|---|
| D7–D0 | R/W | 0111 1101 | Right Channel Audio Effects Filter D1 Coefficient MSB The 16-bit integer contained in the MSB and LSB registers for this coefficient are interpreted as a 2s-complement integer, with possible values ranging from –32768 to 32767. |
| BIT | READ/ WRITE |
RESET VALUE |
DESCRIPTION |
|---|---|---|---|
| D7–D0 | R/W | 1000 0011 | Right Channel Audio Effects Filter D1 Coefficient LSB The 16-bit integer contained in the MSB and LSB registers for this coefficient are interpreted as a 2s-complement integer, with possible values ranging from –32768 to 32767. |
| BIT | READ/ WRITE |
RESET VALUE |
DESCRIPTION |
|---|---|---|---|
| D7–D0 | R/W | 10000100 | Right Channel Audio Effects Filter D2 Coefficient MSB The 16-bit integer contained in the MSB and LSB registers for this coefficient are interpreted as a 2s-complement integer, with possible values ranging from –32768 to 32767. |
| BIT | READ/ WRITE |
RESET VALUE |
DESCRIPTION |
|---|---|---|---|
| D7–D0 | R/W | 1110 1110 | Right Channel Audio Effects Filter D2 Coefficient LSB The 16-bit integer contained in the MSB and LSB registers for this coefficient are interpreted as a 2s-complement integer, with possible values ranging from –32768 to 32767. |
| BIT | READ/ WRITE |
RESET VALUE |
DESCRIPTION |
|---|---|---|---|
| D7–D0 | R/W | 0111 1101 | Right Channel Audio Effects Filter D4 Coefficient MSB The 16-bit integer contained in the MSB and LSB registers for this coefficient are interpreted as a 2s-complement integer, with possible values ranging from –32768 to 32767. |
| BIT | READ/ WRITE |
RESET VALUE |
DESCRIPTION |
|---|---|---|---|
| D7–D0 | R/W | 1000 0011 | Right Channel Audio Effects Filter D4 Coefficient LSB The 16-bit integer contained in the MSB and LSB registers for this coefficient are interpreted as a 2s-complement integer, with possible values ranging from –32768 to 32767. |
| BIT | READ/ WRITE |
RESET VALUE |
DESCRIPTION |
|---|---|---|---|
| D7–D0 | R/W | 1000 0100 | Right Channel Audio Effects Filter D5 Coefficient MSB The 16-bit integer contained in the MSB and LSB registers for this coefficient are interpreted as a 2s-complement integer, with possible values ranging from –32768 to 32767. |
| BIT | READ/ WRITE |
RESET VALUE |
DESCRIPTION |
|---|---|---|---|
| D7–D0 | R/W | 1110 1110 | Right Channel Audio Effects Filter D5 Coefficient LSB The 16-bit integer contained in the MSB and LSB registers for this coefficient are interpreted as a 2s-complement integer, with possible values ranging from –32768 to 32767. |
| BIT | READ/ WRITE |
RESET VALUE |
DESCRIPTION |
|---|---|---|---|
| D7–D0 | R/W | 0011 1001 | Right Channel De-Emphasis Filter N0 Coefficient MSB The 16-bit integer contained in the MSB and LSB registers for this coefficient are interpreted as a 2s-complement integer, with possible values ranging from –32768 to 32767. |
| BIT | READ/ WRITE |
RESET VALUE |
DESCRIPTION |
|---|---|---|---|
| D7–D0 | R/W | 0101 0101 | Right Channel De-Emphasis Filter N0 Coefficient LSB The 16-bit integer contained in the MSB and LSB registers for this coefficient are interpreted as a 2s-complement integer, with possible values ranging from –32768 to 32767. |
| BIT | READ/ WRITE |
RESET VALUE |
DESCRIPTION |
|---|---|---|---|
| D7–D0 | R/W | 1111 0011 | Right Channel De-Emphasis Filter N1 Coefficient MSB The 16-bit integer contained in the MSB and LSB registers for this coefficient are interpreted as a 2s-complement integer, with possible values ranging from –32768 to 32767. |
| BIT | READ/ WRITE |
RESET VALUE |
DESCRIPTION |
|---|---|---|---|
| D7–D0 | R/W | 0010 1101 | Right Channel De-Emphasis Filter N1 Coefficient LSB The 16-bit integer contained in the MSB and LSB registers for this coefficient are interpreted as a 2s-complement integer, with possible values ranging from –32768 to 32767. |
| BIT | READ/ WRITE |
RESET VALUE |
DESCRIPTION |
|---|---|---|---|
| D7–D0 | R/W | 0101 0011 | Right Channel De-Emphasis Filter D1 Coefficient MSB The 16-bit integer contained in the MSB and LSB registers for this coefficient are interpreted as a 2s-complement integer, with possible values ranging from –32768 to 32767. |
| BIT | READ/ WRITE |
RESET VALUE |
DESCRIPTION |
|---|---|---|---|
| D7–D0 | R/W | 0111 1110 | Right Channel De-Emphasis Filter D1 Coefficient LSB The 16-bit integer contained in the MSB and LSB registers for this coefficient are interpreted as a 2s-complement integer, with possible values ranging from –32768 to 32767. |
| BIT | READ/ WRITE |
RESET VALUE |
DESCRIPTION |
|---|---|---|---|
| D7–D0 | R/W | 0111 1111 | 3D Attenuation Coefficient MSB The 16-bit integer contained in the MSB and LSB registers for this coefficient are interpreted as a 2s-complement integer, with possible values ranging from –32768 to 32767. |
| BIT | READ/ WRITE |
RESET VALUE |
DESCRIPTION |
|---|---|---|---|
| D7–D0 | R/W | 1111 1111 | 3D Attenuation Coefficient LSB The 16-bit integer contained in the MSB and LSB registers for this coefficient are interpreted as a 2s-complement integer, with possible values ranging from –32768 to 32767. |
| BIT | READ/ WRITE |
RESET VALUE |
DESCRIPTION |
|---|---|---|---|
| D7–D0 | R | 0000 0000 | Reserved, do not write to these registers. |
| BIT | READ/ WRITE |
RESET VALUE |
DESCRIPTION |
|---|---|---|---|
| D7–D0 | R/W | 0011 1001 | Left Channel ADC High Pass Filter N0 Coefficient MSB The 16-bit integer contained in the MSB and LSB registers for this coefficient are interpreted as a 2s-complement integer, with possible values ranging from –32768 to 32767. |
| BIT | READ/ WRITE |
RESET VALUE |
DESCRIPTION |
|---|---|---|---|
| D7–D0 | R/W | 0101 0101 | Left Channel ADC High Pass Filter N0 Coefficient LSB The 16-bit integer contained in the MSB and LSB registers for this coefficient are interpreted as a 2s-complement integer, with possible values ranging from –32768 to 32767. |
| BIT | READ/ WRITE |
RESET VALUE |
DESCRIPTION |
|---|---|---|---|
| D7–D0 | R/W | 1111 0011 | Left Channel ADC High Pass Filter N1 Coefficient MSB The 16-bit integer contained in the MSB and LSB registers for this coefficient are interpreted as a 2s-complement integer, with possible values ranging from –32768 to 32767. |
| BIT | READ/ WRITE |
RESET VALUE |
DESCRIPTION |
|---|---|---|---|
| D7–D0 | R/W | 0010 1101 | Left Channel ADC High Pass Filter N1 Coefficient LSB The 16-bit integer contained in the MSB and LSB registers for this coefficient are interpreted as a 2s-complement integer, with possible values ranging from –32768 to 32767. |
| BIT | READ/ WRITE |
RESET VALUE |
DESCRIPTION |
|---|---|---|---|
| D7–D0 | R/W | 0101 0011 | Left Channel ADC High Pass Filter D1 Coefficient MSB The 16-bit integer contained in the MSB and LSB registers for this coefficient are interpreted as a 2s-complement integer, with possible values ranging from –32768 to 32767. |
| BIT | READ/ WRITE |
RESET VALUE |
DESCRIPTION |
|---|---|---|---|
| D7–D0 | R/W | 0111 1110 | Left Channel ADC High Pass Filter D1 Coefficient LSB The 16-bit integer contained in the MSB and LSB registers for this coefficient are interpreted as a 2s-complement integer, with possible values ranging from –32768 to 32767. |
| BIT | READ/ WRITE |
RESET VALUE |
DESCRIPTION |
|---|---|---|---|
| D7–D0 | R/W | 0011 1001 | Right Channel ADC High Pass Filter N0 Coefficient MSB The 16-bit integer contained in the MSB and LSB registers for this coefficient are interpreted as a 2s-complement integer, with possible values ranging from –32768 to 32767. |
| BIT | READ/ WRITE |
RESET VALUE |
DESCRIPTION |
|---|---|---|---|
| D7–D0 | R/W | 0101 0101 | Right Channel ADC High Pass Filter N0 Coefficient LSB The 16-bit integer contained in the MSB and LSB registers for this coefficient are interpreted as a 2s-complement integer, with possible values ranging from –32768 to 32767. |
| BIT | READ/ WRITE |
RESET VALUE |
DESCRIPTION |
|---|---|---|---|
| D7–D0 | R/W | 1111 0011 | Right Channel ADC High Pass Filter N1 Coefficient MSB The 16-bit integer contained in the MSB and LSB registers for this coefficient are interpreted as a 2s-complement integer, with possible values ranging from –32768 to 32767. |
| BIT | READ/ WRITE |
RESET VALUE |
DESCRIPTION |
|---|---|---|---|
| D7–D0 | R/W | 0010 1101 | Right Channel ADC High Pass Filter N1 Coefficient LSB The 16-bit integer contained in the MSB and LSB registers for this coefficient are interpreted as a 2s-complement integer, with possible values ranging from –32768 to 32767. |
| BIT | READ/ WRITE |
RESET VALUE |
DESCRIPTION |
|---|---|---|---|
| D7–D0 | R/W | 0101 0011 | Right Channel ADC High Pass Filter D1 Coefficient MSB The 16-bit integer contained in the MSB and LSB registers for this coefficient are interpreted as a 2s-complement integer, with possible values ranging from –32768 to 32767. |
| BIT | READ/ WRITE |
RESET VALUE |
DESCRIPTION |
|---|---|---|---|
| D7–D0 | R/W | 0111 1110 | Right Channel ADC High Pass Filter D1 Coefficient LSB The 16-bit integer contained in the MSB and LSB registers for this coefficient are interpreted as a 2s-complement integer, with possible values ranging from –32768 to 32767. |
| BIT | READ/ WRITE |
RESET VALUE |
DESCRIPTION |
|---|---|---|---|
| D7–D0 | R | 0000 0000 | Reserved, do not write to these registers. |