SNOSDA9E June 2020 – May 2024 TLV9020-Q1 , TLV9021-Q1 , TLV9022-Q1 , TLV9024-Q1 , TLV9030-Q1 , TLV9031-Q1 , TLV9032-Q1 , TLV9034-Q1
PRODMIX
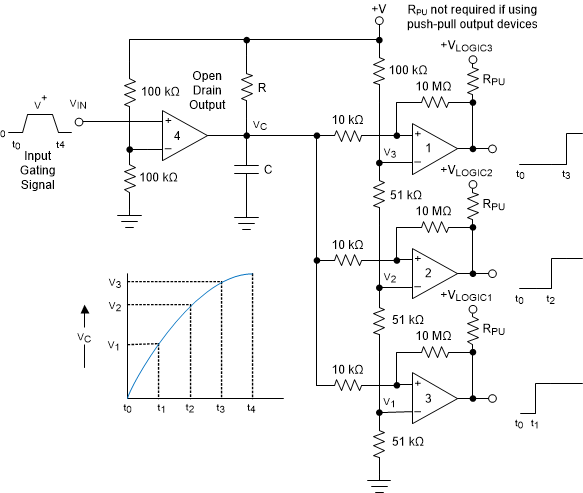
The circuit shown in Figure 7-13 provides output signals at a prescribed time interval from a time reference and automatically resets the output low when the input returns to 0V. This is useful for sequencing a "power on" signal to trigger a controlled start-up of power supplies.
Figure 7-13 Time Delay GeneratorConsider the case of VIN = 0. The output of comparator 4 is also at ground, "shorting" the capacitor and holding it at 0V. This implies that the outputs of comparators 1, 2, and 3 are also at 0V. When an input signal is applied, the output of open drain comparator 4 goes High-Z and C charges exponentially through R. This is indicated in the graph. The output voltages of comparators 1, 2, and 3 switch to the high state in sequence when VC rises above the reference voltages V1, V2 and V3. A small amount of hysteresis has been provided by the 10kΩ and 10MΩ resistors to insure fast switching when the RC time constant is chosen to give long delay times. A good starting point is R = 100kΩ and C = 0.01µF to 1µF.
All outputs immediately go low when VIN falls to 0V, due to the comparator output going low and immediately discharging the capacitor.
Comparator 4 must be a open-drain type output (TLV902x-Q1), whereas comparators 1 though 3 can be either open drain or push-pull output, depending on system requirements. RPU is not required for push-pull output devices.