SNOSDA9E June   2020  – May 2024 TLV9020-Q1 , TLV9021-Q1 , TLV9022-Q1 , TLV9024-Q1 , TLV9030-Q1 , TLV9031-Q1 , TLV9032-Q1 , TLV9034-Q1

PRODMIX  

  1.   1
  2. Features
  3. Applications
  4. Description
  5. Pin Configuration and Functions
    1. 4.1 Pin Functions: TLV90x0-Q1 and TLV90x1-Q1 Single
    2.     Pin Functions: TLV90x2-Q1 Dual
    3.     Pin Functions: TLV90x4-Q1 Quad
  6. Specifications
    1. 5.1  Absolute Maximum Ratings
    2. 5.2  ESD Ratings
    3. 5.3  Recommended Operating Conditions
    4. 5.4  Thermal Information, TLV90x0-Q1,TLV90x1-Q1
    5. 5.5  Thermal Information, TLV90x2-Q1
    6. 5.6  Thermal Information, TLV90x4-Q1
    7. 5.7  Electrical Characteristics, TLV90x0-Q1,TLV90x1-Q1
    8. 5.8  Switching Characteristics, TLV90x0-Q1,TLV90x1-Q1
    9. 5.9  Electrical Characteristics, TLV90x2-Q1
    10. 5.10 Switching Characteristics, TLV90x2-Q1
    11. 5.11 Electrical Characteristics, TLV90x4-Q1
    12. 5.12 Switching Characteristics, TLV90x4-Q1
    13. 5.13 Typical Characteristics
  7. Detailed Description
    1. 6.1 Overview
    2. 6.2 Functional Block Diagram
    3. 6.3 Feature Description
    4. 6.4 Device Functional Modes
      1. 6.4.1 Outputs
        1. 6.4.1.1 TLV9022-Q1 and TLV9024-Q1 Open Drain Output
        2. 6.4.1.2 TLV9032-Q1 and TLV9034-Q1 Push-Pull Output
      2. 6.4.2 Power-On Reset (POR)
      3. 6.4.3 Inputs
        1. 6.4.3.1 Rail to Rail Input
        2. 6.4.3.2 Fault Tolerant Inputs
        3. 6.4.3.3 Input Protection
      4. 6.4.4 ESD Protection
      5. 6.4.5 Unused Inputs
      6. 6.4.6 Hysteresis
  8. Application and Implementation
    1. 7.1 Application Information
      1. 7.1.1 Basic Comparator Definitions
        1. 7.1.1.1 Operation
        2. 7.1.1.2 Propagation Delay
        3. 7.1.1.3 Overdrive Voltage
      2. 7.1.2 Hysteresis
        1. 7.1.2.1 Inverting Comparator With Hysteresis
        2. 7.1.2.2 Non-Inverting Comparator With Hysteresis
        3. 7.1.2.3 Inverting and Non-Inverting Hysteresis Using Open-Drain Output
    2. 7.2 Typical Applications
      1. 7.2.1 Window Comparator
        1. 7.2.1.1 Design Requirements
        2. 7.2.1.2 Detailed Design Procedure
        3. 7.2.1.3 Application Curve
      2. 7.2.2 Square-Wave Oscillator
        1. 7.2.2.1 Design Requirements
        2. 7.2.2.2 Detailed Design Procedure
        3. 7.2.2.3 Application Curve
      3. 7.2.3 Adjustable Pulse Width Generator
      4. 7.2.4 Time Delay Generator
      5. 7.2.5 Logic Level Shifter
      6. 7.2.6 One-Shot Multivibrator
      7. 7.2.7 Bi-Stable Multivibrator
      8. 7.2.8 Zero Crossing Detector
      9. 7.2.9 Pulse Slicer
    3. 7.3 Power Supply Recommendations
  9. Layout
    1. 8.1 Layout Guidelines
    2. 8.2 Layout Example
  10. Device and Documentation Support
    1. 9.1 Documentation Support
      1. 9.1.1 Related Documentation
    2. 9.2 Receiving Notification of Documentation Updates
    3. 9.3 Support Resources
    4. 9.4 Trademarks
    5. 9.5 Electrostatic Discharge Caution
    6. 9.6 Glossary
  11. 10Revision History
  12. 11Mechanical, Packaging, and Orderable Information

Package Options

Mechanical Data (Package|Pins)
Thermal pad, mechanical data (Package|Pins)
Orderable Information

Inverting Comparator With Hysteresis

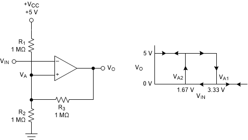
The inverting comparator with hysteresis requires a three-resistor network that is referenced to the comparator supply voltage (V+), as shown in Figure 7-3.

TLV9020-Q1 TLV9021-Q1 TLV9022-Q1 TLV9024-Q1  TLV9030-Q1 TLV9031-Q1 TLV9032-Q1 TLV9034-Q1 TLV903x-Q1in an Inverting Configuration With HysteresisFigure 7-3 TLV903x-Q1in an Inverting Configuration With Hysteresis

The equivalent resistor networks when the output is high and low are shown in Figure 7-3.

TLV9020-Q1 TLV9021-Q1 TLV9022-Q1 TLV9024-Q1  TLV9030-Q1 TLV9031-Q1 TLV9032-Q1 TLV9034-Q1 Inverting Configuration Resistor Equivalent NetworksFigure 7-4 Inverting Configuration Resistor Equivalent Networks

When VIN is less than VA, the output voltage is high (for simplicity, assume VO switches as high as VCC). The three network resistors can be represented as R1 || R3 in series with R2, as shown in Figure 7-4.

Equation 1 below defines the high-to-low trip voltage (VA1).

Equation 1. TLV9020-Q1 TLV9021-Q1 TLV9022-Q1 TLV9024-Q1  TLV9030-Q1 TLV9031-Q1 TLV9032-Q1 TLV9034-Q1

When VIN is greater than VA, the output voltage is low. In this case, the three network resistors can be presented as R2 || R3 in series with R1, as shown in Equation 2.

Use Equation 2 to define the low to high trip voltage (VA2).

Equation 2. TLV9020-Q1 TLV9021-Q1 TLV9022-Q1 TLV9024-Q1  TLV9030-Q1 TLV9031-Q1 TLV9032-Q1 TLV9034-Q1

Equation 3 defines the total hysteresis provided by the network.

Equation 3. TLV9020-Q1 TLV9021-Q1 TLV9022-Q1 TLV9024-Q1  TLV9030-Q1 TLV9031-Q1 TLV9032-Q1 TLV9034-Q1