SLVS555N November   2004  – June 2024 TLVH431 , TLVH431A , TLVH431B , TLVH432 , TLVH432A , TLVH432B

PRODUCTION DATA  

  1.   1
  2. Features
  3. Applications
  4. Description
  5. Pin Configuration and Functions
    1.     Pin Functions
  6. Specifications
    1. 5.1 Absolute Maximum Ratings
    2. 5.2 ESD Ratings
    3. 5.3 Recommended Operating Conditions
    4. 5.4 Thermal Information
    5. 5.5 TLVH43x Electrical Characteristics
    6. 5.6 TLVH43xA Electrical Characteristics
    7. 5.7 TLVH43xB Electrical Characteristics
    8. 5.8 Typical Characteristics
  7. Parameter Measurement Information
  8. Detailed Description
    1. 7.1 Overview
    2. 7.2 Functional Block Diagram
    3. 7.3 Feature Description
    4. 7.4 Device Functional Modes
      1. 7.4.1 Open Loop (Comparator)
      2. 7.4.2 Closed Loop
  9. Applications and Implementation
    1. 8.1 Application Information
    2. 8.2 Typical Applications
      1. 8.2.1 Comparator With Integrated Reference (Open Loop)
        1. 8.2.1.1 Design Requirements
        2. 8.2.1.2 Detailed Design Procedure
          1. 8.2.1.2.1 Basic Operation
          2. 8.2.1.2.2 Overdrive
          3. 8.2.1.2.3 Output Voltage and Logic Input Level
            1. 8.2.1.2.3.1 Input Resistance
        3. 8.2.1.3 Application Curves
      2. 8.2.2 Shunt Regulator/Reference
        1. 8.2.2.1 Design Requirements
        2. 8.2.2.2 Detailed Design Procedure
          1. 8.2.2.2.1 Programming Output/Cathode Voltage
          2. 8.2.2.2.2 Total Accuracy
          3. 8.2.2.2.3 Stability
        3. 8.2.2.3 Application Curve
    3. 8.3 Power Supply Recommendations
    4. 8.4 Layout
      1. 8.4.1 Layout Guidelines
      2. 8.4.2 Layout Example
  10. Device and Documentation Support
    1. 9.1 Documentation Support
      1. 9.1.1 Related Documentation
    2. 9.2 Receiving Notification of Documentation Updates
    3. 9.3 Support Resources
    4. 9.4 Trademarks
    5. 9.5 Electrostatic Discharge Caution
    6. 9.6 Glossary
  11. 10Revision History
  12. 11Mechanical, Packaging, and Orderable Information

Package Options

Mechanical Data (Package|Pins)
Thermal pad, mechanical data (Package|Pins)
Orderable Information

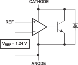
Functional Block Diagram

TLVH431 TLVH431A TLVH431B TLVH432 TLVH432A TLVH432B Equivalent SchematicFigure 7-1 Equivalent Schematic
TLVH431 TLVH431A TLVH431B TLVH432 TLVH432A TLVH432B Detailed SchematicFigure 7-2 Detailed Schematic