SPRS880P December 2013 – February 2024 TMS320F28374D , TMS320F28375D , TMS320F28376D , TMS320F28377D , TMS320F28377D-Q1 , TMS320F28378D , TMS320F28379D , TMS320F28379D-Q1
PRODUCTION DATA
Refer to the PDF data sheet for device specific package drawings
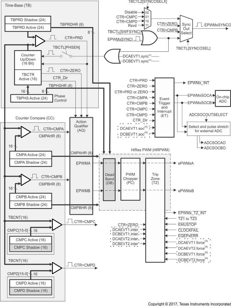
The ePWM peripheral is a key element in controlling many of the power electronic systems found in both commercial and industrial equipment. The ePWM type-4 module is able to generate complex pulse width waveforms with minimal CPU overhead by building the peripheral up from smaller modules with separate resources that can operate together to form a system. Some of the highlights of the ePWM type-4 module include complex waveform generation, dead-band generation, a flexible synchronization scheme, advanced trip-zone functionality, and global register reload capabilities.
Figure 6-54 shows the signal interconnections with the ePWM. Figure 6-55 shows the ePWM trip input connectivity.

Figure 6-55 ePWM Trip Input Connectivity