SCDS464B June   2023  – July 2024 TMUX2889

PRODUCTION DATA  

  1.   1
  2. Features
  3. Applications
  4. Description
  5. Pin Configuration and Functions
  6. Specifications
    1. 5.1 Absolute Maximum Ratings
    2. 5.2 ESD Ratings
    3. 5.3 Thermal Information
    4. 5.4 Recommended Operating Conditions
    5. 5.5 Source or Drain Continuous Current
    6. 5.6 Electrical Characteristics
    7. 5.7 Switching Characteristics
    8. 5.8 Typical Characteristics
  7. Parameter Measurement Information
    1. 6.1  On-Resistance
    2. 6.2  On-Leakage Current
    3. 6.3  Off-Leakage Current
    4. 6.4  Power-Off Leakage Current
    5. 6.5  tON (VDD) and tOFF (VDD) Time
    6. 6.6  Transition Time
    7. 6.7  Break-Before-Make
    8. 6.8  Propagation Delay
    9. 6.9  THD + Noise
    10. 6.10 Power Supply Rejection Ratio (PSRR)
    11. 6.11 Charge Injection
    12. 6.12 Bandwidth
    13. 6.13 Off Isolation
    14. 6.14 Crosstalk
  8. Detailed Description
    1. 7.1 Functional Block Diagram
    2. 7.2 Truth Table
    3. 7.3 Feature Description
      1. 7.3.1 Beyond the Supply
      2. 7.3.2 Bidirectional Operation
      3. 7.3.3 Over Temperature Protection
      4. 7.3.4 Power-off Protection
      5. 7.3.5 1.8 V Logic Compatible Inputs
      6. 7.3.6 Fail-Safe Logic
  9. Application and Implementation
    1. 8.1 Application Information
    2. 8.2 Typical Applications
      1. 8.2.1 Audio Input or Output Switching
        1. 8.2.1.1 Design Requirements
        2. 8.2.1.2 Detailed Design Procedure
        3. 8.2.1.3 Application Curve
    3. 8.3 Power Supply Recommendations
    4. 8.4 Layout
      1. 8.4.1 Layout Guidelines
      2. 8.4.2 Layout Example
  10. Device and Documentation Support
    1. 9.1 Receiving Notification of Documentation Updates
    2. 9.2 Support Resources
    3. 9.3 Trademarks
    4. 9.4 Electrostatic Discharge Caution
    5. 9.5 Glossary
  11. 10Revision History
  12. 11Mechanical, Packaging, and Orderable Information
    1. 11.1 Mechanical Data

Package Options

Refer to the PDF data sheet for device specific package drawings

Mechanical Data (Package|Pins)
  • YBH|9
Thermal pad, mechanical data (Package|Pins)
Orderable Information

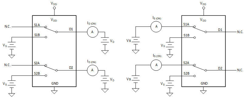
On-Leakage Current

Source on-leakage current is defined as the leakage current flowing into or out of the source pin when the switch is on. This current is denoted by the symbol IS(ON). Drain on-leakage current is defined as the leakage current flowing into or out of the drain pin when the switch is on. This current is denoted by the symbol ID(ON). Either the source pin or drain pin is left floating during the measurement. Figure 6-2 shows the circuit used for measuring the on-leakage current, denoted by IS(ON) or ID(ON).

TMUX2889 On-Leakage Measurement
                                                  Setup Figure 6-2 On-Leakage Measurement Setup