SCDS420E September   2020  – July 2024 TMUX6219

PRODUCTION DATA  

  1.   1
  2. Features
  3. Applications
  4. Description
  5. Pin Configuration and Functions
  6. Specifications
    1. 5.1  Absolute Maximum Ratings
    2. 5.2  ESD Ratings
    3. 5.3  Thermal Information
    4. 5.4  Recommended Operating Conditions
    5. 5.5  Source or Drain Continuous Current
    6. 5.6  ±15 V Dual Supply: Electrical Characteristics 
    7. 5.7  ±15 V Dual Supply: Switching Characteristics 
    8. 5.8  36 V Single Supply: Electrical Characteristics 
    9. 5.9  36 V Single Supply: Switching Characteristics 
    10. 5.10 12 V Single Supply: Electrical Characteristics 
    11. 5.11 12 V Single Supply: Switching Characteristics 
    12. 5.12 +5 V / -8 V Dual Supply: Electrical Characteristics 
    13. 5.13 +5 V / -8 V Dual Supply: Switching Characteristics 
    14. 5.14 ±5 V Dual Supply: Electrical Characteristics 
    15. 5.15 ±5 V Dual Supply: Switching Characteristics 
    16. 5.16 Typical Characteristics
  7. Parameter Measurement Information
    1. 6.1  On-Resistance
    2. 6.2  Off-Leakage Current
    3. 6.3  On-Leakage Current
    4. 6.4  Transition Time
    5. 6.5  tON(EN) and tOFF(EN)
    6. 6.6  Break-Before-Make
    7. 6.7  tON (VDD) Time
    8. 6.8  Propagation Delay
    9. 6.9  Charge Injection
    10. 6.10 Off Isolation
    11. 6.11 Crosstalk
    12. 6.12 Bandwidth
    13. 6.13 THD + Noise
    14. 6.14 Power Supply Rejection Ratio (PSRR)
  8. Detailed Description
    1. 7.1 Overview
    2. 7.2 Functional Block Diagram
    3. 7.3 Feature Description
      1. 7.3.1 Bidirectional Operation
      2. 7.3.2 Rail to Rail Operation
      3. 7.3.3 1.8V Logic Compatible Inputs
      4. 7.3.4 Fail-Safe Logic
      5. 7.3.5 Latch-Up Immune
      6. 7.3.6 Ultra-Low Charge Injection
    4. 7.4 Device Functional Modes
    5. 7.5 Truth Tables
  9. Application and Implementation
    1. 8.1 Application Information
    2. 8.2 Typical Application
      1. 8.2.1 Power Amplifier Gate Driver
      2. 8.2.2 Design Requirements
      3. 8.2.3 Detailed Design Procedure
      4. 8.2.4 Application Curve
  10. Power Supply Recommendations
  11. 10Layout
    1. 10.1 Layout Guidelines
    2. 10.2 Layout Example
  12. 11Device and Documentation Support
    1. 11.1 Documentation Support
      1. 11.1.1 Related Documentation
    2. 11.2 Receiving Notification of Documentation Updates
    3. 11.3 Support Resources
    4. 11.4 Trademarks
    5. 11.5 Electrostatic Discharge Caution
    6. 11.6 Glossary
  13. 12Revision History
  14. 13Mechanical, Packaging, and Orderable Information

Package Options

Mechanical Data (Package|Pins)
Thermal pad, mechanical data (Package|Pins)
Orderable Information

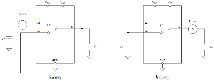
Off-Leakage Current

There are two types of leakage currents associated with a switch during the off state:

  1. Source off-leakage current.
  2. Drain off-leakage current.

Source leakage current is defined as the leakage current flowing into or out of the source pin when the switch is off. This current is denoted by the symbol IS(OFF).

Drain leakage current is defined as the leakage current flowing into or out of the drain pin when the switch is off. This current is denoted by the symbol ID(OFF).

Figure 6-2 shows the setup used to measure both off-leakage currents.

TMUX6219 Off-Leakage Measurement Setup Figure 6-2 Off-Leakage Measurement Setup