SCDS455 May   2022 TMUX7219M

PRODUCTION DATA  

  1. Features
  2. Applications
  3. Description
  4. Revision History
  5. Pin Configuration and Functions
  6. Specifications
    1. 6.1  Absolute Maximum Ratings
    2. 6.2  ESD Ratings
    3. 6.3  Thermal Information
    4. 6.4  Recommended Operating Conditions
    5. 6.5  Source or Drain Continuous Current
    6. 6.6  ±15 V Dual Supply: Electrical Characteristics 
    7. 6.7  ±15 V Dual Supply: Switching Characteristics 
    8. 6.8  ±20 V Dual Supply: Electrical Characteristics
    9. 6.9  ±20 V Dual Supply: Switching Characteristics
    10. 6.10 44 V Single Supply: Electrical Characteristics 
    11. 6.11 44 V Single Supply: Switching Characteristics 
    12. 6.12 12 V Single Supply: Electrical Characteristics 
    13. 6.13 12 V Single Supply: Switching Characteristics 
    14. 6.14 Typical Characteristics
  7. Parameter Measurement Information
    1. 7.1  On-Resistance
    2. 7.2  Off-Leakage Current
    3. 7.3  On-Leakage Current
    4. 7.4  Transition Time
    5. 7.5  tON(EN) and tOFF(EN)
    6. 7.6  Break-Before-Make
    7. 7.7  tON (VDD) Time
    8. 7.8  Propagation Delay
    9. 7.9  Charge Injection
    10. 7.10 Off Isolation
    11. 7.11 Crosstalk
    12. 7.12 Bandwidth
    13. 7.13 THD + Noise
    14. 7.14 Power Supply Rejection Ratio (PSRR)
  8. Detailed Description
    1. 8.1 Overview
    2. 8.2 Functional Block Diagram
    3. 8.3 Feature Description
      1. 8.3.1 Bidirectional Operation
      2. 8.3.2 Rail-to-Rail Operation
      3. 8.3.3 1.8 V Logic Compatible Inputs
      4. 8.3.4 Integrated Pull-Up and Pull-Down Resistor on Logic Pins
      5. 8.3.5 Fail-Safe Logic
      6. 8.3.6 Latch-Up Immune
      7. 8.3.7 Ultra-Low Charge Injection
    4. 8.4 Device Functional Modes
    5. 8.5 Truth Tables
  9. Application and Implementation
    1. 9.1 Application Information
    2. 9.2 Typical Applications
      1. 9.2.1 Data Acquisition Calibration
        1. 9.2.1.1 Design Requirements
        2. 9.2.1.2 Detailed Design Procedure
  10. 10Power Supply Recommendations
  11. 11Layout
    1. 11.1 Layout Guidelines
    2. 11.2 Layout Example
  12. 12Device and Documentation Support
    1. 12.1 Documentation Support
      1. 12.1.1 Related Documentation
    2. 12.2 Receiving Notification of Documentation Updates
    3. 12.3 Support Resources
    4. 12.4 Trademarks
    5. 12.5 Electrostatic Discharge Caution
    6. 12.6 Glossary
  13. 13Mechanical, Packaging, and Orderable Information

Package Options

Mechanical Data (Package|Pins)
Thermal pad, mechanical data (Package|Pins)
Orderable Information

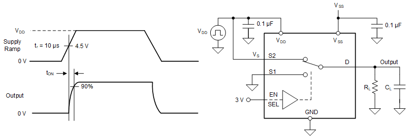
tON (VDD) Time

The tON (VDD) time is defined as the time taken by the output of the device to rise to 90% after the supply has risen past the supply threshold. The 90% measurement is used to provide the timing of the device turning on in the system. Figure 7-7 shows the setup used to measure turn on time, denoted by the symbol tON (VDD).

GUID-20201206-CA0I-XCJF-VM3Q-D7LBC81NT2GD-low.gif Figure 7-7 tON (VDD) Time Measurement Setup