SLOS882B January   2015  – December 2017 TPA3140D2

PRODUCTION DATA.  

  1. Features
  2. Applications
  3. Description
    1.     Device Images
      1.      Simplified Schematic
  4. Revision History
  5. Device Comparison Table
  6. Pin Configuration and Functions
    1.     Pin Functions
  7. Specifications
    1. 7.1 Absolute Maximum Ratings
    2. 7.2 ESD Ratings
    3. 7.3 Recommended Operating Conditions
    4. 7.4 Thermal Information
    5. 7.5 Electrical Characteristics
    6. 7.6 Switching Characteristics
    7. 7.7 Typical Characteristics
  8. Parameter Measurement Information
  9. Detailed Description
    1. 9.1 Overview
    2. 9.2 Functional Block Diagram
    3. 9.3 Feature Description
      1. 9.3.1  Gain Setting via GAIN Pin
      2. 9.3.2  SD Operation
      3. 9.3.3  Gain Limit Control, LIMTHRES and LIMRATE
      4. 9.3.4  SPEAKERGUARD Automatic Gain Limit, AGL
      5. 9.3.5  Thermal Foldback, TFB
      6. 9.3.6  PLIMIT
      7. 9.3.7  LIMTHRES
      8. 9.3.8  Spread Spectrum and De-Phase Control
      9. 9.3.9  GVDD Supply
      10. 9.3.10 DC Detect
      11. 9.3.11 PBTL Select
      12. 9.3.12 Short-Circuit Protection and Automatic Recovery Feature
      13. 9.3.13 Thermal Protection
    4. 9.4 Device Functional Modes
  10. 10Application and Implementation
    1. 10.1 Application Information
    2. 10.2 Typical Applications
      1. 10.2.1 Design Requirements
        1. 10.2.1.1 PCB Material Recommendation
        2. 10.2.1.2 PVCC Capacitor Recommendation
        3. 10.2.1.3 Decoupling Capacitor Recommendations
      2. 10.2.2 Detailed Design Procedure
        1. 10.2.2.1 Ferrite Bead Filter Considerations
        2. 10.2.2.2 Efficiency: LC Filter Required with the Traditional Class-D Modulation Scheme
        3. 10.2.2.3 When to Use an Output Filter for EMI Suppression
        4. 10.2.2.4 Input Resistance
        5. 10.2.2.5 Input Capacitor, Ci
        6. 10.2.2.6 BSN and BSP Capacitors
        7. 10.2.2.7 Differential Inputs
        8. 10.2.2.8 Using Low-ESR Capacitors
      3. 10.2.3 Application Performance Curves
        1. 10.2.3.1 EN55013 Radiated Emissions Results
        2. 10.2.3.2 EN55022 Conducted Emissions Results
  11. 11Power Supply Recommendations
    1. 11.1 Power Supply Decoupling, CS
  12. 12Layout
    1. 12.1 Layout Guidelines
    2. 12.2 Layout Example
  13. 13Device and Documentation Support
    1. 13.1 Device Support
      1. 13.1.1 Third-Party Products Disclaimer
    2. 13.2 Documentation Support
      1. 13.2.1 Related Documentation
    3. 13.3 Community Resources
    4. 13.4 Trademarks
    5. 13.5 Electrostatic Discharge Caution
    6. 13.6 Glossary
  14. 14Mechanical, Packaging, and Orderable Information

Package Options

Mechanical Data (Package|Pins)
Thermal pad, mechanical data (Package|Pins)
Orderable Information

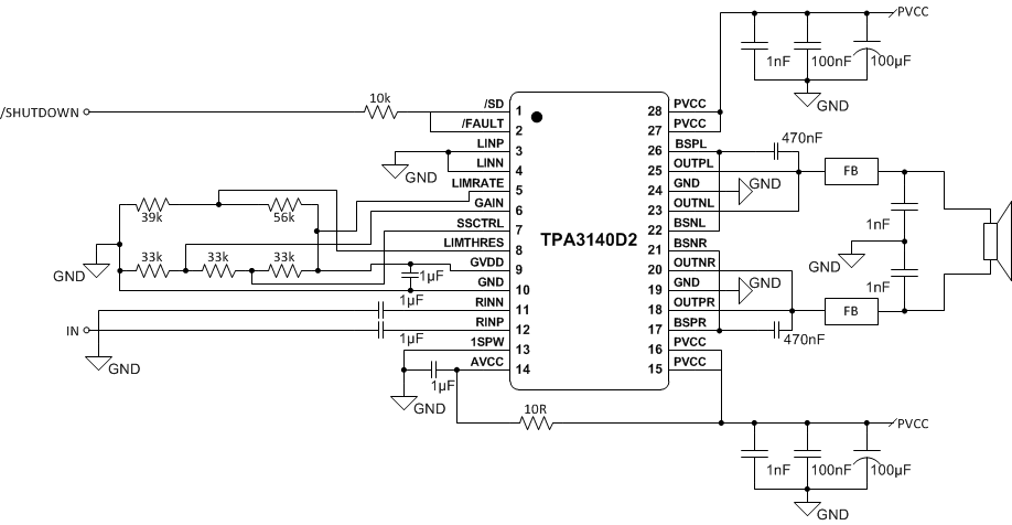
Typical Applications

TPA3140D2 TypAppSchBTL.gif
Figure 25. Stereo Class-D Amplifier with BTL Output and Single-Ended Inputs with Spread Spectrum Modulation
TPA3140D2 TypAppPBTL.gif
100-kΩ resistor is needed if the PVCC slew rate is more than 10 V/ms.
Figure 26. Stereo Class-D Amplifier with PBTL Output and Single-Ended Input with Spread Spectrum Modulation