SNAS651A January   2015  – September 2018 TPL5010

PRODUCTION DATA.  

  1. Features
  2. Applications
  3. Description
    1.     Device Images
      1.      Simplified Application Schematic
  4. Revision History
  5. Device Comparison Table
  6. Pin Configuration and Functions
    1.     Pin Functions
  7. Specifications
    1. 7.1 Absolute Maximum Ratings
    2. 7.2 ESD Ratings
    3. 7.3 Recommended Operating Ratings
    4. 7.4 Thermal Information
    5. 7.5 Electrical Characteristics
    6. 7.6 Timing Requirements
    7. 7.7 Typical Characteristics
  8. Detailed Description
    1. 8.1 Overview
    2. 8.2 Functional Block Diagram
    3. 8.3 Feature Description
      1. 8.3.1 WAKE
      2. 8.3.2 DONE
      3. 8.3.3 RSTn
    4. 8.4 Device Functional Modes
      1. 8.4.1 Start-Up
      2. 8.4.2 Normal Operating Mode
    5. 8.5 Programming
      1. 8.5.1 Configuring the WAKE Interval With the DELAY/M_RST Pin
      2. 8.5.2 Manual Reset
        1. 8.5.2.1 DELAY/M_RST
        2. 8.5.2.2 Circuitry
      3. 8.5.3 Timer Interval Selection Using External Resistance
      4. 8.5.4 Quantization Error
      5. 8.5.5 Error Due to Real External Resistance
  9. Application and Implementation
    1. 9.1 Application Information
    2. 9.2 Typical Application
      1. 9.2.1 Design Requirements
      2. 9.2.2 Detailed Design Procedure
      3. 9.2.3 Application Curve
  10. 10Power Supply Recommendations
  11. 11Layout
    1. 11.1 Layout Guidelines
    2. 11.2 Layout Example
  12. 12Device and Documentation Support
    1. 12.1 Receiving Notification of Documentation Updates
    2. 12.2 Community Resources
    3. 12.3 Trademarks
    4. 12.4 Electrostatic Discharge Caution
    5. 12.5 Glossary
  13. 13Mechanical, Packaging, and Orderable Information

Package Options

Mechanical Data (Package|Pins)
Thermal pad, mechanical data (Package|Pins)
Orderable Information

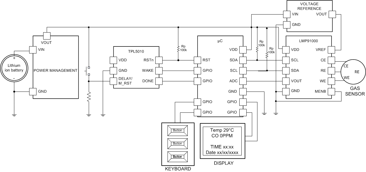
Typical Application

The TPL5010 can be used in conjunction with environment sensors to build a low-power environment data-logger, such as an air quality data-logger. In this application, due to the monitored phenomena, the µC and the front end of the sensor spend most of the time in the idle state, waiting for the next logging interval, usually a few hundred of milliseconds. Figure 13 shows a data logging application based on a µC and a front end for a gas sensor based on the LMP91000.

TPL5010 DATALOGGER.gifFigure 13. Data-Logger