SLVS798G January   2008  – June 2024 TPS2062A , TPS2066A

PRODUCTION DATA  

  1.   1
  2. Features
  3. Applications
  4. Description
  5. Pin Configuration and Functions
  6. Specifications
    1. 5.1 Absolute Maximum Ratings
    2. 5.2 Recommended Operating Conditions
    3. 5.3 Thermal Information
    4. 5.4 Electrical Characteristics
    5. 5.5 Typical Characteristics
  7. Parameter Measurement Information
    1.     13
  8. Detailed Description
    1. 7.1 Overview
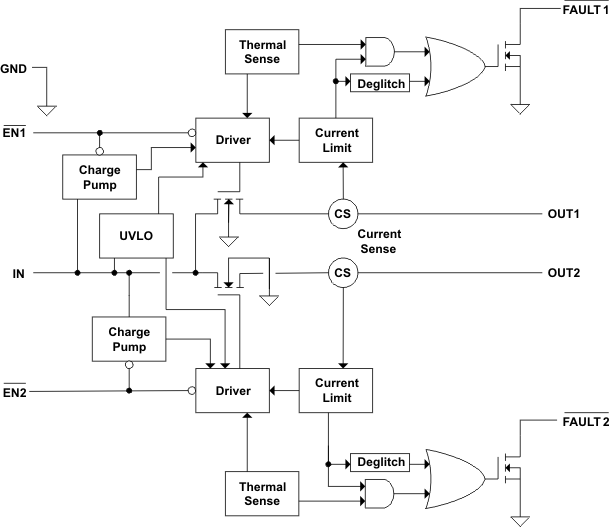
    2. 7.2 Functional Block Diagram
    3. 7.3 Overcurrent
      1. 7.3.1 Overcurrent Conditions (TPS2062ADRB, TPS2066ADRB, and TPS2066AD)
      2. 7.3.2 Overcurrent Conditions (TPS2062AD)
    4. 7.4 OCx Response
    5. 7.5 Undervoltage Lockout (UVLO)
    6. 7.6 Enable ( ENx or ENx)
    7. 7.7 Thermal Sense
  9. Application Information
    1. 8.1 Power-Supply Considerations
    2. 8.2 Input and Output Capacitance
    3. 8.3 Power Dissipation and Junction Temperature
    4. 8.4 Universal Serial Bus (USB) Applications
    5. 8.5 Self-powered and Bus-Powered Hubs
    6. 8.6 Low-Power Bus-Powered And High-Power Bus-Powered Functions
    7. 8.7 USB Power-Distribution Requirements
  10. Device and Documentation Support
    1. 9.1 Receiving Notification of Documentation Updates
    2. 9.2 Support Resources
    3. 9.3 Trademarks
    4. 9.4 Electrostatic Discharge Caution
    5. 9.5 Glossary
  11. 10Revision History
  12. 11Mechanical, Packaging, and Orderable Information

Package Options

Mechanical Data (Package|Pins)
Thermal pad, mechanical data (Package|Pins)
Orderable Information

Functional Block Diagram

TPS2062A TPS2066A
Current sense
Active low ( ENx) for TPS2062A. Active high (ENx) for TPS2066A.