SLVS714B February   2007  – June 2024 TPS2062-1 , TPS2065-1 , TPS2066-1

PRODUCTION DATA  

  1.   1
  2. Features
  3. Applications
  4. Description
  5. Pin Configuration and Functions
  6. Specifications
    1. 5.1 Absolute Maximum Ratings
    2. 5.2 Recommended Operating Conditions
    3. 5.3 Thermal Information
    4. 5.4 Electrical Characteristics
    5. 5.5 Typical Characteristics
  7. Parameter Measurement Information
    1.     13
  8. Detailed Description
    1. 7.1  Functional Block Diagram
    2. 7.2  Power Switch
    3. 7.3  Charge Pump
    4. 7.4  Driver
    5. 7.5  Enable ( ENx or ENx)
    6. 7.6  Current Sense
    7. 7.7  Overcurrent
      1. 7.7.1 Overcurrent Conditions (TPS2062-1 and TPS2065-1)
      2. 7.7.2 Overcurrent Conditions (TPS2066-1)
    8. 7.8  Overcurrent ( OCx)
    9. 7.9  Thermal Sense
    10. 7.10 Undervoltage Lockout
    11. 7.11 Discharge Function
  9. Application and Implementation
    1. 8.1 Application Information
      1. 8.1.1  Power-Supply Considerations
      2. 8.1.2  OC Response
      3. 8.1.3  Power Dissipation and Junction Temperature
      4. 8.1.4  Thermal Protection
      5. 8.1.5  Undervoltage Lockout (UVLO)
      6. 8.1.6  Universal Serial Bus (USB) Applications
      7. 8.1.7  Host/Self-Powered and Bus-Powered Hubs
      8. 8.1.8  Low-Power Bus-Powered and High-Power Bus-Powered Functions
      9. 8.1.9  USB Power-Distribution Requirements
      10. 8.1.10 Generic Hot-Plug Applications
  10. Device and Documentation Support
    1. 9.1 Device Support
    2. 9.2 Documentation Support
    3. 9.3 Receiving Notification of Documentation Updates
    4. 9.4 Support Resources
    5. 9.5 Trademarks
    6. 9.6 Electrostatic Discharge Caution
    7. 9.7 Glossary
  11. 10Revision History
  12. 11Mechanical, Packaging, and Orderable Information

Package Options

Refer to the PDF data sheet for device specific package drawings

Mechanical Data (Package|Pins)
  • DGN|8
Thermal pad, mechanical data (Package|Pins)
Orderable Information

Host/Self-Powered and Bus-Powered Hubs

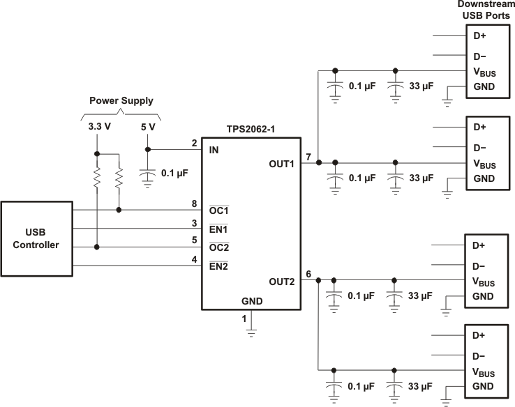
Hosts and SPHs have a local power supply that powers the embedded functions and the downstream ports (see Figure 8-3). This power supply must provide from 5.25 V to 4.75 V to the board side of the downstream connection under full-load and no-load conditions. Hosts and SPHs are required to have current-limit protection and must report overcurrent conditions to the USB controller. Typical SPHs are desktop PCs, monitors, printers, and stand-alone hubs.

TPS2062-1 TPS2065-1 TPS2066-1 Typical Four-Port USB Host / Self-Powered HubFigure 8-3 Typical Four-Port USB Host / Self-Powered Hub

BPHs obtain all power from upstream ports and often contain an embedded function. The hubs are required to power up with less than one unit load. The BPH usually has one embedded function, and power is always available to the controller of the hub. If the embedded function and hub require more than 100 mA on power up, the power to the embedded function may need to be kept off until enumeration is completed. This can be accomplished by removing power or by shutting off the clock to the embedded function. Power switching the embedded function is not necessary if the aggregate power draw for the function and controller is less than one unit load. The total current drawn by the bus-powered device is the sum of the current to the controller, the embedded function, and the downstream ports, and it is limited to 500 mA from an upstream port.