SLVSCT5D March   2015  – September 2016 TPS22953 , TPS22954

PRODUCTION DATA.  

  1. Features
  2. Applications
  3. Description
  4. Revision History
  5. Device Comparison Table
  6. Pin Configuration and Functions
  7. Specifications
    1. 7.1  Absolute Maximum Ratings
    2. 7.2  ESD Ratings
    3. 7.3  Recommended Operating Conditions
    4. 7.4  Thermal Information
    5. 7.5  Electrical Characteristics
    6. 7.6  Electrical Characteristics—VBIAS = 5 V
    7. 7.7  Electrical Characteristics—VBIAS = 3.3 V
    8. 7.8  Electrical Characteristics—VBIAS = 2.5 V
    9. 7.9  Switching Characteristics—CT = 1000 pF
    10. 7.10 Switching Characteristics—CT = 0 pF
    11. 7.11 Typical DC Characteristics
    12. 7.12 Typical Switching Characteristics
  8. Parameter Measurement Information
  9. Detailed Description
    1. 9.1 Overview
    2. 9.2 Functional Block Diagram
    3. 9.3 Feature Description
      1. 9.3.1  On and Off Control (EN pin)
      2. 9.3.2  Voltage Monitoring (SNS Pin)
      3. 9.3.3  Power Good (PG Pin)
      4. 9.3.4  Supervisor Fault Detection and Automatic Restart
      5. 9.3.5  Manual Restart
      6. 9.3.6  Thermal Shutdown
      7. 9.3.7  Reverse Current Blocking (TPS22953 Only)
      8. 9.3.8  Quick Output Discharge (QOD) (TPS22954 Only)
      9. 9.3.9  VIN and VBIAS Voltage Range
      10. 9.3.10 Adjustable Rise Time (CT pin)
      11. 9.3.11 Power Sequencing
    4. 9.4 Device Functional Modes
  10. 10Application and Implementation
    1. 10.1 Application Information
      1. 10.1.1 Input to Output Voltage Drop
      2. 10.1.2 Thermal Considerations
      3. 10.1.3 Automatic Power Sequencing
      4. 10.1.4 Monitoring a Downstream Voltage
      5. 10.1.5 Monitoring the Input Voltage
      6. 10.1.6 Break-Before-Make Power MUX (TPS22953 Only)
      7. 10.1.7 Make-Before-Break Power MUX (TPS22953 Only)
    2. 10.2 Typical Application
      1. 10.2.1 Design Requirements
      2. 10.2.2 Detailed Design Procedure
        1. 10.2.2.1 Inrush Current
      3. 10.2.3 Application Curves
  11. 11Power Supply Recommendations
  12. 12Layout
    1. 12.1 Layout Guidelines
    2. 12.2 Layout Example
  13. 13Device and Documentation Support
    1. 13.1 Documentation Support
      1. 13.1.1 Related Documentation
    2. 13.2 Related Links
    3. 13.3 Receiving Notification of Documentation Updates
    4. 13.4 Community Resources
    5. 13.5 Trademarks
    6. 13.6 Electrostatic Discharge Caution
    7. 13.7 Glossary
  14. 14Mechanical, Packaging, and Orderable Information

Package Options

Mechanical Data (Package|Pins)
Thermal pad, mechanical data (Package|Pins)
Orderable Information

10 Application and Implementation

NOTE

Information in the following applications sections is not part of the TI component specification, and TI does not warrant its accuracy or completeness. TI’s customers are responsible for determining suitability of components for their purposes. Customers should validate and test their design implementation to confirm system functionality.

10.1 Application Information

This section will highlights some of the design considerations when implementing this device in various applications. A PSPICE model for this device is also available on www.ti.com for further aid.

10.1.1 Input to Output Voltage Drop

The input to output voltage drop in the device is determined by the RON of the device and the load current. The RON of the device depends upon the VIN and VBIAS conditions of the device. Refer to the RON specification of the device in the Electrical Characteristics table of this datasheet. Once the RON of the device is determined based upon the VIN and VBIAS voltage conditions, use Equation 5 to calculate the input to output voltage drop.

Equation 5. TPS22954 TPS22953 Eq05_delta_slvsct5.gif

where

  • ΔV is the voltage drop from IN to OUT
  • ILOAD is the load current
  • RON is the On-Resistance of the device for a specific VIN and VBIAS

An appropriate ILOAD must be chosen such that the IMAX specification of the device is not violated.

10.1.2 Thermal Considerations

The maximum IC junction temperature must be restricted to just under the thermal shutdown (TSD) limit of the device. To calculate the maximum allowable dissipation, PD(max) for a given output current and ambient temperature, use Equation 6.

Equation 6. TPS22954 TPS22953 Eq07_PDmax_slvsct5.gif

where

  • PD(max) is the maximum allowable power dissipation
  • TJ(max) is the maximum allowable junction temperature before hitting thermal shutdown (see the Electrical Characteristics table)
  • TA is the ambient temperature of the device
  • θJA is the junction to air thermal impedance. See the Thermal Information section. This parameter is highly dependent upon board layout.

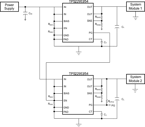
10.1.3 Automatic Power Sequencing

The PG pin of the TPS22953/54 allows for automatic sequencing of multiple system rails or loads. The accurate SNS voltage monitoring ensures the first rail is up before the next starts to turn on. This approach provides robust system sequencing and reduces the total inrush current by preventing overlap. Figure 60 shows how two rails can be sequenced. There is no limit to the number of rails that can be sequenced in this way

TPS22954 TPS22953 Power_Sequencing.gif Figure 60. Power Sequencing with PG Control Schematic

10.1.4 Monitoring a Downstream Voltage

The SNS pin can be used to monitor other system voltages in addition to VOUT. The status of the monitored voltage are indicated by the PG pin which can be pulled up to VOUT or another voltage. Figure 61 shows an example of the TPS22953/54 monitoring the output of a downstream DC/DC regulator. In this case, the switch turns on when the power supply is above the UVLO, but the PG is not asserted until the DC/DC regulator has started up.

TPS22954 TPS22953 Monitor_Downstream.gif Figure 61. Monitoring a Downstream Voltage Schematic

In this application, if the DC/DC Regulator is shut down, the supervisor registers this as a fault case and reset the load switch.

10.1.5 Monitoring the Input Voltage

The SNS pin can also be used to monitor VIN in the case a MCU GPIO is being used to control the EN. This allows PG to report on the status of the input voltage when the switch is enabled. See Figure 62.

TPS22954 TPS22953 Monitoring_VIN.gif Figure 62. Monitoring The Input Voltage Schematic

10.1.6 Break-Before-Make Power MUX (TPS22953 Only)

The reverse current blocking feature of the TPS22953 makes it suitable for power multiplexing (MUXing) between two power supplies with different voltages. The SNS and PG pin can be configured to implement break-before-make logic. The circuit in Figure 63 shows how the detection of Power Supply 1 can be used to disable the load switch for Power Supply 2. By tying the SNS of Load Switch 1 directly to the input, its PG pin is pulled up as soon as the device is enabled.

TPS22954 TPS22953 bbm_app_slvsct5.gif Figure 63. Break-Before-Make Power MUX Schematic

The break-before-make logic ensures that Power Supply 2 is completely disconnected before Power Supply 1 is connected. This approach provides very robust reverse current blocking. However, in most cases, this also results in a dip in the output voltage when switching between supplies.

The amount of voltage dip depends on the loading, the output capacitance, and the turnon delay of the load switch. In this application, leaving the CT pin open results in the shortest turn on delay and minimize the output voltage dip.

Table 3 summarizes the logic of the PG Signal for Figure 63.

Table 3. Break-Before-Make PG Signal

PG Signal Indication
H Power supply 1 not present. System powered from power supply 2.
L Power supply 1 present. System powered from power supply 1.

10.1.7 Make-Before-Break Power MUX (TPS22953 Only)

The reverse current blocking feature of the TPS22953 makes it suitable for power multiplexing (MUXing) between two power supplies with different voltages. The SNS and PG pin can be configured to implement make-before-break logic. The circuit in Figure 64 shows how the detection of Load Switch 1 turning on can be used to disable the load switch for Power Supply 2. By tying SNS to the Load, the PG is pulled up when the output voltage starts to rise. This disables an active low load switch such as the TPS22910A.

TPS22954 TPS22953 mbb_ap_slvsct5.gif Figure 64. Make-Before-Break Power MUX Schematic

The make-before-break logic ensures that Power Supply 2 is not disconnected until Power Supply 1 is connected. Unlike break-before-make logic, this approach is ideal for preventing voltage dip on the output when switching between supplies. However, in most cases, this also results in temporary reverse current flow.

The TPS22910A is well suited for this application because it can detect and block reverse current even before it is disabled by the TPS22953 PG signal. Also, the active low enable of the TPS22910A eliminates the need for an inverter as shown in the previous example.

In order to ensure correct logic, the SNS pin must be configured to toggle PG when the load voltage is between the two supply voltages (3.6 V to 4.5 V). The SNS resistor values in Figure 64 are assuming a tolerance of ±1% or better.

Table 4 summarizes the logic of the PG Signal for Figure 64.

Table 4. Make-Before-Break PG Signal

PG Signal Indication
H Power supply 1 present. System powered from power supply 1.
L Power supply 1 not present. System powered from power supply 2.

10.2 Typical Application

This application demonstrates how the TPS22953/54 can use used to limit inrush current to output capacitance.

TPS22954 TPS22953 Typical_Application.gif Figure 65. Powering a Downstream Module Schematic

10.2.1 Design Requirements

For this design example, use the input parameters shown in Table 5.

Table 5. Design Parameters

DESIGN PARAMETER EXAMPLE VALUE
VIN 3.3 V
VBIAS 5 V
CL 47 µF
Maximum Acceptable Inrush Current 150 mA
RL None

10.2.2 Detailed Design Procedure

To begin the design process, the designer needs to know the following:

  • Input voltage
  • BIAS voltage
  • Load current
  • Load capacitance
  • Maximum acceptable inrush current

10.2.2.1 Inrush Current

To determine how much inrush current is caused by the CL capacitor, use Equation 7.

Equation 7. TPS22954 TPS22953 Eq06_iinrush_slvsct5.gif

where

  • IINRUSH is the amount of inrush caused by CL
  • CL is the load capacitance on VOUT
  • dt is the VOUT Rise Time (typically 10% to 90%)
  • dVOUT is the Change in VOUT Voltage (typically 10% to 90%)

In this case, a Slew Rate slower than 314 μs/V is required to meet the maximum acceptable inrush requirement. Equation 4 can be used to estimate the CT capacitance (as shown in Equation 8 and Equation 9) required for this slew rate.

Equation 8. 314 μs/V = 0.35 × CT + 20
Equation 9. CT = 840 pF

10.2.3 Application Curves

The following Application Curves show the inrush with multiple different CT values. These curves show only a CT capacitance greater than 840 pF results in the acceptable inrush current of 150 mA.

TPS22954 TPS22953 SC_009tek0110.png
CT = 0 pF
Figure 66. Inrush with CT = 0 pF
TPS22954 TPS22953 SC_011tek0112.png
CT = 470 pF
Figure 68. Inrush with CT = 470 pF
TPS22954 TPS22953 SC_013tek0114.png
CT = 2200 pF
Figure 70. Inrush with CT = 2200 pF
TPS22954 TPS22953 SC_010tek0111.png
CT = 220 pF
Figure 67. Inrush with CT = 220 pF
TPS22954 TPS22953 SC_012tek0113.png
CT = 1000 pF
Figure 69. Inrush with CT = 1000 pF