SLVSF21D August   2019  – August 2020 TPS23882

PRODUCTION DATA  

  1. Features
  2. Applications
  3. Description
  4. Revision History
  5. Device Comparison Table
  6. Pin Configuration and Functions
    1.     Pin Functions
    2. 6.1 Detailed Pin Description
  7. Specifications
    1. 7.1 Absolute Maximum Ratings
    2. 7.2 ESD Ratings
    3. 7.3 Recommended Operating Conditions
    4. 7.4 Thermal Information
    5. 7.5 Electrical Characteristics
    6. 7.6 Typical Characteristics
  8. Parameter Measurement Information
    1. 8.1 Timing Diagrams
  9. Detailed Description
    1. 9.1 Overview
      1. 9.1.1 Operating Modes
        1. 9.1.1.1 Auto
        2. 9.1.1.2 Semiauto
        3. 9.1.1.3 Manual/Diagnostic
        4. 9.1.1.4 Power Off
      2. 9.1.2 PoE Compliance Terminology
      3. 9.1.3 PoE 2 Type-3 2-Pair PoE
      4. 9.1.4 Requested Class versus Assigned Class
      5. 9.1.5 Power Allocation and Power Demotion
      6. 9.1.6 Programmable SRAM
    2. 9.2 Functional Block Diagram
    3. 9.3 Feature Description
      1. 9.3.1 Port Remapping
      2. 9.3.2 Port Power Priority
      3. 9.3.3 Analog-to-Digital Converters (ADC)
      4. 9.3.4 I2C Watchdog
      5. 9.3.5 Current Foldback Protection
    4. 9.4 Device Functional Modes
      1. 9.4.1 Detection
      2. 9.4.2 Classification
      3. 9.4.3 DC Disconnect
      4.      41
    5. 9.5 I2C Programming
      1. 9.5.1 I2C Serial Interface
    6. 9.6 Register Maps
      1. 9.6.1 Complete Register Set
      2. 9.6.2 Detailed Register Descriptions
        1. 9.6.2.1  INTERRUPT Register
        2. 9.6.2.2  INTERRUPT MASK Register
        3. 9.6.2.3  POWER EVENT Register
        4. 9.6.2.4  DETECTION EVENT Register
        5. 9.6.2.5  FAULT EVENT Register
        6. 9.6.2.6  START/ILIM EVENT Register
        7. 9.6.2.7  SUPPLY and FAULT EVENT Register
          1. 9.6.2.7.1 Detected SRAM Faults and "Safe Mode"
        8. 9.6.2.8  CHANNEL 1 DISCOVERY Register
        9. 9.6.2.9  CHANNEL 2 DISCOVERY Register
        10. 9.6.2.10 CHANNEL 3 DISCOVERY Register
        11. 9.6.2.11 CHANNEL 4 DISCOVERY Register
        12. 9.6.2.12 POWER STATUS Register
        13. 9.6.2.13 PIN STATUS Register
        14. 9.6.2.14 OPERATING MODE Register
        15. 9.6.2.15 DISCONNECT ENABLE Register
        16. 9.6.2.16 DETECT/CLASS ENABLE Register
        17. 9.6.2.17 Power Priority / 2Pair PCUT Disable Register Name
        18. 9.6.2.18 TIMING CONFIGURATION Register
        19. 9.6.2.19 GENERAL MASK Register
        20. 9.6.2.20 DETECT/CLASS RESTART Register
        21. 9.6.2.21 POWER ENABLE Register
        22. 9.6.2.22 RESET Register
        23. 9.6.2.23 ID Register
        24. 9.6.2.24 Connection Check and Auto Class Status Register
        25. 9.6.2.25 2-Pair Police Ch-1 Configuration Register
        26. 9.6.2.26 2-Pair Police Ch-2 Configuration Register
        27. 9.6.2.27 2-Pair Police Ch-3 Configuration Register
        28. 9.6.2.28 2-Pair Police Ch-4 Configuration Register
        29. 9.6.2.29 Capacitance (Legacy PD) Detection
        30. 9.6.2.30 Power-on Fault Register
        31. 9.6.2.31 PORT RE-MAPPING Register
        32. 9.6.2.32 Channels 1 and 2 Multi Bit Priority Register
        33. 9.6.2.33 Channels 3 and 4 Multi Bit Priority Register
        34. 9.6.2.34 Port Power Allocation Register
        35. 9.6.2.35 TEMPERATURE Register
        36. 9.6.2.36 INPUT VOLTAGE Register
        37. 9.6.2.37 CHANNEL 1 CURRENT Register
        38. 9.6.2.38 CHANNEL 2 CURRENT Register
        39. 9.6.2.39 CHANNEL 3 CURRENT Register
        40. 9.6.2.40 CHANNEL 4 CURRENT Register
        41. 9.6.2.41 CHANNEL 1 VOLTAGE Register
        42. 9.6.2.42 CHANNEL 2 VOLTAGE Register
        43. 9.6.2.43 CHANNEL 3 VOLTAGE Register
        44. 9.6.2.44 CHANNEL 4 VOLTAGE Register
        45. 9.6.2.45 2x FOLDBACK SELECTION Register
        46.       93
        47. 9.6.2.46 FIRMWARE REVISION Register
        48. 9.6.2.47 I2C WATCHDOG Register
        49. 9.6.2.48 DEVICE ID Register
        50. 9.6.2.49 CHANNEL 1 DETECT RESISTANCE Register
        51. 9.6.2.50 CHANNEL 2 DETECT RESISTANCE Register
        52. 9.6.2.51 CHANNEL 3 DETECT RESISTANCE Register
        53. 9.6.2.52 CHANNEL 4 DETECT RESISTANCE Register
        54. 9.6.2.53 CHANNEL 1 DETECT CAPACITANCE Register
        55. 9.6.2.54 CHANNEL 2 DETECT CAPACITANCE Register
        56. 9.6.2.55 CHANNEL 3 DETECT CAPACITANCE Register
        57. 9.6.2.56 CHANNEL 4 DETECT CAPACITANCE Register
        58. 9.6.2.57 CHANNEL 1 ASSIGNED CLASS Register
        59. 9.6.2.58 CHANNEL 2 ASSIGNED CLASS Register
        60. 9.6.2.59 CHANNEL 3 ASSIGNED CLASS Register
        61. 9.6.2.60 CHANNEL 4 ASSIGNED CLASS Register
        62. 9.6.2.61 AUTO CLASS CONTROL Register
        63. 9.6.2.62 CHANNEL 1 AUTO CLASS POWER Register
        64. 9.6.2.63 CHANNEL 2 AUTO CLASS POWER Register
        65. 9.6.2.64 CHANNEL 3 AUTO CLASS POWER Register
        66. 9.6.2.65 CHANNEL 4 AUTO CLASS POWER Register
        67. 9.6.2.66 ALTERNATIVE FOLDBACK Register
        68. 9.6.2.67 SRAM CONTROL Register
          1. 9.6.2.67.1 SRAM START ADDRESS (LSB) Register
          2. 9.6.2.67.2 SRAM START ADDRESS (MSB) Register
          3. 9.6.2.67.3 118
  10. 10Application and Implementation
    1. 10.1 Application Information
      1. 10.1.1 Introduction to PoE
        1. 10.1.1.1 2-Pair Versus 4-Pair Power and the New IEEE802.3bt Standard
    2. 10.2 Typical Application
      1. 10.2.1 Design Requirements
      2. 10.2.2 Detailed Design Procedure
        1. 10.2.2.1 Connections on Unused Channels
        2. 10.2.2.2 Power Pin Bypass Capacitors
        3. 10.2.2.3 Per Port Components
        4. 10.2.2.4 System Level Components (not shown in the schematic diagrams)
      3. 10.2.3 Application Curves
  11. 11Power Supply Recommendations
    1. 11.1 VDD
    2. 11.2 VPWR
  12. 12Layout
    1. 12.1 Layout Guidelines
      1. 12.1.1 Kelvin Current Sensing Resistors
    2. 12.2 Layout Example
      1. 12.2.1 Component Placement and Routing Guidelines
        1. 12.2.1.1 Power Pin Bypass Capacitors
        2. 12.2.1.2 Per-Port Components
  13. 13Device and Documentation Support
    1. 13.1 Documentation Support
      1. 13.1.1 Related Documentation
    2. 13.2 Receiving Notification of Documentation Updates
    3. 13.3 Support Resources
    4. 13.4 Trademarks
    5. 13.5 Electrostatic Discharge Caution
    6. 13.6 Glossary
  14. 14Mechanical, Packaging, and Orderable Information

Package Options

Mechanical Data (Package|Pins)
Thermal pad, mechanical data (Package|Pins)
Orderable Information

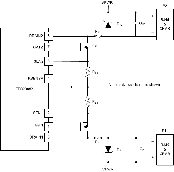
Kelvin Current Sensing Resistors

Load current in each PSE channel is sensed as the voltage across a low-end current-sense resistor with a value of 200 mΩ. For more accurate current sensing, kelvin sensing of the low end of the current-sense resistor is provided through pins KSENSA for channels 1 and 2, KSENSB for channels 3 and 4, KSENSC for channels 5 and 6 and KSENSD for channels 7 and 8.

GUID-7DE43FD8-A331-4514-BBBA-2FA4A38CA659-low.gifFigure 12-1 Kelvin Current-Sense Connection

KSENSA is shared between SEN1 and SEN2, KSENSB is shared between SEN3 and SEN4, KSENSC is shared between SEN5 and SEN6, and KSENSD is shared between SEN7 and SEN8. To optimize the accuracy of the measurement, the PCB layout must be done carefully to minimize impact of PCB trace resistance. Refer to Figure 12-2 as an example.

GUID-11F0C6A2-CDDB-4F2C-B27B-7BF0CEC00161-low.gif Figure 12-2 Kelvin Sense Layout Example