SLVSCA1B October   2013  – August 2016 TPS2546-Q1

PRODUCTION DATA.  

  1. Features
  2. Applications
  3. Description
  4. Revision History
  5. Pin Configuration and Functions
  6. Specifications
    1. 6.1 Absolute Maximum Ratings
    2. 6.2 ESD Ratings
    3. 6.3 Recommended Operating Conditions
    4. 6.4 Thermal Information
    5. 6.5 Electrical Characteristics
    6. 6.6 Electrical Characteristics: High-Bandwidth Switch
    7. 6.7 Electrical Characteristics: Charging Controller
    8. 6.8 Typical Characteristics
  7. Parameter Measurement Information
  8. Detailed Description
    1. 8.1 Overview
    2. 8.2 Functional Block Diagram
    3. 8.3 Feature Description
      1. 8.3.1  Standard Downstream Port (SDP) USB 2.0/USB 3.0
      2. 8.3.2  Charging Downstream Port (CDP)
      3. 8.3.3  Dedicated Charging Port (DCP)
        1. 8.3.3.1 DCP BC1.2 and YD/T 1591-2009
        2. 8.3.3.2 DCP Divider Charging Scheme
        3. 8.3.3.3 DCP 1.2-V Charging Scheme
      4. 8.3.4  Wake on USB Feature (Mouse/Keyboard Wake Feature)
        1. 8.3.4.1 USB 2.0 Background Information
        2. 8.3.4.2 Wake On USB
        3. 8.3.4.3 USB Slow-Speed and Full-Speed Device Recognition
          1. 8.3.4.3.1 No CTL Pin Timing Requirement After Wake Event and Transition from S3 to S0
      5. 8.3.5  Load Detect
      6. 8.3.6  Power Wake
        1. 8.3.6.1 Implementing Power Wake in Notebook System
      7. 8.3.7  Port Power Management (PPM)
        1. 8.3.7.1 Benefits of PPM
        2. 8.3.7.2 PPM Details
        3. 8.3.7.3 Implementing PPM in a System with Two Charging Ports
      8. 8.3.8  Overcurrent Protection
      9. 8.3.9  FAULT Response
      10. 8.3.10 Undervoltage Lockout (UVLO)
      11. 8.3.11 Thermal Sense
    4. 8.4 Device Functional Modes
      1. 8.4.1 DCP Auto Mode
      2. 8.4.2 DCP Forced Shorted / DCP Forced Divider1
      3. 8.4.3 High-Bandwidth Data Line Switch
      4. 8.4.4 Device Truth Table (TT)
  9. Application and Implementation
    1. 9.1 Application Information
      1. 9.1.1 Output Discharge
      2. 9.1.2 CDP/SDP Auto Switch
    2. 9.2 Typical Application
      1. 9.2.1 Design Requirements
      2. 9.2.2 Detailed Design Procedure
        1. 9.2.2.1 Current-Limit Settings
      3. 9.2.3 Application Curves
  10. 10Power Supply Recommendations
  11. 11Layout
    1. 11.1 Layout Guidelines
    2. 11.2 Layout Example
  12. 12Device and Documentation Support
    1. 12.1 Documentation Support
      1. 12.1.1 Related Documentation
    2. 12.2 Receiving Notification of Documentation Updates
    3. 12.3 Community Resources
    4. 12.4 Trademarks
    5. 12.5 Electrostatic Discharge Caution
    6. 12.6 Glossary
  13. 13Mechanical, Packaging, and Orderable Information

Package Options

Mechanical Data (Package|Pins)
Thermal pad, mechanical data (Package|Pins)
Orderable Information

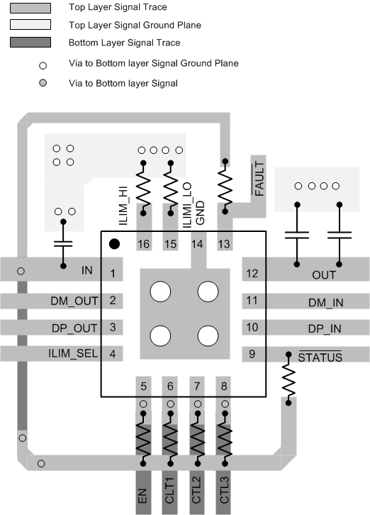
11 Layout

11.1 Layout Guidelines

For the trace routing of DP_IN, DM_IN, DP_OUT, and DM_OUT: route these traces as micro-strips with nominal differential impedance of 90 Ω. Minimize the use of vias in the high-speed data lines. Keep the reference GND plane devoid from cuts or splits above the differential pairs to prevent impedance discontinuities. For more information, see the High-Speed USB Platform Design Guidelines from Intel.

The trace routing from the upstream regulator to the TPS2546-Q1 IN pin must as short as possible to reduce the voltage drop and parasitic inductance.

In order to meet IEC61000-4-2 level 4 ESD, external circuitry is required. Refer to the guidelines provided in the Related Documentation section.

The traces routing from the RILIM_HI and RILIM_LO resistors to the device must be as short as possible to reduce parasitic effects on the current-limit accuracy.

The thermal pad must be directly connected to the PCB ground plane using wide and short copper trace.

11.2 Layout Example

TPS2546-Q1 layout_guidelines_tps2546.gif Figure 47. Layout Recommendation