SLVS631C December 2005 – May 2015 TPS51117
PRODUCTION DATA.
Refer to the PDF data sheet for device specific package drawings
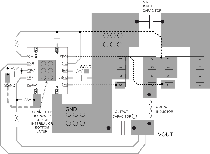
Certain points must be considered before starting a layout work using the TPS51117.
Figure 26. Layout Recommendation
Power dissipation of the TPS51117 is mainly generated from the FET drivers. Average drive current can be estimated by gate charge, Qg, times the switching frequency.

Qg is the charge needed to charge gate capacitance up to the V5DRV voltage of 5 V. Actual values are shown on MOSFET datasheets provided by the manufacturer. Total power dissipation, therefore, to drive the top and bottom MOSFETs can be calculated by the following equation Equation 15.

This power plus a small amount of dissipation (less than 5 mW) from controller circuitry needs to be effectively dissipated from the package. Maximum power dissipation allowed for the package is calculated by:

where
This thermal resistance strongly depends on board layout. The TPS51117 is assembled in a standard TSSOP package and the heat mainly moves to the board through its leads.