SLVSE09A April   2017  – April 2017 TPS61096A

PRODUCTION DATA.  

  1. Features
  2. Applications
  3. Description
  4. Revision History
  5. Pin Configuration and Functions
  6. Specifications
    1. 6.1 ESD Ratings
    2. 6.2 Recommended Operating Conditions
    3. 6.3 Thermal Information
    4. 6.4 Electrical Characteristics
    5. 6.5 Typical Characteristics
  7. Detailed Description
    1. 7.1 Overview
    2. 7.2 Functional Block Diagram
    3. 7.3 Feature Description
      1. 7.3.1 Controller Circuit
      2. 7.3.2 Current Limit Selection
    4. 7.4 Device Functional Modes
      1. 7.4.1 Under-Voltage Lockout
      2. 7.4.2 Enable and Disable
      3. 7.4.3 Soft Start
      4. 7.4.4 Level Shifters
      5. 7.4.5 Over-voltage Protection
      6. 7.4.6 Thermal Shutdown
  8. Application and Implementation
    1. 8.1 Application Information
    2. 8.2 Typical Application
      1. 8.2.1 Design Requirements
      2. 8.2.2 Detailed Design Procedure
        1. 8.2.2.1 Custom Design With WEBENCH® Tools
        2. 8.2.2.2 Programming the Output Voltage
        3. 8.2.2.3 Maximum Output Current
        4. 8.2.2.4 Inductor Selection
        5. 8.2.2.5 Capacitor Selection
      3. 8.2.3 Application Curves
  9. Power Supply Recommendations
  10. 10Layout
    1. 10.1 Layout Guidelines
    2. 10.2 Layout Example
  11. 11Device and Documentation Support
    1. 11.1 Device Support
      1. 11.1.1 Third-Party Products Disclaimer
      2. 11.1.2 Development Support
        1. 11.1.2.1 Custom Design With WEBENCH® Tools
    2. 11.2 Receiving Notification of Documentation Updates
    3. 11.3 Community Resources
    4. 11.4 Trademarks
    5. 11.5 Electrostatic Discharge Caution
    6. 11.6 Glossary
  12. 12Mechanical, Packaging, and Orderable Information

Package Options

Mechanical Data (Package|Pins)
Thermal pad, mechanical data (Package|Pins)
Orderable Information

Detailed Description

Overview

The TPS61096A operates with an input voltage range of 1.8 V to 5.5 V and can generate output voltage up to 28 V. The device operates in a PFM peak current control scheme with selective peak current. This control scheme consumes very low quiescent current so that it is able to achieve high efficiency at light load condition.

The TPS61096A integrates two-channel low power level shifters to convert low voltage logic signals to output voltage for specific applications. It only consumes 1µA static current per channel and ensures very low static and dynamic power consumption across the entire output range.

Functional Block Diagram

TPS61096A FBD_SLVSE09.gif

Feature Description

Controller Circuit

The TPS61096A operates in a PFM with peak current control scheme. The converter monitors the output voltage through feedback pin. As soon as the feedback voltage falls below the reference voltage of typical 1 V, the internal switch turns on and the inductor current ramps up. The switch turns off as soon as the inductor current reaches the setting peak current limit. As the switch turns off, the internal power diode is forward biased and delivers the inductor current to the output. After the inductor current drops to zero, the TPS61096A compares the feedback voltage with the reference voltage. Once feedback voltage falls below the reference voltage, the switch turns on again. In this way, the TPS61096A regulates the output voltage at the target value.

Using this PFM peak current control scheme the converter operates in discontinuous conduction mode (DCM) where the switching frequency depends on the output current. This regulation scheme is inherently stable, allowing a wide selection range for the inductor and output capacitor.

TPS61096A Hyst_current_oper_SLVSDB2.gif Figure 10. PFM Peak Current Control Operation

Current Limit Selection

The TPS61096A supports selectable current limit thresholds. If the ILIM pin is pulled logic high voltage, a high current limit (500 mA typ.) is selected; if the ILIM pin is connected to logic low voltage, a low current limit (250 mA typ.) is selected. With the low current limit threshold, the TPS61096A allows the use of small size external components, especially the inductor, for light load applications.

Device Functional Modes

Under-Voltage Lockout

An under-voltage lockout (UVLO) circuit stops the operation of the converter when the input voltage drops below the typical UVLO threshold of 1.3 V. A hysteresis of 200 mV is added so that the device cannot be enabled again until the input voltage goes up to 1.5 V. This function is implemented in order to prevent malfunctioning of the device when the input voltage is between 1.3 V and 1.5 V.

Enable and Disable

When the input voltage is above maximal UVLO rising threshold of 1.7 V and the EN pin is pulled high, the TPS61096A is enabled. When the EN pin is pulled low, the device stops switching, the TPS61096A goes into shutdown mode. In shutdown mode, less than 1-µA input current is consumed.

Soft Start

The TPS61096A begins soft start when the EN pin is pulled high. An internal soft-start circuit increases the peak inductor current limit to the final value within typical 1 ms. The soft-start function reduces the inrush current during startup.

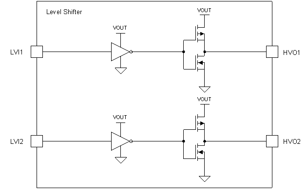
Level Shifters

The TPS61096A contains two level shifter channels. Each channel features a logic-level input stage and a high voltage output stage powered from VOUT. The logic low input must be lower than 0.15 × Vin and logic high input must be higher than 0.8 × Vin. The level shifters have 200-µA sourcing and sinking capability, and are capable of generating up to 200 kHz pulses with up to 10pF capacitive load connected to the outputs.

TPS61096A Level_shift_SLVSDB2.gif Figure 11. Level Shifter Schematic Illustration
TPS61096A figure_21_level_shift_slvsdb2.gif Figure 12. Level Shifter Timing Diagram

Over-voltage Protection

The TPS61096A has internal output over-voltage protection (OVP) function. When the output voltage exceeds the OVP threshold of 29.4 V, the device stops switching. Once the output voltage falls 0.8 V below the OVP threshold, the device resumes operating again.

Thermal Shutdown

The TPS61096A goes into thermal shutdown once the junction temperature exceeds 150°C. When the junction temperature drops below the thermal shutdown temperature threshold minus the hysteresis, typically 125°C, the device starts operating again.