SLVSAM2E November   2011  â€“ May 2017 TPS62160 , TPS62161 , TPS62162 , TPS62163

PRODUCTION DATA.  

  1. Features
  2. Applications
  3. Description
  4. Revision History
  5. Device Voltage Options
  6. Pin Configuration and Functions
  7. Specifications
    1. 7.1 Absolute Maximum Ratings
    2. 7.2 ESD Ratings
    3. 7.3 Recommended Operating Conditions
    4. 7.4 Thermal Information
    5. 7.5 Electrical Characteristics
    6. 7.6 Typical Characteristics
  8. Detailed Description
    1. 8.1 Overview
    2. 8.2 Functional Block Diagrams
    3. 8.3 Feature Description
      1. 8.3.1 Enable and Shutdown (EN)
      2. 8.3.2 Current Limit and Short Circuit Protection
      3. 8.3.3 Power Good (PG)
      4. 8.3.4 Undervoltage Lockout (UVLO)
      5. 8.3.5 Thermal Shutdown
    4. 8.4 Device Functional Modes
      1. 8.4.1 Soft Start
      2. 8.4.2 Pulse Width Modulation (PWM) Operation
      3. 8.4.3 Power Save Mode Operation
      4. 8.4.4 100% Duty-Cycle Operation
  9. Application and Implementation
    1. 9.1 Application Information
    2. 9.2 Typical Application
      1. 9.2.1 Design Requirements
      2. 9.2.2 Detailed Design Procedure
        1. 9.2.2.1 Custom Design with WEBENCH® Tools
        2. 9.2.2.2 Programming the Output Voltage
        3. 9.2.2.3 External Component Selection
        4. 9.2.2.4 Inductor Selection
        5. 9.2.2.5 Capacitor Selection
          1. 9.2.2.5.1 Output Capacitor
          2. 9.2.2.5.2 Input Capacitor
        6. 9.2.2.6 Output Filter and Loop Stability
        7. 9.2.2.7 TPS6216x Components List
      3. 9.2.3 Application Curves
    3. 9.3 System Examples
      1. 9.3.1 1-A Power Supply
      2. 9.3.2 Inverting Power Supply
  10. 10Power Supply Recommendations
  11. 11Layout
    1. 11.1 Layout Guidelines
    2. 11.2 Layout Example
    3. 11.3 Thermal Considerations
  12. 12Device and Documentation Support
    1. 12.1 Custom Design With WEBENCH® Tools
    2. 12.2 Device Support
      1. 12.2.1 Third-Party Products Disclaimer
    3. 12.3 Documentation Support
      1. 12.3.1 Related Documentation
    4. 12.4 Related Links
    5. 12.5 Community Resources
    6. 12.6 Trademarks
    7. 12.7 Electrostatic Discharge Caution
    8. 12.8 Glossary
  13. 13Mechanical, Packaging, and Orderable Information

Package Options

Mechanical Data (Package|Pins)
Thermal pad, mechanical data (Package|Pins)
Orderable Information

Application and Implementation

NOTE

Information in the following applications sections is not part of the TI component specification, and TI does not warrant its accuracy or completeness. TI’s customers are responsible for determining suitability of components for their purposes. Customers should validate and test their design implementation to confirm system functionality.

Application Information

The TPS6216x device family are easy to use synchronous step-down DC/DC converters optimized for applications with high power density. A high switching frequency of typically 2.25 MHz allows the use of small inductors and provides fast transient response as well as high output voltage accuracy by utilization of the DCS-Control™ topology. With its wide operating input voltage range of 3 V to 17 V, the devices are ideally suited for systems powered from either a Li-Ion or other battery as well as from 12-V intermediate power rails. It supports up to 1-A continuous output current at output voltages between 0.9 V and 6 V (with 100% duty cycle mode).

Typical Application

SPACE

TPS62160 TPS62161 TPS62162 TPS62163 SLVSAM2_measinfo.gif Figure 7. TPS62160 Adjustable Power Supply

space

Design Requirements

The design guideline provides a component selection to operate the device within the Recommended Operating Conditions.

Detailed Design Procedure

Custom Design with WEBENCH® Tools

Click here to create a custom design using the TPS62160 device with the WEBENCH® Power Designer.

  1. Start by entering your VIN, VOUT, and IOUT requirements.
  2. Optimize your design for key parameters like efficiency, footprint and cost using the optimizer dial and compare this design with other possible solutions from Texas Instruments.
  3. The WEBENCH Power Designer provides you with a customized schematic along with a list of materials with real time pricing and component availability.
  4. In most cases, you will also be able to:
    • Run electrical simulations to see important waveforms and circuit performance
    • Run thermal simulations to understand the thermal performance of your board
    • Export your customized schematic and layout into popular CAD formats
    • Print PDF reports for the design, and share your design with colleagues
  5. Get more information about WEBENCH tools at www.ti.com/WEBENCH.

Programming the Output Voltage

While the output voltage of the TPS62160 is adjustable, the TPS62161/TPS62162/TPS62163 are programmed to fixed output voltages. For fixed output versions, the FB pin is pulled down internally and may be left floating. It is recommended to connect it to AGND to improve thermal resistance. The adjustable version can be programmed for output voltages from 0.9 V to 6 V by using a resistive divider from VOUT to AGND. The voltage at the FB pin is regulated to 800 mV. The value of the output voltage is set by the selection of the resistive divider from Equation 6. It is recommended to choose resistor values which allow a current of at least 2 µA, meaning the value of R2 should not exceed 400 kΩ. Lower resistor values are recommended for highest accuracy and most robust design. For applications requiring lowest current consumption, the use of fixed output voltage versions is recommended.

spacing

Equation 6. TPS62160 TPS62161 TPS62162 TPS62163 SLVSAG7_eqvout.gif

spacing

If the FB pin becomes open, the device clamps the output voltage at the VOS pin to about 7.4 V.

External Component Selection

The external components have to fulfill the needs of the application, but also the stability criteria of the devices control loop. The TPS6216x is optimized to work within a range of external components. The LC output filter's inductance and capacitance have to be considered together, creating a double pole, responsible for the corner frequency of the converter (see Output Filter and Loop Stability section). Table 2 can be used to simplify the output filter component selection. Checked cells represent combinations that are proven for stability by simulation and lab test. Further combinations should be checked for each individual application.

space

Table 2. Recommended LC Output Filter Combinations(1)

4.7µF 10µF 22µF 47µF 100µF 200µF 400µF
1µH
2.2µH (2)
3.3µH
4.7µH
The values in the table are nominal values. Variations of typically ±20% due to tolerance, saturation and DC bias are assumed.
This LC combination is the standard value and recommended for most applications.

space

More detailed information on further LC combinations can be found in SLVA463.

Inductor Selection

The inductor selection is affected by several effects like inductor ripple current, output ripple voltage, PWM-to-PSM transition point and efficiency. In addition, the inductor selected has to be rated for appropriate saturation current and DC resistance (DCR). Equation 7 and Equation 8 calculate the maximum inductor current under static load conditions.

spacing

Equation 7. TPS62160 TPS62161 TPS62162 TPS62163 SLVSAM2_eqilmax.gif

spacing

spacing

Equation 8. TPS62160 TPS62161 TPS62162 TPS62163 SLVSAG7_eqiripple.gif

where

  • IL(max) is the maximum inductor current
  • ΔIL is the peak-to-peak inductor ripple current
  • L(min) is the minimum effective inductor value
  • fSW is the actual PWM switching frequency

spacing

Calculating the maximum inductor current using the actual operating conditions gives the minimum saturation current of the inductor needed. A margin of about 20% is recommended to add. A larger inductor value is also useful to get lower ripple current, but increases the transient response time and size as well. The following inductors have been used with the TPS6216x and are recommended for use:

Table 3. List of Inductors(1)

Type Inductance [µH] Current [A](2) Dimensions [L x B x H] mm Manufacturer
VLF3012ST-2R2M1R4 2.2 µH, ±20% 1.9 A 3.0 x 2.8 x 1.2 TDK
VLF302512MT-2R2M 2.2 µH, ±20% 1.9 A 3.0 x 2.5 x 1.2 TDK
VLS252012T-2R2M1R3 2.2 uH, ±20% 1.3 A 2.5 x 2.0 x 1.2 TDK
XFL3012-222MEC 2.2 µH, ±20% 1.9 A 3.0 x 3.0 x 1.2 Coilcraft
XFL3012-332MEC 3.3 µH, ±20% 1.6 A 3.0 x 3.0 x 1.2 Coilcraft
LPS3015-332ML_ 3.3 uH, ±20% 1.4 A 3.0 x 3.0 x 1.4 Coilcraft
NR3015T-2R2M 2.2 uH, ±20% 1.5 A 3.0 x 3.0 x 1.5 Taiyo Yuden
744025003 3.3 uH, ±20% 1.5 A 2.8 x 2.8 x 2.8 Wuerth
PSI25201B-2R2MS 2.2 uH, ±20% 1.3 A 2.0 x 2.5 x 1.2 Cyntec
IRMS at 40°C rise or ISAT at 30% drop.

The TPS6216x can operate with an inductor as low as 2.2 µH. However, for applications with low input voltages, 3.3 µH is recommended to allow the full output current. The inductor value also determines the load current at which Power Save Mode is entered:

spacing

Equation 9. TPS62160 TPS62161 TPS62162 TPS62163 SLVSAG7_eqipsm.gif

spacing

Using Equation 8, this current level is adjusted by changing the inductor value.

Capacitor Selection

Output Capacitor

The recommended value for the output capacitor is 22 uF. The architecture of the TPS6216x allows the use of tiny ceramic output capacitors with low equivalent series resistance (ESR). These capacitors provide low output voltage ripple and are recommended. To keep its low resistance up to high frequencies and to get narrow capacitance variation with temperature, it is recommended to use an X7R or X5R dielectric. Using a higher value can have some advantages like smaller voltage ripple and a tighter DC output accuracy in power save mode (see SLVA463).

Note: In power save mode, the output voltage ripple depends on the output capacitance, its ESR and the peak inductor current. Using ceramic capacitors provides small ESR and low ripple.

Input Capacitor

For most applications, 10 µF is sufficient and is recommended, though a larger value reduces input current ripple further. The input capacitor buffers the input voltage for transient events and also decouples the converter from the supply. A low ESR multilayer ceramic capacitor is recommended for best filtering and should be placed between VIN and PGND as close as possible to those pins.

spacing

NOTE

DC bias effect: High capacitance ceramic capacitors have a DC bias effect, which has a strong influence on the final effective capacitance. Therefore the right capacitor value has to be chosen carefully. Package size and voltage rating in combination with dielectric material are responsible for differences between the rated capacitor value and the effective capacitance.

spacing

Output Filter and Loop Stability

The devices of the TPS6216x family are internally compensated to be stable with L-C filter combinations corresponding to a corner frequency calculated with Equation 10:

spacing

Equation 10. TPS62160 TPS62161 TPS62162 TPS62163 SLVSAG7_eqLCfilt.gif

spacing

Proven nominal values for inductance and ceramic capacitance are given in Table 2 and are recommended for use. Different values may work, but care has to be taken on the loop stability which is affected. More information including a detailed L-C stability matrix is found in SLVA463.

The TPS6216X devices, both fixed and adjustable versions, include an internal 25 pF feed forward capacitor, connected between the VOS and FB pins. This capacitor impacts the frequency behavior and sets a pole and zero in the control loop with the resistors of the feedback divider, per Equation 11 and Equation 12:

spacing

Equation 11. TPS62160 TPS62161 TPS62162 TPS62163 SLVSAG7_eqCffzero.gif

spacing

spacing

Equation 12. TPS62160 TPS62161 TPS62162 TPS62163 SLVSAG7_eqCffpole.gif

spacing

Though the TPS6216x devices are stable without the pole and zero being in a particular location, adjusting their location to the specific needs of the application can provide better performance in power save mode and/or improved transient response. An external feed-forward capacitor can also be added. A more detailed discussion on the optimization for stability versus transient response can be found in SLVA289 and SLVA466.

If using ceramic capacitors, the DC bias effect has to be considered. The DC bias effect results in a drop in effective capacitance as the voltage across the capacitor increases (see NOTE in Input Capacitor section).

TPS6216x Components List

Table 4 shows the list of components for the Application Curves.

Table 4. List of Components

REFERENCE DESCRIPTION MANUFACTURER
IC 17 V, 1 A Step-Down Converter, WSON TPS62160DSG, Texas Instruments
L1 2.2 µH, 1.4 A, 3 mm x 2.8 mm x 1.2 mm VLF3012ST-2R2M1R4, TDK
C1 10 µF, 25 V, Ceramic, 0805 Standard
C2 22 µF, 6.3 V, Ceramic, 0805 Standard
R1 depending on VOUT
R2 depending on VOUT
R3 100 kΩ, Chip, 0603, 1/16 W, 1% Standard

Application Curves

VIN=12 V, VOUT=3.3 V, TA=25°C, (unless otherwise noted)

TPS62160 TPS62161 TPS62162 TPS62163 SLVSAM2_eff60iout.png
VOUT = 6 V
Figure 8. Efficiency vs Output Current
TPS62160 TPS62161 TPS62162 TPS62163 SLVSAM2_eff50iout.png
VOUT = 5 V
Figure 10. Efficiency vs Output Current
TPS62160 TPS62161 TPS62162 TPS62163 SLVSAM2_eff33iout.png
VOUT = 3.3 V
Figure 12. Efficiency vs Output Current
TPS62160 TPS62161 TPS62162 TPS62163 SLVSAM2_eff18iout.png
VOUT = 1.8 V
Figure 14. Efficiency vs Output Current
TPS62160 TPS62161 TPS62162 TPS62163 SLVSAM2_eff09iout.png
VOUT = 0.9 V
Figure 16. Efficiency vs Output Current
TPS62160 TPS62161 TPS62162 TPS62163 SLVSAM2_loadreg.png
Figure 18. Output Voltage Accuracy (Load Regulation)
TPS62160 TPS62161 TPS62162 TPS62163 SLVSAM2_fswiout.png
VIN = 12 V
Figure 20. Switching Frequency
TPS62160 TPS62161 TPS62162 TPS62163 SLVSAM2_voutripple.png
Figure 22. Output Voltage Ripple
TPS62160 TPS62161 TPS62162 TPS62163 SLVSAM2_mode01.gif
Figure 24. PWM to PSM Mode Transition
TPS62160 TPS62161 TPS62162 TPS62163 SLVSAM2_loadtranfull.gif
Figure 26. Load Transient Response in PWM Mode
(500 mA to 1 A)
TPS62160 TPS62161 TPS62162 TPS62163 SLVSAM2_loadtranrise.gif
Figure 28. Load Transient Response in PWM Mode
(500 mA to 1 A), Rising Edge
TPS62160 TPS62161 TPS62162 TPS62163 SLVSAM2_stuplow.gif
Figure 30. Startup with IOUT = 100 mA
TPS62160 TPS62161 TPS62162 TPS62163 SLVSAM2_PSMtyp.gif
IOUT = 66 mA
Figure 32. Typical Operation in Power Save Mode
TPS62160 TPS62161 TPS62162 TPS62163 SLVSAM2_eff60vin.png
VOUT = 6 V
Figure 9. Efficiency vs Input Voltage
TPS62160 TPS62161 TPS62162 TPS62163 SLVSAM2_eff50vin.png
VOUT = 5 V
Figure 11. Efficiency vs Input Voltage
TPS62160 TPS62161 TPS62162 TPS62163 SLVSAM2_eff33vin.png
VOUT = 3.3 V
Figure 13. Efficiency vs Input Voltage
TPS62160 TPS62161 TPS62162 TPS62163 SLVSAM2_eff18vin.png
VOUT = 1.8 V
Figure 15. Efficiency vs Input Voltage
TPS62160 TPS62161 TPS62162 TPS62163 SLVSAM2_eff09vin.png
VOUT = 0.9 V
Figure 17. Efficiency vs Input Voltage
TPS62160 TPS62161 TPS62162 TPS62163 SLVSAM2_linereg.png
Figure 19. Output Voltage Accuracy (Line Regulation)
TPS62160 TPS62161 TPS62162 TPS62163 SLVSAM2_fswvin.png
VOUT = 3.3 V
Figure 21. Switching Frequency
TPS62160 TPS62161 TPS62162 TPS62163 SLVSAM2_ioutmax.png
Figure 23. Maximum Output Current
TPS62160 TPS62161 TPS62162 TPS62163 SLVSAM2_mode02.gif
Figure 25. PSM to PWM Mode Transition
TPS62160 TPS62161 TPS62162 TPS62163 SLVSAM2_loadtranlight.gif
Figure 27. Load Transient Response from Power Save Mode (100 mA to 500 mA)
TPS62160 TPS62161 TPS62162 TPS62163 SLVSAM2_loadtranfall.gif
Figure 29. Load Transient Response in PWM Mode
(500 mA to 1 A), Falling Edge
TPS62160 TPS62161 TPS62162 TPS62163 SLVSAM2_stuphigh.gif
Figure 31. Startup with IOUT = 1 A
TPS62160 TPS62161 TPS62162 TPS62163 SLVSAM2_PWMtyp.gif
IOUT = 1 A
Figure 33. Typical Operation in PWM Mode

System Examples

1-A Power Supply

The following example circuits show various TPS6216x devices and input voltages that provide a 1-A power supply with output voltage options.

space

space

TPS62160 TPS62161 TPS62162 TPS62163 SLVSAM2_app5V.gif Figure 34. 5 V / 1 A Power Supply

space

space

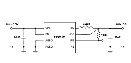
TPS62160 TPS62161 TPS62162 TPS62163 SLVSAM2_app3.3V.gif Figure 35. 3.3 V / 1 A Power Supply

space

space

TPS62160 TPS62161 TPS62162 TPS62163 SLVSAM2_app2.5V.gif Figure 36. 2.5 V / 1 A Power Supply

space

space

TPS62160 TPS62161 TPS62162 TPS62163 SLVSAM2_app1.8V.gif Figure 37. 1.8 V / 1 A Power Supply

space

space

TPS62160 TPS62161 TPS62162 TPS62163 SLVSAM2_app1.5V.gif Figure 38. 1.5 V / 1 A Power Supply

space

space

TPS62160 TPS62161 TPS62162 TPS62163 SLVSAM2_app1.2V.gif Figure 39. 1.2 V / 1 A Power Supply

space

space

TPS62160 TPS62161 TPS62162 TPS62163 SLVSAM2_app1V.gif Figure 40. 1 V / 1 A Power Supply

Inverting Power Supply

The TPS6216x can be used as inverting power supply by rearranging external circuitry as shown in Figure 41. As the former GND node now represents a voltage level below system ground, the voltage difference between VIN and VOUT has to be limited for operation to the maximum supply voltage of 17 V (see Equation 13).

space

Equation 13. TPS62160 TPS62161 TPS62162 TPS62163 SLVSAM2_eqinv.gif

space

TPS62160 TPS62161 TPS62162 TPS62163 SLVSAM2_inverter.gif Figure 41. –5 V Inverting Power Supply

space

The transfer function of the inverting power supply configuration differs from the buck mode transfer function, incorporating a right half plane zero additionally. The loop stability has to be adapted and an output capacitance of at least 22 µF is recommended. A detailed design example is given in SLVA469.

space