SLVSD64 December   2015 TPS7A6650H-Q1

PRODUCTION DATA.  

  1. Features
  2. Applications
  3. Description
  4. Revision History
  5. Pin Configuration and Functions
  6. Specifications
    1. 6.1 Absolute Maximum Ratings
    2. 6.2 ESD Ratings
    3. 6.3 Recommended Operating Conditions
    4. 6.4 Thermal Information
    5. 6.5 Electrical Characteristics
    6. 6.6 Switching Characteristics
    7. 6.7 Qualification Summary
    8. 6.8 Typical Characteristics
  7. Detailed Description
    1. 7.1 Overview
    2. 7.2 Functional Block Diagram
    3. 7.3 Feature Description
      1. 7.3.1 Enable (EN)
      2. 7.3.2 Regulated Output (Vout)
      3. 7.3.3 Power-On Reset (PG)
      4. 7.3.4 Reset Delay Timer (CT)
      5. 7.3.5 Undervoltage Shutdown
      6. 7.3.6 Low-Voltage Tracking
      7. 7.3.7 Thermal Shutdown
    4. 7.4 Device Functional Modes
      1. 7.4.1 Operation With V(VIN) < 4 V
      2. 7.4.2 Operation With EN Control
  8. Application and Implementation
    1. 8.1 Application Information
    2. 8.2 Typical Application
      1. 8.2.1 TPS7A6650H-Q1 Typical Application
        1. 8.2.1.1 Design Requirements
        2. 8.2.1.2 Detailed Design Procedure
          1. 8.2.1.2.1 Input Capacitor
          2. 8.2.1.2.2 Output Capacitor
        3. 8.2.1.3 Application Performance Plot
  9. Power Supply Recommendations
  10. 10Layout
    1. 10.1 Layout Guidelines
      1. 10.1.1 Package Mounting
      2. 10.1.2 Board Layout Recommendations to Improve PSRR and Noise Performance
    2. 10.2 Layout Example
    3. 10.3 Power Dissipation and Thermal Considerations
  11. 11Device and Documentation Support
    1. 11.1 Trademarks
    2. 11.2 Electrostatic Discharge Caution
    3. 11.3 Glossary
  12. 12Mechanical, Packaging, and Orderable Information

Package Options

Mechanical Data (Package|Pins)
Thermal pad, mechanical data (Package|Pins)
Orderable Information

8 Application and Implementation

NOTE

Information in the following applications sections is not part of the TI component specification, and TI does not warrant its accuracy or completeness. TI’s customers are responsible for determining suitability of components for their purposes. Customers should validate and test their design implementation to confirm system functionality.

8.1 Application Information

The TPS7A6650H-Q1 device is a 150-mA low-dropout linear regulator designed for up to 40-V Vin operation with only 12-µA quiescent current at no load.

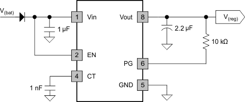
8.2 Typical Application

Figure 16 shows a typical application circuits for the TPS7A6650H-Q1. One may use different values of external components, depending on the end application. An application may require a larger output capacitor during fast load steps in order to prevent reset from occurring. TI recommends a low-ESR ceramic capacitor with dielectric of type X7R or X8R.

8.2.1 TPS7A6650H-Q1 Typical Application

TPS7A6650H-Q1 Typ_App_SLVSD64.gif Figure 16. Typical Application Schematic for TPS7A6650H-Q1

8.2.1.1 Design Requirements

For this design example, use the parameters listed in Table 1 as the design parameters.

Table 1. Design Parameters

DESIGN PARAMETER EXAMPLE VALUE
Input voltage range 4 V to 40 V
Output voltage 5 V
Output current rating 50 mA
Output capacitor range 2.2 µF to 100 µF
Output capacitor ESR range 1 mΩ to 2 Ω
CT capacitor range 100 pF to 100 nF

8.2.1.2 Detailed Design Procedure

To begin the design process, determine the following:

  • Input voltage range
  • Output voltage
  • Output current rating
  • Input capacitor
  • Output capacitor
  • Power-up-reset delay time

8.2.1.2.1 Input Capacitor

The device requires an input decoupling capacitor, the value of which depends on the application. The typical recommended value for the decoupling capacitor is 10 µF. The voltage rating must be greater than the maximum input voltage.

8.2.1.2.2 Output Capacitor

The device requires an output capacitor to stablize the output voltage. The capacitor value should be between 2.2 µF and 100 µF. The ESR range should be between 1 mΩ and 2 Ω. TI recommends to selecting a ceramic capacitor with low ESR to improve the load transient response.

8.2.1.3 Application Performance Plot

TPS7A6650H-Q1 Scope-01_SLVSBL0.gif Figure 17. Power Up (5 V), 20 ms/div, IL = 20 mA